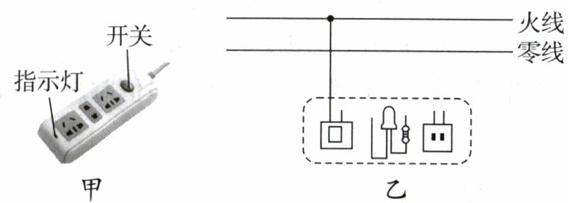
14. (3 分)图甲所示是家庭中常用的一种插线板。小宇同学在使用中发现:开关断开时指示灯不亮,插孔不能提供工作电压;开关闭合时指示灯亮,插孔能提供工作电压;如果指示灯损坏,开关闭合时插孔也能提供工作电压。根据以上描述,请在图乙中画出开关、指示灯和插孔的连接方式,并把接线板与电源线接通。

答案:
如图所示:
如图所示:
15. (7 分)小明同学利用如图所示的装置来探究煤油和菜籽油热值的大小关系。实验结果如下表:
|燃料|加热前的水温/℃|燃料燃尽后的水温/℃|
| ---- | ---- | ---- |
|煤油|25|44|
|菜籽油|25|34|
(1)煤油和菜籽油完全燃烧放出热量的多少是通过________________(选填“温度计升高的温度”或“加热时间”)来反映的;
(2)为了保证实验结论的可靠性,小明同学选择了两套相同的装置,他还应控制的物理量有:煤油和菜籽油的________相同以及水的________相同;
(3)除图中所示的实验器材外,本实验还需要的测量工具有________。根据表格中的数据,你认为热值较大的燃料是________(选填“煤油”和“菜籽油”);
(4)利用此实验方法测出的燃料热值将比真实值____________(选填“偏大”或“偏小”),其原因是______________________________。


|燃料|加热前的水温/℃|燃料燃尽后的水温/℃|
| ---- | ---- | ---- |
|煤油|25|44|
|菜籽油|25|34|
(1)煤油和菜籽油完全燃烧放出热量的多少是通过________________(选填“温度计升高的温度”或“加热时间”)来反映的;
(2)为了保证实验结论的可靠性,小明同学选择了两套相同的装置,他还应控制的物理量有:煤油和菜籽油的________相同以及水的________相同;
(3)除图中所示的实验器材外,本实验还需要的测量工具有________。根据表格中的数据,你认为热值较大的燃料是________(选填“煤油”和“菜籽油”);
(4)利用此实验方法测出的燃料热值将比真实值____________(选填“偏大”或“偏小”),其原因是______________________________。
答案:
(1) 温度计升高的温度
(2) 质量 质量
(3) 天平 煤油
(4) 偏小 燃料燃烧释放的能量不可能全部被水吸收
(1) 温度计升高的温度
(2) 质量 质量
(3) 天平 煤油
(4) 偏小 燃料燃烧释放的能量不可能全部被水吸收
16. (7 分)如图是“探究电流通过导体产生热量的多少跟哪些因素有关”的实验装置,将四段电阻丝分别密封在完全相同的透明容器中,容器内封闭着等量的空气。
(1)甲、乙实验中,通过观察 U 形管中液面的高度差来反映______________________________;
(2)甲实验可探究电流产生的热量与________的关系,通电一段时间后,________(选填“左”或“右”)侧盒子中的电阻产生的热量多;
(3)乙实验可探究电流产生的热量与________的关系。连接好电路通电一段时间后,乙图两容器中的电阻产生的热量之比 Q 左∶Q 右 = ________;
(4)现利用图丙所示的实验装置来探究“比较不同物质的吸热能力”,其中 A、B 两个电阻丝的阻值应该________(选填“相同”或“不同”),向两个烧瓶中分别加入初温相同、质量相等的水和煤油,通电一段时间后,煤油的温度更高,说明________(选填“水”或“煤油”)的吸热能力更强。

(1)甲、乙实验中,通过观察 U 形管中液面的高度差来反映______________________________;
(2)甲实验可探究电流产生的热量与________的关系,通电一段时间后,________(选填“左”或“右”)侧盒子中的电阻产生的热量多;
(3)乙实验可探究电流产生的热量与________的关系。连接好电路通电一段时间后,乙图两容器中的电阻产生的热量之比 Q 左∶Q 右 = ________;
(4)现利用图丙所示的实验装置来探究“比较不同物质的吸热能力”,其中 A、B 两个电阻丝的阻值应该________(选填“相同”或“不同”),向两个烧瓶中分别加入初温相同、质量相等的水和煤油,通电一段时间后,煤油的温度更高,说明________(选填“水”或“煤油”)的吸热能力更强。
答案:
(1) 电流通过导体产生热量的多少
(2) 电阻 右
(3) 电流 4:1
(4) 相同 水
(1) 电流通过导体产生热量的多少
(2) 电阻 右
(3) 电流 4:1
(4) 相同 水
查看更多完整答案,请扫码查看