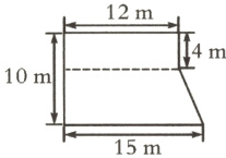
3.光明社区进行老旧小区改造,要修一块草坪,形状如下图。每平方米草坪需要250元。修这块草坪需要多少元?(在图上画出你的想法,再列式计算)(5分)

答案:
3.
12×4+(12+15)×(10-4)÷2=129(m²)
129×250=32250(元)
3.
12×4+(12+15)×(10-4)÷2=129(m²)
129×250=32250(元)
4.两辆汽车同时从相距$770km$的甲、乙两城相对开出,慢车每小时行$60km$,快车每小时行$80km$。相遇前,两车开出几小时后还相距$210km$?(列方程解答)(5分)
答案:
4.解:设两车开出x小时后还相距210km。
80x+60x=770-210
x=4
答:两车开出4小时后还相距210km。
80x+60x=770-210
x=4
答:两车开出4小时后还相距210km。
5.乐乐坐在汽车里看外面人行道边的树,汽车从第1棵树行驶到第18棵树共用去34秒。如果汽车每秒行驶$20m$,那么每相邻两棵树之间相隔多少米?(5分)
答案:
5.34×20÷(18-1)=40(m)
六、快乐探究,智力冲浪。(3分)
如图,梯形$ABCD$的高是$6m$,三角形$AEB$的面积是$5m^2$,$BC$的长是$10m$。求阴影部分的面积。

如图,梯形$ABCD$的高是$6m$,三角形$AEB$的面积是$5m^2$,$BC$的长是$10m$。求阴影部分的面积。
答案:
六、10×6÷2=30(m²) 30-5=25(m²)
查看更多完整答案,请扫码查看