1. 电能
(1)国际单位:
(2)单位换算:1度=
(1)国际单位:
焦耳
,简称焦
,符号是J
。电能的常用单位还有千瓦时
(也就是平时说的“度”),符号是kW·h
。(2)单位换算:1度=
1
kW·h=3.6×10⁶
J。
答案:
1.
(1)焦耳 焦 J 千瓦时 kW·h
(2)1 3.6×10⁶
(1)焦耳 焦 J 千瓦时 kW·h
(2)1 3.6×10⁶
2. 电功
(1)定义:电能转化为其他形式的能的过程也可以说是电流做功的过程,有多少电能发生了转化就说电流做了多少功,即电功是多少。用符号
(2)公式:W=
(3)推导公式:
(1)定义:电能转化为其他形式的能的过程也可以说是电流做功的过程,有多少电能发生了转化就说电流做了多少功,即电功是多少。用符号
W
表示。(2)公式:W=
UIt
。其中W表示电功,单位是J
;U是电路两端的电压,单位是V;I是电路中的电流,单位是A;t是通电时间,单位是s。(3)推导公式:
W=I²Rt
,W=$\frac{U^{2}}{R}t$
。
答案:
2.
(1)W
(2)UIt J
(3)W=I²Rt W=$\frac{U^{2}}{R}t$
(1)W
(2)UIt J
(3)W=I²Rt W=$\frac{U^{2}}{R}t$
3. 电功率
(1)定义:电功率是表示电流做功
(2)单位:瓦特,简称瓦,符号是
(3)公式:P=
(4)推导公式:
(5)额定电压、额定功率:额定电压是指用电器
(1)定义:电功率是表示电流做功
快慢
的物理量,用符号P
表示。(2)单位:瓦特,简称瓦,符号是
W
,其他常用电功率单位还有kW
、mW
。单位换算:1kW=10³
W,1mW=10⁻³
W。(3)公式:P=
$\frac{W}{t}$
,其中P表示电功率,单位是W;W表示电功,单位是J;t表示完成这些电功所用的时间,单位是s。(4)推导公式:
P=UI
,P=I²R
,P=$\frac{U^{2}}{R}$
。(5)额定电压、额定功率:额定电压是指用电器
正常工作
时的电压,额定功率是用电器在额定电压
下工作时的电功率。一个标有“36 V 25 W”的灯泡,其中“36 V”表示该灯泡的额定电压
为36 V,“25 W”表示该灯泡的额定功率
为25 W。
答案:
3.
(1)快慢 P
(2)W kW mW 10³ 10⁻³
(3)$\frac{W}{t}$
(4)P=UI P=I²R P=$\frac{U^{2}}{R}$
(5)正常工作 额定电压 额定电压
额定功率
(1)快慢 P
(2)W kW mW 10³ 10⁻³
(3)$\frac{W}{t}$
(4)P=UI P=I²R P=$\frac{U^{2}}{R}$
(5)正常工作 额定电压 额定电压
额定功率
4. 测量小灯泡的电功率
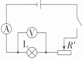
(1)实验原理:
(2)实验原理图如图所示:

(3)实验注意事项:a. 连接电路时开关应
(4)实验结论:通过实验,得出小灯泡的亮度与
(1)实验原理:
P=UI
。(2)实验原理图如图所示:
(3)实验注意事项:a. 连接电路时开关应
断开
。b. 滑动变阻器滑片应滑到阻值最大处
。滑动变阻器在电路中的作用:保护电路
、改变小灯泡的电压
。(4)实验结论:通过实验,得出小灯泡的亮度与
实际功率
有关,实际功率越大,小灯泡越亮
。
答案:
4.
(1)P=UI
(3)断开 最大处 保护电路 改变小
灯泡的电压
(4)实际功率 亮
(1)P=UI
(3)断开 最大处 保护电路 改变小
灯泡的电压
(4)实际功率 亮
查看更多完整答案,请扫码查看