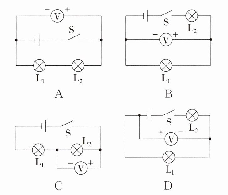
2. 在下图中,能测出灯$L_1$两端电压的正确电路图是(

B
)
答案:
B
3. 如图所示,要使$L_1$与$L_2$串联,在“○”处接入电流表或电压表,测量电路中的电流、$L_1$两端的电压. 以下做法正确的是(

A.a为电流表,b为电流表
B.a为电压表,b为电流表
C.a为电流表,b为电压表
D.a为电压表,b为电压表
B
)A.a为电流表,b为电流表
B.a为电压表,b为电流表
C.a为电流表,b为电压表
D.a为电压表,b为电压表
答案:
B
4. 两段材料相同、长度相等、横截面积不同的圆柱形导体A和B,A比B的横截面积大,它们的电阻关系是Rₐ

<
Rb,若将它们串联在电路中,如图所示,则通过它们的电流关系是Iₐ=
Ib.(均选填“>”“=”或“<”)
答案:
< =
5. 小芳同学按如图所示电路图连接好电路,检查无误;闭合开关S后,她发现电压表无示数;若故障只出在灯$L_2$处,则可能是灯$L_2$处

断路
.
答案:
断路
6. 如图所示,图甲中电压表的分度值为

0.1
V,读数为2.3
V;若使用前出现如图乙所示的情况,则原因是电压表未调零
.
答案:
0.1 2.3 电压表未调零
7. 如图所示,电源电压保持不变,先闭合开关$S_1,$再闭合开关$S_2,$电压表的示数

不变
(选填“变大”“不变”或“变小”),灯泡$L_1$的亮度不变
(选填“变亮”“不变”或“变暗”).
答案:
不变 不变
8. 如图所示,电源电压是3 V且保持不变,S闭合后电压表示数为1 V,则灯$L_2$两端的电压为

1
V;若断开开关,电压表示数将变大
(选填“变大”“变小”或“不变”).
答案:
1 变大
查看更多完整答案,请扫码查看