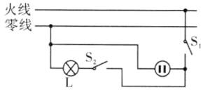
18. 如图甲所示的是某宾馆的房卡,它相当于一个开关。只有房卡插入卡槽里,房间内的灯和插座才能工作。图乙是房间内已经连好的部分电路图,S₁是房卡开关,S₂是控制灯L的开关。为使灯L和插座正常工作,请将图乙中的电路图补充完整。

答案:
如图所示:
如图所示:
19. 如图甲所示的是家庭电路中带有控制开关的三孔插座,请在图乙中用笔画线表示导线将控制开关和三孔插座正确地连接在家庭电路中,连接前请标明火线和零线。

答案:
如图所示:
如图所示:
20. 如图所示的是小雷设计的部分家庭电路示意图,他与爸爸共同按图进行布线安装。完成连接后,两人同时闭合总开关S及开关S₁时,灯泡L₁闪一下便熄灭,家中所有用电器停止工作。为确定发生故障的元件,进行了如下的探究,请回答下列问题。

(1)若要通过插座判断家中电路是否有电,则试电笔应插入插座的______(选填“左”或“右”)孔。
(2)确定上述断路故障后,经排查,小雷猜想发生断路的原因可能是:灯泡L₁内部短路或插座内部短路。于是将保险丝更换为“220 V”的检测灯泡L₂。
①闭合开关S、S₁,检测灯泡L₂正常发光,L₁不发光,上述现象能否判断一定是灯泡L₁内部短路?_______(选填“能”或“不能”),理由是______________________________。
②断开开关S₁,检测灯泡L₂正常发光,这一现象能否判断一定是插座内部短路?______(选填“能”或“不能”),理由是______________________________。
(1)若要通过插座判断家中电路是否有电,则试电笔应插入插座的______(选填“左”或“右”)孔。
(2)确定上述断路故障后,经排查,小雷猜想发生断路的原因可能是:灯泡L₁内部短路或插座内部短路。于是将保险丝更换为“220 V”的检测灯泡L₂。
①闭合开关S、S₁,检测灯泡L₂正常发光,L₁不发光,上述现象能否判断一定是灯泡L₁内部短路?_______(选填“能”或“不能”),理由是______________________________。
②断开开关S₁,检测灯泡L₂正常发光,这一现象能否判断一定是插座内部短路?______(选填“能”或“不能”),理由是______________________________。
答案:
(1)右
(2)①不能 任意一条支路短路,灯泡L₂两端的电压都为220V ②能 灯泡L₂两端的电压为220V
(1)右
(2)①不能 任意一条支路短路,灯泡L₂两端的电压都为220V ②能 灯泡L₂两端的电压为220V
查看更多完整答案,请扫码查看