1. 电功率是表示电流 ______ 的物理量,在国际单位制中,它的单位是 ______。
答案:
做功快慢
瓦特
瓦特
2. 某电视机的电功率是 250 W,每天使用 3 h,一个月用电 ______ kW·h。(每月按 30 天计算)
答案:
22.5
3. 现有“2.5 V 0.4 A”的小灯泡一只,它的额定电压是 ______ V,额定功率是 ______ W,正常工作时灯丝的电阻是 ______ Ω。若把该灯泡接到一节干电池的两极上,它 ______(填“能”或“不能”)正常工作。
答案:
2.5
1
6.25
不能
1
6.25
不能
4. 如图 15-2-1 所示,当开关 S 闭合后,滑动变阻器的滑片 P 向右移动过程中,电压表$ V_1$的示数 ______,电流表的示数 ______,电压表$ V_2 ______ $的示数,电灯的亮度 ______。


答案:
变大
变大
减小
变亮
变大
减小
变亮
5. 在图 15-2-2 所示的电路中,发现电流表的示数减少 0.2 A 时,电压表的示数从 6 V 变为 5 V,则该定值电阻所消耗的电功率变化了 ______ W。
答案:
2.2
6. 电灯$ L_1$与$ L_2$的额定电压相同,并联在电路中时$,L_1$比$ L_2$亮,那么 ( )
$A. L_1$的额定功率比$ L_2$的大
$B. L_1$的电阻大于$ L_2$的电阻
$C. L_1$两端的电压大于$ L_2$两端的电压
D. 通过$ L_2$的电流大于通过$ L_1$的电流
$A. L_1$的额定功率比$ L_2$的大
$B. L_1$的电阻大于$ L_2$的电阻
$C. L_1$两端的电压大于$ L_2$两端的电压
D. 通过$ L_2$的电流大于通过$ L_1$的电流
答案:
A
7. 图 15-2-3 是甲、乙两电阻的电流与电压关系的图像,现将甲、乙串联后接在电压为 4.5 V 的电源两端。下列分析正确的是 ( )

A.乙两端的电压是甲两端电压的两倍
B.通过乙的电流是甲的电流的两倍
C.甲的阻值是乙阻值的两倍
D.甲的电功率是乙的电功率的两倍
A.乙两端的电压是甲两端电压的两倍
B.通过乙的电流是甲的电流的两倍
C.甲的阻值是乙阻值的两倍
D.甲的电功率是乙的电功率的两倍
答案:
A
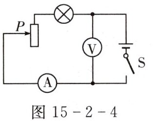
8. 如图 15-2-4 所示,电源电压保持不变,闭合开关 S,当滑片 P 向下移动时,则 ( )

A.电压表的示数变大,灯变暗
B.电流表的示数变小,灯变暗
C.电压表的示数不变,总功率变大
D.电流表的示数变大,总功率变小
A.电压表的示数变大,灯变暗
B.电流表的示数变小,灯变暗
C.电压表的示数不变,总功率变大
D.电流表的示数变大,总功率变小
答案:
B
9. 用电吹风吹干湿头发的过程涉及了许多物理知识,下列说法正确的是 ( )
A.电吹风机能吹出热风,应用了电流的热效应
B.湿头发被吹干的过程中,水汽发放热
C.电吹风机中的电动机和电热丝是串联的
D.头发被吹起,说明力是维持物体运动的原因
A.电吹风机能吹出热风,应用了电流的热效应
B.湿头发被吹干的过程中,水汽发放热
C.电吹风机中的电动机和电热丝是串联的
D.头发被吹起,说明力是维持物体运动的原因
答案:
A
查看更多完整答案,请扫码查看