2. 如图1所示,暗盒有三个接线柱A、B、C,其内部有两个定值电阻$ R_1 $、$ R_2 $,其中$ R_2 = 20Ω $.当M接A,N接B时,闭合开关S,将滑动变阻器的滑片从右端逐次移至左端,绘制电压表示数与电流表示数的关系图像如图2中图线①所示;当M接A,N接C时,重复操作,得到图线②;则电源电压$ U = $

6
V,滑动变阻器$ R $的最大阻值为30
Ω;若将M接A,N接B,C接M
(选填“M”或“N”),再将滑动变阻器的滑片移至最左端,电路的功率最大,最大值为5.4
W.
答案:
2. 6 30 $M$ 5.4 点拨:由题图 1 可知,当两两接线柱相连时,滑动变阻器与暗盒串联,电压表测滑动变阻器两端的电压,电流表测电路中的电流。当 $M$ 接 $A$,$N$ 接 $B$ 时,闭合开关 $S$,将滑动变阻器的滑片从右端逐次移至左端,绘制电压表示数与电流表示数关系图像如题图 2 中图线①所示,设电源电压为 $U$,暗盒内 $A$、$B$ 间的电阻为 $R_{ab}$,由图线①可知电压表示数与电流表示数成一次函数关系,由数学知识可知其解析式为 $U_{V} = -10I + 6$,当电压表的示数为 $U_{1} = 4.5V$ 时,由上面关系式可知电路中的电流为 $I_{1} = 0.15A$,根据串联电路的特点和欧姆定律可得电源电压 $U = U_{1} + I_{1}R_{ab} = 4.5V + 0.15A × R_{ab}$①,由图像可知,当电压表的示数为 $U_{2} = 0V$ 时,电流 $I_{2} = 0.6A$,同理可得电源电压 $U = U_{2} + I_{2}R_{ab} = 0V + 0.6A × R_{ab}$②,联立①②两式解得 $U = 6V$,$R_{ab} = 10\Omega$。由题图 2 中图线①可知,滑动变阻器两端的电压最大为 $U_{1} = 4.5V$,由串联分压的规律可知此时滑动变阻器接入电路的电阻最大,此时电路中的电流为 $I_{1} = 0.15A$,则滑动变阻器 $R$ 的最大阻值 $R_{滑max} = \frac{U_{1}}{I_{1}} = \frac{4.5V}{0.15A} = 30\Omega$。当 $M$ 接 $A$,$N$ 接 $C$ 时,重复操作,得到图线②,设暗盒内 $AC$ 间的电阻为 $R_{ac}$,由图线②可知,电流最大为 $0.2A$,此时电压表的示数为 $0V$,说明此时滑动变阻器接入电路的电阻为零,则 $R_{ac} = \frac{U}{I_{3}} = \frac{6V}{0.2A} = 30\Omega$。由以上分析得:$R_{ab} = 10\Omega$,$R_{ac} = 30\Omega$,且 $R_{2} = 20\Omega$,则暗箱内接线图如答图所示。可知 $R_{1} = R_{ac} - R_{2} = 30\Omega - 20\Omega = 10\Omega$。要使电路的功率最大,由 $P = \frac{U^{2}}{R}$ 可知电路的总电阻应最小,此时暗盒内两电阻应并联,由题图 1 可知应将 $M$ 接 $A$,$N$ 接 $B$,$C$ 接 $M$,再将滑动变阻器的滑片移至最左端,则电路功率的最大值 $P_{max} = P_{1} + P_{2} = \frac{U^{2}}{R_{1}} + \frac{U^{2}}{R_{2}} = \frac{(6V)^{2}}{10\Omega} + \frac{(6V)^{2}}{20\Omega} = 5.4W$。
2. 6 30 $M$ 5.4 点拨:由题图 1 可知,当两两接线柱相连时,滑动变阻器与暗盒串联,电压表测滑动变阻器两端的电压,电流表测电路中的电流。当 $M$ 接 $A$,$N$ 接 $B$ 时,闭合开关 $S$,将滑动变阻器的滑片从右端逐次移至左端,绘制电压表示数与电流表示数关系图像如题图 2 中图线①所示,设电源电压为 $U$,暗盒内 $A$、$B$ 间的电阻为 $R_{ab}$,由图线①可知电压表示数与电流表示数成一次函数关系,由数学知识可知其解析式为 $U_{V} = -10I + 6$,当电压表的示数为 $U_{1} = 4.5V$ 时,由上面关系式可知电路中的电流为 $I_{1} = 0.15A$,根据串联电路的特点和欧姆定律可得电源电压 $U = U_{1} + I_{1}R_{ab} = 4.5V + 0.15A × R_{ab}$①,由图像可知,当电压表的示数为 $U_{2} = 0V$ 时,电流 $I_{2} = 0.6A$,同理可得电源电压 $U = U_{2} + I_{2}R_{ab} = 0V + 0.6A × R_{ab}$②,联立①②两式解得 $U = 6V$,$R_{ab} = 10\Omega$。由题图 2 中图线①可知,滑动变阻器两端的电压最大为 $U_{1} = 4.5V$,由串联分压的规律可知此时滑动变阻器接入电路的电阻最大,此时电路中的电流为 $I_{1} = 0.15A$,则滑动变阻器 $R$ 的最大阻值 $R_{滑max} = \frac{U_{1}}{I_{1}} = \frac{4.5V}{0.15A} = 30\Omega$。当 $M$ 接 $A$,$N$ 接 $C$ 时,重复操作,得到图线②,设暗盒内 $AC$ 间的电阻为 $R_{ac}$,由图线②可知,电流最大为 $0.2A$,此时电压表的示数为 $0V$,说明此时滑动变阻器接入电路的电阻为零,则 $R_{ac} = \frac{U}{I_{3}} = \frac{6V}{0.2A} = 30\Omega$。由以上分析得:$R_{ab} = 10\Omega$,$R_{ac} = 30\Omega$,且 $R_{2} = 20\Omega$,则暗箱内接线图如答图所示。可知 $R_{1} = R_{ac} - R_{2} = 30\Omega - 20\Omega = 10\Omega$。要使电路的功率最大,由 $P = \frac{U^{2}}{R}$ 可知电路的总电阻应最小,此时暗盒内两电阻应并联,由题图 1 可知应将 $M$ 接 $A$,$N$ 接 $B$,$C$ 接 $M$,再将滑动变阻器的滑片移至最左端,则电路功率的最大值 $P_{max} = P_{1} + P_{2} = \frac{U^{2}}{R_{1}} + \frac{U^{2}}{R_{2}} = \frac{(6V)^{2}}{10\Omega} + \frac{(6V)^{2}}{20\Omega} = 5.4W$。
3. (2024·苏州)图甲中,电源电压为12V、电流表(0~0.6A)、电压表(0~15V)、滑动变阻器标有“? Ω 1A”字样,虚线框内是一个定值电阻或是一个小灯泡(6V 0.5A).闭合开关,在元件安全的情况下,使滑片P移动范围最大,得到滑动变阻器的I-U图像如图乙所示.则:①虚线框内是小灯泡;②电路的最大功率为6W;③虚线框内元件和滑动变阻器的功率相等时,滑动变阻器的阻值为10Ω;④滑动变阻器的最大阻值为20Ω.
以上结论正确的有(

A.③④
B.②③
C.①②
D.①④
以上结论正确的有(
A
)A.③④
B.②③
C.①②
D.①④
答案:
3. A 点拨:由题图甲可知,定值电阻或小灯泡与滑动变阻器串联,电流表测量电路中的电流,电压表测量滑动变阻器两端的电压。根据欧姆定律可得,滑动变阻器的 $I$ 和 $U$ 关系式为 $I = I_{定} = \frac{U_{定}}{R_{定}} = \frac{U_{电} - U}{R_{定}} = \frac{U_{电}}{R_{定}} - \frac{U}{R_{定}}$ 或 $I = I_{L} = \frac{U_{L}}{R_{L}} = \frac{U_{电} - U}{R_{L}} = \frac{U_{电}}{R_{L}} - \frac{U}{R_{L}}$,由题图乙可知,滑动变阻器的 $I - U$ 图像为一次函数关系图像,则虚线框内的元件阻值为一定值,由于小灯泡的电阻随温度的变化而变化,不是一个定值,所以虚线框内是定值电阻,不是小灯泡,故①错误。由于电压表的量程大于电源电压,故滑动变阻器的滑片可以移动到最大阻值处,由题图乙可知,滑动变阻器两端的电压最大为 $U_{max} = 8V$,通过电路的最小电流为 $I_{min} = 0.4A$,则滑动变阻器的最大阻值为 $R_{max} = \frac{U_{max}}{I_{min}} = \frac{8V}{0.4A} = 20\Omega$,故④正确。此时定值电阻两端的电压为 $U_{定} = U_{电} - U_{max} = 12V - 8V = 4V$,定值电阻的阻值为 $R_{定} = \frac{U_{定}}{I_{min}} = \frac{4V}{0.4A} = 10\Omega$。当滑动变阻器两端的电压最小时,电路中的电流最大,此时定值电阻两端的电压为 $U'_{定} = U_{电} - U_{min} = 12V - 6V = 6V$,电路中的最大电流为 $I_{max} = I'_{定} = \frac{U'_{定}}{R_{定}} = \frac{6V}{10\Omega} = 0.6A$,电路的最大功率为 $P_{max} = U_{电}I_{max} = 12V × 0.6A = 7.2W$,故②错误。当 $P_{定} = P_{滑}$ 时,由 $P = UI = I^{2}R$ 可知,定值电阻与滑动变阻器两端的电压相等,根据串联电路的分压原理可知,滑动变阻器接入电路的阻值与定值电阻的阻值相等,为 $10\Omega$,故③正确。故选 A。
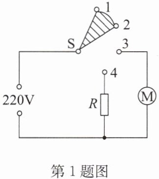
1. 洗发后,小丽站在镜前使用电吹风吹头发. 电吹风简化电路如图所示,旋转扇形开关 S,实现断开、冷风、热风的转换,已知吹冷风时的功率为 100W,R = 48.4Ω,若家中只有电吹风工作,她用冷风、热风挡交替使用 5min,标有“1200imp/(kW·h)”的电能表指示灯闪烁 90 次,则电吹风消耗

$ 2.7×10^{5} $
J 的电能,使用热风挡的时间为4
min.
答案:
1. $ 2.7×10^{5} $ 4 点拨:电路消耗 $ 1kW·h $ 的电能,指示灯闪烁 1200 次,电能表指示灯闪烁了 90 次,电吹风消耗的电能 $ W=\frac{90imp}{1200imp/(kW·h)}=0.075kW·h=2.7×10^{5}J $。由 $ P=\frac{U^{2}}{R} $ 可知,电热丝的功率 $ P=\frac{U^{2}}{R}=\frac{(220V)^{2}}{48.4Ω}=1000W $,即吹热风时的功率 $ P_{热}=100W+1000W=1100W $。设热风挡工作时间为 $ t_{1} $,则冷风挡工作时间为 $ t_{2}=300s - t_{1} $,由 $ P=\frac{W}{t} $ 可知,$ P_{热}t_{1}+P_{冷}(300s - t_{1})=2.7×10^{5}J $,解得 $ t_{1}=240s=4min $。
2. 现有一个小型水电站,如图所示,发电机提供的电压 U = 250V,保持恒定,通过输电线向较远处用户输电,输电线的总电阻 R₀ = 0.15Ω,闭合开关,若发电机提供给电路的总功率 P = 50kW,则通过输电线的电流为

200
A,输电线上发热损耗的电功率为6000
W,中国的天才科学家曹原成功实现了石墨烯的“超导电实验”,使石墨烯电阻在常温下消失,这可能成为常温超导体研究的里程碑,若将输电线改为石墨烯超导输电线,则一天省下来的电能可供一个额定功率为 1kW 的用电器正常工作6
天.
答案:
2. 200 6000 6 点拨:通过输电线的电流 $ I=\frac{P}{U}=\frac{50×10^{3}W}{250V}=200A $。输电线上发热损耗的电功率 $ P_{0}=I^{2}R_{0}=(200A)^{2}×0.15Ω=6000W=6kW $;节省的电功率等于损耗的热功率,则每天节省的电能 $ W=P_{0}t=6kW×24h=144kW·h $,则一天省下来的电能可供一个额定功率为 1kW 的用电器正常工作时间 $ t'=\frac{W}{P'}=\frac{144kW·h}{1kW}=144h=6 $ 天。
查看更多完整答案,请扫码查看