14. (多选)物理课上,小轩连接了如图所示的电路,下列描述正确的是( )。

A.同时闭合$S_1、$$S_3,$电源会短路
B.只闭合$S_2,$灯泡$L_1、$$L_2$串联
C.只闭合$S_2、$$S_3,$灯泡$L_1、$$L_2$并联
D.只闭合$S_1、$$S_2,$灯泡$L_1、$$L_2$都能发光
A.同时闭合$S_1、$$S_3,$电源会短路
B.只闭合$S_2,$灯泡$L_1、$$L_2$串联
C.只闭合$S_2、$$S_3,$灯泡$L_1、$$L_2$并联
D.只闭合$S_1、$$S_2,$灯泡$L_1、$$L_2$都能发光
答案:
AC
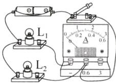
15. (多选)小明连接了如图甲所示的电路,当他闭合开关后,发现两灯正常发光,电流表$A_1$的示数为0.9A,电流表$A_2$的指针偏转情况如图乙所示。下列说法正确的是( )。

A.两灯是并联的
B.干路电流是1.4A
C.通过$L_1$的电流为0.45A
D.通过$L_2$的电流为0.4A
A.两灯是并联的
B.干路电流是1.4A
C.通过$L_1$的电流为0.45A
D.通过$L_2$的电流为0.4A
答案:
AD
16. 学习两种电荷之后,小明利用家中的器材进行如下实验。如图甲所示,用一段细铁丝做一个支架,作为转动轴,把一根中间戳有小孔(没有戳穿)的饮料吸管放在转动轴上,吸管能在水平面上自由转动。用餐巾纸摩擦吸管使其带电。
(1)若把某个物体放在吸管的一端附近,发现吸管向物体靠近,则其______(填字母)。
A. 一定带电
B. 一定不带电
C. 可能带电,也可能不带电
(2)小明把毛皮摩擦过的橡胶棒放在吸管的一端附近,观察吸管运动的方向,如图乙所示,则吸管带的是______电,他判断的依据是______。
A. 一定带电
B. 一定不带电
C. 可能带电,也可能不带电
(2)小明把毛皮摩擦过的橡胶棒放在吸管的一端附近,观察吸管运动的方向,如图乙所示,则吸管带的是______电,他判断的依据是______。
答案:
(1) C
(2) 负 毛皮摩擦过的橡胶棒带负电,同种电荷互相排斥
(1) C
(2) 负 毛皮摩擦过的橡胶棒带负电,同种电荷互相排斥
17. 小海和小梅一起做探究并联电路中干路电流与各支路电流的关系的实验。他们设计的电路如图甲所示,图乙为未连接完整的实物图。
(1)他们选择的实验器材有电源、开关、导线、规格______(选填“相同”或“不同”)的小灯泡若干、电流表。

(2)将电流表接入电路,试触时发现电流表指针位置如图丙所示,接下来的操作应是______。
(3)请你根据电路图将图乙的实物图连接完整,要求电流表测量A点的电流。
(4)小海测得的一组数据如下,分析表格中的数据后,小海认为:
|测量处|A|B|C|
|电流/A|0.12|0.28|0.4|

并联电路中干路电流等于______。
小梅指出:应当进行多次实验,目的是______,具体的操作方法是______。
(1)他们选择的实验器材有电源、开关、导线、规格______(选填“相同”或“不同”)的小灯泡若干、电流表。
(2)将电流表接入电路,试触时发现电流表指针位置如图丙所示,接下来的操作应是______。
(3)请你根据电路图将图乙的实物图连接完整,要求电流表测量A点的电流。
(4)小海测得的一组数据如下,分析表格中的数据后,小海认为:
|测量处|A|B|C|
|电流/A|0.12|0.28|0.4|
并联电路中干路电流等于______。
小梅指出:应当进行多次实验,目的是______,具体的操作方法是______。
答案:
(1) 不同
(2) 调换连接电流表正负接线柱的导线
(3)
(4) 各支路电流之和 得到普遍规律 更换不同规格的小灯泡多次实验
(1) 不同
(2) 调换连接电流表正负接线柱的导线
(3)
(4) 各支路电流之和 得到普遍规律 更换不同规格的小灯泡多次实验
查看更多完整答案,请扫码查看