2025年名师三导学练考六年级数学下册苏教版
注:目前有些书本章节名称可能整理的还不是很完善,但都是按照顺序排列的,请同学们按照顺序仔细查找。练习册 2025年名师三导学练考六年级数学下册苏教版 答案主要是用来给同学们做完题方便对答案用的,请勿直接抄袭。
(1)$\frac{1}{9}$:$\frac{4}{3}$化成整数比是( ),比值是( )。
答案:
(2)一项工程,甲队单独做需要10天完成,乙队单独做需要16天完成。甲队与乙队工作效率的最简整数比是( )。
答案:
(3)在一张图纸上,用4厘米表示实际距离1千米,这张图纸的比例尺是( )。
答案:
(4)在一个比例中,两个比的比值都等于8,两个内项为5和16,这个比例是( )。
答案:
2. 解比例。
$5:x=\frac{1}{4}:\frac{1}{5}$ $\frac{x}{9}=\frac{0.3}{2.7}$
$5:x=\frac{1}{4}:\frac{1}{5}$ $\frac{x}{9}=\frac{0.3}{2.7}$
答案:
$x = 4$ $x = 1$
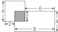
3. 图中阴影部分的面积与全图面积的比是多少?(单位:cm)

答案:
$1:11$
4. 通往火车站的2号厅有一条人行通道,通道长100米,宽1.6米。现在用边长4分米的正方形地砖铺设。设计人员选用了黑色和白色两种地砖,按箭头方向铺下去,具体铺设方案如图。
(1)从上图中可以看出,白色地砖与黑色地砖的面积比是( ):( )。
(2)铺设这条人行通道,共需要地砖多少块?其中需要白色地砖多少块?
(1)从上图中可以看出,白色地砖与黑色地砖的面积比是( ):( )。
(2)铺设这条人行通道,共需要地砖多少块?其中需要白色地砖多少块?
答案:
(1)$3:1$
(2)共需要地砖1000块,其中需要白色地砖750块。
(1)$3:1$
(2)共需要地砖1000块,其中需要白色地砖750块。
5. 甲、乙、丙三个数,甲、乙之比为3:4,乙、丙之比为4:7,乙、丙两数之和是66,求甲、乙、丙分别是多少。
答案:
甲:18 乙:24 丙:42
查看更多完整答案,请扫码查看