8. 王阿姨要买3箱梨(如图),通过估算可以知道,用60元(

够
)(填“够”或“不够”)。
答案:
够
9. 亮亮把$40 × (\triangle + 2.5)$错算成$40 × \triangle + 2.5$,得到的结果与正确结果相差(
97.5
)。
答案:
97.5
1. 一个正方形的边长是$0.15$米,这个正方形的周长是(
A.$0.225$
B.$6$
C.$0.6$
D.$0.9$
C
)米。A.$0.225$
B.$6$
C.$0.6$
D.$0.9$
答案:
C
2. 下面各算式中,积最大的是(
A.$2.5 × 0.46$
B.$25 × 0.46$
C.$250 × 4.6$
D.$0.25 × 4.6$
C
)。A.$2.5 × 0.46$
B.$25 × 0.46$
C.$250 × 4.6$
D.$0.25 × 4.6$
答案:
C
3. 超市里苹果的价格是$6.88$元/千克,刘阿姨只带了现金,她买了$3.1$千克苹果,应付多少元?下面选项中最符合生活实际的是(
A.应付$21.328$元
B.应付$21.3$元
C.应付$21.33$元
D.应付$21.5$元
B
)。A.应付$21.328$元
B.应付$21.3$元
C.应付$21.33$元
D.应付$21.5$元
答案:
B
4. 明明用计算器计算$2.65 × 1.3$时,错误地输成了$1.65 × 1.3$,他需要(
A.加$2.65$
B.加$1.3$
C.加$1.65$
D.减$1.3$
B
)才能得到正确结果。A.加$2.65$
B.加$1.3$
C.加$1.65$
D.减$1.3$
答案:
B
5. 某日某型号汽油价格是$8.48$元/升,王叔叔加了$38$升该型号汽油,解决下面三个问题时,用估算比精算更合适的是(
①大约需要多少元? ②加油站应向王叔叔收取多少元?
③王叔叔付$350$元够吗?
A.①②
B.①③
C.①②③
D.②③
B
)。①大约需要多少元? ②加油站应向王叔叔收取多少元?
③王叔叔付$350$元够吗?
A.①②
B.①③
C.①②③
D.②③
答案:
B
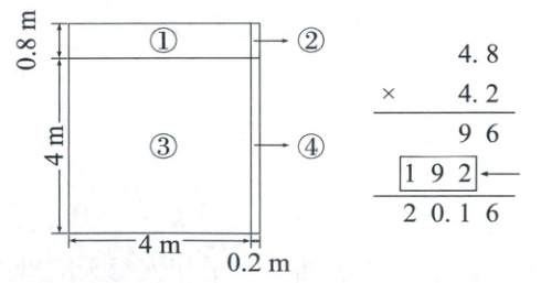
6. 小阳家的书房长$4.8$米、宽$4.2$米。小阳用竖式计算出书房的面积,竖式中箭头所指的这一步计算的是(

A.①+②
B.③+④
C.①+③
D.②+④
C
)的面积。A.①+②
B.③+④
C.①+③
D.②+④
答案:
C
1. 直接写得数。(8分)
$0.7 × 0.9 = $
$0.14 × 0.3 = $
$0.7 × 0.9 = $
0.63
$3.2 × 0.4 = $1.28
$7 × 0.08 = $0.56
$2.1 × 4 = $8.4
$0.14 × 0.3 = $
0.042
$0.16 × 0.5 = $0.08
$18 × 0.03 = $0.54
$0.15 × 0.4 = $0.06
答案:
0.63 1.28 0.56 8.4 0.042 0.08 0.54 0.06
查看更多完整答案,请扫码查看