一、看图理解不同的算法,并写出求组合图形面积的计算过程。
1.

思路:将上图分成(
计算过程如下:
2.

思路:将上图补成(
计算过程如下:
1.
思路:将上图分成(
三角形
)和(梯形
)。计算过程如下:
2.
思路:将上图补成(
正方形
)。计算过程如下:
答案:
1. 三角形 梯形 2. 正方形
二、下面分别是两片树叶的平面图(每个小方格的面积表示 $1cm^{2}$,不满整格的按半格计算),请你填一填。
整格的(

不满整格的(
面积大约(
整格的(
不满整格的(
面积大约(
整格的(
5
)个不满整格的(
18
)个面积大约(
14
)$cm^{2}$整格的(
18
)个不满整格的(
20
)个面积大约(
28
)$cm^{2}$
答案:
5,18,14;18,20,28
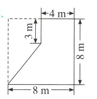
三、求下面各图形的面积。
1.

2.
1.
2.
答案:
1. 63 cm² 2. 690 cm²
四、解决问题。
如下图,一块长方形公园绿地长 24 米,宽 16 米,里面有一条宽 1 米的道路(如图中阴影部分所示),其余部分为草地。草地的面积是多少平方米?

如下图,一块长方形公园绿地长 24 米,宽 16 米,里面有一条宽 1 米的道路(如图中阴影部分所示),其余部分为草地。草地的面积是多少平方米?
答案:
(24-1)×(16-1)=345(平方米)
五、求图中阴影部分的面积。

答案:
24 cm²
查看更多完整答案,请扫码查看