第34页
- 第1页
- 第2页
- 第3页
- 第4页
- 第5页
- 第6页
- 第7页
- 第8页
- 第9页
- 第10页
- 第11页
- 第12页
- 第13页
- 第14页
- 第15页
- 第16页
- 第17页
- 第18页
- 第19页
- 第20页
- 第21页
- 第22页
- 第23页
- 第24页
- 第25页
- 第26页
- 第27页
- 第28页
- 第29页
- 第30页
- 第31页
- 第32页
- 第33页
- 第34页
- 第35页
- 第36页
- 第37页
- 第38页
- 第39页
- 第40页
- 第41页
- 第42页
- 第43页
- 第44页
- 第45页
- 第46页
- 第47页
- 第48页
- 第49页
- 第50页
- 第51页
- 第52页
- 第53页
- 第54页
- 第55页
- 第56页
- 第57页
- 第58页
- 第59页
- 第60页
- 第61页
- 第62页
- 第63页
- 第64页
- 第65页
- 第66页
7.如图,将灯泡及开关正确连入家庭电路。

答案:
解:如图所示
解:如图所示
8.(南京市中考)如图中,将插座和控制插座的开关正确接入家庭电路中。

答案:
解:如图所示
解:如图所示
9.请在下图中的电路图中补画一根导线,使卧室灯L₁和客厅灯L₂都能独立工作。

答案:
解:如图所示
解:如图所示
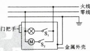
10.小明设计了一种利用“声控”开关(有声音时自动闭合,无声音时自动断开)和“光控”开关(有光照时自动断开,无光照时自动闭合)自动控制的楼道灯,使得只有在天黑且有声音时灯才亮,他还在楼道处安装了一个带保险盒的三孔插座,且与楼道灯互不影响,请你根据小明的设计意图,用笔画线代替导线完成如图所示的电路。(导线不得交叉)

答案:
解:如图所示
解:如图所示
11.图甲是一款多功能家用插座,开关断开时,指示灯不亮,插孔和USB接口均不能使用;闭合开关,指示灯发光,插孔和USB接口可以提供电压;若指示灯损坏,不影响插孔和USB接口的使用。请在图乙中完成开关、指示灯和USB接口的连接。

答案:
解:如图所示
解:如图所示
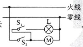
12.(广东省中考)如图为冰箱工作时的部分电路示意图。冰箱内照明灯由开关S₁控制,压缩机M由开关S₂控制。根据题意,将图连接完整,并符合安全用电原则。

答案:
解:如图所示
。
解:如图所示
。
13.投影仪灯泡功率很大,所以需要风扇散热,使用后,应先关闭灯泡L,再关闭风扇M;请用笔画线表示导线在下图中把电路连接完整,要求实现:先断开开关S₁,灯泡熄灭,风扇继续转动,再断开开关S₂,风扇才停止转动。若只闭合开关S₁,灯泡不亮。

答案:
解:
如图所示
解:
如图所示
14.小华用两个单刀双掷开关S₁、S₂和若干导线,设计了一个双控开关电路,在大门处和卧室门口都能控制客厅日光灯的开和关,在下图中,a、b、c、d、e、f、g、h八个接线柱间的导线连接还未完成,请根据小华的意图,用笔画线代替导线,完成连接。

答案:
解:如图所示
解:如图所示
查看更多完整答案,请扫码查看