第33页
- 第1页
- 第2页
- 第3页
- 第4页
- 第5页
- 第6页
- 第7页
- 第8页
- 第9页
- 第10页
- 第11页
- 第12页
- 第13页
- 第14页
- 第15页
- 第16页
- 第17页
- 第18页
- 第19页
- 第20页
- 第21页
- 第22页
- 第23页
- 第24页
- 第25页
- 第26页
- 第27页
- 第28页
- 第29页
- 第30页
- 第31页
- 第32页
- 第33页
- 第34页
- 第35页
- 第36页
- 第37页
- 第38页
- 第39页
- 第40页
- 第41页
- 第42页
- 第43页
- 第44页
- 第45页
- 第46页
- 第47页
- 第48页
- 第49页
- 第50页
- 第51页
- 第52页
- 第53页
- 第54页
- 第55页
- 第56页
- 第57页
- 第58页
- 第59页
- 第60页
- 第61页
- 第62页
- 第63页
- 第64页
- 第65页
- 第66页
1.(武威市中考)小林像往常一样将台灯的插头插入书房插座,闭合台灯开关时,家里空气开关跳闸,你认为小林家发生短路的部位最有可能的是 ( )
A.书房插座
B.台灯插头
C.台灯灯座
D.台灯开关
A.书房插座
B.台灯插头
C.台灯灯座
D.台灯开关
答案:
C
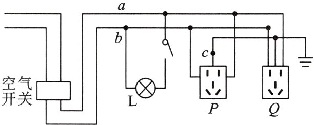
2.小玲家的家庭电路简化后如图所示,由该电路可知 ( )

A.a线是零线,b线是火线
B.灯泡L与插座Q是串联关系
C.c处断开,洗衣机插头插入插座P,洗衣机虽能工作但有安全隐患
D.台灯插头插入插座Q后,空气开关立刻跳闸,是因为灯丝断路造成的
A.a线是零线,b线是火线
B.灯泡L与插座Q是串联关系
C.c处断开,洗衣机插头插入插座P,洗衣机虽能工作但有安全隐患
D.台灯插头插入插座Q后,空气开关立刻跳闸,是因为灯丝断路造成的
答案:
C
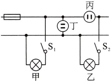
3.小明在学习了《家庭用电》后设计了一个如图所示的电路,下列相关说法正确的是 ( )

A.电路中甲、丁串联
B.电路中丙连接方式不正确
C.闭合开关S₁、S₂,甲灯亮、乙灯不亮,说明乙灯被短路
D.用试电笔检测丙插座的两孔时,试电笔氖管都能发光
A.电路中甲、丁串联
B.电路中丙连接方式不正确
C.闭合开关S₁、S₂,甲灯亮、乙灯不亮,说明乙灯被短路
D.用试电笔检测丙插座的两孔时,试电笔氖管都能发光
答案:
B
4.某家庭电路如图所示,以下说法中不正确的是 ( )

A.若保险丝熔断,可能是短路引起的
B.三孔插座的连接方式符合安全用电的原则
C.若仅b、c间断路,开关S闭合,灯泡L不会发光
D.若在a、b间接入一个灯泡L₁,则它与灯泡L是并联关系
A.若保险丝熔断,可能是短路引起的
B.三孔插座的连接方式符合安全用电的原则
C.若仅b、c间断路,开关S闭合,灯泡L不会发光
D.若在a、b间接入一个灯泡L₁,则它与灯泡L是并联关系
答案:
C
5.小茜家新购住房刚装修完毕,家中部分照明电路如图所示。验收工程时,小茜闭合了开关S(家中其他用电器均处于断开状态),白炽灯L亮了一段时间后熄灭了,她用试电笔分别测试了图中插座的两个孔,发现试电笔都发光。她断开开关S,再次用试电笔测试插座的两个孔,她将观察到(假设故障只有一处) ( )

A.测试两孔时试电笔都发光
B.测试两孔时试电笔都不发光
C.只有测试左面的孔时试电笔才发光
D.只有测试右面的孔时试电笔才发光
A.测试两孔时试电笔都发光
B.测试两孔时试电笔都不发光
C.只有测试左面的孔时试电笔才发光
D.只有测试右面的孔时试电笔才发光
答案:
D
6.如图所示的家庭电路,当闭合开关时,发现电灯不亮。若原因是图中画“×”的位置发生了断路,则在开关闭合的情况下,用试电笔测试电路中A点时,试电笔氖管______(选填“会”或“不会”)发光。

答案:
会
查看更多完整答案,请扫码查看