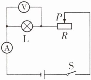
1. 探究小组利用导线将电源、开关、小灯泡、滑动变阻器、电流表、电压表连接起来,形成如图所示实验电路。在不拆开电路更换实验器材的情况下,利用此电路不能够完成的实验是
A.探究滑动变阻器的作用
B.探究电流与电压的关系
C.测量小灯泡的电阻
D.测量小灯泡的额定功率
( )
A.探究滑动变阻器的作用
B.探究电流与电压的关系
C.测量小灯泡的电阻
D.测量小灯泡的额定功率
( )
答案:
B
2. 在“测量小灯泡的额定功率”实验中,小灯泡上标有“2.5 V”字样。

(1) 实验原理是 。

(2) 图甲中有一根导线多余,导致电路错误,请在这根导线上画“×”。
(3) 改正电路错误后,在闭合开关前,应将图甲中滑动变阻器的滑片调至 (填“A”或“B”)端。
(4) 闭合开关,发现小灯泡不亮,但电流表有示数。接下来应进行的操作是 (填字母)。
A. 更换小灯泡
B. 检查电路是否断路
C. 移动滑动变阻器滑片,观察小灯泡是否发光
(5) 当小灯泡正常发光时,电流表示数如图乙所示,小灯泡的额定功率为 。
(6) 小华用如图丙所示的电路也完成了该实验。电源电压不变$,R_1$和$R_2$为滑动变阻器$,R_2$的最大阻值为R₀。实验步骤如下:
① 只闭合开关S、$S_1,$调节$R_2,$使电压表的示数为U额;
② 只闭合开关S、$S_2,$调节$R_1,$使电压表的示数仍为U额;
③ 接着将$R_2$的滑片P调至最左端,记下电压表的示数为$U_1;$再将$R_2$的滑片P调至最右端,记下电压表示数为$U_2,$则小灯泡额定功率的表达式P额= (用U额、R₀、$U_1、$$U_2$表示)。
(1) 实验原理是 。
(2) 图甲中有一根导线多余,导致电路错误,请在这根导线上画“×”。
(3) 改正电路错误后,在闭合开关前,应将图甲中滑动变阻器的滑片调至 (填“A”或“B”)端。
(4) 闭合开关,发现小灯泡不亮,但电流表有示数。接下来应进行的操作是 (填字母)。
A. 更换小灯泡
B. 检查电路是否断路
C. 移动滑动变阻器滑片,观察小灯泡是否发光
(5) 当小灯泡正常发光时,电流表示数如图乙所示,小灯泡的额定功率为 。
(6) 小华用如图丙所示的电路也完成了该实验。电源电压不变$,R_1$和$R_2$为滑动变阻器$,R_2$的最大阻值为R₀。实验步骤如下:
① 只闭合开关S、$S_1,$调节$R_2,$使电压表的示数为U额;
② 只闭合开关S、$S_2,$调节$R_1,$使电压表的示数仍为U额;
③ 接着将$R_2$的滑片P调至最左端,记下电压表的示数为$U_1;$再将$R_2$的滑片P调至最右端,记下电压表示数为$U_2,$则小灯泡额定功率的表达式P额= (用U额、R₀、$U_1、$$U_2$表示)。
答案:
(1) $P=UI$
(2) (在图甲中,连接小灯泡右端与电压表负接线柱的导线画“×”)
(3) A
(4) C
(5) 0.75 W
(6) $\frac{U_{额}(U_{1}-U_{2})}{R_{0}}$
(1) $P=UI$
(2) (在图甲中,连接小灯泡右端与电压表负接线柱的导线画“×”)
(3) A
(4) C
(5) 0.75 W
(6) $\frac{U_{额}(U_{1}-U_{2})}{R_{0}}$
查看更多完整答案,请扫码查看