10. (12分)图甲是用电流表测量电流的实物连接图。

(1)电流表测量的是通过灯____的电流。
(2)若电流表示数如图乙所示,则测出的电流是____A。
(3)若要用电流表测干路电流,且只允许移动其中一根导线,应将导线____(填“a”“b”或“c”)的右端接在电流表的____(填“0.6”或“一”)接线柱上。
(1)电流表测量的是通过灯____的电流。
(2)若电流表示数如图乙所示,则测出的电流是____A。
(3)若要用电流表测干路电流,且只允许移动其中一根导线,应将导线____(填“a”“b”或“c”)的右端接在电流表的____(填“0.6”或“一”)接线柱上。
答案:
(1)L₁
(2)0.36
(3)b —
(1)L₁
(2)0.36
(3)b —
11. (12分)某同学希望通过比较电路中不同位置的电流表的读数来研究串联电路的电流规律,所接电路图如图甲所示,闭合开关后,两电流表指针偏转情况如图乙所示。

(1)电流表$A_2$的读数是____A。
(2)该同学发现电流表$A_1$的指针偏角较$A_2$的小,所以他认为“串联电路电流每流经一个用电器,电流都会减弱一些”。请你指出造成他判断错误的原因:____。
(3)另一同学连接好电路后,两灯泡都亮,由于连线较乱,一时无法确定电路是串联还是并联,以下两种简单的判断方法是否可行?请你在表中空格处填写“可行”或“不可行”。
| 方法 | 操作 | 现象 | 结论 | 方法是否可行 |
| 方法1 | 把其中一个灯泡从灯座中取下 | 另一个灯泡熄灭 | 两灯一定是串联 | |
| 方法2 | 把任意一根导线断开 | 两灯熄灭 | 两灯一定是串联 | |

(1)电流表$A_2$的读数是____A。
(2)该同学发现电流表$A_1$的指针偏角较$A_2$的小,所以他认为“串联电路电流每流经一个用电器,电流都会减弱一些”。请你指出造成他判断错误的原因:____。
(3)另一同学连接好电路后,两灯泡都亮,由于连线较乱,一时无法确定电路是串联还是并联,以下两种简单的判断方法是否可行?请你在表中空格处填写“可行”或“不可行”。
| 方法 | 操作 | 现象 | 结论 | 方法是否可行 |
| 方法1 | 把其中一个灯泡从灯座中取下 | 另一个灯泡熄灭 | 两灯一定是串联 | |
| 方法2 | 把任意一根导线断开 | 两灯熄灭 | 两灯一定是串联 | |
答案:
(1)0.4
(2)他选择的电流表量程不同
(3)可行 不可行
(1)0.4
(2)他选择的电流表量程不同
(3)可行 不可行
12. (12分)小明利用一个去掉玻璃壳但灯丝完好的白炽灯和其他必要器材,完成一些电学实验。
(1)连接图甲所示电路,闭合开关后,电流表示数如图乙所示,其示数为____A。
(2)接着点燃酒精灯对灯丝进行加热,发现电流表示数变小,这是因为灯丝的电阻随着____而变大。
(3)断开开关,并将灯丝剪断,再次闭合开关,发现电流表示数为0,此时电路的状态是____。
(4)在步骤(3)的基础上,用酒精灯对固定灯丝的玻璃柱进行加热,随着玻璃柱逐渐被烧红,小明可以观察到____的现象,说明在特定条件下,玻璃可以由绝缘体转化为导体。
(2)接着点燃酒精灯对灯丝进行加热,发现电流表示数变小,这是因为灯丝的电阻随着____而变大。
(3)断开开关,并将灯丝剪断,再次闭合开关,发现电流表示数为0,此时电路的状态是____。
(4)在步骤(3)的基础上,用酒精灯对固定灯丝的玻璃柱进行加热,随着玻璃柱逐渐被烧红,小明可以观察到____的现象,说明在特定条件下,玻璃可以由绝缘体转化为导体。
答案:
(1)0.3
(2)温度升高
(3)开路
(4)电流表示数变大
(1)0.3
(2)温度升高
(3)开路
(4)电流表示数变大
13. (12分)下图是三位同学设计的“探究影响导体电阻大小的因素”的实验,请据图回答下列问题。(规格不同的导体有若干)

(1)小明设计了图甲所示的电路,为判断a、b两点间导体电阻的大小,小明应注意观察____,具体指明该方案存在的不足:____。
(2)小红设计了图乙所示的电路,当她将一段导体接入a、b两点间并闭合开关后发现灯不亮,经检查电路无开路、短路故障,你认为灯不亮的原因是____。
(3)小丽设计了图丙所示的电路,该电路中灯泡的作用有哪些?
①____。
②____。
(1)小明设计了图甲所示的电路,为判断a、b两点间导体电阻的大小,小明应注意观察____,具体指明该方案存在的不足:____。
(2)小红设计了图乙所示的电路,当她将一段导体接入a、b两点间并闭合开关后发现灯不亮,经检查电路无开路、短路故障,你认为灯不亮的原因是____。
(3)小丽设计了图丙所示的电路,该电路中灯泡的作用有哪些?
①____。
②____。
答案:
(1)电流表示数的变化 a、b两点间电阻太小时,会导致电路中电流过大而烧坏电路中的元件
(2)a、b两点间电阻太大
(3)①保护电路 ②粗略反映电路中电流变化
(1)电流表示数的变化 a、b两点间电阻太小时,会导致电路中电流过大而烧坏电路中的元件
(2)a、b两点间电阻太大
(3)①保护电路 ②粗略反映电路中电流变化
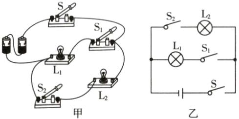
14. 把下图所示实物图连成S为总开关、$S_1$控制$L_1、$$S_2$控制$L_2$的并联电路。发现并联电路至少有____条电流路径,并且各支路中用电器的工作互相____(填“影响”或“不影响”)。在虚线框中画出对应的电路图。

____(虚线框内画电路图)
____(虚线框内画电路图)
答案:
如答图甲所示 2 不影响 如答图乙所示
如答图甲所示 2 不影响 如答图乙所示
查看更多完整答案,请扫码查看