2.在真空中固定一个正点电荷,一个具有一定初速度的带负电的粒子,仅在这个电荷的电场力作用下,可能做

A.匀速直线运动或类平抛运动                   B.速度增大、加速度增大的直线运动

C.动能和电势能都不变的运动                   D.以点电荷为一个焦点的椭圆运动

试题详情>>

3.现在城市的滑板运动非常流行。在水平地面上一名滑板运动员双脚站在滑板上以一定速度向前滑行,在横杆前起跳并越过杆,从而使人与滑板分别从杆的上下通过,如下图所示。假设人和滑板运动过程中受到的各种阻力忽略不计,运动员能顺利完成该动作,最终仍落在滑板原来的位置上。要使这个表演成功,运动员除了跳起的高度足够外,在起跳时双脚对滑板作用力的合力方向应该

试题详情>>

A.竖直向下                                               B.竖直向上

C.向下适当偏后                                           D.向下适当偏前

试题详情>>

4.钳形电流表足根据电磁感应原理制成的一种仪器,其结构如下图甲所示,其外观如乙和丙图所示(乙和丙中的钳形电流表规格相同,同一电缆线在图丙中绕了3匝)。乙图中电流表的读数为1.2A.下列说法正确的是

试题详情>>

 

A.钳形电流表能测出交流电流的有效值        B.钳形电流表能测出交流电流的平均值

试题详情>>

C.丙图中电流表的读数为3.6A                      D.丙图中电流表的读数为0.4A

试题详情>>

5.北京时间2009年2月11日零时55分,美国一颗商用通信卫星与俄罗斯一颗已经报废的卫星在西伯利亚上空相撞,这是太空中首次发生完整的在轨卫星相撞事件。发生相撞的卫星分别为美国铱卫星公司的“铱33”卫星和俄罗斯的“宇宙2251”军用通信卫星。下列关于这两颗卫星的理论分析,正确的是

A.它们的轨道所在的平面可以不重合

B.它们的轨道一定在同一平面内

C.它们可能沿不同的椭圆轨道运行

D.如果它们都绕地球做匀速圆周运动,那么它们碰撞时的速率一定相同

试题详情>>

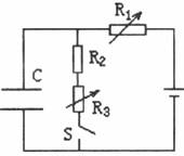
6.如下图所示,C为平行板电容器;R1、R3为可变电阻,R2为定值电阻,开始时开关S是断开的。下列方法能使电容器带电量增加的是

试题详情>>

 

A.减小R1                                                  B.增大R3

C.在电容器两板间插入电介质                   D.将开关S闭合

试题详情>>

7.如下左图所示,在通电长直导线的旁边有一矩形导线框,线框与直导线在同一平面内。在直导线中通入的交流电,图中箭头方向规定为交流电的正方向。若规定线框中感应电流的正方向为逆时针方向,下图能正确表示线框中感应电流变化情况的是

试题详情>>

8.质量为1.0kg的物体静止在水平面上,物体与水平面之间的动摩擦因数为0.30。对物体施加一个大小变化、方向不变的水平拉力F,作用了的时间。为使物体在时间内发生的位移最大,力F随时间的变化情况应该为下面四个图中的哪一个?

试题详情>>

第Ⅱ卷(非选择题       共68分)

试题详情>>

9.在某次实验中,物体拖动纸带做匀加速直线运动,打点计时器所用的电源频率为50Hz。如下图所示为实验中得到的一条纸带,纸带上每相邻的两个计数点之间都有4个点未画出.按时间顺序取0、1、2、3、4、5、6七个计数点,用刻度尺量出各计数点到0点的距离,但某同学在记录数据时只记下了如图所示的2个计数点到0点距离的数值(单位:cm),根据纸带上的数据,试求:

试题详情>>

(1)打点计时器在打计数点“1”的时刻,物体运动的速度(保留两位有效数字)。

试题详情>>

(2)物体运动的加速度大小为(保留两位有效数字)。

(3)计数点6到0点的距离为__________cm。

试题详情>>

10.某同学用常规器材研究标有“3.8V,0.3A”字样的小灯泡两端的电压和通过它电流的关系,先选择合理的电路再正确连线,闭合开关后进行实验,得到的数据如下表所示:

次数

1

2

3

4

5

6

U/N

0

试题详情>>

1.00

I/A

0

试题详情>>

0.160

次数

7

8

9

10

11

12

U/N

试题详情>>

3.80

I/A

试题详情>>

0.310

根据这些数据:

(1)在左下虚线框中最好用铅笔画出实验电路图(图中的电源和开关已经画好)。

试题详情>>

(2)在右下的坐标系中,选取适当的标度,最好用铅笔画出小灯泡的图线(以U为纵轴)。

试题详情>>

(3)U1=1.00V和U2=3.00V时小灯泡的电阻分别为R1=_________,R2=_________,其大小不同的原因是________________________________________。

试题详情>>

(4)小灯泡两端的电压从零到额定电压变化时,小灯泡的最大电阻是__________;最大电功率是__________W(保留三位有效数字)。

试题详情>>

(5)通过小灯泡的电流等于零时,小灯泡的电阻约为__________

试题详情>>

11.(10分)光滑的平行金属导轨长m,两导轨间距m,轨道平面与水平面的夹角,导轨上端接一阻值为的电阻,轨道所在空间有垂直轨道平面向上的匀强磁场,磁场的磁感应强度T,如下图所示。有一质量、电阻的金属棒,放在导轨最上端,其余部分电阻不计。当棒从轨道最上端由静止开始下滑到底端脱离轨道时,电阻上产生的热量J,取,试求:

试题详情>>

(1)当棒的速度时,电阻两端的电压。

(2)棒下滑到轨道最底端时的速度大小。

(3)棒下滑到轨道最底端时的加速度大小。

试题详情>>

12.(13分)在2008年“5・12”四川汶川大地震抢险中,解放军某部队用直升飞机抢救一个峡谷中的伤员.直升飞机在空中悬停,其上有一起重机通过悬绳将伤员从距飞机102m的谷底由静止开始起吊到机舱里。已知伤员的质量为80kg,其伤情允许向上的最大加速度为,起重机的最大输出功率为9.6kW。为安全地把伤员尽快吊起,操作人员采取的办法是:先让起重机以伤员允许向上的最大加速度工作一段时间,接着让起重机以最大功率工作,再在适当高度让起重机对伤员不做功,使伤员到达机舱时速度恰好为零,。试求:

(1)吊起过程中伤员的最大速度。

(2)伤员向上做匀加速运动的时间。

(3)把伤员从谷底吊到机舱所用的时间。

试题详情>>

13.(13分)如下图所示,竖直平面内有范围足够大、水平向左的匀强电场,在虚线左侧有垂直纸面向里水平的匀强磁场,磁场的磁感强度大小为B。一粗细均匀的绝缘轨道由两段水平且足够长的直杆PQ、MN和一半径为的半圆环MAP组成,固定在竖直平面内,半圆环与两直杆的切点P、M恰好在磁场边界线上,轨道的NMAP段光滑,PQ段粗糙。现有一质量为、带电荷量为的绝缘塑料小环套在杆MN上(环的内直径比杆的直径稍大),将小环从M点右侧距离的D点由静止释放,小环刚好能到达P点。试求:

试题详情>>

 

(1)小环所受电场力的大小。

(2)上述过程中小环第一次通过与D点等高的A点时半圆环对小环作用力的大小。

试题详情>>

(3)若小环与PQ间动摩擦因数为(设最大静摩擦力与滑动摩擦力大小相等),现将小环移至M点右侧处由静止释放,求小环在整个运动过程中产生的热量。

试题详情>>

14.(物理3―3模块,8分)

试题详情>>

(1)若已知滴油的总体积为,一滴油在水面上所形成的油膜最大面积为,这种油的摩尔质量力,密度为,根据这些条件可求出油分子的直径为_________,阿伏加德罗常数为____________。

试题详情>>

(2)如下图所示,在水平放置的气缸左边封闭着一定质量的空气,其压强和大气压相同,都为,活塞的面积为,把气缸和活塞固定,使汽缸内的空气升高一定的温度,封闭空气吸收的热量为;如果让活塞可以自由移动(气缸仍固定,活塞与气缸间无摩擦、不漏气),使缸内空气缓慢升高相同的温度,此过程中活塞向右移动的距离为,则在这一过程中缸内气体吸收的热量为____________。

试题详情>>

(3)容积V=20L的钢瓶充满氧气后,压强为。打开钢瓶阀门,让氧气分装到容积为V0=5L的小瓶子中去。若小瓶子已抽成真空,分装到小瓶中的氧气压强均为,在分装过程中无漏气现象,且温度保持不变。问最多可以装多少小瓶氧气?

试题详情>>

15.(物理3―4模块,8分)

试题详情>>

(1)如下图所示是一列横波在某一时刻的波形图像,已知这列波的频率为4Hz,A点在此时的振动方向如图所示。则可以判断出这列波的传播方向是沿轴________方向(填“正”或“负”),  波速大小为___________

试题详情>>

(2)如下图所示,在平静的水面下有一点光源,点光源到水面的距离为,水对该光源发出的单色光的折射率为。请解答下列问题:

试题详情>>

①在水面上方可以看到一圆形的透光面,求该圆的半径。

试题详情>>

②若该单色光在真空中的波长为,该光在水中的波长为多少?

试题详情>>

16.(物理3―5模块,8分)

试题详情>>

(1)有一群氢原子处于量子数的激发态,已知氢原子的能级公式为(E1时的能量)。当它们自发地向低能级跃迁时能发出___________种不同频率的光子,所发出光子的最大频率是___________(已知普朗克常量为)。

试题详情>>

(2)质量的子弹,以的速度射向质量、静止在光滑水平桌面上的木块。

试题详情>>

①如果子弹留在木块中,木块运动的速度是多大?

试题详情>>

②如果子弹把木块打穿,子弹穿过后的速度,这时木块的速度又是多大?

试题详情>>
关闭