1.下列有关电荷所受电场力和洛伦兹力的说法中,正确的是                                 (    )

试题详情>>

A.电荷在电场中一定受电场力的作用*

       B.电荷受电场力的方向与该处的电场方向一致

       C.电荷在磁场中一定受洛伦兹力的作用

       D.电荷所受洛伦兹力的方向与该处的磁场方向垂直

试题详情>>

2.如图所示,一矩形线框,从abcd位置移到a′b′c′d′位置的过程中,关于穿过线框的磁通量情况,下列叙述正确的是(线框平行于纸面移动)                     (    )

试题详情>>

       A.一直增加

       B.一直减少

       C.先增加后减少

     D.先增加,再减少直到零,然后再增加,然后再减少

试题详情>>

3.在匀强磁场中,一个带电粒子只受洛伦兹力作用做匀速圆周运动,如果又顺利垂直进入另一磁感应强度是原来磁感应强度2倍的匀强磁场中,则                                                        (    )

       A.粒子的速率加倍,轨道半径减半

       B.粒子的速率加倍,周期减半

       C.粒子的速率减半,轨道半径变为原来的1/4

       D.粒子的速率不变,周期减半

试题详情>>

4.穿过一个单匝线圈的磁通量始终为每秒钟均匀地增加3 Wb,则                       (    )

       A.线圈中的感应电动势每秒钟增加3 V

       B.线圈中的感应电动势每秒钟减少3 V

       C.线圈中的感应电动势始终是3 V

       D.线圈中不产生感应电动势

试题详情>>

5.如图所示,闭合金属环从竖直曲面上 h高处滚下,又沿曲面另一侧上升,设环的初速为零,空气阻力及摩擦不计,曲面处在图示磁场中,则                                                              (    )

试题详情>>

       A.若是匀强磁场,环滚上的高度小于 h

       B.若是匀强磁场,环滚上的高度等于h

       C.若是非匀强磁场,环滚上的高度等于h

D.若是非匀强磁场,环滚上的高度小于h

试题详情>>

6.如图所示,光滑平行金属导轨间存在垂直纸面向外的匀强磁场,金属导轨上的导体棒ab在匀强磁场中沿导轨做下列哪种运动时,线圈c将由静止向左摆动(导体棒ab与金属导轨接触良好)                                                                                               (    )

试题详情>>

A.向右做加速运动                              B.向右做减速运动

C.向左做加速运动                               D.向左做减速运动

试题详情>>

7.一电子经加速电场加速后,垂直射入一匀强磁场区域,不计重力,如图所示,电子从磁场边界射出时的偏角θ随加速电压U和磁感强度B的变化关系为               (    )

试题详情>>

      A.U增大时θ增大                            B.U增大时θ减小

       C.B增大时θ增大                             D.B增大时θ减小

试题详情>>

8.如图所示,正弦波(甲)和方波(乙)交流电的峰值和频率相等,这两个电流分别通过两个完全相同的电阻,则在一个周期的时间里,两个电阻产生的焦耳热之比Q:Q等于                                         (    )

试题详情>>

       A.1:             B.1:2                C.1:4                 D.1:1

试题详情>>

9.如图(a)、(b)电路中,电阻R和自感线圈L的电阻值都很小。接通S,使电路达到稳定,灯泡发光。下列判断正确的是                                                   (    )

试题详情>>

       A.在电路(a)中断开S,灯泡将渐渐变暗

       B.在电路(a)中断开S,灯泡将先变得更亮,然后渐渐变暗

       C.在电路(b)中断开S,灯泡将渐渐变暗

       D.在电路(b)中断开S,灯泡将先变得更亮,然后渐渐变暗

试题详情>>

10.如图所示,质量为m,带电量为+q的带电粒子,以初速度υ0垂直进入相互正交的匀强电场E和匀强磁场B中,从P点离开该区域,此时侧向位移为y,粒子重力不计则(   )

试题详情>>

A.粒子在P点所受的磁场力可能比电场力大

B.粒子在P点的加速度为:(qE-qυ0B)/m

试题详情>>

       C.粒子在P点的速率为:

试题详情>>

       D.粒子在P点的动能为:

试题详情>>

11.如图所示,abcd是粗细均匀的电阻丝制成的长方形线框,长为宽的2倍,导体棒为相同的电阻丝制成,可在ad边与bc边上无摩擦滑动,导体棒与线框接触良好,并与ad和bc分别交于M、N两点,线框处于垂直纸面向里的匀强磁场中,导体棒与ab平行。当导体棒MN由靠ab边处向cd边匀速移动的全过程中以下说法正确的是      (    )

试题详情>>

       A.MN中电流先增大后减小                    B.MN两端电压先增大后减小

       C.MN上拉力的功率先减小后增大         D.矩形线框中消耗的电功率先增大后减小

试题详情>>

12.在图甲、乙、丙中,除导体棒ab可动外,其余部分均固定不动,甲图中的电容器C原来不带电。设导体棒、导轨和直流电源的电阻均可忽略,导体棒和导轨间的摩擦也不计,图中装置均在水平面面内,且都处于方向垂直水平面(即纸面)向下的匀强磁场中,导轨足够长。现给导体棒ab一个向右的初速度v0,在甲、乙、丙三种情形下导体棒ab的最终运动状态是                                                                                                     (    )

试题详情>>

       A.甲、丙中,ab棒最终一定以不同速度做匀速运动;乙中,ab棒最终静止

       B.甲、丙中,ab棒最终可能以相同速度做匀速运动;乙中,ab棒最终静止

       C.从导体棒开始运动到刚达到最终运动状态的过程中产生的焦耳热的大小关系为

Q<Q<Q

       D.从导体棒开始运动到刚达到最终运动状态的过程中产生的焦耳热的大小关系为

Q<Q<Q

第Ⅱ卷(非选择题 共52分)

试题详情>>

13.关于欧姆表及其使用中的问题,下列说法正确的是                                         (    )

A.接表内电源负极的应是红表笔    

B.换挡后,都要重新欧姆调零,使指针达到满偏刻度

C.表盘刻度是均匀的

D.表盘刻度最左边表示电阻阻值为0

试题详情>>

14.在用伏安法测量一个定值电阻阻值的实验中提供了如下器材,器材规格如下:

(1)待测电阻Rx(约100 Ω);

(2)直流毫安表(量程0~20 mA,内阻约50 Ω);

(3)直流电压表(量程0~3 V,内阻约5 kΩ);

(4)直流电源(输出电压3 V,内阻可不计);

(5)滑动变阻器(阻值范围0~15 Ω,允许最大电流1 A);

(6)电键一个,导线若干条.

实验要求最大限度的减小误差,则毫安表的连接应选择         (填“内接”或“外接”)的连接方式;滑动变阻器的连接应选择         (填“限流”或“分压”)的连接方式。

试题详情>>

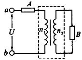
15.如图所示,理想变压器的原副线圈匝数之比为n1:n2=4:1,原线圈回路中的电阻A与副线圈回路中的负载电阻B的阻值相等。a、b端加一交流电压后两电阻两端的电压之比UA:UB是多少?

试题详情>>

16.如图所示,PQ、MN为水平,平行放置的金属导轨,相距1m,导体棒ab跨放在导轨上,棒的质量为m=0.2 kg,棒的中点用细绳经定滑轮与物体相连,物体的质量M=0.3 kg,棒与导轨的动摩擦因数为μ=0.5,匀强磁场的磁感应强度B=2T,方向竖直向下。(g取10 m/s2,不计滑轮与细绳间的摩擦)

试题详情>>

(1)为了使物体匀速上升,应在棒中通入什么方向的电流?

(2)电流强度为多大?

试题详情>>

17.如图所示,在空间有一水平向右的匀强电场,场强为E;同时有一垂直纸面向里的匀强磁场,磁感强度为B,在正交的电场和磁场中有一倾角为θ的粗糙斜面,磁场方向与斜面平面,有一质量为m,电量为+q的物体,沿斜面以速度v匀速下滑,则在物体下滑了距离S的过程中(重力加速度为g)

(1)物体机械能的增量为多少?

(2)物体电势能的增量为多少?

(3)物体与斜面间的动摩擦因数是多少?

试题详情>>

18.在如图所示的空间区域里,y轴左方有一匀强电场,场强方向跟y轴负方向成30°角,大小为E = 4.0×10N/C,y轴右方有一垂直纸面的匀强磁场,有一质子以速度υ0 = 2.0×10m/s由x轴上A点(OA = 10 cm)第一次沿x轴正方向射入磁场,第二次沿x轴负方向射入磁场,回旋后都垂直射入电场,最后又进入磁场,已知质子质量m为1.6×10-27  kg,不计质子重力,求:

(1)匀强磁场的磁感应强度;

(2)质子两次在磁场中运动的时间之比;

(3)质子两次在电场中运动的时间各为多少?

试题详情>>
关闭