1.已知Sl、S2为水波槽中的两个波源,它们在同一水槽中分别激起两列水波,已知两列波的波长6ec8aac122bd4f6e,某时刻在P点为两列波的波峰与波峰相遇,则以下叙述正确的是

     A.P点有时在波峰,有时在波谷,振动始终加强

     B.P点始终在波峰

      C.P点的振动不遵守波的叠加原理,P点的运动也不始终加强

     D.P点的振动遵守波的叠加原理,但并不始终加强

试题详情>>

2.一列简谐横波在某时刻的波形如图所示,若波沿x正向传播,则

试题详情>>

     A.K点将先回到平衡位置,                         B.L点的振幅最大

     C.此时刻K点的加速度最小                         D.K、M、L三点振动频率相同

试题详情>>

3.如图所示,将平行板电容器两极板分别与电池正、负极相接,两板间一带电液滴恰好处于静止状态,现贴着下板插入一定厚度的金属板,则在插入过程中

试题详情>>

      A.电容器的带电量不变                                 B.电路将有顺时针方向的短暂电流

      C.带电液滴仍将静止                                    D.带电液滴将向上做加速运动

试题详情>>

4.如图所示的电路中,已知电容C1=C2,电阻Rl=R2,电源电动势为E,内阻不计。当开关S由闭合状态断开时,下列说法中正确的是

试题详情>>

    A.电容器Cl的电量增多,电容器C2的电量减少

    B.电容器Cl的电量减少,电容器C2的电量增多

    C.电容器Cl、C2的电量都增多

    D.电容器Cl、C2的电量都减少

试题详情>>

5.如图所示,在光滑水平面上的O点系一长为l的绝缘细线,线的另一端系一质量为m、电荷量为q的小球.当沿细线方向加上场强为E的匀强电场后,小球处于平衡状态.现在水平面内给小球一垂直于细线方向的初速度6ec8aac122bd4f6e,使小球在水平面上开始运动.若6ec8aac122bd4f6e很小,则小球再次回到平衡位置所需的时间为

试题详情>>

      A.6ec8aac122bd4f6e               B.6ec8aac122bd4f6e               C.6ec8aac122bd4f6e              D.6ec8aac122bd4f6e

试题详情>>

6.图中虚线是用实验方法模拟出的等量异种电荷形成的电场中的某一簇等势线,若不计重力的带电粒子从a点射入电场后恰能沿图中的实线运动,b点是其运动轨迹上的另一点,则下述判断正确的是

试题详情>>

     A.b点的电势一定高于a点

     B.b点的场强一定大于a点

     C.带电粒子可能带正电

     D.带电粒子在b点的速率一定小于在a点的速率

试题详情>>

7.在匀强电场中,将质量为m,带电量为q的小球由静止释放,带电小球的运动轨迹为一直线,该直线与竖直方向的夹角为6ec8aac122bd4f6e,如图所示,则电场强度的大小为

试题详情>>

      A.有唯一值mgtan6ec8aac122bd4f6e/q;                             B.最小值是mgsin6ec8aac122bd4f6e/q;

试题详情>>

      C.最大值mgtan6ec8aac122bd4f6e/q;                                 D.mg/q

试题详情>>

8.如图所示,以一根质量可以忽略不计的刚性轻杆的一端O为固定转轴,杆可以在竖直平面内无摩擦地转动,杆的中心点及另一端各固定一个小球A和B,已知两球质量相同,现用外力使杆静止在水平方向,然后撤去外力,杆将摆下,从开始运动到杆处于竖直方向的过程中,以下说法中正确的是

试题详情>>

     A.重力对A球的冲量小于重力对B球的冲量

     B.重力对A球的冲量等于重力对B球的冲量

     C.杆的弹力对A球做负功,对B球做正功

     D.杆的弹力对A球和B球均不做功

试题详情>>

9.如图所示,AB是一个接地的很大的薄金属板,其右侧P点有一带电量为Q的正点电荷,R、N为金属板外表面上的两点,P到金属板的垂直距离为d,M为点P、N连线的中点,关于M、N两点的场强和电势,下列说法正确的是

试题详情>>

     A.M点的电势比N点电势高,M点的场强比N点场强大

     B.M点的场强大小为4kQ/d2  

     C.N点的电势为零

     D.N、R两点场强方向相同

试题详情>>

10.如图所示,在光滑的水平面上有质量相等的木块A、B,木块A以速度6ec8aac122bd4f6e前进,木块B静止.当木块A碰到木块B左侧所固定的弹簧时(不计弹簧质量),则

试题详情>>

     A.当弹簧压缩最大时,木块A减少的动能最多,木块A的速度要减少v/2

      B.当弹簧压缩最大时,整个系统减少的动能最多,木块A的速度减少v/2

      C.当弹簧由压缩恢复至原长时,木块A减少的动能最多,t木块A的速度要减少v

      D.当弹簧由压缩恢复至原长时,整个系统动能不变,木块A的速度也不减小

第II卷  (60分)

试题详情>>

11.(3分)

传感器是把非电学量(如速度、温度、压力等)的变化转换成电学变化的一种元件,在自动控制中有着相当广泛的应用,如图所示是一种测量液面高度的电容式传感器的示意图,金属芯线与导电液体之间形成一个电容器,从电容大小的变化就能反映液面的升降情况.当测得电容值增大时,可以确定h将              。(填增大、减小、不变)

试题详情>>

12.(4分)

试题详情>>

在研究微型电动机的性能时,应用如图所示的实验电路.当调节滑动变阻器R,使电动机停止转动时,电流表和电压表的示数分别为0.50A和2.0V。重新调节R并使电动机恢复正常运转,此时电流表和电压表的示数分别为2.0A和24.0V。则这台电动机内阻为

试题详情>>

         6ec8aac122bd4f6e,正常运转时输出功率为        W。

试题详情>>

13.(4分)

如图所示,有一带电粒子贴A板沿水平方向射入匀强电场,当偏转电压为U1时,带电粒子沿轨迹①从两板正中间飞出;当偏转电压为U2时,带电粒子沿轨迹②落到B板中间;设两次射入电场的水平速度相同,则电压U1、U2之比为                

试题详情>>

14.(1)(2分)用螺旋测微器测量金属导线的直径,其示数如图所示,该金属导线的直径为               mm。

试题详情>>

  (2)(11分)小灯泡灯丝的电阻会随温度的升高而变化,一研究性学习小组在实验室通过实验研究这一问题,实验室备有的器材是:电压表(0.3 V,3 k6ec8aac122bd4f6e)、电流表(0~0.6A,0.16ec8aac122bd4f6e)、电池、开关、滑动变阻器、待测小灯泡、导线若干。实验时,要求小灯泡两端电压从零逐渐增大到额定电压以上.

①他们应选用图中       图所示电路进行实验.(4分)

②根据实验测得数据描绘出如图所示U―I图象,由图分析可知,小灯泡电阻随温度T变化的关系是                                。(2分)

试题详情>>

                    

试题详情>>

③已知实验中使用的小灯泡标有1.5 V字样,请你根据上述实验结果求出小灯泡在1.5V电压下的实际功率是              W(保留两位有效数字),在0.6V电压下的小灯泡电阻为              6ec8aac122bd4f6e。(保留一位有效数字)(5分)

试题详情>>

15.(8分)

试题详情>>

设雨点下落过程受到的空气阻力与雨点的横截面积S成正比,与雨点下落的速度v的平方成正比,即6ec8aac122bd4f6e。(其中k为比例系数).雨点接近地面时近似看做匀速直线运动,重力加速度为g.若把南点看做球形,其半径为r,球的体积为6ec8aac122bd4f6e,横截面积6ec8aac122bd4f6e,设雨点的密度为6ec8aac122bd4f6e,求:

试题详情>>

      (1)每个雨点最终的运动速度6ec8aac122bd4f6e。(用6ec8aac122bd4f6e、r、g、k表示);

试题详情>>

      (2)雨点的速度达到6ec8aac122bd4f6e时,雨点的加速度a为多大?

试题详情>>

16.(12分)如图所示,一轻质弹簧竖直固定在地面上,自然长度为lm,上面连接一个质量为ml=l kg的物体,平衡时物体离地面0.9 m.距物体m1正上方高为0.3 m处有一个质量为m2=1kg的物体自由下落后与弹簧上物体m1碰撞立即合为一体,一起在竖直面内做简谐运动.当弹簧压缩量最大时,弹簧长为0.6 m.求(g取10 m/s2):

      (1)碰撞结束瞬间两物体的动能之和是多少?

      (2)两物体一起做简谐运动时振幅的大小? 

试题详情>>

      (3)弹簧长为0.6m时弹簧的弹性势能大小?

试题详情>>

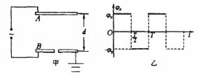
17.(16分)

试题详情>>

如图甲所示,A、B两块金属板水平放置,相距为d=0.6 cm,两板间加有一周期性变化的电压,当B板接地(6ec8aac122bd4f6e)时,A板电势6ec8aac122bd4f6e,随时间变化的情况如图乙所示.现有一带负电的微粒在t=0时刻从B板中央小孔进入电场,且进入电场时初速度可忽略不计.若该带电微粒受到的电场力为重力的两倍,求:

试题详情>>

(1)在6ec8aac122bd4f6e6ec8aac122bd4f6e这两段时间内微粒的加速度大小和方向;

(2))要使该微粒不与A板相碰,所加电压的周期最长为多少(g=10 m/s2).

试题详情>>
关闭