14.下列说法正确的是                                                                                           (    )

    A.已知油酸在水面上形成的单分子油膜的体积和面积,可以估测出油酸分子的直径

    B.已知铁的摩尔质量和密度,可以求出阿伏加德罗常数

    C.根据热力学第一定律,当气体膨胀时,气体的内能一定减小

    D.根据热力学第二定律,第二类永动机可以制造成功

试题详情>>

15.下列说法正确的是                                                                                           (    )

    A.在光的双缝干涉实验中,把入射光由紫光改为红光,条纹间距将变窄

    B.在光电效应实验中,把入射光由紫光改为红光,打出的光电子的最大初动能将增大

    C.在光导纤维束内传送信号,是利用了光的全反射原理

    D.在医院里常用紫外线对病房和手术室消毒,是因为紫外线比红外线的热效应显著

试题详情>>

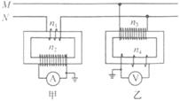
16.如图所示,M、N是输电线,甲是电流互感器,乙是电压互感器。已知

试题详情>>

。若A表和V表的示数分别为10 A和44 V,则输电线输送的功率为                                                     (    )

试题详情>>

学科网(Zxxk.Com)

       A.88 W                                         B.440 W

试题详情>>

       C.W                                    D.

试题详情>>

17.月球上有大量的氦一3,“嫦娥一号”探月卫星执行的一项重要任务就是评估月球土壤中

20090415

20090415

试题详情>>

    A.                                 B.2×3.26 MeV

试题详情>>

    C.                             D.

试题详情>>

18.我国数据中继卫星“天链一号01星”于2008年4月25日在我省西昌卫星发射中心发射升空,经多次变轨后,成功定点在东经77°、赤道上空的同步轨道上。关于“天链一号01星”,下列说法正确的是                  (    )

试题详情>>

    A.运行速度为7.9 km/s

    B.绕地心运行的周期小于月球绕地球运行的周期

    C.向心加速度与静止在赤道上的物体的向心加速度大小相等

    D.离地面的高度一定且相对地面静止

试题详情>>

19.如图所示,沿波的传播方向上有间距均为1 m六个质点,它们均静止在各自的平衡位置。一列简谐横波以2m/s的速度水平向右传播。t=刻,质点开始振动,其运动方向向上,t=1.5s时刻,质点第一次到达最低点,则下列判断正确的是                                                                                        (    )

试题详情>>

学科网(Zxxk.Com)

A.各质点开始振动后的频率均为2Hz

       B.t=3s时刻,波恰好传播到质点f

试题详情>>

       C.t=2s时刻,质点的加速度均为最小值

试题详情>>

       D.在这段时间内,质点的速度先增大后减小

试题详情>>

20.竖直墙面与水平面均光滑绝缘,A、B两小球带有同种电荷,用水平向右的拉力作用在A小球上,在图示位置,两小球均静止。现将A小球向右缓慢拉动一小段距离后,A、B两小球重新达到平衡,若前后两次平衡状态下,水平拉力分别为之间的库仑力分别为对地面的压力分别为,B对墙面的压力分别为。则下列判断正确的是                                                                                    (    )

试题详情>>

A.                 B.            C.        D.

试题详情>>

21.如图甲所示,长2 m的木板Q静止在某水平面上,时刻,可视为质点的小物块以水平向右的某一初速度从Q的左端向右滑行的速度一时间图象见图乙,其中*分别是0~l s内的速度一时间图线,是1~2 s内共同的速度时间图线。已知的质量均是1 kg,g取l0 m/s。则以下判断正确的是      (    )

试题详情>>

A.系统在相互作用的过程中动量守恒

试题详情>>

       B.在0~2 s内,摩擦力对的冲量是2N・s

试题详情>>

       C.之间的动摩擦因数为0.1

试题详情>>

       D.相对静止的位置在木板的右端

第Ⅱ卷(非选择题,共174分)

试题详情>>

22.(17分)

   (1)伽利略曾经提出和解决了这样一个问题:一根细绳悬挂在黑暗的城堡中,人们看不到它的上端,只能摸到它的下端。为了测出细绳的长度,可以在细绳的下端系一个金属球,使之在竖直平面内做小角度的摆动。

        ①在上述设想中,要达到测出细绳长度的目的,需要测量或知道的物理量是下列选项中的____________(填序号字母)。

试题详情>>

        A.金属球的质量                                            B.金属球的直径

试题详情>>

        C.金属球全振动的次数和对应的时间                                                      D.当地的重力加速度

试题详情>>

        ②利用①中测量或知道的物理量得到的细绳长度表达式为=___________。

20090415

        ①请按照图甲中的电路图,在图乙的实物图上完成实物连线。

试题详情>>

www.1010jiajiao.com

        ②实验室提供了下列器材:

试题详情>>

        A.定值电阻,电阻值20

试题详情>>

        B.定值电阻,电阻值600

试题详情>>

        C.电流表(量程l A,内阻0.5

试题详情>>

        D.电流表(量程10 mA,内阻50

试题详情>>

        E.电流表(量程5mA,内阻100

试题详情>>

        F.滑动变阻器R(50,允许最大电流1A

        G.电池组(电动势6 V)

        H.开关,导线若干

        为了测量尽可能准确,定值电阻应选用__________;电流表A1应选用

试题详情>>

__________;电流表应选用______________(以上各空均填器材的序号字母)。

试题详情>>

③该同学接通电路后,调节滑动变阻器,电压表达到满偏刻度时,电流表的读数

试题详情>>

,电流表的读数为,定值电阻的阻值用表示,电流表的内阻用

试题详情>>

示,则该电压表的量程为_________;内阻为__________(用表示)。

试题详情>>

23.(16分)在2008年北京奥运会上,牙麦加选手在4×100 m接力赛中,打破了美国选手保持了十几年的世界记录。比赛中有甲、乙两选手,假设他们奔跑时的最大速度相同,乙从静止开始全力奔跑需跑出25 m,才能达到最大速度,这一过程可看做匀变速直线运动。现在甲、乙跑第二和第三棒,他们将在直道上进行交接棒,甲持棒以最大速度向乙跑来,乙在接力区伺机全力奔出,若要求乙接棒时奔跑的速度为最大速度的0.8倍,求:

   (1)乙从起跑到接棒,在接力区奔跑的距离。

   (2)乙应在距离甲多远处开始起跑?

试题详情>>

24.(19分)如图所示,直角坐标系所决定的平面内,在平行于y轴的虚线MN右侧、y>0的区域存在着沿y轴负方向的匀强电场;在y<0的某区域存在方向垂直于坐标平面的圆形有界匀强磁场(图中未画出)。现有一电荷量为、质量为的带正电粒子从虚线MN上的P处,以平行于轴方向的初速度射人电场,并恰好从原点处射出,射出时速度方向与轴成60°角,此后粒子先做匀速运动,然后进入磁场。粒子从圆形有界磁场中射出时,恰好位于y轴上Q(0,一)处,且射出时速度方向沿轴负方向,不计带电粒子的重力。求:

试题详情>>

   (1)两点间的电势差。

   (2)匀强磁场的磁感应强度。

试题详情>>

   (3)圆形有界匀强磁场的最小面积。(结果用表示)

试题详情>>

25.(20分)如图所示,两足够长的平行光滑的金属导轨相距为,导轨平面与水平面的夹角a=30°,导轨电阻不计,磁感应强度为B的匀强磁场垂直于导轨平面向上。长为的金属棒垂直于放置在导轨上,且始终与导轨接触良好,金属棒的质量为、电阻为R。两金属导轨的上端连接右侧电路,灯泡的电阻,电阻箱电阻调到,重力加速度为g。现闭合开关S,给金属棒施加一个方向垂直于杆且平行于导轨平面向上的、大小为的恒力,使金属棒由静止开始运动。

   (1)求金属棒达到最大速度的一半时的加速度。

   (2)若金属棒上滑距离为L时速度恰达到最大,求金属棒由静止开始上滑4 L的过程中,金属棒上产生的电热。

   (3)若改变R’的阻值,当R’为何值时,在金属棒达到最大速度后,R’消耗的功率最大?

        消耗的最大功率为多少?

试题详情>>
关闭