1.从同一高度将两个质量相同、速度大小相等的物体同时抛出,一个水平抛出,一个竖直上抛。从抛出到落地的过程中,以下说法正确的是                                   (    )

       A.重力对竖直上抛物体做的功较多

       B.重力对两物体做功的平均功率相同

       C.两物体落地前任意时刻的机械能相同

       D.竖直上抛的物体落地前的机械能较水平抛出的物体大

试题详情>>

2.一块木板可绕过O点的光滑水平轴在竖直平面内转动,木板上放有一木块,木板右端受到竖直向上的作用力F,从图中位置A缓慢转动到位置B,木块相对木板不发生滑动。则在此过程中                      (    )

试题详情>>

       A.木板对木块的支持力不做功

       B.木板对木块的摩擦力做负功

       C.木板对木块的摩擦力不做功

       D.木板对木块所做的功等于木块重力势能的增加

试题详情>>

3.为了探究能量转化和守恒,小明将小铁块绑在橡皮筋中部,并让橡皮筋穿入铁罐、两端分别固定在罐盖和罐底上,如图所示。让该装置从不太陡的斜面上A处滚下,到斜面上B处停下,发现橡皮筋被卷紧了,接着铁罐居然能从B处缓慢地自动滚了上去。关于该装置能量的转化,下列判断正确的是                        (    )

试题详情>>

       A.从A处滚到B处,主要是重力势能转化为动能

       B.从A处滚到B处,主要是弹性势能转化为动能

       C.从B处滚到最高处,主要是动能转化为重力势能

       D.从B处滚到最高处,主要是弹性势能转化为重力势能

试题详情>>

4.如图是验证楞次定律实验的示意图,竖直放置的线圈固定不动,将磁铁从线圈上方插入或拔出,线圈和电流表构成的闭合回路中就会产生感应电流,各图中分别标出了磁铁的极性、磁铁相对线圈的运动方向以及线圈中产生的感应电流的方向等情况,其中表示正确的是                                                                             (    )

试题详情>>

5.如图所示,在纸面内有一匀强电场,带正电小球在与竖直线AB夹角为θ的力F作用下,由A匀速运动至B,已知AB间距离为d,小球的质量为m,带电量为q,则下列结论正确的是          (    )

试题详情>>

       A.若匀强电场的方向水平向右,则电场强度为最小,E=mgtanθ/q

       B.若匀强电场的方向水平向右,则力F的大小必有mgcosθ

       C.若匀强电场的方向与F方向垂直,则电场强度为最小,E=mgsinθ/q

       D.若匀强电场的方向与F方向垂直,则力F的大小必为mgsinθ

试题详情>>

6.在运动的合成和分解的实验中,红蜡块在长1m的竖直放置的玻璃管中在竖直方向做匀速直线运动。现在某同学拿着玻璃管在水平方向上做初速度为零的匀加速直线运动(忽略蜡块与玻璃管之间的摩擦),并每隔1s画出蜡块运动所到达的位置,运动轨迹如图所示,若在轨迹上C点(a,b)作该曲线的切线(图中虎线)交y轴于A点,则A的坐标为                                                                                                                              (    )

试题详情>>

       A.(0,0.5b)         B.(0,0.6b)         C.(0,0.5a)         D.(0,a)

试题详情>>

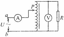
7.如图所示是一台理想白耦变压器,在a、b之间接正弦交流电,A、V分别为理想交流电流表和交流电压表。若将调压端的滑动头P向上移动,则                                                        (    )

试题详情>>

       A.电压表V的示数变大                         B.电流表A的示数变小

       C.变压器的输出功率变小                      D.变压器的输入功率不变

试题详情>>

8.如图所示是一列在某介质中沿x轴正方向传播的简谐横波在t=0时刻波图象的一部分,波速为v=10m/s,P是平衡位置位于坐标(4,0)处的质元,则下列说法中正确的是                      (    )

试题详情>>

       A.质元P的振动周期为0.4s

试题详情>>

       B.在0.3s时,质元P处在波峰的位置

试题详情>>

       C.质元P在任意的0.5s内所通过的路程都是0.25m

       D.该波如果进入另一种不同介质中传播时,其频率不会发生变化

试题详情>>

9.在空间中的A、B两点固定着一对等量同种电荷,有一带电微粒在它们产生的电场中运动,设带电微粒在运动过程中只受到电场力的作用,则带电微粒所做的运动可能是(    )

       A.匀变速直线运动                                 B.匀速圆周运动

       C.抛物线运动                                        D.机械振动

试题详情>>

10.如图(甲)所示,一个“∠”型导轨垂直于磁场固定在磁感应强度为B的匀强磁场中,a是与导轨相同的导体棒,导体棒与导轨接触良好。在外力作用下,导体棒以恒定速度v向右运动,以导体棒在图(甲)所示位置的时刻作为计时起点,下列物理量随时间变化的图像可能正确的是                                                            (    )

试题详情>>

A              B             C            D

试题详情>>

11.2007年10月24日,中国第一颗人造月球卫星――“嫦娥一号”成功发射,11月5日进入38万公里以外的月球轨道,11月24日传回首张图片,这是我国航天事业的又一成功。如果在这次探测工程中要测量月球的质量,则需要知道的物理量有(卫星围绕月球的运动可以看作匀速圆周运动,已知万有引力常量G)              (    )

       A.卫星所在处的重力加速度和卫星绕月球运动的半径

       B.卫星绕月球运动的线速度和卫星绕月球运动的半径

       C.卫星绕月球运动的周期和线速度

       D.卫星的质量、月球的半径和卫星绕月球运动的周期

试题详情>>

12.某一电学黑暗内可能有电容器、电感线圈、定值电阻等元件,在接线柱间以如图所示的“Z”字形连接(两接线柱间只有一个元件)。为了确定各元件种类,小华同学把DIS计算机辅助实验系统中的电流传感器(相当于电流表)与一直流电源、滑动变阻器、开关串联后,分别将黑箱的A、B接线柱,B、C接线柱和C、D接线柱接入电路,闭合开关,计算机显示的电流随时间变化的图象分别如图a、b、c所示,则如下判断中正确的是                      (    )

试题详情>>

       A.AB间的电容器                                  B.BC间的电感线圈

       C.CD间的电容器                                  D.CD间是定值电阻

试题详情>>

13.(I)(8分)某兴趣小组在做“探究做功和物体速度变化关系”的实验前,提出了以下几种猜想:①W∝v,②W∝v2,③W∝……。他们的实验装置如图甲所示,PQ为一块倾斜放置的木板,在Q处固定一个速度传感器(用来测量物体每次通过Q点的速度)。在刚开始实验时,有位同学提出,不需要测出物体质量,只要测出物体从初始位置到速度传感器

20090227

试题详情>>

   (1)本实验中不需要测量物体质量的理由是什么?

   (2)让小球分别从不同高度无初速释入,测出物体从初位置到速度传感器的距离L1、L2、L3、L4……,读出小球每次通过速度传感器Q的速度v1、v2、v3、v4……,并绘制了如图乙所示的L ? v图象。根据绘制出的L ? v图象,若为了更直观地看出L和v的变化关系,他们下一步应该作出            

试题详情>>

           A.L ? v2图象   B.图象       C.图象         D.图象

   (3)本实验中,木板与物体间摩擦力的大小会不会影响探究出的结果?

试题详情>>

(II)(10分)要测量一电源的电动势E(小于3V)和内阻r(约1Ω),现有下列器材:电压表V(3V和15V两个量程)、电阻箱R(0~999.9Ω)、定值电阻R0=3Ω、开关和导线。某同学根据所给器材设计如下的实验电路。

试题详情>>

   (1)电路中定值电阻R0的作用是              

   (2)请根据图甲电路,在图乙中用笔画线代替导线连接电路。

试题详情>>

   (3)该同学调节电阻箱阻值R,读出对应的电压表读数U,得到二组数据:R1=2.0Ω时U1=2.37V;R2=4.0Ω时U2=2.51V。由这二组数可求得电源的电动势为E=       V,内阻为r=        Ω。

   (4)为使最终测量结果更精确,在不改变实验方法、不更换实验器材的前提下,请你对该同学提一条建议           

试题详情>>

14.(12分)在一条笔直的公路上依次设置三盏交通信号灯L1、L2和L3,L2与L1相距80m,L3与L1相距120m。每盏信号灯显示绿色的时间间隔都是20s,显示红色的时间间隔都是40s。L1与L3同时显示绿色,L2则在L1显示红色红历了10s时开始显示绿色(信号灯随时间变化的图象如图所示),规定车辆通过三盏信号灯经历的时间不得超过150s。若一辆匀速向前行驶的自行车通过L1的时刻是L1已显示绿色10s的时刻,则此自行车能不停顿地通过盏信号灯的最小速度和最大速度分别是多少?

试题详情>>

15.(12分)如图所示,轮子的半径均匀为R=0.20m,且均由电动机驱动以角速度ω=8.0rad/s逆时针匀速转动,轮子的转动轴在同一水平面上,轴心相距d=1.6m。现将一块质量为m=20kg的均匀木板条轻轻平放在轮子上,开始时木板条的重心恰好在O2轮的正上方,已知木板条的长度L>2d,木板条与轮子间的动摩擦因数均为μ=0.16,试求

试题详情>>

   (1)木板条做匀加速运动的位移。

   (2)木板条重心恰好运动到O1轮正上方所需的时间。

   (3)木板条在整个运动过程中因摩擦而产生的热量。

试题详情>>

16.(14分)甲图为质谱仪的原理图,带正电粒子从静止开始经过电势差为U的电场加速后,从G点垂直于MN进入偏转磁场,该偏转磁场是一个以直线MN为上边界、方向垂直于纸面向外的匀强磁场,磁场的磁感应强度为B,带电粒子经偏转磁场后,最终到达照相底片上的H点,测得G、H间的距离为d,粒子的重力可忽略不计,试求:

试题详情>>

   (1)该粒子的比荷(q/m)

试题详情>>

   (2)若偏转磁场为半径为圆形的区域,且与MN相切于G点,如图乙所示,其它条件不变。要保证上述粒子从G点垂直于MN进入偏转磁场,最终到达照相底片上的H点,则磁感应强度B/B的比值为多少?

试题详情>>

17.(16分)如图所示,在磁感应强度为B的水平方向的匀强磁场中竖直放置两平行导轨,磁场方向与导轨所在平面垂直。导轨上端跨接一阻值为2R的电阻(导轨电阻不计)。两金属棒a和b的电阻均为R,质量分别为,它们与导轨相连,并可沿导轨无摩擦滑动。闭合开关S,先固定b,用一恒力F向上拉a,稳定后a以v1=10m/s的速度匀速运动,此时再释放b,b恰好能保持静止,设导轨足够长。

试题详情>>

   (1)求拉力F的大小;

   (2)若将金属棒a固定,让金属棒b自由下滑(开关仍闭合),求b滑行的最大速度v2

试题详情>>

   (3)若断开开关,将金属棒a和b都固定,使磁感应强度从B随时间均匀增加,经0.1s后磁感应强度增到2B时,a棒受到的安培力正好等于a棒的重力,求两金属棒间的距离h。

试题详情>>
关闭