1.液体分子运动是看不见、摸不着的,其运动特征不容易研究,但科学家发现液体分子可以使悬浮在其中的花粉颗粒作无规则运动,因而可以通过对花粉颗粒运动的研究来认识它,这种方法在科学上叫做“转换法”。下面给出的四个研究实例,其中采取的方法与上述研究分子运动的方法相同的是

A.伽利略用理想斜面实验得出“力不是维持物体运动的原因”的结论

B.通电螺线管外部的磁场与条形磁铁的磁场相似,安培受此启发后提出分子电流假说

C.欧姆在研究电流与电压、电阻的关系时,先保持电阻不变,研究电流与电压的关系;然后再保持电压不变,研究电流与电阻的关系

D.奥斯特通过放在通电直导线下方的小磁针发生偏转得出“通电导线的周围存在磁场”的结论

试题详情>>

2.物体从A点由静止出发,先做匀加速直线运动,紧接着又做匀减速直线运动,到达B点时恰好停止。则在先后两个运动过程中

A.时间一定相同                                      B.平均速度一定相同

C.加速度的大小一定相同                         D.物体通过的路程一定相等

试题详情>>

3.泰州靖江藉火箭专家宋征宇,因出色参与“神舟”号宇宙飞船的发射工作而荣获2008年度“全国十大杰出青年”称号,为我们树立了良好的学习榜样。发射“神舟”飞船的基本方法是:如图所示,先用火箭将飞船送入一个椭圆轨道,当飞船到达远地点P时,打开飞船上的发动机,使之进入绕地球(图中用Q表示)运行的圆形轨道。假设飞船在轨道改变前后的质量不变,那么,飞船在圆形轨道上的某一点与在椭圆轨道的远地点相比

试题详情>>

A.速度减小了                                 B.加速度增大了

C.引力势能增大了                             D.机械能增大了

试题详情>>

4.如图甲所示,两物体A、B叠放在光滑水平面上,对物体A施加一水平力F,F-t关系图象如图乙所示。两物体在力F作用下由静止开始运动,且始终相对静止,则

试题详情>>

A.两物体做匀变速直线运动

B.两物体沿直线做往复运动

C.B物体所受摩擦力的方向始终与力F的方向相同

D.t=2s到t=3s这段时间内两物体间的摩擦力逐渐减小

试题详情>>

5.如图所示,有一带电量为+q的点电荷与均匀带电圆形薄板相距为2d,+q到带电薄板的垂线通过板的圆心.若图中a点处的电场强度为零,则图中b点处的电场强度大小是

试题详情>>

A.                             B.

试题详情>>

C.0                                         D.

试题详情>>

6.如图所示,半径为R的竖直光滑圆轨道内侧底部静止着一个光滑小球,现给小球一个冲击使其在瞬间得到一个水平初速v0,若v0大小不同,则小球能够上升到的最大高度(距离底部)也不同。下列说法中正确的是

试题详情>>

A.如果,则小球能够上升的最大高度为R/2

试题详情>>

B.如果,则小球能够上升的最大高度为R/2

试题详情>>

C.如果,则小球能够上升的最大高度为3R/2

试题详情>>

D.如果,则小球能够上升的最大高度为2R

试题详情>>

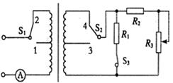
7.有一电路连接如图所示,理想变压器初级线圈接电压有效值一定的交流电,则下列说法中正确的是

试题详情>>

A.只将S1从2拨向1时,电流表示数变小

B.只将S2从4拨向3时,电流表示数变小

     C.只将S3从闭合变为断开,电阻R2两端电压增大

D.只将变阻器R3的滑动触头上移,变压器的输入功率减小

试题详情>>

8.水平放置的平行金属板AB连接一恒定电压,两个质量相等的电荷MN同时分别从极板A的边缘和两极板的正中间沿水平方向进入板间电场,两电荷恰好在板间某点相遇,如图所示。若不考虑电荷的重力和它们之间的相互作用,则下列说法正确的是

试题详情>>

     A.电荷M的比荷大于电荷N的比荷

     B.两电荷在电场中运动的加速度相等

     C.从两电荷进入电场到两电荷相遇,电场力对电荷M做的功大于电场力对电荷N做的功

D.电荷M进入电场的初速度大小与电荷N进入电场的初速度大小一定相同

试题详情>>

9.如图所示,在的空间中有恒定的匀强磁场,磁感应强度的方向垂直于平面向里,大小为.现有一质量为、电量为的带正电粒子,从在轴上的某点P沿着与x轴成300角的方向射入磁场。不计重力的影响,则下列有关说法中正确的是

试题详情>>

A.只要粒子的速率合适,粒子就可能通过坐标原点

    B.粒子一定不可能通过坐标原点

试题详情>>

    C.粒子在磁场中运动所经历的时间可能为

试题详情>>

    D.粒子在磁场中运动所经历的时间可能为

第Ⅱ卷(非选择题  共89分)

试题详情>>

10.(8分)某同学设计了一个测定油漆喷枪向外喷射油漆雾滴速度的实验。他采用如图所示的装置,该油漆喷枪能够向外喷射四种速度大小不同的油漆雾滴,一个直径为D=40cm的纸带环,安放在一个可以按照一定转速转动的固定转台上,纸带环上刻有一条狭缝A,在狭缝A的正对面画一条标志线。

试题详情>>

在转台开始转动达到稳定转速时,向侧面同样开有狭缝B的纸盒中喷射油漆雾滴,当狭缝A转至与狭缝B正对平行时,雾滴便通过狭缝A在纸带的内侧面留下痕迹。改变喷射速度重复实验,在纸带上留下一系列的痕迹a、b、c、d。将纸带从转台上取下来,展开平放在刻度尺旁边,如图所示。

试题详情>>

已知,则:

(1)在图中,速度最大的雾滴所留的痕迹是    点,该点到标志线的距离为    cm。

试题详情>>

(2)如果不计雾滴所受的空气阻力,转台转动的角速度为2.1rad/s,则该喷枪喷出的油漆雾滴速度的最大值为    m/s;考虑到空气阻力的影响,该测量值       真实值(选填“大于”、“小于”或“等于”)。

试题详情>>

11.(12分)小灯泡灯丝的电阻会随温度的升高而变大。某同学为研究这一现象,用实验描绘小灯泡的伏安特性曲线。

实验可供选择的器材有:

试题详情>>

     A.小灯泡         (“2.5v,  1.2w”)

试题详情>>

     B.电流表         (量程:0~0.6A , 内阻为1Ω )

试题详情>>

     C.电压表         (量程:0~3V, 内阻未知)

     D.滑动变阻器     (0~10Ω,  额定电流1A

试题详情>>

     E.滑动变阻器     (0~5Ω,  额定电流0.5A

   F.电源           (E=3V , 内阻不计)

G.定值定阻R0    (阻值R0=6Ω )

H.开关一个和导线若干

(1)要求小灯泡两端的电压从零开始变化,且能尽量消除系统误差,在方框内画出实验电路图。

试题详情>>

(2)实验中,应该选用的滑动变阻器是        (填写器材前字母代号)。

试题详情>>

(3)按照正确的电路图,该同学测得实验数据如下:(I是的示数,U是的示数,U是小灯泡两端的实际电压)。请通过计算补全表格中的空格,然后在方格图中画出小灯泡的伏安特性曲线。

I/A

试题详情>>

0.48

U/V

试题详情>>

3.00

U/V

 

 

 

 

 

 

 

 

 

 

 

试题详情>>

(4)该同学将与本实验中一样的两个小灯泡以及给定的定值电阻三者一起串联接在本实验中提供的电源两端,则每个灯泡的实际功率是        W

试题详情>>

12.(10分)(1)有一种测定导电液体深度的传感器,它的主要部分是包着一层电介质的金属棒与导电液体形成的电容器(如图所示)。如果电容增大,则说明液体的深度h  (填“增大”、“减小”或“不变”);将金属棒和导电液体分别接电源两极后再断开,当液体深度h减小时,导电液与金属棒间的电压将     (填“增大”、“减小”或“不变”)。

试题详情>>

(2)现用“与”门、“或”门和“非”门构成如图所示电路,请将下侧的相关真值表补充完整。

试题详情>>

A

B

Y

0

0

 

0

1

 

1

0

 

1

1

 

 

试题详情>>

13.(12分)位于处的声源从时刻开始振动,振动图像如图,已知波在空气中传播的速度为340m/s,则:

试题详情>>

(1)该声源振动的位移随时间变化的表达式为           mm。

(2)从声源振动开始经过      s,位于x=68m的观测者开始听到声音。

(3)如果在声源和观测者之间设置一堵长为30m,高为2m,吸音效果良好的墙,观测者能否听到声音,为什么?

试题详情>>

14.(15分)如图,质量的物体在水平外力的作用下在水平面上运动,物体和水平面间的动摩擦因数,已知物体运动过程中的坐标与时间的关系为。根据以上条件求:

试题详情>>

(1)时刻物体的位置坐标;

试题详情>>

(2)时刻物体的速度和加速度的大小和方向;

试题详情>>

(3)时刻水平外力的大小。 

试题详情>>

15.(16分)如图所示,空间存在竖直向上的匀强磁场,磁感应强度。质量,总电阻,边长的均匀导体框平放在粗糙的水平地面上,在一与导体框平面始终垂直的外力作用下做如下运动:首先外力作用在边上,线框绕边顺时针转动,然后外力作用到边上,线框绕边顺时针转动……如此不断重复,线框在地面上向右翻转。线框转动时的角速度保持恒定。从运动的开始作为计时的起点。

试题详情>>

(1)求边竖直时水平外力的大小;

试题详情>>

(2)求从线框绕边开始转动到边竖直的这四分之一圈内线框上产生的电热;

试题详情>>

(3)求出在第一个周期内两点间的电势差随时间变化的关系,并做出随时间变化的关系图线;

试题详情>>

16.(16分)如图,长为、柔软且不可被压缩的物体其截面积比管径略小,可在型弯管中顺利移动。物体在弯角处运动无能量损失。管的竖直部分光滑,物体和水平段间的动摩擦因数为),同一压力下的最大静摩擦力等于滑动摩擦力。初始条件,物体在竖直外力作用下保持静止。物体的上端离水平管的距离为。管径与物体长度相比可以忽略。

试题详情>>

(1)当物体有一段在水平管中时,撤去外力,物体可能在原位置保持静止,求此情况下值的范围。

试题详情>>

(2)当物体全部在竖直管中时,撤去外力后,物体可能全部进入水平管中,求此情况下值的范围。

试题详情>>

(3)如果,则撤去外力后,物体右端进入水平管的距离为多大。

试题详情>>
关闭