1.如下图所示,一物块在弹簧的作用下静止在粗糙斜面上。弹簧处于压缩状态,则物块的受力个数可能为

试题详情>>

A.2个                       B.3个                       C.4个                       D.5个

试题详情>>

2.一个质量m=2kg的物体静止在光滑的水平面上,从零时刻开始受到一水平方向的作用力F,力F的图像如下图所示,则下列有关物体运动的情况判断正确的是

试题详情>>

A.前两秒加速度为5m/s2                                   B.4s末物体回到出发点

C.6s末物体距出发点最远                             D.8s末物体的位移为零

试题详情>>

3.如下图所示,从斜面顶端P处以初速度向左水平抛出一个小球,落在斜面上的A点处,AP之间距离为L,小球在空中运动的时间为,改变初速度的大小,L和都随之改变。关于L、的关系下列判断正确的是

试题详情>>

A.L与成正比        B.L与成正比        C.成正比         D.成正比

试题详情>>

4.质量不计的轻质弹性杆P部分插入桌面上的小孔中,杆的另一端套有质量为的小球。今使小球在水平面内做半径为、角速度为的匀速圆周运动,如下图所示,则杆的上端受到的球对它的作用力大小为

试题详情>>

A.                                                    B.

试题详情>>

C.                                            D.

试题详情>>

5.北京时间2008年9月25日21时10分,我国“神舟七号”飞船点火发射成功。绕飞期间航天员顺利完成了空间出舱活动和一系列空间科学试验,从变轨成功到开始返回,神舟七号在正圆轨道运行38圈,共57小时。若万有引力常量G和地球半径R、地球表面的重力加速度g已知,根据资料中的信息,可以求得

A.地球的质量

B.“神舟七号”飞船的质量

C.“神舟七号”飞船离地面的高度

D.“神舟七号”飞船绕地球做圆周运动的运行速度

试题详情>>

6.A、B是一条电场线上的两点,一电子仅受电场力的作用,沿电场线从A运动到B,其速度随时间变化的规律如下图所示。设A、B两点的电场强度分别为,电势分别为,则

试题详情>>

A.                               B.

试题详情>>

C.                                D.

试题详情>>

7.如下图所示,图中K、L、M为静电场中的三个相距较近的等势面。一带电粒子射入此静电场中后,只受电场力的作用,沿轨迹运动。已知,且粒子在段做减速运动。下列判断正确的是

试题详情>>

A.粒子带负电

B.粒子在a点与e点的速度大小相等

C.粒子在a点的加速度大于在b点的加速度

D.粒子在a点的电势能小于在d点的电势能

试题详情>>

8.在如下图所示的电路中,R1和R3均为定值电阻,当R2的滑动触头在a端时合上开关S,此时三个电表A1、A2和V的示数分别为和U,电源的输出功率为P1,定值电阻R3上消耗的功率为P3。现将R2的滑动触头向b端移动,则三个电表的示数及功率P1、P3的变化情况是

试题详情>>

A.增大,不变,U增大                         B.减小,增大,U减小

C.P1可能增大,P3一定减小                         D.P1可能减小,P3一定增大

试题详情>>

9.如下图所示,C为中间插有电介质的电容器,a和b为其两极板:a板接地;P和Q为两竖直放置的平行金属板,在两板间用绝缘线悬挂一带电小球;P板与b板用导线相连,Q板接地。开始时悬线静止在竖直方向,在b板带电后,悬线偏转了角度。在以下方法中,能使悬线的偏角变大的是

试题详情>>

A.缩小a、b间的距离

B.加大a、b间的距离

C.减小a、b两极板的正对面积

D.换一块形状大小相同、介电常数更小的电介质

试题详情>>

10.如下图所示,在轴上关于O点对称的A、B两点有等量同种点电荷+Q,在轴上C 点有点电荷-Q,且CO=OD,∠ADO=60°。下列判断正确的是

试题详情>>

A.O点电场强度为零

B.D点电场强度为零

C.若将点电荷+Q从O移向C,电势能增大

D.若将点电荷-Q从O移向C,电势能增大

第Ⅱ卷(非选择题       共60分)

试题详情>>

11.(4分)某同学在测量金属丝电阻的实验中,用游标卡尺测得该金属丝的长度如下图甲所示,其示数L=_______m,用螺旋测微器测得其外径如图乙所示,其示数D=_______mm。

试题详情>>

12.(12分)如下图为用伏安法测量一个定值电阻阻值的实验所需的器材实物图,器材规格如下:

试题详情>>

A.待测电阻(约为100

试题详情>>

B.直流电流表A(量程0~30mA,内阻约50

试题详情>>

C.直流电压表V(量程0~3V,内阻约5K

D.直流电源E(输出电压4V,内阻不计)

试题详情>>

E.滑动变阻器R(0~5,允许最大电流1A

F.电键1个,导线若干条。

(1)根据器材的规格和实验要求,作出本实验的电路图,并在本题的实物图上将连线补充完整。

试题详情>>

(2)某同学做实验获得的数据如下表所示?请根据各点表示的数据描出图线,并由此求得该电阻的阻值__________。(要求用铅笔作图,保留作图痕迹)

试题详情>>

13.(10分)科研人员乘气球进行科学考察、气球、座舱、压舱物和科研人员的总质量为990kg。气球在空中停留一段时间后,发现气球漏气而下降,及时堵住,堵住时气球下降速度为1m/s,且做匀加速运动,4s内下降了12 m.为使气球安全着陆,向舷外缓慢抛出一定的压舱物。此后发现气球做匀减速运动,下降速度在5分钟内减少了3m/s。若空气阻力和泄漏气体的质量均可忽略,重力加速度,求抛掉的压舱物的质量。

试题详情>>

14.(12分)如下图所示,ABDO是处于竖直平面内的光滑轨道,AB是半径为R=15m的四分之一圆周轨道,半径OA处于水平位置,BDO是直径为15m的半圆轨道,D为BDO轨道的中央。一个小球P从A点的正上方距水平半径OA高H处自由落下,沿竖直平面内的轨道通过D点时对轨道的压力等于其重力的倍。(取

试题详情>>

(1)求H的大小;

(2)试讨论此球能否到达BDO轨道的O点,并说明理由;

(3)小球沿轨道运动后再次落到轨道上的速度的大小是多少?

试题详情>>

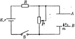
15.(10分)如下图所示的电路中,两平行金属板A、B水平放置,两板间的距离。电源电动势,内电阻,电阻。闭合开关S,待电路稳定后,将一带正电的小球从B板小孔以某一初速度竖直向上射入板间。若小球带电量为,质量为,不考虑空气阻力,取。若滑动变阻器接入电路的阻值为,小球恰能到达A板,求:

试题详情>>

(1)小球的初速度为多大?

(2)此时电源的输出功率是多少?

试题详情>>

(3)当滑动变阻器滑至阻值多大时,电阻的功率最大,最大值是多少?

试题详情>>

16.(12分)如下图甲,在真空中水平放置两块平行金属板,两板相距为,板长为,两板间加上如图乙所示的周期性交变电压,在时,有一电子(质量为,电量为)以水平速度沿两板正中央飞入电场(设刚开始电子向B板偏转,不计重力),若电子在离开电场时仍从两板中央沿水平方向飞出,求:

试题详情>>

(1)粗略画出电子在电场中的运动轨迹。

试题详情>>

(2)两板上所加交变电压的周期应满足什么条件,最大值是多少?

(3)在周期最大时所加电压最大不能超过多少?

试题详情>>
关闭