1.对一定质量的理想气体,用P、V、T分别表示其压强、体积和温度,则

A.若T不变,P增大,则分子热运动的平均动能增大

B.若P不变,V增大,则分子热运动的平均动能减小

C.若P不变,T增大,则单位体积内的分子数减少

D.若V不变,P减小,则单位体积内的分子数减少

试题详情>>

2.为了使电炉消耗的功率减半,应:                                       

A.使电流减半                        B.使电压减半  

C.使电压和电炉的电阻各减半        D.使电炉的电阻减半

试题详情>>

3.一个带电粒子处于垂直于匀强磁场方向的平面内,在磁场力的作用下做圆周运动。要想确定带电粒子的电荷量与质量之比,则需知道

A、运动速度v和磁感应强度B

B、轨道半径R和磁感应强度B

C、轨道半径R和运动速度v

D、磁感应强度B和运动周期T

4 、下列关于电磁感应的说法正确的是

A 、只要闭合导线做切割磁感线运动,导线中就一定有感应电流

B 、感应电流的磁场总是与原磁场反向

C 、闭合电路中感应电动势的大小跟穿过这一闭合电路的磁通量的变化量成正比

D 、自感现象是由于导体本身的电流发生变化而产生的电磁感应现象

试题详情>>

5.如图所示,一条形磁铁放在水平桌面上,在它的左上方固定一直导线,导线与磁场垂直,若给导线通以垂直于纸面向里的电流,则            

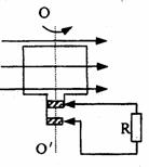
   A、磁铁对桌面压力增大         B、磁场对桌面压力减小

   C、桌面对磁铁没有摩擦力       D、桌面对磁铁摩擦力向右

试题详情>>

6.如图所示电路,开关S原来是闭合的,当R1R2的滑片刚好处于各自的中点位置时,悬在空气平行板电容器C两水平极板间的带电尘埃P恰好处于静止状态。要使尘埃P向下加速运动,下列方法中可行的是    

A.把R1的滑片向左移动

B.把R2的滑片向左移动

C.把R2的滑片向右移动

D.把开关S断开

试题详情>>

7.如图所示,直线A为电源的U-I图线,曲线B为灯泡                   电阻的U-I图线,用该电源和小灯泡组成闭合电路时,电源的输出功率和电路的总功率分别是(  )

    A.4W、8W                       B.2W、4W

    C.4W、6W                       D.2W、3W

 

试题详情>>

8. 如图所示,某空间匀强电场竖直向下,匀强磁场垂直纸面向里,一水平金属杆AB从h高处自由下落,则:

     A.A端先着地                       

B.B端先着地     

  C.两端同时着地          

   D.以上说法均不对

 

试题详情>>

9.a和b为电场中两点,已知a点电势高于b点,则可知:

A.把负电荷从a移到b电场力做负功,电势能增加

B.把正电荷从a移到b电场力不做功,电势能不变

C.无论移动的是正电荷还是负电荷,电荷的电势能都要减少

D.无论是否有电荷移动,a点电势能总大于b点电势能

注意:下面3个小题可以任意选做其中一个作为第10题

试题详情>>

10-1 . 一正方形闭合导线框abcd,边长L=0.1m,各边电阻为1Ω,bc边位于x轴上,在x轴原点O右方有宽L=0.1m、磁感应强度为1T、方向垂直纸面向里的匀强磁场,如图,当线框以恒定速度4m/s沿x轴正方向穿越磁场区域过程中,下面个图可正确表示线框进入到穿出磁场过程中,ab边两端电势差Uab随位置变化情况的是

试题详情>>

10-2 . 如图所示,是一电容式位移传感器的示意图。电容充电后与电势差计相连,如果电势差计指针变到虚线的位置处,则下列有关说法正确的是:

A.传感器是将电学量转化为非电学量的元件

B.被测物体向右移动了

C.被测物体向左移动了

D.以上说法均不对

 

 

 

10-3 . 把一只电热器接在100V的直流电源上,在t时间内产生的热量为Q,若将它接到U=50sin2t的交流电源上,仍要产生Q的热量,则所需要时间分别是

A.16t            B.8t  

 C.4t             D.2t

题号

11

12

13

14

15

得分

选项

 

 

 

 

 

 

 

试题详情>>

11.如图所示,是一个火警报警器的逻辑电路图。Rt是热敏电阻,低温时电阻值很大,高温时电阻值很小,R是阻值较小的分压电阻。下面有关叙述正确的是:

A.要做到低温时电铃不响,高温时响,虚线处应接入一或门元件

B.高温时电铃接通的原因是XP间电压变小,门元件导通

C.要提高电路的灵敏度应该将R的触头向下滑动

D.要提高电路的灵敏度也可以将R的触头向上滑动

 

试题详情>>

12.如图所示,是一点电荷q的电场示意图,虚线为等势面,已知a点的场强为E,a、b间距离为L,则下列说法正确的是:

       A.a、c两点的场强相同

       B.a点的电势比b点的电势低

       C.a、b两点间的电势差等于EL

       D.将一正电荷Q从b点移动到d点电场力做功为零

试题详情>>

13.地面附近空间中存在着水平方向的匀强电场和匀强磁场,已知磁场方向垂直纸面向里,一个带电油滴能沿一条与竖直方向成a角的直线MN运动 (MN在垂直于磁场方向的平面内),如图所示.则以下判断中正确的是

    A.如果油滴带正电,它是从M点运动到N点

    B.如果油滴带正电,它是从N点运动到M点

    C.如果电场方向水平向左,油滴是从M点运动到N点

    D.如果电场方向水平向右,油滴是从M点运动的N点

 

 

试题详情>>

14 、如图所示,两平行金属板中有相互垂直的匀强电场和匀强磁场,带正电的粒子(不计粒子的重力)从两板中央垂直电场、磁场入射。它在金属板间运动的轨迹为水平直线,如图中虚线所示。若使粒子飞越金属板间的过程中向上板偏移,则可以采取下列的正确措施为

A .使入射速度增大    B .使粒子电量增大

C .使电场强度增大    D .使磁感应强度增大

 

试题详情>>

文本框:  15.如图所示,闭合开关S并调节滑动变阻器滑片P的位置,使ABC三灯亮度相同.若继续将P向下移动,则三灯亮度变化情况为(    )

A.A灯变亮                  B.B灯变亮

C.A灯最亮                  D.C灯最亮

 

评卷人

得分

 

 

 

 

 

试题详情>>

文本框:  16.在一次研究性学习的实验探究中,某组同学分别测绘出一个电源的路端电压随电流变化的关系图线,还测绘出了一个电阻两端的电压随电流表化的关系图线,如图中ACOB.若把该电阻R接在该电源上构成闭合电路(R为唯一用电器),由图可知,外电阻的电阻值是_________,电源的电阻是_________,电源的输出功率是_________,电源的效率是_________.

试题详情>>

17.在图9中,当导线ab向右运动时,cd所受磁场力的方向是_____;ab棒上____端相当于电源的正极.

 

试题详情>>

18.如图为研究电磁感应的实验装置,S闭合时电流计指针向左偏一下。继续实验:

①     把原线圈插入副线圈时,              

试题详情>>

指针将向      偏;

(填“左”或“右”)

②     把滑动变阻器的滑片向左移动,

指针向      偏。

(填“左”或“右”)

试题详情>>

19.在“测定金属的电阻率”的实验中,用螺旋测微器测量金属丝直径时的刻度位置如图9所示,用米尺测量金属丝的长度1.010m。金属丝的电阻大约为4Ω。先用伏安法测出金属丝的电阻,然后根据电阻定律计算出该金属材料的电阻率。金属丝的直径为0.52mm

试题详情>>

(1)在用伏安法测定金属丝的电阻时,除被测的电阻丝外,还有

如下供选择的实验器材:

试题详情>>

直流电源:电动势约4.5V,内阻很小;

试题详情>>

电流表A1:量程0~0.6A,内阻0.125Ω;

试题详情>>

电流表A2:量程0~3.0A,内阻0.025Ω;

电压表V:量程0~3V,内阻3kΩ;

滑动变阻器R1:最大阻值10Ω;

滑动变阻器R2:最大阻值50Ω;

开关、导线等。

在可供选择的器材中,应该选用的电流表是_______,

应该选用的滑动变阻器是__________。(

(2)根据所选的器材,在方框中画出实验电路图。(4分)

试题详情>>

(3)若根据伏安法测出电阻丝的电阻为Rx=4.2Ω,

则这种金属材料的电阻率为_______Ω・m。(保留二位有效数字)。

评卷人

得分

 

 

试题详情>>

20.(6分)内壁光滑的导热气缸竖直浸放在盛有冰水混合物的水槽中,用不计质量的活

试题详情>>

塞封闭压强为1.0´105 Pa、体积为2.0´103 m3的理想气体。现在活塞上方缓慢倒

上沙子,使封闭气体的体积变为原来的一半,然后将气缸移出水槽,缓慢加热,

使气体温度变为127°C。试求:(1)气缸内气体的最终体积;

试题详情>>

(2)在pV图上画出整个过程中气缸内气体的状态变化(大气压强为1.0´105 Pa)。

 

 

 

 

 

 

 

 

 

 

 

 

 

 

评卷人

得分

 

 

21 、( 6 分)如图所示,一束电子流以速率v从A 点射入,通过一个处于矩形空间的匀强磁场,进入磁场时的速度方向与磁感线垂直且沿 AB 边,若电子刚好从矩形磁场的 C 点离开磁场。(已知电子电量为e,质量为m,矩形磁场的边长AB=a, AD=a)求:

试题详情>>

 ( l )该磁场的磁感应强度大小? ( 2 )电子在磁场中的飞行时间?

 

 

 

 

 

 

 

 

 

 

 

 

 

试题详情>>

22 、( 6 分)如图所示,一矩形线圈在匀强磁场中绕OO′轴匀速转动,磁场方向与转轴垂直。线圈匝数 n =50 ,电阻r =0.1Ω,长 L 1 = 0.4m ,宽L20.1m,角速度ω=100rad/s,磁场的磁感强度B = 0.2T .线圈两端外接电阻 R=9 . 9 Ω的用电器。求( l )线圈中产生的最大感应电动势; ( 2 )线圈从图示位置转过 900 的过程中,通过线圈截面的电量? ( 3 )用电器 R 上消耗的电功率。

试题详情>>

 

 

 

 

 

 

 

 

 

 

 

 

 

 

 

 

 

 

 

 

 

 

 

 

 

 

 

 

 

 

 

 

 

 

 

 

 

 

评卷人

得分

 

 

试题详情>>

23. ( 8 分)如图所示的电路中,电源的电动势E=80 V,内电阻r=2Ω,R1=4Ω,R2为滑动变阻器.问:

(1)R2阻值为多大时,它消耗的功率最大?

(2)如果电源内阻损耗功率不超过总功率的20%,R2应取多少?

(3)如果要求电源输出功率为600 W,外电路电阻R2应取多少?此时电源效率为多少?

试题详情>>

文本框:  (4)该电路中R2取多大时,R1上功率最大?

 

 

 

 

 

 

 

 

 

 

 

 

 

 

 

 

 

 

 

 

 

 

 

 

 

 

 

 

 

 

 

 

 

 

 

 

 

 

评卷人

得分

 

 

试题详情>>

24 、( 9分)如图所示,两根足够长的直金属导轨MN、 PQ 平行放置在倾角为θ的绝缘斜面上,两导轨间距为 L ,M、P 两点间接有阻值为 R 的电阻。一根质量为 m 的均匀金属杆 ab 放在两导轨上,并与导轨垂直。整个装置处于磁感应强度为 B 的匀强磁场中,磁场方向垂直斜面向下。导轨和金属杆接触良好,不计它们之间的摩擦和其它电阻. (l )由 b 向 a 方向看到的装置如下图所示,请在此图中画出 ab 杆在下滑过程中某时刻的受力示意图: ( 2 )在加速下滑过程中,当 ab 杆的速度大小为 v ( v 小于最大值)时,求此时 ab 杆中的电流及其加速度的大小;

( 3 )求在下滑过程中,ab杆可以达到的速度最大值。

试题详情>>

 

 

 

 

 

 

 

 

 

 

 

 

 

 

 

 

 

试题详情>>
关闭