2025年千里马单元测试卷四年级数学下册人教版
注:目前有些书本章节名称可能整理的还不是很完善,但都是按照顺序排列的,请同学们按照顺序仔细查找。练习册 2025年千里马单元测试卷四年级数学下册人教版 答案主要是用来给同学们做完题方便对答案用的,请勿直接抄袭。
第24页
- 第1页
- 第2页
- 第3页
- 第4页
- 第5页
- 第6页
- 第7页
- 第8页
- 第9页
- 第10页
- 第11页
- 第12页
- 第13页
- 第14页
- 第15页
- 第16页
- 第17页
- 第18页
- 第19页
- 第20页
- 第21页
- 第22页
- 第23页
- 第24页
- 第25页
- 第26页
- 第27页
- 第28页
- 第29页
- 第30页
- 第31页
- 第32页
- 第33页
- 第34页
- 第35页
- 第36页
- 第37页
- 第38页
- 第39页
- 第40页
- 第41页
- 第42页
- 第43页
- 第44页
- 第45页
- 第46页
- 第47页
- 第48页
- 第49页
- 第50页
- 第51页
- 第52页
- 第53页
- 第54页
- 第55页
- 第56页
- 第57页
- 第58页
- 第59页
- 第60页
- 第61页
- 第62页
- 第63页
- 第64页
4. 为迎接国庆,街道的路面要铺地砖。每辆卡车每次运125箱地砖,每箱地砖有25块,4辆卡车8次共运地砖多少块?(6分)
答案:
125×25×4×8 = 100000(块)
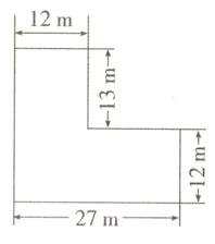
5. 张阿姨家有一块菜地(如图),这块菜地的面积有多少平方米?(6分)

答案:
12×13 + 12×27 = 480(平方米)
6. 图书馆有4个空的书架,每个书架有5层,每层最多可以放87本书。图书管理员买回2000本书,能不能全部放到这4个空书架上?(6分)
答案:
4×5×87 = 1740(本)
1740本<2000本 不能。
1740本<2000本 不能。
查看更多完整答案,请扫码查看