1.科学家对单侧光可诱发胚芽鞘尖端的生长素向背光一侧运输的问题进行了深入的研究,发现植物的表皮细胞、叶肉细胞和保卫细胞的细胞膜上有一种蓝光信号的光受体蛋白――黄素蛋白,可诱发生长素向背光一侧运输。为验证上述发现,下列实验设置正确的是(   )

试题详情>>

A.A、B组分别作为实验组和对照组         B.C、D组依次作为实验组和对照组      

C.A组为实验组,设红、蓝光等为对照组     D.C组为对照组,设红、蓝光等为实验组

试题详情>>

2.科学家把天竺葵的原生质体和香茅草的原生质体进行诱导融合,培育出的驱蚊草含有一种能驱蚊且对人体无害的香茅醛。下列关于驱蚊草培育的叙述中不正确的是(   )

A.驱蚊草的培育属于细胞工程育种,其优点是能克服远源杂交不亲和的障碍

B.驱蚊草培育过程要用到纤维素酶、果胶酶、PEG等试剂或离心、振动、电刺激等方法

C.驱蚊草培育过程是植物体细胞杂交,不同于植物组织培养,无愈伤组织和试管苗形成

D.驱蚊草不能通过天竺葵和香茅草杂交而获得是因为不同物种间存在生殖隔离

试题详情>>

3.某免疫学研究人员将病毒q注入A组小鼠体内,其小鼠均死亡;而将同剂量的病毒q注入B组小鼠体内,其小鼠只在第1周发热,以后恢复健康。在死亡和恢复健康的两种小鼠的体细胞中均检测出具有活性的病毒。下列假设中不能够解释此现象的是(   )

A.注入A组小鼠体内的病毒q有活性,而注入B组小鼠体内的病毒q没有活性

B.A组小鼠体内未产生病毒q的抗体,而B组小鼠体内产生了病毒q的抗体

C.A组小鼠缺乏免疫力,而B组小鼠具有正常的免疫力

D.A组小鼠的胸腺发育不全,而B组小鼠的胸腺发育正常

试题详情>>

4.Tilman等人研究了两种淡水硅藻的种群增长。硅藻需要硅酸盐作为其细胞壁原料。实验中不断地定期加硅于培养液中,同时记录了硅藻密度和硅浓度的变化。两种硅藻单独培养(a、b图)和混合培养(c图)的种群变化曲线如图所示。据图分析,以下不能得出的结论是(   )

试题详情>>

 

 

 

 

 

 

A.与单独培养相比,混合培养时两种硅藻的种群指数增长时间缩短了

B.当种群密度不再上升时,硅藻的数量就是该种群在该实验条件下的环境容纳量

C.单独培养的两种硅藻相比较,硅藻A对硅的利用量多

D.混合培养时,由于硅藻S对硅的利用,使培养液中硅浓度低于硅藻A所能生存和繁殖的水平,竞争的结局是硅藻S取胜,硅藻A被淘汰掉

试题详情>>


5.下图为某细菌在培养过程中同一时期进行的相关实验结果示意图,图中曲线代表变化趋势。下列说法不正确的是(   )

A.由图中细菌数目随时间变化的趋势可以判断此时期的细菌常作为生产用的菌种

B.由图中A酶活性的曲线变化可推知,精氨酸可能是A酶催化反应的底物,这种调节方式属于酶活性的调节

C.由图中B酶的曲线变化推测B酶属于诱导酶

D.由加入培养基的营养成分分析,该细菌新陈代谢的同化作用类型为异养型

试题详情>>

6.下列关于一些社会热点的说法中正确的是(    )

  A.奶制品中加入三聚氰胺能提高蛋白质的含量

    B.新能源汽车的推广有助于减少光化学烟雾的产生

    C.装饰材料中释放出来的甲醛因有杀菌消毒作用,故不是居室污染物

D.2008年末巴以战争中使用的白磷弹主要是利用了白磷的毒性

试题详情>>

7.下列有关化学用语正确的是(   )

A.乙醇、乙二醇、丙三醇互为同系物,同系物之间不可能为同分异构体

试题详情>>

B.1 mol羟基(-OH)所含的电子数约为10×6.02×1023

C.14g分子式为CnH2n的链烃中含有的碳碳双键的数目一定为1/nNA

试题详情>>

D.              左图是戊烷的球棍模型

 

试题详情>>

8.下列离子方程式书写正确的是(    )

A.CO2气体通入BaCl2溶液中:CO2+H2O+Ba2+==BaCO3↓+2H+

B.双氧水滴入到FeSO4溶液中:2H2O2+2Fe2+==2Fe3++2H2O+O2

C.醋酸溶液加入氢氧化钠溶液中:H++OH-=H2O

D.块状大理石中加入稀硝酸:CaCO3+2H+==Ca2++CO2↑+H2O

试题详情>>

9.某学生为探究铜生锈的过程设计如右图所示装置,下列选项中正确的是(    )

    A.一段时间后C棒上有气泡冒出,附近

的溶液变为红色

    B.一段时间后溶液中会有蓝色沉淀产生

试题详情>>

    C.高考资源网(www.1010jiajiao.com),中国最大的高考网站,您身边的高考专家。棒为正极,发生:高考资源网(www.1010jiajiao.com),中国最大的高考网站,您身边的高考专家。

试题详情>>

D.C棒为正极,发生:高考资源网(www.1010jiajiao.com),中国最大的高考网站,您身边的高考专家。  

试题详情>>

10.白锡和灰锡(以粉末状存在)是锡的两种不同单质。

已知:①Sn(s、白)+2HCl(aq)=SnCl2(aq)+H2(g);DH= a kJ/mol

试题详情>>

高考资源网(www.1010jiajiao.com),中国最大的高考网站,您身边的高考专家。②Sn(s、灰)+2HCl(aq)=SnCl2(aq)+H2(g);DH= b kJ/mol

试题详情>>

③Sn(s、白)         Sn(s、灰);DH=-2.1 kJ/mol,

下列说法正确的是(    )

A.b<a

B.由③式知白锡比灰锡稳定

C.在南极考察的队员不可携带锡制器皿盛装食品

D.①式中参加反应的各物质的的化学计量数均变为原来的一半时,DH不变

试题详情>>

11.现有常温下的四份溶液:①0.01mol/L CH3COOH;②0.01mol/L HCl;③pH=12的氨水;④pH=12的NaOH溶液。

下列说法正确的是(    )

A.①中水的电离程度最小,③中水的电离程度最大

试题详情>>

B.将①、④混合,若高考资源网(www.1010jiajiao.com),中国最大的高考网站,您身边的高考专家。,则混合液一定呈碱性

C.将四份溶液稀释相同倍数后,溶液的pH:③>④,②>①

D.将②、③混合,若pH=7,则消耗溶液的体积:②>③

试题详情>>

12.某透明溶液中可能含有Fe2+、Fe3+、Al3+、NH4+、Cl、I、NO3、SO42中的一种或几种,为了确定溶液中离子的存在情况,分别取等量的试液装于5只试管中,做如下实验:

①测定溶液pH,pH=2;

试题详情>>

②向溶液中滴加过量的NaOH溶液,过滤、洗涤、灼烧、称重,得固体质量为3.2g

试题详情>>

③向溶液中加入过量的浓NaOH溶液,加热,收集到气体1.12L(标准状况);

试题详情>>

④向溶液中加入足量的BaCl2溶液,过滤、洗涤、干燥、称重,得固体质量为2.33g

⑤向溶液中加入适量浓硫酸,再加入铜粉,振荡溶液,产生红棕色气体。

下列对实验结论的分析合理的是(    )

A.可能存在Al3+、Cl                    B.只存在NH4+、NO3、SO42、Fe3+

C.一定不存在Cl、I             D.可能存在Fe2+、Al3+

试题详情>>

13.T℃时,气体X与气体Y置于一密闭容器中,反应生成气体Z,反应过程中各物质的浓度变化如图所示。在两个容积相同的固定容器A和B中分别只加入物质Z,若保持其他条件不变,在T1、T2两种温度下,Z的浓度(mol/L)随反应时间(min)的变化情况数据如下表。则下列结论正确的是   (    )

温度

    时间

浓度

0

10

20

30

40

50

T1

CA

C1

试题详情>>

0.50

T2

CB

C1

试题详情>>

A.X和Y反应生成Z的化学方程式为3X(g)+Y高考资源网(www.1010jiajiao.com),中国最大的高考网站,您身边的高考专家。4Z(g)

    B.Z分解生成X和Y的反应热△H>0

      C.T1>T2

      D.工业上以X和Y为原料合成Z的条件一定是高压、低温。

 

试题详情>>

14.在2008北京奥运会上,牙买加选手博尔特是公认的世界飞人,在男子100m决赛和男子200m决赛中分别以9.69s和19.30s的成绩打破两项世界纪录,获得两枚金牌。关于他在这两次决赛中的运动情况,下列说法正确的是(    )

A.200m决赛的位移是100m决赛位移的两倍

试题详情>>

B.200m决赛的平均速度约为10.36m/s

试题详情>>

C.100m决赛的平均速度约为10.32m/s

D.以上说法都对

试题详情>>

15.如图所示,A为静止于地球赤道上的物体,B为绕地球做椭圆轨道运行的卫星,C为绕地球做圆周运动的卫星,P为B、C两卫星轨道的交点.已知A、B、C绕地心运动的周期相同。相对于地心,下列说法中不正确的是(       )        

A.物体A和卫星C具有相同大小的加速度

B.卫星C的运行速度大于物体A的速度

C.可能出现:在每天的某一时刻卫星B在A的正上方

D.卫星B在P点的运行加速度大小与卫星C在该点运行加速度大小相等

试题详情>>

16.如图所示,设有一分子位于图中的坐标原点O处不动,另一分子则位于正x轴上不同位置处,图中纵坐标表示这两个分子间分子力的大小,两条曲线分别表示斥力或引力的大小随两分子间距离变化的关系,e为两曲线的交点,则(     )

试题详情>>

A.ab线表示斥力,cd线表示引力,e点的横坐标约为高考资源网(www.1010jiajiao.com),中国最大的高考网站,您身边的高考专家。m

试题详情>>

B.ab线表示引力,cd线表示斥力,e点的横坐标约为高考资源网(www.1010jiajiao.com),中国最大的高考网站,您身边的高考专家。m

C.另一分子从A向C运动过程中,它将一直加速运动

D.另一分子从A向C运动过程中,分子势能逐渐减小

试题详情>>

17.水平的平行金属板和直流电源相连,中间有一垂直纸面向外的匀强磁场,一带电微粒以速度 v 向右飞入板间,恰能做匀速运动。那么,变换以下条件时,不能使粒子做匀速运动的有(     )

 A. 减小粒子的带电量

试题详情>>

 B. 增大粒子的飞入速度

 C. 使粒子从右边飞人板间

 D. 让粒子带和原先符号相反的电荷

试题详情>>

18.如图a所示,一根水平张紧弹性长绳上有等间距的Q/、P/、O、P、Q

质点,相邻两质点间距离为lm,t=0时刻O质点从平衡位置开始沿y轴正方向振动,并产生分别向左、向右传播的波,O质点振动图像如b所示,当O点第一次达到正方向最大位移时刻,P点刚开始振动,则(      )

A.P/、P两点距离为半个波长,因此它们的振动步调始终相反

  B.当Q/点振动第一次达到负向最大位移时,O质点已经走过25cm路程

  C.当波在绳中传播时,绳中所有质点沿x轴移动的速度大小相等且保持不变

试题详情>>

D.若O质点振动加快,周期减为2s,则O点第一次达到正方向最大位移时刻,P点也刚好开始振动

 

 

 

 

试题详情>>

19.如图所示,空气中有一块横截面呈扇形的玻璃砖,折射率为高考资源网(www.1010jiajiao.com),中国最大的高考网站,您身边的高考专家。,现有一细光束垂直射到AO面上,经玻璃砖反射、折射后,经OB面平行返回,∠AOB为1200,圆的半径为r,则入射点P距圆心O的距离为(     )

试题详情>>

A.高考资源网(www.1010jiajiao.com),中国最大的高考网站,您身边的高考专家。                           B. 高考资源网(www.1010jiajiao.com),中国最大的高考网站,您身边的高考专家。   

试题详情>>

 C. rsin 7. 50                     D. rsin 150

试题详情>>

20.1994年,中国科技大学研制成功了比较先进的HT―7型超导托卡马克,托卡马克(Toka―mak)是研究受控核聚变的一种装置,这个词是toroidal(环形的),kamera(真空室),magnet(磁)的头两个字母以及katushka(线圈)的第一个字母组成的缩写词。下列说法正确的是(     )

  A.这种装置的核反应原理是轻核的聚变,同时释放出大量的能量,与太阳发光的原理类似

  B.这种装置同我国秦山核电站,大亚湾核电站所使用的核装置的反应原理相同

  C.这种装置可以控制热核反应速度,使聚变能缓慢而稳定地释放能量

  D.这种装置产生的核聚变对环境的污染比核裂变要轻得多

试题详情>>

21.如图所示,abcd是位于竖直平面内的正方形闭合金属线框,在金属线框的下方有一匀强磁场区域, MN和M ′N ′是匀强磁场区域的水平边界,并与线框的bc边平行,磁场方向与线框平面垂直。现金属线框由距MN的某一高度从静止开始下落,图二是金属线框由开始下落到完全穿过匀强磁场区域瞬间的速度-时间图象。已知金属线框的质量为m,当地的重力加速度为g,图像中坐标轴上所标出的字母均为已知量。根据题中所给条件,以下说法正确的是(         )  

A.可以求出金属框的边长

B.可以求出磁场的磁感应强度

C.可以求出金属线框在进入磁场过程中所通过线框某一横截面的电量

D.可以求出金属线框在整个下落过程中所产生的热量

试题详情>>

高考资源网(www.1010jiajiao.com),中国最大的高考网站,您身边的高考专家。

 

 

 

 

 

 

 

非选择题   共10题   共174分

试题详情>>

22.(18分)Ⅰ(6分)为了验证碰撞中的动量守恒和检验两个小球的碰撞是否为弹性碰撞(碰撞过程中没有机械能损失),某同学选取了两个体积相同、质量不等的小球,按下述步骤做了如下实验:

①用天平测出两个小球的质量分别为m1和m2,且m1>m2

②按照如图所示的那样,安装好实验装置。将斜槽AB固定在桌边,使槽的末端点的切线水平,将一斜面BC连接在斜槽末端.

③先不放小球m2,让小球m1从斜槽顶端A处由静止开始滚下,记下小球在斜面上的落点位置E.

④将小球m2放在斜槽前端边缘处,让小球m1从斜槽顶端A处滚下,使它们发生碰撞,记下小球m1和小球m2在斜面上的落点位置分别为D和F.

⑤用毫米刻度尺量出D、E、F各个落点位置到斜槽末端点B的距离分别为LD、LE和LF

根据该同学的实验,回答下列问题:

(1)用测得的物理量来表示,只要满足关系式             ,则说明碰撞中动量是守恒的.

(2)用测得的物理量来表示,只要再满足关系式            ,则说明两小球的碰撞是弹性碰撞.

Ⅱ 衡水中学课外活动小组的同学们在做《自来水电阻率的测定》课题时,在一根粗细均匀的长玻璃管两端各装了一个电极,其间充满待测的自来水,然后用如图甲所示电路进行测量.

试题详情>>

 

 

 

 

 

 

 

它选用的电学器材如下:

试题详情>>

电压表(量程15V,内阻约90高考资源网(www.1010jiajiao.com),中国最大的高考网站,您身边的高考专家。)、电流表(量程300μA,内阻约50高考资源网(www.1010jiajiao.com),中国最大的高考网站,您身边的高考专家。)、滑动变阻器(100高考资源网(www.1010jiajiao.com),中国最大的高考网站,您身边的高考专家。1A)、电池组(电动势E=12V,内阻r=6高考资源网(www.1010jiajiao.com),中国最大的高考网站,您身边的高考专家。)、开关一个、导线若干.

实验中测量情况如下:

试题详情>>

高考资源网(www.1010jiajiao.com),中国最大的高考网站,您身边的高考专家。安装前他用图乙(a)的游标卡尺测量玻璃管的内径,

结果如图乙(b)所示.

试题详情>>

测得两电极相距L=0.314m

实验中测得包括0在内的9组电流I、电压U的值,

在坐标纸上描点如图丙.

根据以上材料请回答下面的问题:

试题详情>>

① 测量玻璃管内径时,应将图乙(a)游标卡尺中的A、B、C三部分中的      与玻璃管内壁接触;玻璃管的内径高考资源网(www.1010jiajiao.com),中国最大的高考网站,您身边的高考专家。=          mm.

② 为保证安全,闭合开关前滑动变阻器的滑片应移至_______端(填M或N).

试题详情>>

高考资源网(www.1010jiajiao.com),中国最大的高考网站,您身边的高考专家。③ 根据实验数据可知他测得水柱的电阻R=______高考资源网(www.1010jiajiao.com),中国最大的高考网站,您身边的高考专家。 (保留两位有效数字);用水柱电阻R、玻璃管内径d、水柱长度L表示,自来水的电阻率高考资源网(www.1010jiajiao.com),中国最大的高考网站,您身边的高考专家。=__________.

试题详情>>

④ 该同学在完成实验报告时,通过比较水柱电阻、电表内阻时发现,实验中的电路设计有不妥之处,会引起较大的系统误差,于是他在实验报告中提出了改进意见,并画出了改进后的电路原理图.请在虚线框中画出改进后的实验电路原理图.

试题详情>>

23.(16分)一静止的物体所受到的合外力随时间的变化关系如图所示,图中F1、F2大小未知.已知物体从t=0时刻出发,在3t0时刻恰又返回到出发点,试求:

(1)t0时刻物体的速率v1与3t0时刻物体的速率v2之比;

(2)F1与F2 大小之比。

试题详情>>

24.(18 分)如图所示,光滑水平面上有一质量M=4.0kg的平板车,车的上表面右侧是一段长L=1.0m的水平轨道,水平轨道左侧是一半径R=0.25m的1/4光滑圆弧轨道,圆弧轨道与水平轨道在O′点相切。车右端固定一个尺寸可以忽略,处于锁定状态的压缩轻弹簧,一质量m=1.0kg的小物体(可视为质点)紧靠弹簧,小物体与水平轨道间的动摩擦因数高考资源网(www.1010jiajiao.com),中国最大的高考网站,您身边的高考专家。。整个装置处于静止状态。现将轻弹簧解除锁定,小物体被弹出,恰能到达圆弧轨道的最高点A。不考虑小物体与轻弹簧碰撞时的能量损失,不计空气阻力。g取10m/s2,求:

(1)解除锁定前轻弹簧的弹性势能;

(2)小物体第二次经过O′点时的速度大小;

(3)最终小物体与车相对静止时距O′点的距离。

试题详情>>

25.(20分)如图所示,水平地面上有一辆固定着竖直试管的光滑绝缘小车,管的底部有一质量m=0.2g、电荷量q=+8×105C的小球,小球的直径比管的内径略小。在管口所在水平面MN的下方存在着垂直纸面向里、磁感应强度B1=15T的匀强磁场,MN面的上方还存在着竖直向上、场强E=25V/m的匀强电场和垂直纸面向里、磁感应强度B2=5T的匀强磁场。现让小车始终保持v=2m/s的速度匀速向右运动,以带电小球刚经过场的边界PQ为计时的起点,测得小球对管侧壁的弹力FN随高度h变化的关系如图所示。g10m/s2,不计空气阻力。求:

   (1)小球刚进入磁场B1时加速度a的大小;

   (2)绝缘管的长度L

试题详情>>

   (3)小球离开管后再次经过水平面MN时距管口的距离△x

 

 

 

 

 

 

试题详情>>

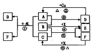
26.(10分)已知A―F是中学化学中常见的物质,其中A、C、E、F为气体,B、D为液体,A是一种大气污染物,F的浓溶液与X共热通常用于实验室制备单质C,X是一种黑色粉末,B分子中有18个电子。反应中部分生成物已略去。试回答下列问题:

(1)根据图中信息,B、C、D、X氧化性从强到弱的顺序是(用化学式表示)____         ___;

(2)写出C原高考资源网子的结构示意图________,B在生活中的一种用途是___________;

(3)写出反应③的化学方程式_____________________;

(4)若将X加入B和稀硫酸的混合液后发现X溶解,溶液呈无色并产生气泡,写出反应方程式:_______________________。

 

 

 

试题详情>>

27.(16分)为探索工业含铝、铁、铜合金废料的再利用,某同学设计的实验方案如下:

试题详情>>

(1)操作①用到的玻璃仪器有____________________;

(2)写出反应①的化学方程式_____________________;

反应②的离子方程式______ ___;

 (3)设计实验方案,检测滤液D中含有的金属离子(试剂自选)__________;

(4)在滤渣E中加入稀硫酸和试剂Y制胆矾晶体是一种绿色化学工艺,试剂Y为无色液体,反应④的总化学方程式是______________________________________;

试题详情>>

(5)将滤渣B均匀混合物平均分成四等份,每份13.2g,分别加入同浓度的稀硝酸,充分反

应后,在标准状况下生成NO的体积与剩余金属的质量见下表(设硝酸的还原产物只有NO)。

实验编号

稀硝酸体积/mL

100

200

300

400

剩余金属质量/g

试题详情>>

4.8

0

0

NO体积/L

试题详情>>

3.36

V

   试通过计算填空:

  ①写出实验①中发生反应的离子方程式______________;②实验④中V=_______。

试题详情>>

28.(16分)下图中A、B、C、D、E、F、G均为有机化合物。

试题详情>>

已知H为含有三个六元环的酯类化合物。    根据以上信息回答问题:

(1)A、B的相对分子质量之差是        ,B可能的结构简式是                

(2)图中属于取代反应类型的是(用序号表示)              

(3)写出反应③、⑤的化学方程式:

                                            。                  

                                           

(4)B的同分异构体有多种,其中同时符合下列条件的同分异构体有    种,写出其中任一种同分异构体的结构简式                        

试题详情>>

①是苯环的二元取代物,②与NaHCO3溶液反应产生无色气体,③与FeCl3溶液显紫色。

试题详情>>

29.(18分)某校四个化学课外小组为了鉴别碳酸钠和碳酸氢钠两种白色固体,分别用不同的高考资源网方法做了以下实验,如图I- Ⅳ所示。

实验Ⅲ相比,实验Ⅳ的优点是           (填选项序号)

A.Ⅳ比Ⅲ复杂    

B.IV比Ⅲ安全

C.IV比Ⅲ操作简便

D.IV可以做到用同一套装置进行对比实验,而Ⅲ不行

(3)若用高考资源网实验Ⅳ验证碳酸钠和碳酸氢钠的稳定性,则试管B中应装入的固体最好是                 (填化学式)

(4)某同学将质量为m1的NaHCO3 ,固体放在试管中加热片刻,冷却后测得剩余固体的质

量为m2。则生成的Na2CO3 的质量为__________________。

(5)将碳酸氢钠溶液与澄清石灰水混合并充分反应。

①当澄清石灰水过量时,其离子方程式为_________________。

试题详情>>

②当碳酸氢钠与氢氧化钙物质的量之比为2:1时,所得溶液中溶质的化学式为____________。⑹将KOH和Ca(OH)2的混合物1.86 g全部溶于一定量水中形成稀溶液,再缓缓通人足量的CO2 气体。当生成沉淀的质量刚达到最大值,消耗CO2的体积为224 mL(标准状况,忽略CO2溶于水的部分。以下情况相同。)

①生成沉淀的质量刚好达到最大值,溶液中反应的离子方程式为_________________;

②原混合物中Ca(OH)2的质量为_________g;   

③沉淀恰好溶解时,消耗CO2的体积为 ___________mL;

④在图示坐标系上画出生成沉淀的质量m(g)与通入CO2             的体积V(mL)的关系曲线。

试题详情>>

 

 

 

 

 

 

试题详情>>

30.(18分)回答下列Ⅰ、Ⅱ两个问题:

Ⅰ.(6分)下图甲表示某种喜好在阳光充足环境下生长的植物,其光照强度与光合作用速率的关系,图乙至戊表示植物细胞与外界环境之间、植物细胞内线粒体和叶绿体之间气体交换的几种不同情况。请据图回答:

试题详情>>

 

 

 

 

 

(1)该植物叶肉细胞处于丁图状态时,对应图甲曲线中           点,当叶肉细胞处于甲图中B~C段(不含B点)状态时,指出乙至戊图中对应的是            图。

(2)如果其他条件不变,CO2浓度增大,B点      移;如果A点时CO2释放量为a μmol/m2・s,C点时的CO2吸收量为b μmol/m2・s,则C点时O2产生量为               μmol/m2・s。

(3)在温度适宜的条件下,限制A~C段光合速率的主要因素是            ,C点后影响光合速率的主要因素是          

试题详情>>

高考资源网(www.1010jiajiao.com),中国最大的高考网站,您身边的高考专家。II(12分)在1937年植物生理学家希尔发现,将叶绿体分离后置于试管中,在试管中加入适当的“氢受体”,如二氯酚吲哚酚(简称DCPIP),那么照光后便会使水分解并放出氧气,这个反应被称为“希尔反应”。反应的过程如下(注:DCPIP是一种可以接受氢的化合物,在氧化态时是蓝色,在还原态时是无色。)

 

试题详情>>

为验证“希尔反应”需要光能和叶绿体,现提供如下材料和用品:试管若干、离体叶绿体、0.5mol/L蔗糖溶液、1%DCPIP溶液、蒸馏水、量筒、锡箔纸、离心机。

请依据“希尔反应”涉及的实验原理,把下面的实验设计补充完整,并回答有关问题:

(1)方法步骤:

试题详情>>

第一步:离体叶绿体溶解于0.5mol/L蔗糖溶液制备成叶绿体悬浮液;

第二步:选取3支试管,编上1号、2号和3号。

第三步:

试题详情>>

①向1号试管中加入1%DCPIP溶液0.5mL和叶绿体悬浮液5mL,给予光照处理。

②向2号试管中加入                                                       处理。

③向3号试管中加入                                                       处理。

第四步:将上述试管放置在温度等其他条件相同且适宜的环境中一段时间。

第五步:一段时间后,对各试管用离心机离心5分钟,观察试管内上层清液的颜色。

(2)实验结果及相应的结论:

观察结果:离心后1~3三支试管内上层清液的颜色依次为:                           

为什么不直接观察试管内的溶液颜色而是要在离心后观察上清液的颜色?             

实验结论:“希尔反应”需要光能和叶绿体。

试题详情>>

31.(24分)(1)下表所示为一个不含致病基因的正常人的两条非同源染色体,及甲、乙、丙、丁四个表现型正常的人对应的染色体上某基因中相应部分碱基的排列顺序。请分析回答:

试题详情>>

高考资源网(www.1010jiajiao.com),中国最大的高考网站,您身边的高考专家。个体

染色体

正常人

11号染色体

CTT

CAT

CTT

CAT

CTT

16号染色体

ATT

ATT

GTT

ATT

GTT

①表中所示甲的11号染色体上,该部位碱基排列顺序变为CAT是                的结果。

②甲、乙、丙、丁四个人表现正常的原因可能有(写出两点)

                                                                          

③若表中标明碱基的那条链为非模板链,请写出乙个体第16号染色体上该基因片段转录成的密码子为:                

④若甲、乙、丙、丁体内变化后的基因均为致病基因且甲、乙为女性,丙、丁为男性,则甲和

              组成家庭更符合优生要求。

(2)果蝇的翅膀有长翅和残翅两种,眼色有红眼和白眼两种,分别由A、a和B、b两对等位基因控制。下图为某果蝇的染色体及基因组成,该果蝇与“另一亲本”杂交,后代的表现型及比例如下表,请分析回答:

试题详情>>

①左图所示果蝇的一个染色体组包括     条染色体,“另一亲本”果蝇的基因型为      

②若左图所示果蝇的一个原始生殖细胞产生了一个基因型为aXB配子,则同时产生的另外三个子细胞的基因型为                   

③该果蝇与“另一亲本”杂交,子代的长翅红眼雌蝇中杂合子占的比例为            

④若只根据子代果蝇的眼色就能判断其性别,则选作亲本的雌、雄果蝇的眼色表现型依次为

                  

⑤若同时考虑上述两对性状,子代雌、雄果蝇都有四种表现型,且比例为3:3:l:1,则选作亲本的果蝇的基因型为:雌               ;雄              

 

 

 

 

 

 

 

 

 

 

 

 

 

试题详情>>

高考资源网(www.1010jiajiao.com),中国最大的高考网站,您身边的高考专家。
 

                        学科:理科综合       

第Ⅰ卷 (选择题   共21题,126分)

题号

1

2

3

4

5

6

7

8

9

答案

D

C

A

C

B

B

C

D

B

题号

10

11

12

13

14

15

16

17

18

答案

C

D

A

B

C

A

B

ABCD

B

题号

19

20

21

 

 

 

 

 

 

答案

D

ACD

AD

 

 

 

 

 

 

试题详情>>

第Ⅱ卷(非选择题   共10题   共174分)

试题详情>>

22.Ⅰ (1)高考资源网(www.1010jiajiao.com),中国最大的高考网站,您身边的高考专家。(3分)

试题详情>>

(2)高考资源网(www.1010jiajiao.com),中国最大的高考网站,您身边的高考专家。  或高考资源网(www.1010jiajiao.com),中国最大的高考网站,您身边的高考专家。+高考资源网(www.1010jiajiao.com),中国最大的高考网站,您身边的高考专家。=高考资源网(www.1010jiajiao.com),中国最大的高考网站,您身边的高考专家。(3分)

试题详情>>

Ⅱ ①A (2分);30.75mm (2分)

试题详情>>

② M (2分)③高考资源网(www.1010jiajiao.com),中国最大的高考网站,您身边的高考专家。 (2分);高考资源网(www.1010jiajiao.com),中国最大的高考网站,您身边的高考专家。(2分) ④(2分)

试题详情>>

 23. (16分)解:(1)由图可知F1作用时间为t0,物体做匀加速直线运动,然后改为反向F2作用时间为2t0,物体先减速再反向加速至出发点.

试题详情>>

设F1作用下物体的位移为S,则有:高考资源网(www.1010jiajiao.com),中国最大的高考网站,您身边的高考专家。高考资源网(www.1010jiajiao.com),中国最大的高考网站,您身边的高考专家。                      ①……3分

试题详情>>

F2作用下物体的位移为-S,有:高考资源网(www.1010jiajiao.com),中国最大的高考网站,您身边的高考专家。         ②……3分

试题详情>>

由以上可得:高考资源网(www.1010jiajiao.com),中国最大的高考网站,您身边的高考专家。                                              ③……2分

试题详情>>

(2)由运动学公式可得: v1=高考资源网(www.1010jiajiao.com),中国最大的高考网站,您身边的高考专家。t0                                 ④……3分

试题详情>>

由运动学公式可得:- v2= v1-2高考资源网(www.1010jiajiao.com),中国最大的高考网站,您身边的高考专家。 t0                            ⑤……3分

试题详情>>

由③④⑤联立解得:高考资源网(www.1010jiajiao.com),中国最大的高考网站,您身边的高考专家。=高考资源网(www.1010jiajiao.com),中国最大的高考网站,您身边的高考专家。                                        ……2分

    (其他解法参照赋分)

试题详情>>

24.(18分)解:(1)由能量守恒定律得:E=mgR+高考资源网(www.1010jiajiao.com),中国最大的高考网站,您身边的高考专家。mgL                  ……3 分

试题详情>>

                  代入数据解得:E=7.5J                                ……1分

(2)设小物体第二次经过O′点时的速度大小为v1,此时车的速度大小v2

由水平方向动量守恒定律得:m v1-M v2 =0                        ①    ……3分

试题详情>>

  由能量守恒定律得:mgR=高考资源网(www.1010jiajiao.com),中国最大的高考网站,您身边的高考专家。m v12+高考资源网(www.1010jiajiao.com),中国最大的高考网站,您身边的高考专家。Mv22                           ②    ……3分

试题详情>>

 ①②联立代入数据解得:v1=2.0m/s                                     ……1分

(3) 最终小物体与车相对静止时,二者的速度都为0

试题详情>>

由能量守恒定律得:E= 高考资源网(www.1010jiajiao.com),中国最大的高考网站,您身边的高考专家。mgS                                ③     ……3分

距O′点的距离: x=S-L                                       ④    ……3分

试题详情>>

  ③④代入数据解得:x=0.5m                                       ……1分

试题详情>>

25.解:(20分)

(1)以小球为研究对象,竖直方向小球受重力和恒定的洛伦兹力f1,故小球在管中竖直方向做匀加速直线运动,加速度设为a,则

试题详情>>

     a=高考资源网(www.1010jiajiao.com),中国最大的高考网站,您身边的高考专家。m/s2     (3分)

试题详情>>

   (2)在小球运动到管口时,FN=2.4×103N,设v1为小球竖直分速度,从试管进入磁场到小球运动到管口所用时间为t1,由

试题详情>>

FN=qv1B1,则高考资源网(www.1010jiajiao.com),中国最大的高考网站,您身边的高考专家。=高考资源网(www.1010jiajiao.com),中国最大的高考网站,您身边的高考专家。m/s   (2分)

试题详情>>

高考资源网(www.1010jiajiao.com),中国最大的高考网站,您身边的高考专家。  (2分)  

   (3)小球离开管口进入复合场,其中

qE=2×10-3N,mg=2×103N。(1分)

试题详情>>

故电场力与重力平衡,小球在复合场中做匀速圆周运动,合速度v′与MN成45°角,轨道半径为R,R=高考资源网(www.1010jiajiao.com),中国最大的高考网站,您身边的高考专家。(2分)

 

试题详情>>

高考资源网(www.1010jiajiao.com),中国最大的高考网站,您身边的高考专家。

经过分析小球经过半个周期从复合场左边界离开。然后做匀速直线运动           

小球离开管口开始计时,到再次经过MN所通过的水平距离x1=2v1t1=4m         (3分)

试题详情>>

对应时间t=高考资源网(www.1010jiajiao.com),中国最大的高考网站,您身边的高考专家。+高考资源网(www.1010jiajiao.com),中国最大的高考网站,您身边的高考专家。=(高考资源网(www.1010jiajiao.com),中国最大的高考网站,您身边的高考专家。+1 ) s                                               (3分)

试题详情>>

小车运动距离为高考资源网(www.1010jiajiao.com),中国最大的高考网站,您身边的高考专家。,x2= vt =(2+π)m                                        (2分)

试题详情>>

所以小球再次经过水平面MN时距管口的距离x=x1+x2=(6+高考资源网(www.1010jiajiao.com),中国最大的高考网站,您身边的高考专家。)m             (2分)

试题详情>>

26.(10分,每空2分)(1)MnO2 >Cl2 >H2O2 >H2SO4  (2)      消毒

试题详情>>

(3)SO2 +H2O2=H2SO4  (4)2H++ H2O2+ MnO2==Mn2++O2↑+2H2O

试题详情>>

27.(16分)

    (1)烧杯、漏斗、玻璃棒(2分)

    (2)①2Al+2NaOH+2H2O=2NaAlO2+3H2↑(2分)

         ②AlO2-+CO2+2H2O=Al(OH)3↓+HCO3-(2分)

    (3)取少量滤液D加入KSCN溶液,溶液不变红,再滴入新制氯水,溶液变红。(2分,其他合理答案同样得分)

    (4)Cu+H2O2+H2SO4+3H2O=CuSO4.5H2O

或    Cu+H2O2+H2SO4=CuSO4 +2H2O (2分)

试题详情>>

    (5)高考资源网(www.1010jiajiao.com),中国最大的高考网站,您身边的高考专家。   (3分)  4.48L(3分)

 

 

试题详情>>

28. (16分)

试题详情>>

(1)70(2分)        (2分)

(2)①②③(2分)

试题详情>>

(3)CH3COOH+CH3CH2OH 高考资源网(www.1010jiajiao.com),中国最大的高考网站,您身边的高考专家。 CH3COOCH2CH3 + H2O (3分)

试题详情>>

CH3CHO + 2Ag(NH3)2OH高考资源网(www.1010jiajiao.com),中国最大的高考网站,您身边的高考专家。CH3COONH4 + 2Ag + 3NH3 + H2O (3分)

试题详情>>

高考资源网(www.1010jiajiao.com),中国最大的高考网站,您身边的高考专家。高考资源网(www.1010jiajiao.com),中国最大的高考网站,您身边的高考专家。高考资源网(www.1010jiajiao.com),中国最大的高考网站,您身边的高考专家。(4) 3 (2分)

(2分)

试题详情>>

29.(18分)    (1) Ⅱ(1分)   (2)D  (1分)     (3)NaHCO3  (2分)

试题详情>>

(4) 高考资源网(www.1010jiajiao.com),中国最大的高考网站,您身边的高考专家。(2分)

(5)HCO3-+Ca2++OH-=CaCO3↓+H2O (2分)  Na2CO(2分)

试题详情>>

(6) ①CO2 +Ca2++2OH-=CaCO3↓+H2O (2分)   ②0.74(2分)

③896 (2分)   ④(2分)

  

 

 

试题详情>>

30.Ⅰ(6分)(1)A     乙     (2)左     b+a    (3)光照强度     CO2浓度

试题详情>>

II(12分)(1)②等量的1%DCPIP溶液(0.5mL)和叶绿体悬浮液(5mL)

用锡箔纸包紧试管进行遮光(要求答处理方法,答成“黑暗”不给分)

试题详情>>

③等量的1%DCPIP溶液(0.5mL)和0.5mol/L蔗糖溶液5mL(答成蒸馏水5mL不给分)

给予光照

(2)1号无色,2号、3号蓝色        排除叶绿体颜色的干扰    

试题详情>>

31.(24分)(1)①基因突变  ②突变发生在该基因的非编码区;突变发生在内含子;突变后的基因为隐性基因;突变前后密码子控制同一种氨基酸      ③GUU      ④丁

(2)①4     AaXBXb       ②aXB、AY、AY       ③5/6  

④白眼、红眼          ⑤AaXBXb      AaXbY

 

 

试题详情>>
关闭