1.(2007年高考江苏卷.物理.3)光的偏振现象说明光是横波,下列现象中不能反映光的偏振特性的是

A、一束自然光相继通过两个偏振片,以光束为轴旋转其中一个偏振片,透射光的强度发生变化

B、一束自然光入射到两种介质的分界面上,当反射光与折射光线之间的夹角恰好是900时,反射光是偏振光

C、日落时分,拍摄水面下的景物,在照相机镜头前装上偏振光片可以使景象更清晰

D、通过手指间的缝隙观察日光灯,可以看到秋色条纹

 

试题详情>>

2.(2008年高考四川卷.理综.21)如图1所示,一束单色光射入一玻璃球体,入射角为60°。己知光线在玻璃球内经一次反射后,再次折射回到空气中时与入射光线平行。此玻璃的折射率为 (  )                               

试题详情>>

    A.   B.1.5     C        D.2                图1                               

                                                  

试题详情>>

 3.(2008年高考全国1卷.理综.21)一束由红、蓝两单色光组成的光线从一平板玻璃砖的上表面以入射角θ射入,穿过玻璃砖自下表射出。已知该玻璃对红光的折射率为1.5。设红光与蓝光穿过玻璃砖所用的时间分别为t1和t2,则在θ从0°逐渐增大至90°的过程中(  )

A. t1始终大于t2               B. t1始终小于t2

C. t1先大于后小于t2           D. t1先小于后大于t2

 

试题详情>>

4.(2008年高考上海卷.物理.12)在杨氏双缝干涉实验中,如果

A.用白光作为光源,屏上将呈现黑白相间的条纹

B.用红光作为光源,屏上将呈现红黑相间的条纹

C.用红光照射一条狭缝,用紫光照射另一条狭缝,屏上将呈现彩色条纹

D.用紫光作为光源,遮住其中一条狭缝,屏上将呈现间距不等的条纹

 

试题详情>>

5.(2008年上海卷.物理.)用如图所示的实验装置观察光的薄膜干涉现象。图2(a)是点燃酒精灯(在灯芯上洒些盐),图2(b)是竖立的附着一层肥皂液薄膜的金属丝圈。将金属丝圈在其所在的竖直平面内缓慢旋转,观察到的现象是

A.当金属丝圈旋转30°时干涉条纹同方向旋转30°

B.当金属丝圈旋转45°时干涉条纹同方向旋转90°

C.当金属丝圈旋转60°时干涉条纹同方向旋转30°             图2

D.干涉条纹保持原来状态不变

 

试题详情>>

6.(2008年高考江苏卷.物理.7)现代物理学认为,光和实物粒子都具有波粒二象性。下列事实中突出体现波动性的是(  )

A.一定频率的光照射到锌板上,光的强度越大,单位时间内锌板上发射的光电子就越多

B.肥皂液是无色的,吹出的肥皂泡却是彩色的

C.质量为10-3kg、速度为10-2m/s的小球,其德布罗意波长约为10-28m,不过我们能清晰地观测到小球运动的轨迹

D.人们常利用热中子研究晶体的结构,因为热中子的德布罗意波长与晶体中原子间距大致相同

 

试题详情>>

7.(2008年高考江苏卷.物理.8).2006年度诺贝尔物理学奖授予了两名美国科学家,以表彰他们发现了宇宙微波背景辐射的黑体谱形状及其温度在不同方向上的微小变化。他们的出色工作被誉为是宇宙学研究进入精密科学时代的起点。下列与宇宙微波背景辐射黑体谱相关的说法中正确的是(   )

A.微波是指波长在10-3m10m之间的电磁波

B.微波和声波一样都只能在介质中传播

C.黑体的热辐射实际上是电磁辐射

D.普朗克在研究黑体的热辐射问题中提出了能量子假说

 

试题详情>>

8.(2008年 广东卷.物理.14)(2)光纤通信中,光导纤维传递光信号的物理原理是利用光的      现象。要发生这种现象,必须满足的条件是:光从光密介质射向       ,且入射角等于或大于      

 

试题详情>>

9.(2008年高考宁夏卷. 理综.37②))一半径为R的1/4球体放置在水平面上,球体由折射率为的透明材料制成。现有一束位于过球心O的竖直平面内的光线,平行于桌面射到球体表面上,折射入球体后再从竖直表面射出,如图3所示。已知入射光线与桌面的距离为。求出射角q。                                                     图3

 

试题详情>>

10.(2008年高考山东卷.理综.37)麦克斯韦在1865年发表的《电磁场的动力学理论》一文中揭示了电、磁现象与光的内在联系及统一性,即光是电磁波。

试题详情>>

(1)一单色光波在折射率为1.5的介质中传播,某时刻电场横波图象如图4上所示,求该光波的频率。

(2)图5表示两面平行玻璃砖的截面图,一束平行于CD边的单色光入射到AC界面上,a、b是其中的两条平行光线。光线a在玻璃砖中的光路已给出。画出光线B从玻璃砖中管次出射的光路图,并标出出射光线与界面法线夹角的度数。

试题详情>>

11.(2007年高考海南卷.理综.27)如图6所示,置于空气中的一不透明容器中盛满某种透明液体。容器底部靠近器壁处有一竖直放置的6.0cm长的线光源。靠近线光源一侧的液面上盖有一遮光板,另一侧有一水平放置的与液面等高的望远镜,用来观察线光源。开始时通过望远镜不能看到线光源的任何一部分。将一光源沿容器底向望远镜一侧平移至某处时,通过望远镜刚好可能看到线光源底端。再将线光源沿同一方向移动8.0cm,刚好可以看到其顶端。求此液体的折射率n。                                          

试题详情>>

文本框: 图6                                                                                                                                    

 

试题详情>>

1.(海南省民族中学2009届高三阶段考试卷.物理.9)如图7所示,一细束红蓝复色光垂直与AB边射入直角三棱镜,在AC面上反射和折射分成两束细光束,其中一束细光束为单色光束。若用V1和V2分别表示红、蓝光在三棱镜内的速度,下列判断正确的是(   )

A.V1<V2   单色光束为红色    B.V1<V2   单色光束为蓝色

C.V1>V2   单色光束为红色    D.V1>V2   单色光束为蓝色             图7

 

试题详情>>

2.(2009年安徽高考信息交流试卷.理综.17)如图8所示,PQ是两种透明材料制成的两块相同的直角梯形棱镜,叠合在一起组成一个长方体,一单色光从P的上表面射入,折射光线正好垂直通过两棱镜的界面,已知材料的折射率nP<nQ,射到P上表面的光线与P的上表面的夹角为θ,下列判断正确的是(  )

试题详情>>

       A.光线一定从Q的下表面射出

       B.光线若从Q的下表面射出时,出射光线与下表面的夹角一定等于θ

       C.光线若从Q的下表面射出时,出射光线与下表面的夹角一定大于θ

       D.光线若从Q的下表面射出时,出射光线与下表面的夹角一定小于θ

 

试题详情>>

3.(河北省衡水中学2009届高三调研卷.物理.8)金属中存在着大量的价电子(可理解为原子的最外层电子),价电子在原子核和核外的其他电子产生的电场中运动,电子在金属外部时的电势能比它在金属内部作为价电子时的电势能大,前后两者的电势能差值称为势垒,用符号V表示,价电子就像被关在深度为V的方箱里的粒子,这个方箱叫做势阱,价电子在势阱内运动具有动能,但动能的取值是连续的,价电子处于最高能级时的动能称为费米能,用Ef表示。用红宝石激光器向金属发射频率为ν的光子,具有费米能的电子如果吸收了一个频率为ν的光子而跳出势阱,则 (  )

       A.具有费米能的电子跳出势阱时的动能为Ek=hν-V+Ef

       B.具有费米能的电子跳出势阱时的动能为Ek=hν-V-Ef

       C.若增大激光器的强度,具有费米能的电子跳出势阱时的动能增大

       D.若增大激光器的强度,具有费米能的电子跳出势阱时的动能不变

 

试题详情>>

4.(上海市闸北区2008年4月模拟卷.物理.12)在白炽灯的照射下从两块捏紧的玻璃板表面看到彩色条纹,通过狭缝观察发光的白炽灯也会看到彩色条纹,这两种现象   (        )

(A)都是光的衍射现象;

(B)都是光的干涉现象;

(C)前者是光的干涉现象,后者是光的衍射现象 ;

(D)前者是光的衍射现象,后者是光的干涉现象。

 

试题详情>>

5.(上海市宝山区2008年4月模拟卷.物理.15)在光的单缝衍射实验中可观察到清晰的亮暗相间的图样,图9中四幅图片中属于光的单缝衍射图样的是(      )

 

 

 

试题详情>>

 

 

                               图9

A.a、c           B.b、c           C.a、d          D.b、d

 

试题详情>>

6.(苏北四市2009届高三调研卷.物理.37)

(1)下列说法中正确的是    (        )

 A.在地面附近有一高速飞过的火箭 ,地面上的人观察到火箭变短了,火箭上的时间进程变慢了;火箭上的人观察到火箭的长度和时间进程均无变化

 B.托马斯•杨通过光的单缝衍射实验,证明了光是一种波

C.在太阳光照射下,水面上油膜出现彩色花纹是光的色散现象

  D.在光的双缝干涉实验中,若仅将入射光由绿光改为红光,则干涉条纹间距变宽

  E.光异纤维丝内芯材料的折射率比外套材料的折射率大

试题详情>>

F.麦克斯韦提出电磁场理论并预言电磁波存在,后来由他又用实验证实电磁波的存在

G.次声波是频率低于20 Hz的声波,它比超声波更易发生衍射

(2)如图10所示,有一截面是直角三角形的棱镜ABC,∠A=

30º.它对红光的折射率为n1.对紫光的折射率为n2.在距AC边d处

有一与AC平行的光屏。现有由以上两种色光组成的很细的光束垂

AB边射入棱镜。 若两种光都能从AC面射出,求在光屏MN

上两光点间的距离。

 

试题详情>>

7.(广东省汕头市2008年普通高校招生模拟考试卷.物理.32)如图11所示,一玻璃柱体的横截面为半圆形,细的单色光束从空气射向柱体的O点(半圆的圆心),产生反射光束1和透射光束2,已知玻璃折射率为,当入射角时,求反射光束1和透射光束2之间的夹角多大?                                                              

 

试题详情>>

8.(常州市2008~2009学年度第二学期期中质量调研卷.物

试题详情>>

理.26)如图12所示,一透明球体置于空气中,球半径R=

试题详情>>

10cm,折射率n=.MN是一条通过球心的直线,单色细

光束AB平行于MN射向球体,B为入射点, AB与MN间距

试题详情>>

5cm,CD为出射光线。                                                  

图11

①补全光路并求出光从B点传到C点的时间;

②求CD与MN所成的角α.(需写出求解过程)

 

试题详情>>

9.(海口市2008年高考调研测试卷.物理.36) 某

校开展研究性学习,某研究小组根据光学知识,设计

了一个测液体折射率的仪器。如图13所示,在一个圆                                 图12

盘上,过其圆心O作两条相互垂直的直径BC、EF。在

试题详情>>

半径OA上,垂直盘面插上两枚大头针P1、P2并保持位

置不变。每次测量时让圆盘的下半部分竖直进入液体中,

而且总使得液面与直径BC相平,EF作为界面的法线,

试题详情>>

而后在图中右上方区域观察P1、P2。同学们通过计算,

预先在圆周EC部分刻好了折射率的值,这样只要根据

P3所插的位置,就可以直接读出液体折射率的值。

①若∠AOF=30°,OP3与OC之间的夹角为45°,

则在P3处刻的折射率应多大?                              图13

②若在同一液体中沿AO方向射入一束白光,最靠近0C边的是哪种颜色的光?增大入射角度,哪种颜色的光在刻度盘上先消失?

 

试题详情>>

10.(江苏省南京市2008届高三质量检测卷.物理.32)如图14所示,玻璃棱镜ABCD可以看成是由ADE、ABE、BCD三个直角三棱镜组成。一束频率5.3×1014Hz的单色细光束从AD面入射,在棱镜中的折射光线如图中ab所示,ab与AD面的夹角。已知光在真空中的速度c=3×108m/s,玻璃的折射率n=1.5,求:

试题详情>>

(2)光在棱镜中的波长是多大?

(3)该束光线第一次从CD面出射时的折射角。           

(结果可用三角函数表示)                                           图14

 

试题详情>>

11.(山东省潍坊市2008年高三教学质量检测卷.理综.37) 如图15所示,一束截面为圆形半径为R的平行单色光,垂直射向一玻璃半球的平面,经折射后在屏幕S上形成一个圆形亮区,已知玻璃半球的半径为R,屏幕S到球心的距离为d(d>3R),不考虑光的干涉和衍射,玻璃对该光的折射率为n,求屏幕上被照亮区域的半径。

试题详情>>

 

试题详情>>

12.(广东省华南师大附中2009届高三综合测试卷.物

试题详情>>

理.23)如图16所示,阴极K用极限波长λ0=0.66μm的金属

试题详情>>

铯制成,用波长λ=0.50μm的绿光照射阴极K,调整两个极

试题详情>>

板电压.当A板电压比阴极高出2.5V时,光电流达到饱和,

试题详情>>

电流表示数为0.64μA,求:

(1)每秒钟阴极发射的光电子数和光电子飞出阴极时的

最大初动能。

(2)如果把照射阴极绿光的光强增大为原来的2倍,每        图15

试题详情>>

秒钟阴极发射的光电子和光电子飞出阴极的最大初动能。

                                           

                      

 

 

                                               图16

(一)文字介绍

试题详情>>

预测2009年高考本考点热点内容有:光的反射、反射定律;光的折射、折射定律、折射率、全反射;色散成因及规律;双缝干涉、薄膜干涉;公式△X=λ的含义;光的干涉、衍射、偏振;红外线、紫外线、X射线、γ射线的性质及其应用;光电效应,=W+;对几何光学的考查,以定性和半定量为主,注重对物理规律的理解和对物理现象、物理情景分析能力的考查;平面镜问题和不同色光的折射率、全反射、光导纤维等问题要引起注意.光的本性考点主要是光的波动性、粒子性等知识的考查,与几何光学的综合也是考查重点内容之一,另外近代物理光学的初步理论,以及建立这些理论的实验基础和一些重要物理现象也要引起重视。

(二)考点预测题

试题详情>>

1.一点光源S通过平面镜成像S'如图17所示,镜面与OS夹角30°,设S不动,平面镜以速度v沿OS方向光源平移,则S的像S'将(    )。

A.以速率v平行于OS向右移动

B.以速率v垂直于OS向下移动

C.以速率v沿SS'连线向S移动

试题详情>>

D.以速率沿SS'连线向S移动                               图17

 

试题详情>>

2.某人身高1.7m,为了测试路灯的高度,他从路灯正下方沿平直公路以1m/s的速度匀速走开。某时刻他的影子长为1.3m,再经过2s,他的影子长为1.8m,路灯距地面的高度是多少?

 

试题详情>>

3.一束单色光斜射到厚平板玻璃的一个表面上,经两次折射后从玻璃板另一个表面射出,出射光线相对于入射光线侧移了一段距离。在下列情况下,出射光线侧移距离最大的是

A.红光以30°的入射角入射

B.红光以45°的入射角入射

C.紫光以30°的入射角入射

D.紫光以45°的入射角入射

 

试题详情>>

4.半径为r的圆形木板浮在深H的贮水池的水面上,在木板圆心的正上方h高处有一点光源s,求在水池的平底上影圈的半径R是多少?水的折射率为n。

 

试题详情>>

5.图18是一个圆柱体棱镜的截面图,图中E、F、G、H将半径OM分成5等份,虚线EE1、FF1、GG1、HH1平行于半径ON,ON边可吸收到达其上的所有光线.已知该棱镜的折射率n=,若平行光束垂直入射并覆盖OM,则光线( ) 

试题详情>>

A.不能从圆孤射出    B.只能从圆孤射出

试题详情>>

C.能从圆孤射出    D.能从圆孤射出                        图18

 

试题详情>>

6.在桌面上有一倒立的玻璃圆锥,其顶点恰好与桌面接触,圆锥的轴(图中虚线)与桌面垂直,过轴线的截面为等边三角形,如图19所示。有一半径为r的圆柱形平行光束垂直入射到圆锥的底面上,光束的中心轴与圆锥的轴重合。已知玻璃的折射率为1.5,则光束在桌面上形成的光斑半径为(  )                                                                  

试题详情>>

A.r      B.1.5r      C.2r      D.2.5r                              图19

                                   

试题详情>>

7.光通过各种不同的障碍物后会产生各种不同的衍射条纹,衍射条纹的图样与障碍物的形状相对应。这一现象说明(   )  

A.光是电磁波              B.光具有波动性

C.光可以携带信息          D.光具有波粒二象性

 

试题详情>>

8.劈尖干涉是一种薄膜干涉,其装置如下图20甲所示,将一块平板坡璃表面之间形成一个劈形空气薄膜,当光垂直入射后,从上往下看到的干涉条纹如图乙所示,干涉条纹如下特点:(1)任意一条明条纹或暗条纹所在位置下面的薄膜厚度相等;(2)任意相邻明条纹所对应的薄膜厚度恒定,现若在图甲装置中抽去一张纸片,则当光垂入射到新的劈形空气薄膜后,从上往下观察到的干涉条纹(  )

两张纸

 

 

 

 

 

 

 

 

 

 

 

 

 


片扯

试题详情>>

 

 

甲(侧视图)

                                       乙

A、变疏        B、变密   C、不变      D消失           图20

试题详情>>

9.光热转换是将太阳能转换成其他物质内能的过程,太阳能热水器就是一种光热转换装置,它的主要转换器件是真空玻璃管,这些玻璃管将太阳能转换成水的内能。如图21所示,真空玻璃管上采用镀膜技术增加透射光,使尽可能多的太阳能转换成热能,这种镀膜技术的物理依据是(  )

A.  光的直线传播   B.光的粒子性  C.光的干涉   D.光的衍射  图21

 

试题详情>>

10.如图22所示,P是一偏振片,P的透振方向(用带有箭头的实线表示)为竖直方向。下列四种入射光束中,哪几种照射P时能在P的另一侧观察到透射光?(  )

试题详情>>

A.太阳光

B.沿竖直方向振动的光

C.沿水平方向振动的光

D.沿与竖直方向成45°角振动的光                              图22

 

试题详情>>

11.夜晚,汽车前灯发出的强光将迎面驶来的汽车司机照射得睁不开眼,严重影响行车安全.若考虑将汽车前灯玻璃改用偏振玻璃,使射出的灯光变为偏振光;同时汽车前窗玻璃也采用偏振玻璃,其透偏方向正好与灯光的振动方向垂直,但还要能看清自己车灯发出的光所照亮的物体.假设所有的汽车前窗玻璃和前灯玻璃均按同一要求设置,如下措施中可行的是(  )

A.前窗玻璃的透振方向是竖直的,车灯玻璃的透振方向是水平的

B.前窗玻璃的透振方向是竖直的,车灯玻璃的透振方向是竖直的

C.前窗玻璃的透振方向是斜向右上45°,车灯玻璃的透振方向是斜向左上45°

D.前窗玻璃和车灯玻璃的透振方向都是斜向右上45°

 

试题详情>>

12. 现有a、b、c三束单色光,其波长关系为abc,用b光束照射某种金属时,恰能发生光电效应,若分别用a光束和c光束照射该金属,则可以断定(    )

A.a光束照射时,不能发生光电效应

B.c光束照射时,不能发生光电效应

C.a光束照射时,释放出的光电子数目最多

D.c光束照射时,释放出的光电子的最大初动能最小

 

试题详情>>

13.人们发现光电效应具有瞬时性和对各种金属都存在极限频率的规律。请问谁提出了何种学说很好地解释了上述规律?已知锌的逸出功为,用某单色紫外线照射锌板时,逸出光电子的最大速度为,求该紫外线的波长(电子质量,普朗克常量

 

试题详情>>

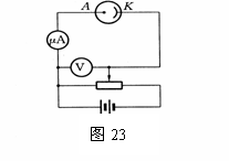
14.如图23是研究光电效应的实验电路.现用等离子态的氢气(电离态)跃迁时所发出的光照射光电管的阴极K,测得微安表的示数是40 μA,电压表的示数是20V.已知光电管阴极材料的逸出功是3.6eV.求:(1)氢气发光的最短波长; (2)光电管阴极材料的极限波长;(3)光电子到达阳极A的最大动能。

 

试题详情>>
关闭