1.(2008年高考山东卷.理综.17)图l 、图2 分别表示两种电压的波形.其中图l 所示电压按正弦规律变化。下列说法正确的是

A.图l 表示交流电,图2 表示直流电

B.两种电压的有效值相等

C.图1 所示电压的瞬时值表达式为:u=311 sin100πtV

D.图l 所示电压经匝数比为10 : 1 的变压器变压后.频

率变为原来的

试题详情>>

2.(2008年高考广东卷.物理.5)小型交流发电机中,矩形金属线圈在匀强磁场中匀速转动。产生的感应电动势与时间呈正弦函数关系,如图3所示,此线圈与一个R=10Ω的电阻构成闭合电路,不计电路的其他电阻,下列说法正确的是(   )

试题详情>>

A.交变电流的周期为0.125    B.交变电流的频率为8Hz

试题详情>>

C.交变电流的有效值为A   D.交变电流的最大值为4A              图3        

 

 

试题详情>>

3.(2008年高考宁夏卷.理综.19.)如图4a所示,一矩形线圈abcd放置在匀强磁场中,.如图a所示,一矩形线圈abcd放置在匀  强磁场  中,并绕过ab、cd中点的轴OO′以角速度逆时针匀速转动。若以线圈平面与磁场夹角时(如图b)为计时起点,并规定当电流自a流向b时电流方向为正。则图5四幅图中正确的是(   )                   

 

                                                         

 图4

 

试题详情>>

 

 

 

 

 

 

 

   

 

 

                                           图5

试题详情>>

4.(2008年高考海南卷.物理.7)如图6所示,理想变压器原副线圈匝数之比为4∶1.原线圈接入一电压为u=U0sinωt的交流电源,副线圈接一个R=27.5 Ω的负载电阻.若U0=220V,ω=100π Hz,则下述结论正确的是(   )

 A.副线圈中电压表的读数为55 V

试题详情>>

 B.副线圈中输出交流电的周期为

试题详情>>

 C.原线圈中电流表的读数为0.5 A

试题详情>>

 D.原线圈中的输入功率为                     图6

 

试题详情>>

5.(2008年高考上海卷.物理.20B)某小型实验水电站输出功率是20kW,输电线路总电阻是6Ω。

(1)若采用380V输电,求输电线路损耗的功率。

(2)若改用5000高压输电,用户端利用n1:n2=22:1的变压器降压,求用户得到的电压。

试题详情>>

6.(2007年高考广东卷.物理.6)平行板间加如图7(a)所示周期变化的电压,重力不计的带电粒子静止在平行板中央。从t=0时刻开始将其释放,运动过程无碰板情况。(b)中,能定性描述粒子运动的速度图象正确的是 (   )

 

 

 

试题详情>>

    A                B               C               D

 

 

 

 

 

图7

 

试题详情>>

7.(2008年高考北京卷.理综.18)一理想变压器原、副线圈匝数比n1:n2=11:5。原线圈与正弦交变电源连接,输入电压u如图8所示。副线圈仅接入一个10 的电阻。则(     )

试题详情>>

A.流过电阻的电流是20 A

试题详情>>

B.与电阻并联的电压表的示数是100V

C.经过1分钟电阻发出的热量是6×103 J

D.变压器的输入功率是1×103W                          图8

 

试题详情>>

8.(2008年高考天津卷.理综.17)一理想变压器的原线圈上接有正弦交变电压,其最大值保持不变,副线圈接有可调电阻R。设原线圈的电流为I1,输入功率为P1,副线圈的电流为I2,输出功率为P2。当R增大时

A.I1减小,P1增大      B.I1减小,P1减小

C.I2增大,P2减小      D.I2增大,P2增大

 

试题详情>>

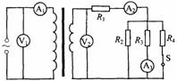
9.(2008年高考四川卷.理综.16)如图9所示,一理想变压器原线圈接入一交流电源,副线圈电路中R1、R2、R3和R4均为固定电阻,开关S是闭合的。椭圆: V1椭圆: V2为理想电压表,读数分别为U1和U2;  椭圆: A1椭圆: A2 和椭圆: A3为理想电流表,读数分别为I1、I2和I3。现断开S,U1数值不变,下列推断中正确的是(   )          图9

    A.U2变小、I3变小     B.U2不变、I3变大

    C.I1变小、I2变小     D.I1变大、I2变大  

 

试题详情>>

10.(2006年高考广东卷.物理.17)某发电站的输出功率为,输出电压为4kV,通过理想变压器升压后向80km远处供电。已知输电导线的电阻率为,导线横截面积为,输电线路损失的功率为输出功率的4%,求:

(1)升压变压器的输出电压;(2)输电线路上的电压损

 

M

试题详情>>

1.(海南省民族中学2009届高三上学期阶段测试卷.物理.8)

如图10甲所示的空间存在一匀强磁场,其方向为垂直于纸面向

里,磁 场的右边界为MN,在MN右侧有一矩形金属线圈abcd,

ab边与MN重合。现使线圈以ab边为轴按图示方向匀速转动,

N

图10甲

 

试题详情>>

 

 

 

 

 

 

 

 

试题详情>>

2.((2008学年广东越秀区高三摸底调研测试卷。物理.5)某交流发电机中,矩形金属线圈在匀强磁场中匀速转动,产生的感应电动势与时间的关系如图11所示.如果此线圈和一个R=100Ω的电阻构成闭合电路,不计电路的其它电阻,下列说法中正确的是(   )

试题详情>>

A.交变电流的周期为0.04s

试题详情>>

B.电阻R两端的最大电压是100V                     图11

C.交变电流的有效值为1A

D.交变电流的最大值为1A

 

试题详情>>

3.(江苏南通市2008届第三次调研卷.物理.7)某交流发电机给灯泡供电,产生正弦式交变电流的图象如图12所示,下列说法中正确的是(   )

试题详情>>

       A.交变电流的频率为0.02Hz

试题详情>>

B.交变电流的瞬时表达式为

试题详情>>

C.在t=0.01s时,穿过交流发电机线圈的磁通量最大    

试题详情>>

D.若发电机线圈电阻为0.4Ω,则其产生的热功率为5W   图12

 

试题详情>>

4.(江苏淮安、连云港、宿迁、徐州四市2008第三次调研卷.物理.10)今年春节前后,我国部分省市的供电系统由于气候原因遭到严重破坏。为此,某小区启动了临时供电系统,它由备用发电机和副线圈匝数可调的变压器组成,如图13所示,图中R0表示输电线的电阻。滑动触头P置于a处时,用户的用电器恰好正常工作,在下列情况下,要保证用电器仍能正常工作,则 (  )

试题详情>>

A.当发电机输出的电压发生波动使V1示数小于

正常值,用电器不变时,应使滑动触头P向上滑动

B.当发电机输出的电压发生波动使V1示数小于

正常值,用电器不变时,应使滑动触头P向下滑动            图13

C.如果V1示数保持正常值不变,那么当用电器增加时,滑动触头P应向上滑

D.如果V1示数保持正常值不变,那么当用电器增加时,滑动触头P应向下滑

 

试题详情>>

5.(江苏省九名校2008年第二次联考卷.物理.7)某电厂发电机的输出电压稳定,它发出的电先通过电厂附近的升压变压器升压,然后用输电线路把电能输送到远处居民小区附近的降压变压器,经降低电压后输送到用户,设升、降变压器都是理想变压器,那么在用电高峰期,白炽灯不够亮,但电厂输送的总功率增加,这时(     )

A.升压变压器的副线圈的电压变大  B.降压变压器的副线圈的电压变大

C.高压输电线路的电压损失变大    D.用户的负载增多,高压输电线中的电流减小

 

试题详情>>

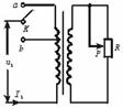
6.(山东省济南一中2009届高三月考试卷.物理.9)如图14所示,为一理想变压器,K为单刀双掷开关,P为滑动变阻器的滑动触头,U1为加在原线圈两端的电压,I1为原线圈中的电流强度,则(  )

A.保持U1及P的位置不变,K由a合到b时,I1将增大

B.保持U1及P的位置不变,K由b合到a时,R消耗的功率减小

C.保持U1不变,K合在a处,使P上滑,I1将增大

D.保持P的位置不变,K合在a处,若U1增大,I1将增大                 图14

 

试题详情>>

7.(山东省宁津一中2009届高三阶段测试卷.物理.10)一理想变压器的初级线圈为n1=100匝,次级线圈n2=30匝,n3=20匝,一个电阻为48.4Ω的小灯泡接在次级线圈n2与n3上,如图15所示.当初级线圈与e=220sinωt的交流电源连接后,变压器的输入功率是(  )

A.10W     B.20W     C.250W     D.500W                       图15

 

试题详情>>

8.(山东省青岛市2009届高三复习试题.物理.9)在变电站里,经常要用交流电表去监测电网上的强电流,所用的器材叫电流互感器。如图16所示的四个图中,能正确反应其工作原理的是   (    )

 

试题详情>>

9.(湖南郴州市2009届高三调研试题.物理.16)如图17所示,一矩形线圈在匀强磁场中绕OO' 轴匀速转动,磁场方向与转轴垂直.已知线圈匝数n=400,

试题详情>>

电阻r=0.1Ω,长L1=0.05m,宽L2=0.04m,角速度=l00 rad/s,

试题详情>>

磁场的磁感应强度B=0.25T.线圈两端外接电阻R=9.9Ω的用电器

和一个交流电流表(内阻不计),求:

(1)线圈中产生的最大感应电动势.

(2)电流表A的读数.                                       

 图17

(3)用电器上消耗的电功率.

 

试题详情>>

10.(2009届广东省新洲中学高三摸底考试试卷.物理.16)某发电站的输出功率P = 104kW,输出电压U1 = 4kV,通过理想变压器升压后向远处供电.已知输电导线的总电阻为R = 10Ω,输电线路损失的功率为输出功率的4%,求变压器的匝数比.

 

试题详情>>

11. (江苏徐州市2009届复习试卷.物理.17)在远距离输电时,要考虑尽量减少输电线上的功率损失。有一个坑口电站,输送的电功率为P=500kW,当使用U=5kV的电压输电时,测得安装在输电线路起点和终点处的两只电度表一昼夜示数相差4800度。求:

⑴这时的输电效率η和输电线的总电阻r。

⑵若想使输电效率提高到98%,又不改变输电线,那么电站应使用多高的电压向外输电?

 

试题详情>>

12.(  浙江省2008届高三第一轮复习单元测试题卷.物理.19 )如图19(甲)所示,边长为l和L的矩形线框互相垂直,彼此绝缘,可绕中心轴O1O2转动,将两线框的始端并在一起接到滑环C,末端并在一起接到滑环D,C、D彼此绝缘.通过电刷跟C、D连接.线框处于磁铁和圆柱形铁芯之间的磁场中,磁场边缘中心的张角为45°,如图19(乙)所示(图中的圆表示圆柱形铁芯,它使磁铁和铁芯之间的磁场沿半径方向,如图箭头所示)。不论线框转到磁场中的什么位置,磁场的方向总是沿着线框平面.磁场中长为l的线框边所在处的磁感应强度大小恒为B,设线框的电阻都是r,两个线框以角速度ω逆时针匀速转动,电阻R=2r.

试题详情>>

 

 

 

 

 

 

 

试题详情>>

(1)求线框转到图(乙)位置时感应电动势的大小;

(2)求转动过程中电阻R上的电压最大值;

试题详情>>

(3)从线框进入磁场开始时,作出0~T(T是线框转动周期)时间内通过R的电流iR随时间变化的图象。

 

(一)文字介绍

预测2009年高考中交变电流考点主要考查:一考查正弦交变电流的产生过程,正弦交变电流的产生过程要做到“情、数、形”三者相统一。“情”就是物理情景,即线圈在磁场中转动的情形;“数”就是用数学表达式表示交变电流的产生过程;“形”就是用图象表示交变电流的产生过程。在这三者中已知其一,便知其二。所以在高考中往往提供其中一种求另两种;二是考查交变电流的四值,交变电流的“四值”即最大值、瞬时值、有效值、平均值。一定要注意的各类值的不同用法,尤其是不同情况下的有效值计算是高考考查的主要内容;三是考查变压器的原理和动态分析;另外带电粒子在交变电场中运动和交变电流中与实际相联系的问题也要引起重视。

(二)考点预测题

试题详情>>

1.正弦交变电源与电阻R、交流电压表按照图 20所示的方式连接,R=10Ω,交流电压表的示数是10V,图21是交变电源输出电压u随时间t变化的图像.则  (    )

试题详情>>

A.通过R的电流iR随时间t变化的规律是

试题详情>>

B.通过R的电流iR随时间t变化的规律是

试题详情>>

C.R两端的电压uR随时间t变化的规律是(V)               

图20                      图21

试题详情>>

D.R两端的电压uR随时间t变化的规律是(V)

 

试题详情>>

2.磁铁在电器中有广泛的应用,如发电机.如图22所示,已知一台单相发电机转子导线框共有N匝,线框长为L1、宽为L2,转子的转动角速度为ω,磁极间的磁感强度为B,试导出发电机的瞬时电动势 E的表达式.现在知道有一种强永磁材料钕铁硼,用它制成发电机的磁极时,磁感强度可增大到原来的K倍.如果保持发电机结构和尺寸、转子转动角速度、需产生的电动势都不变,那么这时转子上的导线框需要多少匝?                                                   

 图22

 

 

试题详情>>

3.将硬导线中间一段折成不封闭的正方形,每边长为l,

它在磁感应强度为 B、方向如图23的匀强磁场中匀速转

动,转速为n,导线在a、b两处通过电刷与外电路连接,

外电路接有额定功率为P的小灯泡并正常发光,电路中

除灯泡外,其余部分的电阻不计,灯泡的电阻应为(    )

试题详情>>

A.    B.    C.     D.     图23

 

试题详情>>

 4.一个边长为6cm的正方形金属线框置于匀强磁场中,线框平面与磁场垂直,电阻为0.36磁感应强度B随时间t的变化关系如图24所示,则线框中感应电流的有效值为

试题详情>>

A.        B.   

试题详情>>

C.       D.              

                                                           图24

试题详情>>

5.钳形电流表的外形和结构如图25左(a)所示.图中电流表的读数为1.2A,.图25(b)中用同一电缆线绕了3匝,则()

试题详情>>

A.这种电流表能测直流电流,图(b)的读数为2.4A

试题详情>>

B.这种电流表能测交流电流,图(b)的读数为0.4A

试题详情>>

C.这种电流表能测交流电流,图(b)的读数为3.6A

D.这种电流表既能测直流电流,又能测交流电流,图(b)的读数为

试题详情>>

3.6A                                                      

 图25

 

试题详情>>

6.如图26所示,理想变压器原、副线圈匝数之比为20∶1,原线圈接正弦交流电源,副线圈接入“220 V,60 W”灯泡一只,且灯光正常发光。则

试题详情>>

A.电流表的示数为A        B.电源输出功率为1 200W

试题详情>>

C.电流表的示数为    A          D.原线圈端电压为11 V               

                                                               图26

 

试题详情>>

7.如图27所示电路中的变压器为理想变压器,S为单刀双掷开关。P是滑动变阻器R的滑动触头,U1为加在原线圈两端的交变电 压,I1、I2分别为原线圈和副线圈中的电流。下列说法正确的是  (      )

 A.保持P的位置及U1不变,S由b切换到a,则R上消耗的功率减小  

B.保持P的位置及U1不变,S由a切换到b,则I2 减小

C.保持P的位置及U1不变,S由b切换到a,则I1增大          

D.保持U1不变,S接在b端,将P向上滑动,则I1减小                    

图27

 

试题详情>>

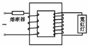
8.如图28所示,一个变压器(可视为理想变压器)的原线圈接在220V的交流电上,向额定电压为1.80×104V的霓虹灯供电,使它正常发光.为了安全,需在原线圈回路中接入熔断器,使副线圈电路中电流超过12mA时,熔丝就熔断.

试题详情>>

(1)熔丝的熔断电流是多大?                                

(2)当副线圈电路中电流为10mA时.变压器的输入功率是多大图28                                                           

 

试题详情>>

9.远距离输电线路的示意图如图29所示:若发电机的输出电压不变,则下列叙述中正确的是                               

A.升压变压器的原线圈中的电流与用户用电设备消耗的功率无关 

B.输电线中的电流只由升压变压器原副线圈的匝数比决定            图29

C.当用户用电器的总电阻减少时,输电线上损失的功率增大

D.升压变压器的输出电压等于降压变压器的输入电压

 

试题详情>>

10.学校有一台应急备用发电机,内阻为r=1Ω,升压变压器匝数比为1∶4,降压变压器的匝数比为4∶1,输电线的总电阻为R=4Ω,全校22个教室,每个教室用“220V,40W”的灯6盏,要求所有灯都正常发光,则:⑴发电机的输出功率多大?⑵发电机的电动势多大?⑶输电线上损耗的电功率多大?

 

试题详情>>

11.如图30所示,真空中相距d=5 cm的两块平行金属板A、B与电源连接(图中未画出),其中B板接地(电势为零),A板电势变化的规律如图31所示。

试题详情>>

将一个质量m=2.0×10-23 kg,电量q=+1.6×10-1C的带电粒子从紧临B板处释放,不计重力。求:

试题详情>>

   (1)在t=0时刻释放该带电粒子,释放瞬间粒子加速度的大小;

试题详情>>

(2)若A板电势变化周期T=1.0×10-5 s,在t=0时将带电粒子从紧临B板处无初速释放,

粒子到达A板时动量的大小;           图30                     图31

试题详情>>

 (3)A板电势变化频率多大时,在t=到t=时间内从紧临B板处无初速释放该带电粒子,粒子不能到达A板。   

 

试题详情>>

12.如图32所示,有真空速度为v=6.4×107m/s的电子束,连续地射入两平行板间,极板的长度为L=8.0×10-2m,间距为d=5.0×10-3m。两极板不带电时,电子束沿两极板之间的中线通过。在两极板上加一个50Hz的交流电压U=U0sinV,如果所加电压的最大值U0超过某个值Uc时,电子束将有时能通过两极板,有时不能通过。求:

(1)Uc的大小。

(2)U0为何值时才能通过时间Δt跟间断的时间

试题详情>>

Δt之比为=2:1?                           图32                                                               

 

试题详情>>

13.“二分频”音箱内有两个不同口径的扬声器,它们的固有频率分别处于高音、低音频段,分别称为高音扬声器和低音扬声器,音箱要将扩音机送来的含有不同频率的混合音频电,流按高、低频段分离出来,送往相应的扬声器,以便使电流所携带的音频信息按原比例还原成高、低频和机械振动,图33为音箱的电路图,高、低频混合电流容器    (    )

  A、甲扬声器是高音扬声器

  B、C2的作用是阻碍高频电流通过甲扬声器

  C、L1的作用是阻碍低频电流通过甲扬声器

  D、L2的作用是减弱乙扬声器的低频电流                        图33

试题详情>>

                                                                                                                     

1⒋曾经流行过一种向自行车车头灯供电的小型交流发电机,下面图34(1)为其结构示意图,.图中N、S是一对固定的磁极,abcd为固定在转轴上的                               图34

试题详情>>

矩形线框,转轴过bc边中点、与ab边平行,它的一端有一半径r0=1.0cm的摩擦小轮,                                            图34

小轮与自行车车轮的边缘相接触,如

试题详情>>

图34(2)所示.当车轮转动时,因摩擦而带动小轮转动,从而使线框在磁极间转动.设线框由N=800匝导线圈组成,每匝线圈的面积S=20cm2,磁极间的磁场可视作匀强磁场,磁感强度B=0.010 T,自行车车轮的半径 R1=35 cm,小齿轮的半径 R2=4 cm,大齿轮的半径R3=10.0cm(见图).现从静止开始使大齿轮加速转动,问大齿轮的角速度为多大才能使发电机输出电压的有效值U=3.2V?(假定摩擦小轮与自行车轮之间无相对滑动)

 

 

 

 

试题详情>>

15.如图35所示,某雷达站正在观察一飞机飞行,设飞机正对雷达站匀速飞来,从某一时刻发出一束电磁波,经收到反射波;隔4s后再发出一束电磁波,经收到反射波,求飞机的飞行速度?

 

试题详情>>

16.自然界中的物体由于具有一定的温度,会不断向外辐射电磁波,这种辐射因与温度有关,称为热辐射。热辐射具有如下特点:(1)辐射的能量中包含各种波长的电磁波;(2)物体温度越高,单位时间从物体表面积上辐射能量越大;(3)在辐射的总能量中,各种波长所占的百分比不同。处于一定温度的物体在向外辐射电磁能量的同时,也要吸收由其他辐射的电磁能量,如果它处在平衡状态,则能量保持不变。若不考虑物体表面性质对辐射与吸收的影响,我们定义一种理想的物体,它能100%的吸收射到其表面的电磁辐射,这样的物体称为黑体。单位时间内从黑体表面单位面积辐射的电磁波的总能量与黑全绝对温度的四次方成正比,即有P0=δ=5.67×10-8W/(m2・K4)。

在下面的问题中,把研究对象都简单地看做黑体。

有关数据有及数学公式:太阳半径RS=696 000km,太阳表面温度T=5 770K,火星半径r=3 395km,球面积S=4πR2,其中R为球半径。

(1)太阳辐射能量的绝大多数集中在波长为2×10-7~1×10-5m范围内,求相应的频率范围。

(2)每小时从太阳表面辐射的总能量为多少?

(3)火星受到来自太阳的辐射可以认为垂直射到面积为πr2(r为火星半径)的圆盘上,已知太阳到火星的距离约为太阳半径的400倍,忽略其他天体及宇宙空间的辐射,试估算火星的.

 

 

 

 

 

 

试题详情>>
关闭