1.天然放射现象的发现揭示了

A.原子具有复杂的结构               B.原子的核式结构

C.原子核具有复杂的结构             D.原子核由质子和中子组成

 

试题详情>>

2.图2所示为氢原子能级图,可见光的光子能量范围约为1.62eV~3.11eV。下列说法正确的是               

A.大量处在n>3的高能级的氢原子向n=3能级跃迁时,发出的光可能是紫外线

B.大量处在n=3的氢原子向n=2能级跃迁时,发出的光具有荧光效应

C.大量处在n=3能级的氢原子向n=1能级跃迁时,发出的光是红外线

D.处在n=3能级的氢原子吸收任意频率的可见光的光子都能发生电离

 

试题详情>>

3.如图所示的电路中,电池的电动势为E,内阻为r,电路中的电阻R1、R2和R3的阻值都相同.在电键S处于闭合状态下,

若将电键S1由位置1切换到位置2,则                             

试题详情>>

A.电压表的示数变大;     

B.电阻R2两端的电压变大;

C.电池内阻消耗的功率变大 ;

D.电源的总功率变小。 

 

 

 

试题详情>>

4.已知某星球和地球的密度相同,但该星球的半径是地球半径的2倍,甲、乙是两颗卫星,分别贴近该星球表面和地球表面围绕其做匀速圆周运动,则下列判断正确的是 (    )

A.甲、乙两颗卫星的加速度之比一定等于2: 1 

B.甲、乙两颗卫星所受的万有引力之比一定等于2: 1

C.甲、乙两颗卫星的线速度之比一定等于2: 1

D.甲、乙两颗卫星的周期之比一定等于1:1

 

试题详情>>

5.如图4所示,理想变压器原、副线圈的匝数比为k,输出端接有一交流电动机,其线圈的电阻为R。将原线圈接在正弦交流电源两端,变压器的输入功率为P0时,电动机恰好能带动质量为m的物体以速度v匀速上升,此时理想电流表A的示数为I。若不计电动机的机械能损耗,重力加速度为g,则下列说法正确的是    

A.电动机输出的机械功率为P0

B.变压器的输出功率为mgv

试题详情>>

C.副线圈两端电压的有效值为

试题详情>>

D.整个装置的效率为

试题详情>>

试题详情>>

6.某空间中存在一个有竖直边界的水平方向匀强磁场区域,现将

一个等腰梯形闭合导线圈,从图示位置垂直于磁场方向匀速拉

过这个区域,尺寸如右图所示,下图中能正确反映该过程线圈

中感应电流随时间变化的图象是                           

试题详情>>

 

 

 

 

 

 

 

 

 

试题详情>>

20090411

试题详情>>

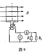
的角度匀速转动,电阻R1和R2

试题详情>>

阻值均为50,线圈的内阻忽略不计,若从图

示位置开始计时,则                                (    )

试题详情>>

       A.线圈中的电动势为

试题详情>>

       B.电流表的示数为A

试题详情>>

       C.电压表的示数为V

       D.R2上消耗的电功率为50W

试题详情>>

8.某研究性学习小组用加速度传感器研究物体从静止开始做直线运动的规律,得到了物体的加速度随时间变化的关系图线,如图6所示。已知物体的质量为1.0kg,则下列说法正确的是 

试题详情>>

A.物体在t =2.0s到t =4.0s这段时间内做匀减速直线运动

试题详情>>

B.不能从已知信息粗略估算出物体在t=3.0s时的速度

试题详情>>

C.不能从已知信息粗略估算出物体从t=1.0s到t=4.0s这段时间内所受合外力的冲量

试题详情>>

D.可以从已知信息粗略估算出物体从t=1.0s到t=4.0s这段时间内所受合外力对物体做的功

 

试题详情>>

9.一个质量为的物体以某一速度从固定斜面底端冲上倾角的斜面,其加速度

试题详情>>

,这物体在斜面上上升的最大高度为,则此过程中正确的是  

试题详情>>

A.动能增加                         B.重力做负功

试题详情>>

C.机械能损失了                  D.物体克服摩擦力做功    

 

试题详情>>

10.如图所示,在xOy坐标系中,将一负检验电荷q由y轴上的a点移至x轴上的b点时,需克服电场力做功W;若将q从a点移至x轴上c点时,也需克服电场力做功W。那么关于此空间存在的静电场可能是 

A.存在电场强度方向沿y轴负方向的匀强电场;

B.存在电场强度方向沿x轴正方向的匀强电场;

C.处于第I象限某一位置的正点电荷形成的电场中;

D.处于y轴上一对等量异种电荷形成的电场中。        

 

 

试题详情>>

11.如图,O是一固定的点电荷,另一点电荷P从很远处以初速度射入点电荷O的电场,在电场力作用下的运动轨迹是曲线MNabc是以O为中心,RaRbRc为半径画出的三个圆,RcRbRbRa。1、2、3、4为轨迹MN与三个圆的一些交点。以表示点电荷P由1到2的过程中电场力做的功的大小,表示由3到4的过程中电场力做的功的大小,则(  )

试题详情>>

A.=2           B.>2

C.PO两电荷可能同号      D.PO两电荷一定异号

试题详情>>

12.如图所示,质量均为M的物体A和B静止在光滑水平地面上并紧靠在一起(不粘连),A的ab部分是四分之一光滑圆弧,bc部分是粗糙的水平面。现让质量为m小物块C(可视为质点)自a点静止释放,最终刚好能到达c点而不从A上滑下。则下列说法中正确的是(    )

A.小物块C到b点时,A的速度最大

B.小物块C到c点时,A的速度最大

C.小物块C到b点时,C的速度最大

D.小物块C到c点时,A的速率大于B的速率

 

 

第Ⅱ卷(非选择题  共102分)

3-3模块: (题目略)

3-4模块:

试题详情>>

13.⑴(6分)两列相干波在同一水平面上传播,某时刻它们的波峰、波谷位置如图所示。图中M是波峰与波峰相遇点,是凸起最高的位置之一。回答下列问题:

①由图中时刻经T/4,质点M相对平衡位置的位移是  

②在图中标出的M、N、O、P、Q几点中,振动增强的点是       ;振动减弱的点是            

 

试题详情>>

(2)

以下判断正确的是

       A.在真空中,a光光速大于b光光速

       B.在真空中,a光波长大于b光波长

       C.a光通过棱镜的时间大于b光通过棱镜的时间

       D.a、b两束光从同一介质射入真空过程中,a光发生全

反射临界角大于b光发生全反射临界角

 

 

 

 

 

试题详情>>

14.(10分)有如下实验器材:

试题详情>>

干电池2节;标有“3V、1W”的小灯泡一个;最大阻值为50Ω的滑动变阻器一只;电键、导线若干。

某实验小组利用以上实验器材连成如图所示的电路,在闭合电键后发现小灯泡不亮。为了探究小灯泡不亮的原因,同学们进行了如下的检测。

试题详情>>

实验一:一位同学用多用电表的电压档进行检测。选择直流电压5V档,首先断开开关,红黑表笔分别接在a、d两点,表的示数接近3V;然后闭合开关,再测量a、d两点之间的电压,发现表的示数为2.6V,测量a、b两点之间的电压时,表的示数为零;测b、c两点的电压时,表的示数为2.4V;测c、d两点的电压时,表的示数接近0.2V。

实验二:另一位同学用多用电表的欧姆档(表盘中央刻度为20)进行测量。在对多用电表进行了正确的操作之后,断开开关,两表笔分别接在开关的左端和b点,表的示数为零;两表笔接在b、c两点,表的示数为30Ω左右;两表笔接在c、d两点,表的示数为3Ω左右;两表笔接在d点和电池的负极,表的示数为零。

20070319

a.                                                                       

b.                                                                      

c.                                                                      

   (2)实验二中“对多用电表进行了正确的操作”指的是              (填字母代号)

       A.将红、黑表笔分别插入“+”、“-”测试笔插孔

       B.将红、黑表笔分别插入“-”、“+”测试笔插孔

       C.将选择开关置于欧姆档的“×1”档

       D.将选择开关置于欧姆档的“×10”档

       E.将选择开关置于欧姆档的“×100”档

F.短接红、黑表笔,调整调零旋钮,使指针指在欧姆档的“0”刻度线处,然后断开表笔。

       G.短接红、黑表笔,调整调零旋钮,使指针指在电流表的“0”刻度线处,然后断开表笔。

   (3)“欧姆表的两表笔分别接在c、d两点,表的示数为3Ω左右”,而根据公式计算小灯泡的电阻是9Ω,其原因是                                                 

                                                                              

                                                                              

   (4)综合实验一和实验二可以判断小灯泡不亮的原因是            (填字母代号)

              A.小灯泡短路                                 B.小灯泡断路

              C.滑动变阻器短路                          D.滑动变阻器断路

              E.闭合开关后开关断路                   F.电源的内阻太大

              G.电源的电动势远小于正常值        H.滑动变阻器接入电路的电阻太大

试题详情>>

15.(10分)如图所示,是某研究性学习小组做探究“橡皮筋做的功和物体速度变化的关系”的实验,图中是小车在一条橡皮筋作用下弹出,沿木板滑行的情形,这时,橡皮筋对小车做的功记为W. 当我们用2条、3条……完全相同的橡皮筋并在一起进行第2次、第3次……实验时,每次橡皮筋都拉伸到同一位置释放. 小车每次实验中获得的速度由打点计时器所打的纸带测出.

 

 

 

 

 

 

 

 

 

 

(1)除了图中的已给出的实验器材外,还需要的器材有                   

(2)实验时为了使小车只在橡皮筋作用下运动,应采取的措施是               

(3)每次实验得到的纸带上的点并不都是均匀的,为了测量小车获得的速度,应选用纸带的

                 部分进行测量;

试题详情>>

(4)下面是本实验的数据记录表,请将第2次、第3次……实验中橡皮筋做的功填写在对应的位置;

 

橡皮筋做的功

10个间隔的距离S(m)

10个间隔的时间T(s)

小车获得的速度vn(m/s)

小车速度的平方vn2(m/s)2

1

W

试题详情>>

0.2

 

 

2

 

试题详情>>

0.2

 

 

3

 

试题详情>>

0.2

 

 

4

 

试题详情>>

0.2

 

 

5

 

试题详情>>

0.2

 

 

试题详情>>

 

(5)从理论上讲,橡皮筋做的功Wn和物体速度vn变化的关系应是Wn       . 请你运用数据表中测定的数据在下图所示的坐标系中作出相应的图象验证理论的正确性;

(6)若在实验中你做出的图线与理论的推测不完全一致,你处理这种情况的做法是:                   

                                              .

 

试题详情>>

16.(12分)(1)已知金属铯的逸出功为1.9eV,在光电效应实验中,要使铯表面发出的光电子的最大功能为1.0eV,入射光的波长应为多少m?(普朗克常量h=6.63×10-34J●S)

试题详情>>

(2)某发电站的输出功率为,输出电压为4kV,通过理想变压器升压后向80km远处供电。已知输电导线的电阻,输电线路损失的功率为输出功率的4%,求:

(1)升压变压器的输出电压;

(2)输电线路上的电压损失。

(答案写在答题卷)

 

试题详情>>

17.(14分)在甲图中,带正电粒子从静止开始经过电势差为U的电场加速后,从G点垂直于MN进入偏转磁场。该偏转磁场是一个以直线MN为上边界、方向垂直于纸面向外的匀强磁场,磁场的磁感应强度为B,带电粒子经偏转磁场后,最终到达照相底片上的H点.测得G、H间的距离为 d,粒子的重力可忽略不计。

试题详情>>

(1)设粒子的电荷量为q,质量为m,试证明该粒子的比荷为:

(2)若偏转磁场的区域为圆形,且与MN相切于G点,如图乙所示,其它条件不变。要保证上述粒子从G点垂直于MN进入偏转磁场后不能打到MN边界上(MN足够长),求磁场区域的半径应满足的条件。

 

(答案写在答题卷)

 

试题详情>>

18.(14分) 如图所示,斜面轨道AB与水平面之间的夹角θ=53OBD为半径R = 4 m的圆弧形轨道,且B点与D点在同一水平面上,在B点,轨道AB与圆弧形轨道BD相切,整个轨道处于竖直平面内且处处光滑,在A点处的一质量m=1kg的小球由静止滑下,经过BC点后从D点斜抛出去,最后落在地面上的S点处时的速度大小vS= 8m/s,已知A点距地面的高度H = 10mB点距地面的高度h =5 m,设以MDN为分界线,其左边为一阻力场区域,右边为真空区域,g10m/s2

   (1)小球经过B点的速度为多大?

   (2)小球经过圆弧轨道最低处C点时对轨道的压力多大?

   (3)小球从D点抛出后,受到的阻力f与其瞬时速度方向始终相反,求小球从D点至S点的过程中,阻力f所做的功.在此过程中小球的运动轨迹是抛物线吗?

 

(答案写在答题卷)

试题详情>>

19.(16分)如图13所示,一半径为r的圆形导线框内有一匀强磁场,磁场方向垂直于导线框所在平面,导线框的左端通过导线接一对水平放置的平行金属板,两板间的距离为d,板长为l,t=0时,磁场的磁感应强度B从B0开始均匀增大,同时在板2的左端且非常靠近板2的位置有一质量为m、带电量为-q的液滴以初速度v0水平向右射入两板间,该液滴可视为质点。

(1)要使该液滴能从两板间射出,磁感应强度随时间的变化率K应满足什么条件?

(2)要使该液滴能从两板间右端的中点射出,磁感应强度B与时间应满足什么条件?

试题详情>>

 

(答案写在答题卷)

 

试题详情>>

20.(16分)有一长度为l = 1m的木块A,放在足够长的水平地面上。取一无盖长方形木盒B将A罩住,B的左右内壁间的距离为L = 3m。A、B质量相同,与地面间的动摩擦因数分别为uA= 0.1和uB = 0.2。开始时A与B的左内壁接触,两者以相同的初速度v0 =18m/s向右运动。已知A与B的左右内壁发生的碰撞时间极短,且不存在机械能损失,A与B的其它侧面无接触。求:

⑴开始运动后经过多长时间A、B发生第一次碰撞;

⑵第一次碰撞碰后的速度vA和vB

试题详情>>

⑶通过计算判断A、B最后能否同时停止运动?若能,则经过多长时间停止运动?若不能,哪一个先停止运动?

⑷若仅v0未知,其余条件保持不变,要使A、B最后同时停止,而且A与B轻轻接触(即无相互作用力),则初速度v0应满足何条件?(只需给出结论,不要求写出推理过程)

(答案写在答题卷)

试题详情>>

文本框: 班别____________    姓名____________    座号___________答题卷

题号

1

2

3

4

5

6

7

8

9

10

11

12

答案

 

 

 

 

 

 

 

 

 

 

 

 

试题详情>>

13.⑴(6分)①            。②                           。(2)(4分)              。

试题详情>>

*14.(10分)a.                                                                 

b.                                                                      

c.                                                                       

(2)            。 (3)                                                    

                                                                              

                                                            (4)           

试题详情>>

15.(10分)(1)                     

(2)                                    

                                       

(3)                          

(4)                            

(5)Wn         .在右边坐标系中作图。

(6)                                

                                     .

试题详情>>

16.(12分)

 

 

 

 

 

 

 

 

 

 

 

 

 

 

 

 

试题详情>>

17.(14分)

 

试题详情>>

 

 

 

 

 

 

 

 

 

 

 

 

试题详情>>

18.(14分)

试题详情>>

 

 

 

 

 

 

 

 

 

 

 

 

 

 

试题详情>>

19.(16分)

 

 

 

 

 

 

 

 

 

 

 

 

 

 

 

 

 

 

 

 

 

 

 

 

 

 

 

 

 

 

 

 

 

 

 

 

 

试题详情>>

文本框: (密 封 线 内 不 能 答 题)20.(16分)

 

 

 

 

 

 

 

 

 

 

 

 

 

 

 

 

 

 

 

 

 

 

 

 

 

 

 

 

 

 

 

 

 

 

 

 

 

 

2008--2009学年高三下学期物理模拟测试十二

试题详情>>
关闭