1.诗词是民族灿烂文化中的瑰宝。下列著名诗句中隐含有化学变化的是【    】

A.千里冰封,万里雪飘                 B.白玉为床,金作马

C.夜来风雨声,花落知多少             D.粉骨碎身浑不怕,要留清白在人间

试题详情>>

2.家庭厨房实际上就是一个化学世界,“柴米油盐酱醋糖”等都是化学物质,下列说法错误的是【    】

A.切完咸菜后,尽快将菜刀洗净擦干    

B.家庭中熬骨头汤时,加入少量食醋可以增加汤中的钙质

试题详情>>

6ec8aac122bd4f6eC.用纯碱代替洗洁精清洗油污 

D.用福尔马林(甲醛溶液)保鲜鱼肉等食品

试题详情>>

3.如右图所示是甲、乙两种固体物质的溶解度曲线。下列说

法正确的是【    】

   A.a物质的溶解度为50g

B.t1时,a、c两物质的溶解度相等

C.升高温度可使不饱和的a溶液变为饱和溶液

D.c物质的溶解度随温度的升高而增大

试题详情>>

6ec8aac122bd4f6e4.下表是元素周期表的一部分,则下列回答正确的是【    】

 

试题详情>>

6ec8aac122bd4f6e

A.13号元素的离子符号是Al+3              B.氯原子的核外电子排布是

C.表中左边是非金属元素、右边是金属元素 D.磷元素的相对原子质量为15

试题详情>>

5.金(Au)、银(Ag)、铜(Cu)曾长期作为货币金属进行流通,我国有着悠久的金属货币历史和丰富的货币文化。下列关于金、银、铜三种金属的说法中,不正确的是【    】

A.金、银、铜都属于不活泼金属   

B.单质铜可将银从硝酸银溶液中置换出来

   C.三种金属原子失去电子能力的大小顺序为:金>银>铜

D.黄铜(为铜、锌合金)貌似黄金,有人以此冒充黄金行骗,其真伪可用稀盐酸鉴别

试题详情>>

6ec8aac122bd4f6e6.向一定质量的稀盐酸中加入镁粉至过量,若右边图像中横坐

标表示镁粉的质量,则纵坐标表示【    】

   A. 溶液的质量            B. 稀盐酸的质量   

C. 氯化镁的质量          D. 生成气体的质量

试题详情>>

7.化学学科的思维方法有多种,其中推理是常用的思维方法。以下推理正确的是…【    】

A.氧化物中都含有氧元素,所以含有氧元素的化合物一定是氧化物

B.中和反应的产物是盐和水,但是生成盐和水的反应不一定是中和反应

C.碱的溶液pH>7,则pH>7的溶液一定是碱的溶液

D.二氧化碳通入紫色石蕊试液后溶液变红,说明二氧化碳具有酸性

试题详情>>

8.下列物质的用途,所利用的性质与另外三种有根本区别的是【    】

A.氢气用于填充气球                     B.干冰用于人工降雨

C.镁粉用做烟花和照明弹                 D.生铁铸造铁锅

试题详情>>

9.2008年世界环境日的主题是“转变传统观念,推行低碳经济”。世界环境日将重点关注如何促进建立低碳经济体系和生活方式,以减少温室气体的排放。下列措施不可行的是【    】

A.提高能源效率      B.寻找替代能源    C.焚烧作物秸秆    D.保护森林

试题详情>>

10.用分子的观点解释下列现象,不合理的是【    】

A.铁轨生锈 ―  分子本身发生了变化     B.酒精挥发 ― 分子大小发生了变化

C.热胀冷缩 ―  分子间间隔改变         D.闻香辨茶 ― 分子在不停的运动

试题详情>>

11.“神舟七号”载人航天飞船发射成功,极大地增强了我们的民族自豪感。在航天飞船的失重环境中,下列实验操作最难完成的是【    】

A.结晶             B.蒸发            C.溶解            D.过滤

试题详情>>

12.学习理化的目的是运用理化知识解释日常生活中的现象,分析和解决生产生活中的实际问题。下列说法中你认为错误的是【    】

A.木炭放入冰箱除去异味是利用了木炭的吸附性

B.油罐车的尾部装有一条拖在地面上的铁链是为了释放摩擦产生的静电

C.夏天,铜制眼镜架表面出现的绿色物质[主要成分Cu2(OH)2CO3],可用稀盐酸除去

D.电路中的保险丝熔断后,换用了更粗的保险丝

试题详情>>

13.当三峡大坝最后一仓混凝土(成分中含有氧化钙)开始浇筑时,为了防止浇筑过程中混凝土水化放出的热量使坝体温度升高,技术人员在仓内埋设了许多管道,一旦温度升高,则通水冷却。下列说法中不正确的是【    】

A.混凝土的水化过程包含化学变化       B.水的比热容大可以用水冷却降温

C.混凝土的水化过程吸收热量           D.钢筋混凝土是复合材料

试题详情>>

14.以下是同学们设计的几个实验方案,你认为能达到预期目的的是【    】

A.用12mL蒸馏水和20mL酒精配制32mL酒精溶液

B.用红色或蓝色的石蕊试纸均可以验证醋酸具有酸性

C.用电解水生成氢气和氧气的事实,证明氢气是未来最理想的能源物质

D.用托盘天平、烧杯、玻璃棒、量筒、胶头滴管、药匙等仪器配制一定温度下16%的硝酸钾溶液

试题详情>>

15.下列数据中合理的是【    】

    A.家用台灯正常工作时的电流是1A      B.短跑运动员的速度可达36m/s

    C.地球的半径约为6400m               D.举重运动员的举力可达5000N

试题详情>>

16.从下列图像得到的信息中,错误的是【    】

A.图甲说明物体所受的重力跟它的质量成正比

B.图乙表示水的体积随温度的升高而减小

C.图丙说明该物质是晶体

试题详情>>

6ec8aac122bd4f6eD.图丁警示我们近五年来人类能源消耗急剧增长

 

 

 

甲 重力随质量的变     乙 水体积随温度    丙 物体熔化时温度随    丁 全球能量消耗

化关系               的变化关系         时间的变化关系           的趋势

试题详情>>

6ec8aac122bd4f6e17.在探究凸透镜成像规律的实验中,当烛焰、凸透镜、光

屏处于如右图所示的位置时,恰能在光屏上得到一个清

晰的像。利用这一成像原理可以制成…………【    】

    A.照相机   B.幻灯机    C.放大镜   D.潜望镜 

试题详情>>

18.下面关于力学现象的解释中,正确的是【    】

A.大力士不能凭空把自己举起来,说明力是使物体运动的原因

B.物体在空中自由下落,速度越来越快,说明力是改变物体运动状态的原因

C.汽车上坡,没有向上的推力或拉力,车会向下运动,说明车此时没有惯性

D.球在草地上越滚越慢,说明力的作用效果只能改变物体运动速度的大小

试题详情>>

6ec8aac122bd4f6e19.下列关于电磁现象的说法中,正确的是【    】

A.通电导体在磁场中受力方向只与电流的方向有关

B.玩具电动车的电动机是利用电磁感应现象工作的

C.闭合电路的部分导体在磁场中运动时,就会产生感应电流

D.发电机工作时,将机械能转化为电能

试题详情>>

20.在棋类比赛中,比赛现场附近的讲棋室内所用的棋盘是竖直放置的,棋子可以在棋盘上移动但不会掉下来。原来,棋盘和棋子都是由磁性材料制成的。棋子不会掉落的原因是因为棋子【    】

A.受到的重力很小可忽略不计       B.和棋盘间存在很大的吸引力

C.受到棋盘对它向上的摩擦力       D.受到的空气的浮力等于重力

试题详情>>

21.下列设备与电磁波的应用有关的是【    】

    A.磁悬浮列车     B.电动机       C.移动通讯网       D.电磁起重机

试题详情>>

6ec8aac122bd4f6e22.如右图所示的电路中,电源电压恒定。闭合开关S,调节

滑动变阻器使小灯泡L正常发光;若再断开开关S,要使

小灯泡L仍正常发光,应将滑动变阻器的滑片【    】

    A.向a端移动                     B.向b端移动

    C.保持不动                       D.无法判断

 

卷Ⅱ(非选择题  共76分)

试题详情>>

23.(3分)右图是一只潜水艇模型。为使潜水艇下沉,则必须从

进排气管处         (吹气/吸气),潜水艇在下沉的过程中

所受到水的压强       ,浮力      (减小/不变/增大)。

试题详情>>

24.(4分)请你运用所学物理知识指出下列“特异功能”的真相:

(1)现象:气功师躺在布满钉子的钉板上安然无恙。真相:                    

(2)现象:表演者从沸腾的油锅中取物,

物质

酒精

植物油

密度(g/cm3

试题详情>>

0.9

沸点(℃)

约35

75

约280

 

还渗有右表中的          ,因为它具

                       的属性。

试题详情>>

6ec8aac122bd4f6e25.(4分)我们观察到水中的鱼和水中的云,它们形成的原因,前者是由于光的______而形成的______像(选填“虚”或“实”);后者是由于光的________而形成_______的像(选填“虚”或“实”)。

试题详情>>

26.(2分)如右图,水平传送带正将高邮“珠光”大米从

车间运送到粮仓。重500N的一袋大米静止放到传送

带上,米袋先在传送带上滑动,稍后与传送带一起匀

试题详情>>

速运动,米袋滑动时受到的摩擦力大小是重力的0.5倍。米袋在滑动时受到的摩擦力方向向     ,随传送带一起匀速运动时受到的摩擦力大小为     N。

试题详情>>

27.(3分)三峡水电站是世界上最大的水力发电站,年均发电量预计为8.5×1010kW・h,这些电能将送往江苏、上海等九省市,所以人们说“三峡可‘照亮’半个中国”。专家介绍:三峡水电站的年发电量相当于一个每年消耗5×1010kg煤的火力发电站的年发电量,而且是廉价、清洁、可再生的能源。(1 kW・h=3.6×106J)

试题详情>>

(1)已知煤的热值为6ec8aac122bd4f6eJ/kg,则6ec8aac122bd4f6ekg煤完全燃烧将放出______J的热量。

试题详情>>

(2)向大气中排放过量的二氧化碳等温室气体是造成“温室效应”的主要原因。三峡水电站与同等供电量的火力发电站相比,每年将少排放二氧化碳1.2×1011kg,已知在通常情况下二氧化碳气体的密度是1.98kg/m3,则这些二氧化碳气体在通常情况下的体积约为___m3

试题详情>>

6ec8aac122bd4f6e(3)设火力发电站在单位时间内产生的电能为E,它在这段时间内所消耗的燃料完全燃烧所产生的热量为Q,则火力发电站的效率η=  ×100%。根据上述资料,可估算出通常的火力发电站的效率约为______。

试题详情>>

6ec8aac122bd4f6e28.(2分)神七飞天,举国欢庆。

(1)目前我国采用如右图所示的方法训练航天员,

以适应太空生活。在水中感觉自己几乎不受重力

作用的原因是    

A.容器的支持力与重力平衡 

B.重力与浮力几乎达到平衡  C.浮力远大于重力

试题详情>>

(2)专业训练的魔术师大卫・布莱恩在水族馆玻璃缸中生活了177小时。布莱恩生活的玻璃缸呈球形,容积约为7.5m3,盛满水,他的身体浸没水中,与外界有两根管子相连,其中一根是导尿管,一根供呼吸。如果布莱恩将呼出的CO2气体全部排入玻璃缸内的水中,则水的pH值将会变小,其主要原因是(用化学方程式表示)                

试题详情>>

29.(4分)化学与生产生活、社会热点紧密联系。

(1)生活离不开水。下列各种水中,纯度最高的是        

A.河水         B.海水         C.自来水       D.蒸馏水

(2)小明家是种植蔬菜的专业户,最近父母发现他家的蔬菜叶色浅绿、基部老叶变黄,干燥时呈褐色。学习了初三化学的明告诉父母这是缺氮的表现,建议父母应该去买的化肥的是          。(填字母)

A.碳酸氢铵[NH4HCO3]    B.硫酸钾[K2SO4]    C.磷矿粉 [Ca3(PO4)2]

(3)为防止钢坯在高温烘烤和轧制过程中表面被氧化,造成铁损耗,可在钢坯表面涂上一层纳米硅酸盐涂料。这种涂料应具有的化学性质是                    

(4)随着科技的发展,航天员的食物也开始讲究色香味俱全,我国神七上的航天员有近80种食品可选,盛装食品的是经过特别设计的聚乙烯塑料盒。聚乙烯塑料属于        材料。

试题详情>>

30.(2分)模型是科学研究中一种常用的方法,它可以帮助人们认识

试题详情>>

6ec8aac122bd4f6e和理解一些不能直接观察到的事物。右图形象地表示了在一定条

件下,某化学反应前后反应物与生成物分子及其数目的变化,其

试题详情>>

6ec8aac122bd4f6e 表示氢原子,用6ec8aac122bd4f6e表示氧原子。

则该反应的化学方程式为                       

该反应的基本反应类型是                       

试题详情>>

31.(6分)学习化学要求熟悉物质的性质以及物质

试题详情>>

6ec8aac122bd4f6e之间的相互转化。右边框图中的物质均为初中

化学中的常见物质,其中甲、乙、丙、丁、戊

均为单质,常温下,丁为黑色固体,戊为紫红

色金属。农业上常用F改良酸性土壤。常温下,

G是一种具有刺激性气味的气体,其水溶液显

碱性,工业上用甲和丙化合制备G。

(1)写出下列字母所代表物质的化学式:A          E            F          

 G          H         

(2)写出高温条件下B分解为C和D的化学方程式:                           

试题详情>>

6ec8aac122bd4f6e32.(3分)下图是安装一盏电灯和一个大功率插座的实物示意图,A、B为保险丝,请在图上画出连接线。

 

 

 

 

 

试题详情>>

33.(5分)以下是同学们做过的一些实验情景图,请你分析这些实验现象得出结论。

试题详情>>

6ec8aac122bd4f6e

 

 

 

 

 

(1)图1中,闭合开关,小磁针发生偏转,说明                             

(2)图2中,当电风扇工作时,空气会由静止流动起来,这说明力能           

                ,同时小车将向右运动,原因是                            

(3)图3中,将两滴等量的水分别滴在相同的两块玻璃板上,其中被加热的水滴先消失,说明                                                            

(4)图4中,打开收音机的开关,将旋钮调到没有电台的位置,并将音量开大,从一节干电池的负极引出一根电线与一个铁锉相连,正极引出一根导线在铁锉上来回滑动,收音机会发出喀喀声,说明:                                         

试题详情>>

6ec8aac122bd4f6e34.(4分)兰兰和芳芳运用如右图所示的实验装置测定了滑轮组的机械

效率,在全班交流实验时,老师提出:如果各滑轮组所用滑轮和串

绕绳子的方式不变,改变其他因素,是否会影响它的机械效率呢?

大家积极思考,提出了下列两个猜想: 

   猜想1:可能与匀速提升的速度大小有关;      .

   猜想2:可能与被提升的钩码重力有关;   

    兰兰和芳芳分别根据各自的猜想进行了探究,实验记录如下表:   

物理量

控制因素

钩码重/N

绳端拉力/N

机械效率

大致相同速度提升

10

试题详情>>

79.4ㄇ

15

试题详情>>

6.0

 

探究结果

 

    兰兰的实验记录:

   芳芳的实验记录:

物理量

控制因素

钩码重/N

绳端拉力/N

机械效率

较小的提升速度

10

试题详情>>

79.4ㄇ

较大的提升速度

10

试题详情>>

79.4ㄇ

探究结果

 

(1)请帮助兰兰完成表中的一项计算。

(2)请根据她们的实验记录,分别在表中写出探究结果。

(3)归纳她们的实验探究,你所得的结论是:                              

试题详情>>

6ec8aac122bd4f6e35.(6分)某工厂装配车间有一个阻值恒定的电阻元件R1,其上标有“1#V,6W”字样,其中额定电压值不清,估计在10V~19V之间,若要正

确使用这个元件,需找出它的额定电压值。现在实验室

中有以下实验器材:一个蓄电池(电压约6V),一只电

流表A(量程:0~0.6A,0~3A),一个定值电阻R0

两个开关,导线若干。请你利用上述器材,通过实验测

量,找出此元件的额定电压值。

试题详情>>

(1)猜想与假设:根据学过的欧姆定律I6ec8aac122bd4f6e、电功率公式PUI,又因为元件的阻值恒定不变,所以只要测出该元件的电阻,即可计算出它的额定电压值;

(2)设计实验:①因该元件的额定电流不超过_________A,为较准确地测量,电流表的量程应选:              。②请在右上方的方框中画出你设计的实验电路图;

(3)进行实验:按照你设计的电路图,补全下列实验步骤,并写出实验中需要测量的物理量(用字母表示);

a.连接电路;b.                                                       

    c.                                               ;d.断开电路,整理器材。

(4)分析与论证:用测得的物理量和已知物理量表示计算电阻元件额定电压的公式为: U=__________________________。

试题详情>>

36.(5分)某小组在探究木炭的还原性时,发现实际操作中,采用氧化铜粉末对实验效果有很大影响,小明同学对木炭还原氧化铜的实验进行了改进,其操作步骤如下:

试题详情>>

文本框: 澄清石灰水6ec8aac122bd4f6e①取一片长约7~8cm,宽约1cm的铜片,把表面可能存在

的氧化物用砂纸除去使其表面呈光亮的紫红色;

②用洒精灯将上述铜片烧到红热后,立即伸入到集满氧气

的集气瓶中,观察到的现象为:铜片表面变成        色;

③在一支干燥的大试管中装入一定量的经烘干处理过的木

炭粉,再将经过②处理过的铜片部分埋入木炭粉中;

④按照右图所示的装置图连接好各种仪器;

⑤加热大试管,其中发生的反应的化学热方程式为:                         

当观察到澄清石灰水          后,先移走导管,后停止加热;

⑥待试管冷却后,用镊子取出铜片,洗净后观察。

根据上述实验步骤,回答下列问题:

(1)填写上述各空。

(2)⑤中“先”、“后”颠倒,造成的后果是:                               

(3)⑥中观察到的现象是:铜片表面埋入木炭粉的部分                        

试题详情>>

6ec8aac122bd4f6e37.(5分)小婧同学做硫在氧气中燃烧的实验前,预先在集气瓶底装有少

量水。实验过程中她联想到老师介绍过二氧化硫排放到空气中会形成

酸雨,于是想了解燃烧后集气瓶底部残留的“水”是否也呈酸性。她

取“水”多次测其pH值,发现其pH值始终小于7并逐渐减小,直至稳

定在pH = 4,证明集气瓶底残留液呈酸性。小婧同学想进一步探究酸

雨的危害。设计了如右图所示的实验装置,请你和她一起完成:

   【进行实验】(完成表格)

实验步骤

实验现象

试题详情>>

1.检查装置气密性

 

试题详情>>

2.点燃硫粉,迅速插入集气瓶中,然后塞紧橡皮塞

试题详情>>

3.火焰熄灭后,振荡

pH试纸

pH试纸变成橙红色,则pH   

7(填“大于”或“小于”)。

树叶

                            

镁条、大理石

                            

试题详情>>

4.实验完成后用注射器注入饱

和的石灰水振荡

 

【反思评价】小婧同学在酸雨模拟实验中,第4步操作的目的是:               

                                                                       

【推广应用】根据上述实验,请联系实际生活,说明酸雨可能对环境造成的破坏:

                                                                      

试题详情>>

38.(5分)李华所在的课外小组要测定某石灰石中碳酸钙的质量分数(杂质不参与反应),他向6.0g石灰石样品中逐滴加入稀盐酸至不再产生气泡为止,共生成二氧化碳气体1.11L(该条件下二氧化碳气体的密度为1.977g/L)。请你帮李华计算:

试题详情>>

(1)该反应生成二氧化碳的质量为         g;(精确到0.1g

试题详情>>

(2)该石灰石样品中碳酸钙的质量分数为多少。(写出计算过程,结果精确至0.1%)

 

 

 

 

 

 

试题详情>>

39.(7分)电动自行车很受大家喜爱,下表是某种型号电动自行车的相关数据:

自行车质量

m(kg)

工作电压

U(V)

行驶速度

v(m/s)

电能转化为机

械能的效率

骑车人质量为60kg时的平均阻力ƒ(N)

35

36

≤10

75%

20

若某骑车人的质量是60kg,在10min内连续行驶3km,根据相关信息求:

(1)在这段时间内,电动自行车行驶的平均速度;

(2)该电动自行车的最大有用功率;

(3)电动自行车以最大速度行驶过程中电动机的工作电流。(保留一位小数)

 

试题详情>>

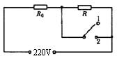
40.(6分)电饭锅工作时有两种状态:一是锅内水烧干前的加

热状态,二是水烧干后的保温状态。下图为某型号“220 V

1100 W”电饭锅的简易原理图。已知R=1956Ω。

求:(1)电阻R0的阻值;

  (2)接通档“1”时,电饭锅处于_______状态(选填“保温”或“加热”),此时电路的总功率为多大?

试题详情>>

  (3)如果用该电饭锅来烧水,其放出的热量全部被水吸收,问需多少分钟可将2.2 kg

初温为20℃的水烧开?(设1标准大气压下)

 

 

 

 

试题详情>>
关闭