1、密度的计算公式ρ=          变形公式m=        v=        

试题详情>>

2、压强的计算公式p=        (适用于所有压强)  p=        (适用于液体压强和密度均匀的柱体对水平面的压强)

试题详情>>

3、计算浮力的公式有:(1)F = G       (适用于知道液体密度和能知道排开液体的体积时)(2)F      (适用于知道物重和弹簧测力计的示数时,探究实验中用得较多) (3)F       (适用于漂浮和悬浮的物体)(4)F         (适用于知道压力的题目中)

试题详情>>

1、有关密度的计算

试题详情>>

例1、一个容器装满水,总质量为65克,将30克的沙子投入容器中,有水溢出,此时容器及水、沙子的总质量为83克,求沙的密度?

 

 

 

 

 

 

针对性练习:

试题详情>>

1、质量0.9千克的水结成冰后,体积增大了0.1升,求:(1)冰的质量是多少?(2)冰的密度是多少?

 

 

 

 

 

 

试题详情>>

2、纯酒精的密度是0.8×103 Kg/m3 ,某工厂生产的酒精要求含水量不超过10%,用抽测密度的方法来检验,则合格产品的密度应在什么范围之内?

 

 

 

 

 

 

试题详情>>

2、有关压强的计算

试题详情>>

例2、如图1所示,一梯形截面容器重10N,容器底面积是200cm2 , 倒入4 Kg水的高度是30cm。(g=10N/Kg )求:(1)容器底所受水的压强(2)容器底所受水的压力(3)容器对桌面的压强                                                               

试题详情>>

               

针对性练习:

试题详情>>

1、通常情况下,物体压在同样的泥地上,如果压强相同则压痕深度相同。野生动物调查员在泥地上发现黑熊刚留下的足印,为了估算黑熊的质量,他把底面积为10 cm2  的容器放在足印旁边的泥地上,再慢慢往容器中倒沙子,直到泥地上出现和黑熊足印相同的痕迹,测出此时装了沙子的容器总质量为1.25Kg,g=10N/Kg ,求:(1)装了沙的容器对泥地的压强(2)量出黑熊与地接触的足印痕总面积共800cm2,估算黑熊的质量有多大?

 

 

 

 

 

 

 

 

 

试题详情>>

2、在日常生活中,为了提高烹煮食物的温度,缩短烹煮的时间,人们利用水的沸点随气压的升高而升高的性质制造出了高压锅。某种规格的高压锅出气口的直径为3.2mm,计算出它的面积为8mm2 ,要使锅内气压达到2个标准大气压,请计算该高压锅应配的限压阀的质量为多少克?(外界气压为1标准大气压,1标准大气压取105 Pa,g=10N/Kg )

 

 

 

 

 

 

 

 

 

试题详情>>

3、有关浮力的计算

试题详情>>

例3、将重为4.5N,体积为0.5dm3的铜球浸没在水中后放手,铜球静止后受到的浮力为多少?

 

 

 

 

 

针对性练习:

试题详情>>

1、如图2所示的是棱长为0.1m的立方体铝块,它的每个正方形表面的面积是(  )m2 ,如果它下表面受到水向上的压力是20N,下表面受到水的压强是(  )Pa,上表面受到水的压强是(   )Pa,上表面受到水向下的压力是(  )N,铝块受到水的浮力是(   )N 。(g=10N/Kg)

试题详情>>

2、用手将一重为6N的物体全部压入水中,物体排开的水重为10N,此时物体受到的浮力为          N;放手后物体将            (填“上浮”、“下沉”或“悬浮”),待物体静止时所受浮力为            N。

试题详情>>

3、古人称黄河水是“一石水,六斗泥”。创意中学综合实践小组从黄河中取了2×10-3m3的水,称得质量为2.2kg,由此可知含泥沙的黄河水的密度为      kg/m3。一条货船在黄河中航行时,浸在水中的体积是30m3。船受到的浮力为       N。在码头将货物卸下后,河水对船底压强大小的变化情况是           (本题g取10 N/kg)。

试题详情>>

4、密度、压强及浮力的综合计算

试题详情>>

例4、质量为1.5kg的木块,漂浮在水面上,有2/5的体积露出水面则木块所受的浮力为多少?木块的密度为多少?

 

 

 

 

 

 

试题详情>>

例5、(厦门市2006)在弹簧测力计下挂一圆柱体,从盛水的烧杯上方某一高度缓慢下降,圆柱体浸没后继续下降,直到圆柱体底面与烧杯底部接触为止,如图17所示是圆柱体下降过程中弹簧测力计读数F随圆柱体下降高度h变化的图像。求:

(1)分析图像可知,圆柱体重力是________N;

(2)圆柱体浸没在水中时,受到的浮力是______N;

(3)圆柱体的体积是_________m3

(4)圆柱体的密度是_________kg/m3

(5)分析图像BC段,可得结论:物体浸没液体

之前,浸入液体的深度越深,受到的浮力越________(选填“大”或“小”);

(6)分析图像CD段,可得结论:__________________________________________。

试题详情>>

例6.一个重为10N的实心合金球,浸没在水中时,排开了4N的水,则合金球受到水的浮力是多少?若将它放入酒精中静止时,合金球受到的浮力是多少?若将它放入水银中静止时,合金球受到的浮力是多少?(酒精的密度是0.8×103 Kg/m3 水银的密度是13.6×103 Kg/m3 g=10N/Kg )

 

 

 

 

 

 

 

 

 

 

 

 

 

针对性练习:

试题详情>>

1、(黄冈市2006)在南极考察中使用的海洋破冰船,针对不同的冰层有不同的破冰方法。其中一种破冰方法是:接触冰面前,船全速航行,船体大部分冲上冰面,就可以把冰压碎。

(1)当破冰船航行于海面时,它的排水体积约为1500m3,求船自身的重力。

试题详情>>

(2)在一次破冰行动中,当船冲到冰面上时,船的排水体积变为原来的三分之一,船与冰层接触面积为5m2,此时破冰船对冰层的压强是多少?(海水的密度取1.0×103kg/m3)

 

 

 

 

 

 

 

 

 

 

 

 

 

试题详情>>

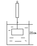
1、(连云港市2006)李静同学进行了如图所示的实验:她先测量出容器中水深为20cm,然后将一挂在弹簧测力计下的长方体物块缓慢地浸入水中(完全浸没时水不会溢出)。实验过程中,她记下弹簧测力计的示数F,并测量出对应情况下容器中水的深度h,实验数据如下表:

实验次数

1

2

3

4

5

6

7

8

F/N

试题详情>>

1.0

h/cm

试题详情>>

g取10N/kg,ρ=1.0×103kg/m3

⑴在物块未浸入水中时,水对容器底部的压强为多少?

⑵在物块完全浸入水中时,其受到的浮力为多大?

⑶分析表中数据变化规律,你能得到什么结论?

 

 

 

 

 

 

 

 

 

 

试题详情>>

2、(2005江苏南通)如图所示,放在水平桌面上的圆柱形容器重4N,底面积为100 cm2 ,弹簧测力计的挂钩上挂着重为10N的物体,现将物体浸没水中,容器的水面由16cm上升到20cm (g取10N/kg)求:(1)物块放入水中前,容器底受到水的压强是多少?(2)物块的密度是多少?(3)物块受到的浮力(4)物块浸没水中后容器对桌面的压强。

试题详情>>

 

 

 

 

 

试题详情>>

3、(2006玉林市)我们来对物体浮沉现象进行探究把一截圆柱体蜡烛竖直放入水中,发现蜡烛漂浮在水面上(如图19所示).

(1)若要使蜡烛处于悬浮状态,应该加入适量的食盐还是加入适量的酒精?请说明理由.

试题详情>>

(2)蜡烛漂浮在水中时,测得露出水面的体积为总体积的1/10,求蜡烛的密度是多大

 

 

 

 

 

 

 

 

 

 

 

4(2006眉山)木块A的体积为500 cm3,质量为300g,用细线拉着浸没于盛水的圆柱形容器中,容器的底面积为100 cm2,容器内水面高度为30 cm,如图所示,求:(1)物体受到的浮力;(2)水对容器底的压强;(3)绳子的拉力T;(4)若剪断绳子后,木块静止时,水对容器底的压强。(g取10N/kg)

试题详情>>

 

 

 

 

 

 

 

 

 

 

 

 

 

试题详情>>
关闭