1. 恒星是有寿命的,实际上我们观测到的超巨星、巨星、主序星、白矮星等恒星形态,就是恒星不同年龄阶段的形态。现在的太阳处于       形态,太阳向宇宙空间每秒钟大约辐射的能量,这些能量是由      能转化而来的。

试题详情>>

2. 能引起人的眼睛视觉效应的最小能量为0.9×10-18J,已知可见光的平均波长为0.6μm,普朗克恒量h=6.63×10-34J・s,则一个可见光光子平均能量为_______ J,能引起人的视觉反应时,进入人眼的光子数至少为 _______个。

试题详情>>

3. 如图所示,质量为的光滑小

试题详情>>

钢球以的水平速度抛出,

试题详情>>

下落时,垂直撞击一钢板,

试题详情>>

则钢板与水平面的夹角_______。

刚要撞击钢板时小球动能的为______J。

试题详情>>

4. 如图所示,在离斜面底B点为L的O点竖直

固定一长为L的直杆OA,A端与B点之间

也用直杆连接。在杆上穿一光滑小环,先后

两次从A点无初速度释放小环,第一次沿

AO杆下滑,第二次沿AB杆下滑。重力加

试题详情>>

速度为g,则两次滑到斜面上所需的时间分别为=                 

试题详情>>

5. 如图所示,在地面上方有一个匀强电场,在该电

场中取一点O作圆心,以R=l0cm为半径,在竖

直平面内作一个圆,圆平面平行于匀强电场的电

场线。在O点固定一个电量为Q=-5×10-4C的点

电荷(其对匀强电场的影响可忽略不计);当把一

个质量m=3g、电量为q=+2×10-10C的带电小球放

在圆周的a点时(O、a连线水平),它恰能静止

不动。由此可知,匀强电场的电场线跟Oa线的

夹角α=             ;若再施加一个力F,将带电小球从a点缓慢移动到圆周上的最高点b,则力F需做功            J。

Ⅰ.单项选择题

试题详情>>

6. 有一种衰变叫EC衰变,EC衰变发生于核内中子数相对过少的放射性原子核。核内的一个质子()可以俘获一个核外电子(e),转变为一个中子n并发射出一个中微子(不带电,质量非常小,小于电子的百万分之一),则经过一次EC衰变后原子核的                                                                              (    )

A.质量数不变,原子序数减少1       B.质量数增加1,原子序数不变

C.质量数不变,原子序数不变         D.质量数减少1,原子序数减少1

试题详情>>

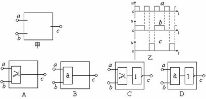
7. 如图所示,甲图方框中a、b接线柱输入电压和c接线柱输出电压如图乙所示,则方框中的电路可能是                                                                             (    )

 

 

 

 

 

 

 

 

 

 

 

 

 

试题详情>>

8. 如图所示一带电粒子只在电场力作用下由A运动到B的轨迹,在此过程中其速度大小对时间的图像正确的是                        (    )

 

 

试题详情>>

9. 如图所示,轻质支架ABC中,AB和AC用光滑铰链在A处连接,AC垂直于地面,B、C分别用光滑铰链铰在水平面上,今沿着AB杆方向作用于AB一个斜向上的拉力F,AB与AC成450角,两杆均处于静止状态,则AC杆在A处受到的作用力大小为(    )

试题详情>>

A.F             

试题详情>>

B.F    

试题详情>>

    C.F         

    D.0                            

试题详情>>

10.如图(a)所示,在方向竖直向下的匀强磁场中,固定两根足够长的竖直放置的平行金属导轨ABCD。导轨上放有质量为m的金属棒MN,棒与导轨间的动摩擦因数为。现从t = 0时刻起,无初速度释放金属棒,同时给棒中通以图示方向的电流,且电流强度与时间成正比,即:I = kt,其中k为恒量。若金属棒与导轨始终垂直,则在图(b)所示的表示棒所受的摩擦力随时间变化四幅图中,正确的是          (    )                                                           

试题详情>>

 

 

 

 

 

 

 

Ⅱ.多项选择题

试题详情>>

11.伟大的物理学家牛顿曾经说过:“如果我看得比别人远一些,那是因为我站在巨人肩上的缘故”,根据你对物理学史的了解,牛顿所说的巨人应该包括        (    )

    A.法拉第         B.开普勒         C.爱因斯坦       D.伽利略

 

试题详情>>

12.横波波源做间歇性简谐运动,周期为0.05s,波的传播速度为20 m/s,波源每振动一个周期,停止运动0.025s,然后重复振动,在t=0时刻,波源开始从平衡位置向上振动,则下列说法中正确的是            (    )

试题详情>>

    A.在前1.7s内波传播的距离为34m

试题详情>>

    B.若第1.7s末波传播到P点,则此时P点的振动方向向下

试题详情>>

C.在前1.7s时间内所形成的机械波中,共有23个波峰

20090521

试题详情>>

13.如图所示为一定质量的理想气体状态变化的

过程中密度r随热力学温度T变化的曲线,

由图线可知                 (    )                                                       

    A.A→B过程中气体的压强变大

    B.B→C过程中气体的体积不变

    C.A→B过程中气体没有做功

    D.B→C过程中气体压强与其热力学温度平方成正比

试题详情>>

14.如图所示,在一次救灾工作中,一架水平直线飞行的

直升飞机A,用悬索救护困在水中的伤员B,在直升

飞机A和伤员B以相同的水平速度匀速运动的同时,

悬索将伤员吊起,在某一段时间内,A、B之间的距

试题详情>>

离以(式中H为直升飞机A离水面的高度)

规律变化,则在这段时间内             (    )

       A.伤员在相等时间内的位移相同

       B.悬索一定是竖直的

       C.伤员在相等时间内速度的变化量相同

    D.伤员在相等时间内机械能的变化量相同           

试题详情>>

15.(5分)在“研究共点力的合成”实验中,需要将橡皮条的一端固定在水平木板上,另一端系上两根细绳,细绳的一另一端都有绳套,如图所示。实验中需用两个弹簧秤分别勾住绳套,并互成角度地拉橡皮条。某同学认为在

此过程中必须注意以下几项          (    )

    A.两根细绳必须等长

    B.橡皮条应与两绳夹角的平分线在同一直线上

    C.在拉弹簧秤时,要注意使弹簧秤与木板平面平行

    D.用弹簧秤拉绳套时,拉力要适当大些

    E.用两个弹簧秤拉绳套时,两根绳夹角要尽可能大

其中正确的是         。(填入相应的字母)

试题详情>>

16.(5分)在科学测量中,人们常常把对微观量的测量转化为对宏观量的测量,用油膜法测分子的直径就是一个典型的例子。

   (1)在油膜法测分子直径时,我们需要作两点假设:                ;            

   (2)现按1∶200的比例配制好油酸酒精溶液,然后用滴管取n 滴滴入量筒,记下体积为V。再从量筒中取一滴溶液滴在平静的水面上,扩展成面积为S的单分子油膜,则该油滴的分子直径为                

 

试题详情>>

17.(4分)如图所示电路,闭合开关时灯不亮,已经确定是灯泡断路或短路引起的,在不能拆开电路的情况下(开关可闭合,可断开),现用一个多用电表的直流电压档、直流电流档和欧姆档,并选择合适的量程或倍率,分别进行如下操作及对故障作出相应判断:

次序

操作步骤

现象和结论

1

闭合开关,选择直流电压档,红、黑表笔分别接a、b

有示数,灯断路;无示数,灯短路

2

闭合开关,选择直流电流档,红、黑表笔分别接a、b

有示数,灯断路;无示数,灯短路

3

闭合开关,选择欧姆档,红、黑表笔分别接a、b

指针不动,灯断路;指针偏转,灯短路

4

断开开关,选择欧姆档,红、黑表笔分别接a、b

指针不动,灯断路;指针偏转,灯短路

以上操作和判断均正确的是:(    )

试题详情>>

    A.只有1、2对   

试题详情>>

    B.只有3、4对  

试题详情>>

    C.只有1、2、4对  

    D.全对

试题详情>>

18.(8分)虚线方框内是由电阻、电源组成的线性网络电路,为了研究它的输出特性,将电流表、电压表、滑动变阻器按图示的方式连接在它的输出端A、B之间。电键S闭合后,实验中记录的6组电流表示数I、电压表示数U如下表所示。

试题详情>>

   (1)试根据这些数据在下面的坐标纸上画出U―I图线。(要求标出坐标的数值)

试题详情>>

   (2)若将方框内的电路等效成电动势为、内电阻为的电源,从图线上求出电源的电动势=_______V,内电阻=______Ω。

   (3)若电流表内阻为0,当滑动变阻器的滑片移至最上端时,电流表示数是_______A。

   (4)变阻器滑片移动过程中,滑动变阻器的最大功率是_________W。

试题详情>>

19.(8分))光电门传感器在很多实验中应用。光电门直接测量的物理量是          。它能测量瞬时速度的原理是                              。

试题详情>>

如图所示的实验装置中的横杆能够绕竖直轴旋转,在横杆的一端装有宽度为d=0.005m的竖直“挡光圆柱”。横杆在转动过程中,由于摩擦阻力的作用,横杆会越转越慢。某同学利用光电门研究“挡光圆柱”速度大小与横杆转动圈数n的关系。在一次实验中记录下横杆转动圈数n和每次挡光的时间t,并计算出“挡光圆柱”在该时刻的速度以及速度的平方(部分数据如表中所示)。请计算表中当n=5时,v2=________m2/s2;如果继续测量“挡光圆柱”的速度,那么当n=15时,“挡光圆柱”的速度为________m/s。则“挡光圆柱”速度大小与横杆转动圈数n的关系为________________。

 

n

t(10-3s)

v=d/t(m/s)

v2(m2/s2

1

试题详情>>

2.778

试题详情>>

3.24

2

试题详情>>

2.826

试题详情>>

3.13

3

试题详情>>

2.877

试题详情>>

3.02

4

试题详情>>

2.931

试题详情>>

2.91

5

试题详情>>

2.988

 

6

试题详情>>

3.049

试题详情>>

2.69

7

试题详情>>

3.113

试题详情>>

2.58

8

试题详情>>

3.181

试题详情>>

2.47

9

试题详情>>

3.255

试题详情>>

2.36

10

试题详情>>

3.333

试题详情>>

2.25

试题详情>>

 

 

 

 

 

 

 

 

 

 

 

 

 

 

 

 

 

 

 

 

 

试题详情>>

20.(10分)有位同学做了个小实验,他在杯中放了半杯水,找了一张普通的纸盖在杯口光滑平整的玻璃杯上,按住纸翻转杯子、松开手,他惊呆了:水居然不流下来,如图甲所示。已知玻璃杯粗细均匀,杯子内底部到杯沿的高度为12cm,杯中水的高度为6cm,大气压强为1.013×105Pa。该同学在经过仔细观察后发现,翻转后,纸略往下凸,其平均下凸高度为0.35×10-3m(见乙图) ,g取9.8m/s2。请你通过计算说明水不流下来的原因。

试题详情>>

 

 

 

 

 

 

 

试题详情>>

21.(12分)如图所示,绘出了汽车刹车时刹车痕(即刹车距离)与刹车前车速的关系,图中v为车速,s为车痕长度。(设刹车时汽车受到的阻力为汽车重力的k倍)

   (1)试用所学物理知识来说明汽车刹车距离与车速的关系。  

   (2)若某汽车发生了车祸,已知该汽车刹车时的刹车距离与刹车前车速关系满足图示关系。交通警察要根据碰撞后两车的损害程度(与车子结构相关)、撞后车子的位移及转动情形等来估算碰撞时的车速,同时还要根据刹车痕判断撞前司机是否刹车及刹车前的车速。若估算出碰撞时车子的速度为45km/h,碰撞前的刹车痕为20m,则车子原来的车速是多少?

试题详情>>

 

 

 

 

 

 

 

 

 

 

 

 

试题详情>>

22.辨析题:(12分)把一个“10V  2.0W”的灯泡A接到某一电动势和内阻都不变的电源上,灯泡A实际消耗的功率是2.0W,换上另一个“ 10V  5.0W”的灯泡B接到这一电源上,请判断用电器B实际消耗的电功率有没有可能反而小于2.0W?某同学分析如下:将“ 10V 2.0W”的用电器与电源连接,用电器正常工作说明用电器两端电压为10V,现将“ 10V 5.0W”的用电器B与电源连接,用电器两端电压是10V,B也能正常工作,实际功率是5.0W,所以用电器的实际功率不会小于2.0W。你认为该同学的说法是否正确?如果正确,请你求出两灯串联使用的总功率。如果不正确,请说明理由,并求出灯泡B实际消耗的电功率小于2.0W的条件(设电阻不随温度改变)。

 

 

 

 

 

 

 

试题详情>>

23.(12分)倾角300的光滑斜面上,固定一质量为=1kg的物块,物块到底端距离S=240米,物块受到一个平行于斜面向上的外力F作用,F的大小随时间周期性变化关系如图所示,时,由静止释放物块,求:

(1)4-8s内物体的加速度;

(2)物块下滑到斜面底端所用的时间;

(3)物块下滑到斜面底端过程中力F做的总功。

 

 

试题详情>>

 

 

 

 

 

 

 

 

 

 

 

 

 

 

试题详情>>

24.(14分)如图所示,水平虚线L1和L2、 L3和L4之间存在两个磁场方向相反的匀强磁场,磁感应强度大小均为B,磁场高度为h,两磁场相距也为h。竖直平面内有一电阻均匀的凸形铜线框,质量为m,AB、EF、CD、GH边水平,AB边长为l,EF边长3l, BC、AH、ED、FG边长为h。现使线框AB边在磁场边界L1的上方h高处由静止自由下落,当AB边刚进入上面磁场时加速度恰好为零,当AB边出下面磁场的前一段时间内,线框在做匀速运动。(重力加速度为g)求:

(1)线框的电阻;

(2)在GH、CD边进入上面磁场后某时刻金属框上的热功率为P,则此时框的速度;

(3)在AB边穿越两个磁场过程中金属框损失的机械能;

(4)大致画出金属框中电流随高度变化的图像。(下落2h内已画出)

 

 

 

试题详情>>

 

 

 

 

 

 

 

 

 

 

 

 

 

 

 

 

 

 

 

 

 

 

 

 

试题详情>>
关闭