1.16世纪末,伽利略用实验和推理,推翻了已在欧洲流行了近两千年的亚里士多德关于力和运动的理论,开启了物理学发展的新纪元。以下说法中,与亚里士多德观点相反的是

A.两物体从同一高度自由下落,较轻的物体下落较慢;

B.一个运动的物体,如果不再受力了,它总会逐渐停下来;这说明:静止状态才是物体不受力时的“自然状态”;

C.两匹马拉的车比一匹马拉的车跑得快;这说明:物体受的力越大,速度就越大;

D.一个物体维持匀速直线运动,不需要力;

试题详情>>

2.质子与氦核的质量之比为1:4,电荷量之比为1:2,当质子和氦核在同一匀强磁场中做半径相同的圆周运动时。设此时质子的动能为El ,氦核的动能为E2,则E1:E2等于

A.4:1              B.2:1              C.1:1              D.l:2

试题详情>>

3.AB、AC两绳相交于A点,绳与绳、绳与天花板间夹角大小如图,现用一力F作用于交点A,与右绳夹角为6ec8aac122bd4f6e,保持力F大小不变,改变6ec8aac122bd4f6e角大小,忽略绳本身重力,则在下述哪种情况下,两绳所受张力大小相等

试题详情>>

A.6ec8aac122bd4f6e            B.6ec8aac122bd4f6e                             C.6ec8aac122bd4f6e            D.6ec8aac122bd4f6e

试题详情>>

4.如图所示,我某集团军在一次空地联合军事演习中,离地面6ec8aac122bd4f6e高处的飞机以水平对地速度6ec8aac122bd4f6e发射一颗炸欲轰炸地面目标6ec8aac122bd4f6e,反应灵敏的地面拦截系统同时以初速度6ec8aac122bd4f6e竖直向上发射一颗炮弹拦截(炮弹运动过程看作竖直上抛),设此时拦截系统与飞机的水平距离为6ec8aac122bd4f6e,若拦截成功,不计空气阻力,则6ec8aac122bd4f6e6ec8aac122bd4f6e的关系应满足

试题详情>>

A.6ec8aac122bd4f6e          B.6ec8aac122bd4f6e                     C.6ec8aac122bd4f6e          D.6ec8aac122bd4f6e

试题详情>>

5.如图所示,三个同心圆是点电荷Q周围的三个等势面,已知这三个圆的半径成等差数列,A、B、C分别是这三个等势面上的点,且这三点在同一条电场线上,将电量为6ec8aac122bd4f6e的电荷从A点移到C点,电势能减少6ec8aac122bd4f6e,若取C点为电势零点(6ec8aac122bd4f6eV),则B点的电势是

试题详情>>

A.一定等于6V       B.一定低于6V       C.一定高于6V         D.无法确定

试题详情>>

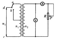
6.如图所示,理想变压器原、副线圈的匝数比为6ec8aac122bd4f6e6ec8aac122bd4f6e是原线圈的中心抽头,电压表和电流表均为理想电表,从某时刻开始在原线圈6ec8aac122bd4f6e6ec8aac122bd4f6e两端加上交变电压,其瞬时值表达式为6ec8aac122bd4f6e,则

试题详情>>

A.当单刀双掷开关与6ec8aac122bd4f6e连接时,电压表的示数为6ec8aac122bd4f6e

试题详情>>

B.当6ec8aac122bd4f6e时,6ec8aac122bd4f6e6ec8aac122bd4f6e间的电压瞬时值为6ec8aac122bd4f6e

试题详情>>

C.单刀双掷开关与6ec8aac122bd4f6e连接,在滑动变阻器触头6ec8aac122bd4f6e向上移动的过程中,电压表和电流表的示数均变小;

试题详情>>

D.当单刀双掷开关由6ec8aac122bd4f6e扳向6ec8aac122bd4f6e时,电压表和电流表的示数均变小;

试题详情>>

7.斜面上放一重为G的物体,在斜面倾角为6ec8aac122bd4f6e时,物体恰能沿斜面匀速下滑,在斜面倾角由6ec8aac122bd4f6e变到6ec8aac122bd4f6e的过程中,下列说法中正确的是

A.压力变小,摩擦力先减小后增大       B.压力变小,摩擦力变小

试题详情>>

C.压力变小,摩擦力先增大后减小        D.滑动摩擦因数是6ec8aac122bd4f6e

试题详情>>

8.如图所示,一名消防队员在模拟演习训练中,沿着长为12m的竖立在地面上的钢管住下滑。已知这名消防队员的质量为60┧,他从钢管顶端由静止开始先匀加速再匀减速下滑,滑到地面时速度恰好为零。如果他加速时的加速度大小是减速时的2倍,下滑的总时间为3s,g取10m/s2,那么该消防队员

试题详情>>

A.下滑过程中的最大速度为4 m/s

B.加速与减速过程的时间之比为1∶2

C.加速与减速过程中所受摩擦力大小之比为1∶7

D.加速与减速过程的位移之比为1∶4

试题详情>>

9.如图所示,6ec8aac122bd4f6e6ec8aac122bd4f6e为平行的虚线,6ec8aac122bd4f6e上方和6ec8aac122bd4f6e下方都是垂直纸面向里的磁感应强度相同的匀强磁场,6ec8aac122bd4f6e两点都在6ec8aac122bd4f6e上。带电粒子从6ec8aac122bd4f6e点以初速6ec8aac122bd4f6e6ec8aac122bd4f6e6ec8aac122bd4f6e斜向上射出,经过偏转后正好过6ec8aac122bd4f6e点,经过6ec8aac122bd4f6e点时速度方向也斜向上,不计重力。下列说法中正确的是

试题详情>>

A.带电粒子经过6ec8aac122bd4f6e点时的速度一定跟在6ec8aac122bd4f6e点的速度相同;

试题详情>>

B.若将带电粒子在6ec8aac122bd4f6e点时的初速度变大(方向不变),它仍能经过6ec8aac122bd4f6e点;

试题详情>>

C.若将带电粒子在6ec8aac122bd4f6e点时的初速度方向改为与6ec8aac122bd4f6e6ec8aac122bd4f6e角斜向上,它就不一定经过6ec8aac122bd4f6e点;

D.粒子一定带正电荷;

试题详情>>

10.如图,在水平桌面上放置两条相距6ec8aac122bd4f6e的平行光滑金属导轨ab与cd,阻值为R的电阻与导轨的a、c端相连。金属滑杆MN垂直于导轨并可在导轨上滑动。整个装置放于匀强磁场中,磁场的方向竖直向上,磁感应强度的大小为B。滑杆与导轨电阻不计,滑杆的中点系一不可伸长的轻绳,绳绕过固定在桌边的光滑轻滑轮后,与一质量为m的物块相连,拉滑杆的绳处于水平拉直状态。现若从静止开始释放物块,用I表示回路中的感应电流,g表示重力加速度,则在物块下落过程中物块的速度可能

试题详情>>

A.小于6ec8aac122bd4f6e             B.等于6ec8aac122bd4f6e         C.小于6ec8aac122bd4f6e                     D.大于6ec8aac122bd4f6e

第Ⅱ卷

试题详情>>

11.一根电阻丝接入100V的恒定电流电路中,在1min内产生的热量为Q,同样的电阻丝接入正弦交变电流的电路中,在2min内产生的热量也为Q,则该交流电压的峰值是       

试题详情>>

12.如图所示,河水的流速为4m/s,一条船要从河的南岸A点沿与河岸成30°角的直线航行到北岸下游某处,则船的开行速度(相对于水的速度)最小为         

试题详情>>

13.某同学在做“测定木板与木块间动摩擦因数”的实验时,设计了两种实验方案:

方案一:木板固定,用弹簧测力计拉动木块,如图(a)所示.

试题详情>>

方案二:用弹簧测力计钩住木块,用力拉动木板,如图(b)所示.除了实验必须的弹簧测力计、木块、木板、细线外,该同学还准备了若干重量均为2.00N的砝码.

试题详情>>

(1)上述两种方案中,你认为更合理的方案是______,理由是______________.

(2)该同学在木块上加放砝码,改变木块对木板的压力,记录了5组实验数据,如下表所示:

实验次数

1

2

3

4

5

砝码/个数

0

1

2

3

4

砝码对木块压力/N

0

试题详情>>

8.00

测力计读数/N

试题详情>>

3.50

 

 

 

 

 

请根据上述数据在坐标纸上(图c)作出摩擦力f和砝码对木块的压力F的关系图象(以F为横坐标)。图象不过原点的原因是____________________________.

试题详情>>

14.在把电流表改装成电压表的实验中,把量程为Ig、内阻未知的电流表G改装成电压表。

①采用如图1所示的电路测电流表G的内阻Rg,根据电路图连接实物图;

试题详情>>

②测得电流表G内阻为Rg,把它改装成量程为UV的电压表,需要       联(填“串”或“并”)一个电阻Rx,Rx=                 

③把改装好的电压表与标准电压表进行逐格校对,试在方框内画出实验电路图。改装及校准所用器材的实物如右图所示,试在所给的实物图中画出连接导线。

试题详情>>

五、计算题(本题共2小题,第15题8分,第16题11分,共19分.要求写出必要的文字说明、方程式和演算步骤)

试题详情>>

15.(8分)如图所示,质量6ec8aac122bd4f6e的物体,以6ec8aac122bd4f6e的初速度沿粗糙的水平面向右运动,物体与地面间的动摩擦因数6ec8aac122bd4f6e;同时物体受到一个与运动方向相反的6ec8aac122bd4f6e6ec8aac122bd4f6e的作用,经过6ec8aac122bd4f6e,撤去外力6ec8aac122bd4f6e,求物体滑行的总位移。

试题详情>>

16.(11分)如图所示,MN、PQ是平行金属板,板长为L两板间距离为d,在PQ板的上方有垂直纸面向里足够大的匀强磁场.一个电荷量为q,质量为m的带负电粒子以速度V0从MN板边缘且紧贴M点,沿平行于板的方向射入两板间,结果粒子恰好从PQ板左边缘飞进磁场,然后又恰好从PQ板的右边缘飞进电场.不计粒子重力,求:

(1)两金属板间所加电压U的大小;

(2)匀强磁场的磁感应强度B的大小;

(3)当该粒子再次进入电场并再次从电场中飞出时的速度及方向.

试题详情>>

六、模块3-3题(本题包括1小题,共24分.把解答写在答题卡中指定的答题处.对于其中的计算题,要求写出必要的文字说明、方程式和演算步骤)

试题详情>>

17.模块3-3试题

(1)(4分)判断以下说法的正误,在相应的括号内打“√”或“×”

A.分子间距离增大,分子势能一定增大(    )

B.有的物质微粒在不同条件下可以按不同的规则在空间分布,因此可以生成不同的晶体(    )

试题详情>>

C.一滴油酸酒精溶液体积为V,在水面上形成的单分子油膜的面积为S,则油酸分子的直径6ec8aac122bd4f6e(  )

试题详情>>

D.已知某物质的摩尔质量为M,密度为6ec8aac122bd4f6e,阿伏加德罗常数为NA,则该种物质的分子体积为6ec8aac122bd4f6e(  )

(2)(4分)在“用油膜法估测分子的大小”的实验中,有下列操作步骤,请补充实验步骤C的内容及实验步骤E中的计算式:

试题详情>>

      A.用滴管将浓度为0.05%的油酸酒精溶液逐滴滴入量筒中,记下滴入1mL的油酸酒精溶液的滴数N;

试题详情>>

      B.将痱子粉末均匀地撒在浅盘内的水面上,用滴管吸取浓度为0.05%的油酸酒精溶液,逐滴向水面上滴入,直到油酸薄膜表面足够大,且不与器壁接触为止,记下滴入的滴数n;

    C.                                                    

    D.将画有油酸薄膜轮廓的玻璃板放在坐标纸上,以坐标纸上边长1cm的正方形为单位,计算出轮廓内正方形的个数m;

  E.用上述测量的物理量可以估算出单个油酸分子的直径d=          cm

(3)(8分)如图所示,一圆柱形绝热气缸竖直放置,通过绝热活塞封闭着一定质量的理想气体。活塞的质量为m,横截面积为S,与容器底部相距h。现通过电热丝缓慢加热气体,当气体吸收热量Q时,活塞上升上h,此时气体的温为T1。已知大气压强为p0,重力加速度为g,不计活塞与气缸的摩擦,求:

试题详情>>

1.气体的压强。

试题详情>>

   2.加热过程中气体的内能增加量。

试题详情>>

(4)(8分)内壁光滑的导热气缸竖直浸放在盛有冰水混合物的水槽中,用不计质量的活塞封闭压强为6ec8aac122bd4f6e、体积为6ec8aac122bd4f6e的理想气体.现在活塞上方缓缓倒上沙子,使封闭气体的体积变为原来的6ec8aac122bd4f6e,然后将气缸移出水槽,缓慢加热,使气体温度变为6ec8aac122bd4f6e.活塞面积为6ec8aac122bd4f6e,大气压强为6ec8aac122bd4f6e6ec8aac122bd4f6e6ec8aac122bd4f6e,求:

(1)所加沙子的质量.

   (2)气缸内气体的最终体积.

试题详情>>
关闭