14.地球赤道上有一物体随地球的自转而做圆周运动,所受的向心力为F1,向心加速度为a1,线速度为v1,角速度为ω1;绕地球表面附近做圆周运动的人造卫星受的向心力为F2,向心加速度为a2,线速度为v2,角速度为ω2;地球同步卫星所受的向心力为F3,向心加速度为a3,线速度为v3,角速度为ω3;地球表面的重力加速度为g,第一宇宙速度为v,假设三者质量相等。则                                                                                 (    )

       A.F1=F2>F3                                           B.a1=a2=g>a3

       C.v1=v­2=v>v3                                         D.ω132

试题详情>>

15.如下图1为一列沿X轴方向传播的简谐横波在t=0时刻的波动图像,下图2为质点P的振动图像,由此可知                  (    )

试题详情>>

       A.t=0时刻,质点P的振动方向沿Y轴负方向

       B.此列波的波速为20m/s

试题详情>>

       C.t=0.4s时刻,Q质点开始振动且振动方向沿Y轴负方向

       D.Q质点到达波峰位置时,P质点到达平衡位置

20090323

试题详情>>

       A.a、b两束光相比较,b光的波动性较强

B.用同一双缝干涉实验装置分别以a、b光做实验,a光的干涉条纹间距小于b光的干涉条纹间距

C.若保持入射点A位置不变,将入射光线顺时针旋转,则从水面上方观察,b光先消失

       D.在水中a光的速度比b光的速度小

试题详情>>

17.起重机的钢索将重物由地面吊到空中某个高度,其速度图像如下图1所示,则钢索拉力的功率随时间变化的图像是下图2中的                                                                                            (    )

试题详情>>

18.如图所示,导热气缸开口向下,内有理想气体(不计气体分子间的相互作用力),气缸固定不动,缸内活塞可自由滑动且不漏气。活塞下挂一砂桶,砂桶装满砂子时,活塞恰好静止。现给砂桶底部钻一个小洞,细砂慢慢漏出,外部环境温度恒定,则                         (    )

试题详情>>

       A.气体压强增大,内能不变

       B.外界对气体作功的值小于气体放出的热量

       C.气体体积减小,压强增大,内能减小

       D.外界对气体做功,气体内能增加

试题详情>>

19.如图所示,一个质量为m带电量为q的物体处于场强按E=E0-kt(E0、k均为大于零的常数,取水平向左为正方向)变化的匀强电场中,物体与竖直墙壁间的动摩擦因数为μ,当t=0时,物体处于静止状态。若物体所受的最大静摩擦力等于滑动摩擦力,且电场空间和墙面均足够大,下列说法正确的是                                          (    )

试题详情>>

       A.物体开始运动后加速度先增加后保持不变

       B.物体开始运动后加速度不断增加

试题详情>>

       C.经过时间,物体运动速度达最大值

试题详情>>

       D.经过时间物体在竖直墙壁上的位移达最大值

试题详情>>

20.矩形导线框abcd放在匀强磁场中,在外力控制下静止不动,磁感线方向与线圈平面垂直,磁感应强度B随时间变化的图像如下图1所示,t=0时刻,磁感应强度的方向垂直纸面向里,在0~4s时间内,线框ab边受力随时间变化的图像(力的方向规定以向左为正方向)可能是下图2中的                                                                      (    )

试题详情>>

21.已知氦离子He+能级En与量子数n的关系和氢原子能级公式类似,处于基态的氦离子He+的电离能为E=54.4eV,为使处于基态的氦离子He+处于激发态,入射光子所需的最小能量为                                           (    )

试题详情>>

       A.13.6eV               B.40.8eV                C.48.4eV                D.54.4eV

试题详情>>

22.(每空3分,共18分)

(1)为研究钢球在液体中运动时所受阻力的大小,让钢球从某一高度竖直落下进入液体中运动,用频闪照相方法拍摄钢球在不同时刻的位置,如图所示,已知钢球在液体中运动时所受阻力F=kv2,闪光照相机的闪光频率为f,图中刻度尺的最小分度为s0,钢球的质量为m,则:

        ①试定性描述钢球的运动:             

        ②由频闪照片及上述已知条件可求得阻力常数k的表达式为k=             

试题详情>>

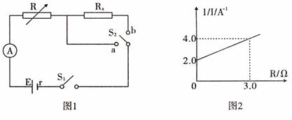
(2)某同学设计了如图1所示的电路测电源电动势E和 内阻r以及Rx的阻值。实验器材有:待测电源E,待测电阻Rx,电流表A(量程为0.6A,内阻不计),电阻箱R(0―99.99Ω),单刀单掷开关S1,单刀双掷开关S2,导线若干。

试题详情>>

①先测电阻Rx的阻值,请将该同学的操作补充完整:闭合S1,将S2切换到a,调节电阻箱,读出其示数r1和对应的电流表示数I,         ,读出此时电阻的示数r2,则电阻Rx的表达式为Rx=        

试题详情>>

②该同学已经测得电阻Rx=2.0Ω,继续测电源电动势E和内阻r的阻值,该同学的做法是:闭合S1,将S2切换到b,多次调节电阻箱,读出多组电阻箱示数R和对应的电流表示数I,由测得的数据,绘出了如图2所示的1/1―R图线,则电源电动势E=         v,内阻r=        Ω。

试题详情>>

23.(15分)如图所示,是一种“动圈式话筒”的实物图、截面图和右视图,它的工作原理是话筒最前端有一层弹性膜片(图中未画出),在弹性膜片后面黏结一个较小的金属线圈,线圈处于永磁体的磁场中(磁感线沿半径辐向分布),当声波使弹性膜片前后振动时,弹性膜片会带动金属线圈切割磁感线,将声音信号转变为电信号,电信号经扩音器放大后送到扬声器,扬声器便发出放大了的声音。

试题详情>>

已知小金属线圈的半径r0=0.01米,匝数n=20匝,电阻为r=0.5欧姆,线圈所在位置的磁感应强度B的大小均为2特斯拉。假设金属线圈在声波的作用下做简谐振动,其瞬时速度的表达式为v=0.8sinωt(米/秒),扩音器是一个阻值为R=1.5欧姆的纯电阻,求:

   (1)话筒中输出电流的最大值和有效值分虽是多少?

   (2)话筒输出功率是多少?

试题详情>>

24.(17分)竖直平面内的轨道ABCD由水平滑道AB与光滑的四分之一圆弧滑道CD组成,AB恰与圆弧CD在C点相切,轨道放在光滑的水平面上,如图所示,一个质量为m的小物块(可视为质点)从轨道的A端以初动能E冲上水平滑道AB,沿着轨道运动,由DC弧滑下后停 在水平滑道AB的中点。已知水平滑道AB长为L,轨道ABCD的质量为M=3m,求:

试题详情>>

   (1)小物块在水平滑道上受到的摩擦力的大小。

(2)在第一问情况下,为了保证小物不从滑道的D端离开滑道,圆弧滑道的半径R至少是多大?

试题详情>>

25.(22分)如图所示,在直角坐标系的第四象限存在垂直纸面向里的矩形有界匀强磁场(磁场图中未画出),其左边界和上边界与坐标轴重合。在第三象限紧靠y轴且垂直于y轴有一平行金属板PQ,其上板距x轴距离为d,两板间距离也为d,板长为,上板带负电,下板带正电。现有一带正电粒子从平行金属板左侧正中央以初速度v0水平向右射入电场,恰好从P板右边缘飞离电场,经磁场偏转后正好经过坐标原点O,且速度方向沿x轴负方向。不计带电粒子重力,求:

试题详情>>

   (1)粒子从电场中飞出时的速度v的大小和方向;

   (2)粒子在矩形磁场中做圆周运动的半径R以及矩形有界磁场的最小面积s;

   (3)求粒子从进入电场到经过坐标原点O所用时间t。

试题详情>>
关闭