1.关于运动和力的关系,下列说法中正确的是

A.物体在恒力作用下可能做匀速圆周运动

B.如果物体不受外力作用,则一定处于静止状态

C.物体的速度大小发生变化时,一定受到力的作用

D.物体的速度方向发生变化时,可能不受力的作用

试题详情>>

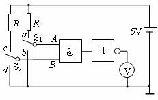
2.如图所示是测试逻辑电路的原理图,通过改变两个单刀双掷开关来改变输入端A、B的电势,根据电压表读数判断逻辑关系.下列说法中正确的是

试题详情>>

A.S1接a,S2接c,电压表读数为0

B.S1接a,S2接d,电压表读数为0

C.S1接b,S2接c,电压表读数为0

D.S1接b,S2接d,电压表读数为0

试题详情>>

3.如图所示,一理想自耦变压器线圈AB绕在一个圆环形的闭合铁芯上,输入端AB间加一正弦式交流电压,在输出端BP间连接了理想交流电流表、灯泡和滑动变阻器,移动滑动触头P的位置,可改变副线圈的匝数,变阻器的滑动触头标记为Q.则

试题详情>>

A.只将Q向下移动时,灯泡的亮度变大

B.只将Q向下移动时,电流表的读数变大

C.只将P顺时针方向移动时,电流表的读数变大

D.只提高输入端的电压U时,电流表的读数变大

试题详情>>

4.我国正在自主研发“北斗二号”地球卫星导航系统,此系统由中轨道、高轨道和同步卫星等组成,可将定位精度提高到“厘米”级,会在交通、气象、军事等方面发挥重要作用.已知三种卫星中,中轨道卫星离地最近,同步卫星离地最远.则下列说法中正确的是

A.中轨道卫星的线速度小于高轨道卫星的线速度

B.中轨道卫星的角速度小于同步卫星的角速度

C.若一周期为8h的中轨道卫星,某时刻在同步卫星的正下方,则经过24h仍在该同步卫星的正下方

D.高轨道卫星的向心加速度小于同步卫星的向心加速度

试题详情>>

5.一小球在离地高H处从静止开始竖直下落,运动过程中受到的阻力大小与速率成正比,下列图象反映了小球的机械能E随下落高度h的变化规律(选地面为零势能参考平面),其中可能正确的是

试题详情>>

6.如图所示,a、b是真空中两个等量异种点电荷,A、B为两点电荷连线中垂线上的两点.现将一正点电荷由A点沿中垂线移到B点,下列说法中正确的是

试题详情>>

A.A点场强大于B点场强

B.A点电势等于B点电势

C.电荷移动过程中的电势能不变

D.电荷移动过程中,电场力做正功

试题详情>>

7.如图所示是骨折病人的牵引装置示意图,绳的一端固定,绕过定滑轮和动滑轮后挂着一个重物,与动滑轮相连的帆布带拉着病人的脚,整个装置在同一竖直平面内.为了使脚所受的拉力增大,可采取的方法是

试题详情>>

A.只增加绳的长度             B.只增加重物的质量

C.只将病人的脚向左移动   D.只将两定滑轮的间距增大

试题详情>>

8.如图所示的电路中,电源电动势E=6V,内阻r=1Ω,电阻R1=6Ω、R2=5Ω、R3=3Ω,电容器的电容C=2×10-5F,若将开关S闭合,电路稳定时通过R2的电流为I;断开开关S后,通过R1的电量为q.则

试题详情>>

     A.I=0.75A                   B.I=0.5A         C.q=2×10-5C                D.q=1×10-5C

试题详情>>

9.如图所示,一轻绳通过无摩擦的小定滑轮O与小球B连接,另一端与套在光滑竖直杆上的小物块A连接,杆两端固定且足够长,物块A由静止从图示位置释放后,先沿杆向上运动.设某时刻物块A运动的速度大小为vA,小球B运动的速度大小为vB,轻绳与杆的夹角为θ.则

试题详情>>

B.

     C.小球B减小的势能等于物块A增加的动能

     D.当物块A上升到与滑轮等高时,它的机械能最大

必做题

试题详情>>

10.(8分)某同学利用如图甲所示的实验装置测量重力加速度.

试题详情>>

(1)请指出该同学在实验操作中存在的两处明显错误或不当:

                        ;②                       

(2)该同学经正确操作得到如图乙所示的纸带,取连续的六个打点A、B、C、D、E、F为计数点,测得点A到B、C、D、E、F的距离分别为h1、h2、h3、h4、h5.若打点的频率为f,则打E点时重物速度的表达式为vE =           ;若分别计算出各计数点对应的速度数值,并在坐标系中画出速度的二次方(v2)与距离(h)的关系图线,如图丙所示,则重力加速度g=          m/s2

试题详情>>

(3)若当地的重力加速度值为9.8m/s2,你认为该同学测量值存在偏差的主要原因是   

试题详情>>

11.(10分)在描绘小灯泡伏安特性曲线的实验中,提供的实验器材有:

试题详情>>

A.小灯泡(额定电压为3.8V,额定电流约0.3A

试题详情>>

B.直流电流表A(0~0.6A,内阻约0.5Ω)

C.直流电压表V(0~6V,内阻约5 kΩ)

D.滑动变阻器R1(0~10Ω,2A

试题详情>>

E.滑动变阻器R2(0~100Ω,0.2A

F.电源(6V,内阻不计)

G.开关S及导线若干.

(1)实验中滑动变阻器应选用          (选填R1 R2);

(2)某同学设计了实验测量电路,通过改变变阻器的滑片位置,使电表读数从零开始变化,记录多组电压表的读数U和电流表的读数I.请在图甲中用笔画线代替导线,将实验电路连接完整;

(3)该同学在实验中测出8组对应的数据(见下表):

次数

1

2

3

4

5

6

7

8

U/V

0

试题详情>>

3.80

I/A

0

试题详情>>

0.33

则小灯泡的额定功率为       W,该测量值       (选填“大于”、“小于”或“等于”)真实值.请在图乙坐标中,描点作出U―I图线.由图象可知,随着电流的增大,小灯泡的电阻             (选填“增大”、“减小”或“不变”).

试题详情>>

12.选做题(请从A、B和C三小题中选定两小题作答,并在答题卡上把所选题目对应字母后的方框涂满涂黑.如都作答,则按A、B两小题评分.)

A.(选修模块3-3)(12分)

(1)关于晶体和非晶体,下列说法中正确的是          

A.同种物质不可能呈现晶体和非晶体两种不同的形态

B.晶体中原子(或分子、离子)都按照一定规则排列,具有空间上的周期性

C.单晶体和多晶体都具有各向异性的物理性质

D.某些液晶中掺入少量多色性染料,可表现出光学各向异性

试题详情>>

(2)在“用油膜法测量分子直径”的实验中,将浓度为的一滴油酸溶液,轻轻滴入水盆中,稳定后形成了一层单分子油膜.测得一滴油酸溶液的体积为V0,形成的油膜面积为S,则油酸分子的直径约为       ;如果把油酸分子看成是球形的(球的体积公式为,d为球直径),该滴油酸溶液所含油酸分子数约为           

试题详情>>

(3)如图所示,玻璃管竖直悬挂,上端封闭、下端开口,管内一个很薄的轻质活塞封闭了一定质量的空气,已知活塞横截面积S=1cm2.用力缓慢向下拉活塞,在活塞下降5cm的过程中,拉力做功为1J.已知大气压强Pa,实验中环境温度保持不变且封闭气体与外界有良好的热交换,不计活塞与玻璃管壁间的摩擦.则活塞下降过程中,封闭气体的压强将        (选填“增大”、“减小”或“不变”),封闭气体      (选填“吸收”或“放出”)的热量为      J.

试题详情>>

B.(选修模块3-4)(12分)

(1)关于对光现象的解释,下列说法中正确的是        

A.自然光斜射到玻璃表面时,反射光和折射光都是偏振光

B.水面上的油膜呈现彩色是光的衍射现象

C.光纤导光利用了光的全反射规律

D.玻璃中的气泡看起来特别明亮是光的干涉现象

试题详情>>

(2)一列横波沿x轴正方向传播,在t0=0时刻的波形如图所示,波刚好传到x=3 m处,此后x1m处的质点比x-1m处的质点        (选填“先” 、“后”或“同时”)到达波峰位置;若该波的波速为10m/s,经过时间,在x轴上-3m~3m区间内的波形与t0时刻的正好相同,则=         

试题详情>>

(3)某实验小组利用数字实验系统探究弹簧振子的运动规律,装置如图所示,水平光滑导轨上的滑块与轻弹簧组成弹簧振子,滑块上固定有传感器的发射器.把弹簧拉长5 cm后由静止释放,滑块开始振动.他们分析位移―时间图象后发现,滑块的运动是简谐运动,滑块从最右端运动到最左端所用时间为1s,则弹簧振子的振动频率为     Hz;以释放的瞬时为初始时刻、向右为正方向,则滑块运动的表达式为x=      cm.

试题详情>>

C.(选修模块3-5)(12分)

(1)美国物理学家康普顿在研究石墨对X射线的散射时,发现光子除了有能量之外还有动量,其实验装置如图所示,被电子散射的X光子与入射的X光子相比     

试题详情>>

A.速度减小            B.频率减小

C.波长减小            D.能量减小

试题详情>>

(2)第一代实用核反应堆以铀235为裂变燃料,而在天然铀中占99%的铀238却不能利用,为了解决这个问题,科学家们研究出快中子增殖反应堆使铀238变成高效核燃料.在反应堆中,使用的核燃料是钚239(),裂变时释放出快中子,周围的铀238吸收快中子后变成铀239,铀239()很不稳定,经过         次β衰变后变成钚239(),处于激发态的钚239放出γ射线后,其原子序数将          (选填“增大”、“减小”或“不变”).

试题详情>>

(3)在水平放置的气垫导轨上,一个质量为0.4kg的滑块甲以0.5m/s的速度与另一个质量为0.6kg、速度为0.1m/s的滑块乙迎面相撞,碰撞后滑块乙的速度大小变为0.2m/s,此时滑块甲的速度大小为       m/s,方向与它原来的速度方向       (选填“相同”或“相反”).

试题详情>>

13.(15分)风洞实验室能产生大小和方向均可改变的风力.如图所示,在风洞实验室中有足够大的光滑水平面,在水平面上建立xOy直角坐标系.质量m=0.5kg的小球以初速度v0=0.40m/s从O点沿x轴正方向运动,在0~2.0s内受到一个沿y轴正方向、大小F1=0.20N的风力作用;小球运动2.0s后风力方向变为y轴负方向、大小变为F2=0.10N(图中未画出).试求:

试题详情>>

(1)2.0s末小球在y方向的速度大小和2.0s内运动的位移大小;

(2)风力F2作用多长时间,小球的速度变为与初速度相同;

(3)小球回到x轴上时的动能.

试题详情>>

14.(15分)如图甲所示,竖直挡板MN左侧空间有方向竖直向上的匀强电场和垂直纸面向里的水平匀强磁场,电场和磁场的范围足够大,电场强度E=40N/C,磁感应强度B随时间t变化的关系图象如图乙所示,选定磁场垂直纸面向里为正方向.t=0时刻,一质量m=8×10-4kg、电荷量q=+2×10-4C的微粒在O点具有竖直向下的速度v=0.12m/s,O´是挡板MN上一点,直线OO´与挡板MN垂直,取g=10m/s2.求:

试题详情>>

                    甲                                      乙

(1)微粒再次经过直线OO´时与O点的距离;

(2)微粒在运动过程中离开直线OO´的最大高度;

(3)水平移动挡板,使微粒能垂直射到挡板上,挡板与O点间的距离应满足的条件.

试题详情>>

15.(16分)如图所示,六段相互平行的金属导轨在同一水平面内,长度分别为L和2L,宽间距的导轨间相距均为2L、窄间距的导轨间相距均为L,最左端用导线连接阻值为R的电阻,各段导轨间均用导线连接,整个装置处于方向竖直向下、磁感应强度为B的匀强磁场中.质量为m的导体棒可在各段导轨上无摩擦地滑动,在滑动过程中保持与导轨垂直.导轨和导体棒电阻均忽略不计.现使导体棒从ab位置以初速度v0垂直于导轨向右运动,则

试题详情>>

(1)若导体棒在大小为F、沿初速度方向的恒定拉力作用下运动,到达cd位置时的速度为v,求在此运动的过程中电路产生的焦耳热.

(2) 若导体棒在水平拉力作用下向右做匀速运动,求导体棒运动到cd位置的过程中,水平拉力做的功和电路中电流的有效值.

(3)若导体棒向右运动的过程中不受拉力作用,求运动到cd位置时的速度大小.

试题详情>>
关闭