1.吹肥皂泡是同学们小时候经常玩的一种游戏。在阳光下,肥皂泡表面呈现出五颜六色的花纹,这是光的                                                   (    )

       A.反射现象            B.干涉现象            C.色散现象            D.折射现象

试题详情>>

2.物体A、B在同一直线上做匀变速直线运动,它们的图像如图所示,则     (    )

试题详情>>

A.物体A、B运动方向一定相反

B.物体A、B在O-4s内的位移相同

C.物体A、B在t=4s时的速度相同

D.物体A的加速度比物体B的加速度大

试题详情>>

3.如图所示,人竖直站在自动扶梯的水平踏板上,随扶梯一起匀速斜向下运动。以下分析正确的是(    )

试题详情>>

A.人受到重力和支持力的作用

B.人受到摩擦力的方向水平向左

C.人受到重力、支持力和摩擦力的作用

D.人受到与速度方向相同的合外力

试题详情>>

4.雷达是是运用电磁波来工作的,它发射的电磁波频率多在300MHz  至1000MHz的范围内,已知真空中光速c=3×108m/s,下列说法正确的是                          (    )

A.电磁波可由恒定不变的电场和磁场产生

B.电磁波可由周期性变化的电场或磁场产生

试题详情>>

C.雷达发射的电磁波在真空中的波长范围多在0.3m至lm之间

D.雷达与目标之间的距离可由电磁波从发射到接收的时间间隔确定

试题详情>>

5.“5.12”汶川大地震,牵动了全国人民的心。一架装载救灾物资的直升飞机,以l0m/s的速度水平飞行,在距地面l80m的高度处,欲将救灾物资准确投放至地面目标,若不计空气阻力,g取10m/s2,则                    (    )

A.物资投出后经过6s到达地面目标

B.物资投出后经过18s到达地面目标

C.应在距地面目标水平距离60m处投出物资

D.应在距地面目标水平距离180m处投出物资

试题详情>>

6.如图所示,地面上竖立着一轻质弹簧,小球从其正上方某一高度处自由下落到弹簧上。从小球刚接触弹簧到弹簧被压缩至最短的过程中(在弹簧的弹性限度内),则(    )

试题详情>>

A.小球动能一直减小

B.小球动能先增大后减小

C.小球重力势能的减少大于弹簧弹性势能的增加

D.小球重力势能的减少等于弹簧弹性势能的增加

试题详情>>

7.图甲为一列横波t=0时的波动图像,图乙为该波中x=4m处质点P的振动图像。下列说法正确的是                                                     (    )

试题详情>>

       A.波速为4m/s                                      B.波速为6m/s  

       C.波沿x轴正方向传播                          D.波沿x轴负方向传播

试题详情>>

8.回旋加速器是加速带电粒子的装置。其主体部分是两个D形金属盒,两金属盒处于垂直于盒底的匀强磁场中,并分别与高频交流电源两极相连接,从而使粒子每次经过两盒间的狭缝时都得到加速,如图所示。现要增大带电粒子从回旋加速器射出时的动能,下列方法可行的是                                                                   (    )

试题详情>>

A.增大金属盒的半径                             B.减小狭缝间的距离

C.增大高频交流电压                             D.减小磁场的磁感应强度

试题详情>>

9.“嫦娥一号成功发射后,探月成为同学们的热门话题。一位同学为了测算卫星在月球表面附近做匀速圆周运动的环绕速度,提出了如下实验方案:在月球表面以初速度竖直上抛一个物体,测出物体上升的最大高度h,已知月球的半径为R,便可测算出绕月卫星的环绕速度。按这位同学的方案,绕月卫星的环绕速度为 (      )

试题详情>>

A.         B.         C.        D.

试题详情>>

10.用电高峰期,电灯往往会变暗,其原理可简化为如下物理问题。如图所示,理想变压器的副线圈上,通过输电线连接两只相同的灯泡L1和L2,输电线的等效电阻为R,原线圈输入有效值恒定的交流电压,当开关s闭合时,以下说法正确的是                     (    )

试题详情>>

A.原线圈中电流减小                             B.R两端的电压增大

       C.副线圈输出电压减小                          D.原线圈输入功率减小

第Ⅱ卷(非选择题共60分)

试题详情>>

11.6分)伽利略在《两种新科学的对话》一书中,讨论了自由落体运动和物体沿斜面运动的问题,提出了这样的猜想:物体沿斜面下滑是一种匀变速直线运动,同时他还运用实验验证了其猜想。某校物理兴趣小组依据伽利略描述的实验方案,设计了如图所示的装置,探究物体沿斜面下滑是否做匀变速直线运动。

试题详情>>

   (1)实验时,让滑块从不同高度由静止沿斜面下滑,并同时打开装置中的阀门,使水箱中的水流到量筒中;当滑块碰到挡板的同时关闭阀门(整个过程中水流可视为均匀稳定的)。该实验探究方案是利用量筒中收集的水量来测量___________的。

   (2)下表是该小组测得的有关数据,其中s为滑块从斜面的不同高度由静止释放后沿斜面下滑的距离,V为相应过程量筒收集的水量。分析表中数据,根据___________

________________________,可以得出滑块沿斜面下滑是做匀变速直线运动的结论。

次数

1

2

3

4

5

6

7

s(m)

试题详情>>

0.3

V(mL)

90

84

72

62

52

40

试题详情>>

   (3)本实验误差的主要来源有:距离测量的不准确,水从水箱中流出不够稳定,还可能来源于_________________________等。(只要求写出一种)

试题详情>>

12.(10分)为了确定一卷金属漆包线的长度,可通过测定其电阻值和去掉漆层后金属导线的直径来实现。现仅有下列器材:

试题详情>>

       ①待测漆包线:电阻值RL在40-50Ω之间,其材料的电阻率

试题详情>>

       ②毫安表:量程lmA,内阻

试题详情>>

       ③电压表V:量程6V,内阻

       ④电源E:电动势约9V,内阻不计;

       ⑤滑动变阻器R:阻值范围0~10Ω;

       ⑥螺旋测微器,开关S,导线若干。

试题详情>>

    (1)若这卷漆包线的电阻值为,金属导线的直径为d,金属电阻率为ρ,则这卷漆、包线的长度L=_________________( 用、d、ρ)。

试题详情>>

   (2)为了尽可能准确地测定,要求两电表指针偏转至少达到满刻度的一半。同学们设计了以下四种不同的电路,其中合理的是

试题详情>>

   (3)实验中测得d=0.200mm,按合理的电路测量时,毫安表和电压表的示数如图所示,则毫安表的读数为_____mA,电压表的读数为____V,可求得该卷漆包线的长度L=________m。

试题详情>>

13.(9分)如图,一探空气球匀速上升执行科学考察任务,设其总质量为M,所受浮力恒为F,运动过程中所受空气阻力始终保持不变,重力加速度为g。

   (1)求探空气球在运动过程中所受空气阻力的大小;

   (2)探空气球在上升过程中释放一个质量为m的探测仪器,问此后探空气球将以多大的加速度上升?

试题详情>>

14.(11分)如图甲所示,正方形导线框abcd匀速穿过一匀强磁场区域。磁场区域的宽度为L、磁感应强度大小为B,方向垂直纸面向外;导线框的电阻为R,边长为2L,在穿过磁场的整个过程中,导线框ab、cd两边始终保持与磁场边界平行,导线框平面始终与磁场方向垂直;导线框的速度大小为,方向垂直于cd边,规定电流沿。为正方向。

   (1)请在图乙中作出cd边进人磁场到ab边离开磁场的过程中,导线框中感应电流随位移变化的i―x图像;

试题详情>>

   (2)求在上述过程中导线框所产生的焦耳热Q。

试题详情>>

15.(12分)我省目前正在大力开发的风力发电是一种将风的动能转化为电能的环保发电方式。风力发电机的外观如图所示,其主要部件包括风轮机、齿轮箱、发电机等。

试题详情>>

   (1)风轮机叶片旋转所扫过的面积可视为风力发电机可接收风能的面积。设风速大小为,方向垂直于叶片扫过的平面,风轮机叶片长度为r,空气密度为ρ,求单位时间内风力发电机可接收的风能;

试题详情>>

   (2)若风力发电机将可接收的风能转化为电能的效率=20%,当地的空气密度,风速。要没计一台功率P=20 kw的风力发电机,风轮机的叶片长度r应为多少?

   (3)在风速和叶片数确定的情况下,要提高风轮机单位时间接收的风能,可采取哪些措施?请提出一条建议。

试题详情>>

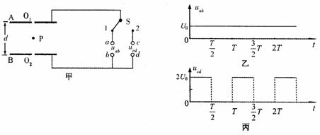
16.(12分)如图甲所示,水平放置的平行金属板A、B,两板的中央各有一小孔,板间距离为d,开关S接1。当t=0时,在a、b两端加上如图乙所示的电压,同时在c,d两端加上如图丙所示的电压。此时,一质量为m的带负电微粒P恰好静止于两孔连线的中点处(P、在同一竖直线上)。重力加速度为g,不计空气阻力。

试题详情>>

   (1)若在时刻将开关S从1扳到2,当时,求微粒P的加速度大小和方向;

试题详情>>

   (2)若要使微粒P以最大的动能从A板中的小孔射出,问在之间的哪个时 刻,把开关S从l扳到2,的周期T至少为多少?  

试题详情>>
关闭