1.2008年北京奥运会的成功举办,极大地推动了全国健身运动,小军在校秋季运动会上跳过了1.8m的高度,夺得了男子组跳高冠军,则小军                                      (    )

       A.在下降过程中处于失重状态

       B.离地后的上升过程中处于超重状态

       C.起跳过程中,地面对他的平均支持力大于他的重力

       D.起跳过程中,地面对他的平均支持力小于他的重力

试题详情>>

2.一质点的速度――时间图象如下图所示,则质点                                               (    )

试题详情>>

       A.第1s末速度方向发生改变

       B.第1s末加速度方向发生改变

       C.在0~2s内位移为零

       D.第3s末和第5s末的位置相同

试题详情>>

3.如下图所示,a、c、b为同一条电场线上的三点,c为ab中点。a、b电势分别为=5V,

试题详情>>

=3V,则                                                                                                            (    )

试题详情>>

       A.c点的电势一定为4V

       B.a点的场强一定比b点场强大

       C.a点的场强与b点的场强一定相等

       D.正电荷从c点运动到b点电势能一定减少

试题详情>>

4.一质量为1kg的物体从静止开始匀加速竖直下落,经2s落地,落地时的速度大小为18m/s,

若重力加速度g取10m/s2,则                                                                                 (    )

       A.物体的重力势能减少了200J

       B.物体的机械能减少了18J

       C.重力对物体做功180J

       D.物体的动能增加了162J

试题详情>>

5.一物体从一行星表面某高度处自由下落(不计空气阻力)。自开始下落计时,得到物体离行星表面高度h随时间t变化的图象如下图所示,则                                      (    )

试题详情>>

A.行星表面重力加速度大小为8m/s2

B.行星表面重力加速度大小为10m/s2

C.物体落到行星表面时的速度大小为20m/s

D.物体落到行星表面时的速度大小为25m/s

试题详情>>

6.如下图所示,“嫦娥一号”探月卫星被月球捕获后,首先稳定在椭圆轨道Ⅰ上运动,其中P、Q两点分别是轨道I的近月点和远月点,Ⅱ是卫星绕月做圆周运动的轨道,轨道I和Ⅱ在P点相切,则                              (    )

试题详情>>

      A.卫星沿轨道Ⅰ运动,在P点的速度大于Q点的速度

      B.卫星沿轨道Ⅰ运动,在P点的加速度小于Q点的加速度

      C.卫星分别沿轨道Ⅰ、Ⅱ运动到P点的加速度不相等

      D.卫星要从轨道Ⅰ进人轨道Ⅱ,须在P点加速

试题详情>>

7.如下图所示,电感线圈L的直流电阻与灯泡B的电阻相同,电源的电动势为E,且E略小于灯泡的额定电压.则                                            (    )

试题详情>>

A.闭合开关的瞬间,由于L的自感作用,灯泡B可能被烧毁

B.闭合开关的瞬间,即使L中电流很小,B也不会被烧毁

C.闭合开关一段时间后断开开关,灯泡B会比原来更亮一些后再熄灭

      D.闭合开关一段时间后断开开关,灯泡B不会比原来更亮一些后再熄灭

试题详情>>

8.如下图所示,固定的光滑斜面上,重力为G的物体在一水平推力F作用下处于静止状态.若斜面的倾角为θ,则                                                                           (    )

试题详情>>

      A.F=Gcotθ

      B.F=Gtanθ

      C.物体对斜面的压力FN=Gcosθ

试题详情>>

      D.物体对斜面的压力

试题详情>>

9.如下图所示,内壁光滑的玻璃管长为L,平放在光滑水平桌面上.玻璃管底部有一质量为m,电荷量为―g的小球,匀强磁场方向竖直向下,磁感应强度为B.现让玻璃管绕通过开口端的竖直轴O以角速度ω在水平面内沿逆时针方向做匀速圆周运动,则试管底部所受压力大小                                                                                 (    )

试题详情>>

      A.可能为0   

       B.等于mLω2

      C.等mLω2+qBLω   

       D.等于mLω2-qBLω

试题详情>>

10.如下图所示,直线A是电源的路端电压和电流的关系图线,直线B、C分别是电阻。R1、R2的两端电压与电流的关系图线,若将这两个电阻分别接到该电源上,则                                (    )

试题详情>>

       A.R1接在电源上时,电源的效率高

       B.R2接在电源上时,电源的效率高

       C.R1接在电源上时,电源的输出功率大

       D.电源的输出功率一样大

第Ⅱ卷  (非选择题共60分)

试题详情>>

11.(4分)小华在竖直悬挂的弹簧下端加挂钩码,测量一轻弹簧的劲度系数,根据所测实验数据,在弹力F跟弹簧长度L关系的坐标系中描点如下图所示.全过程未超过弹簧的弹性限度.

试题详情>>

(1)请根据已描出的点作出F―L图象;

(2)由图象知弹簧的劲度系数K=     N/m.

试题详情>>

12.(6分)如下图a所示,在“用DIS系统测量小车加速度”的实验中,将长为1m的水平轨道一端垫高10cm形成斜面.从斜面顶端由静止释放质量为0.5kg的小车后,得到图b所示的v-t图象(小车与轨道末端碰撞后立刻停下),若g取10m/s2. 则小车在下滑过程中(1)加速度大小为               m/s2;(2)受到的平均阻力大小为            N・

试题详情>>

13.(8分)在“测定金属丝的电阻率”实验中,用螺旋测微器测量金属丝直径时其刻度的位置如图所示.

试题详情>>

(1)从图中可读出金属丝的直径为              mm.

(2)在用伏安法测定金属丝的电阻时(金属丝的电阻约为20),除被测金属丝外,还有如下实验器材供选择:

A.直流电源:电动势约12V,内阻很小; 

试题详情>>

B.电流表A1:量程0-0.6A,内阻约为0.5Ω; 

试题详情>>

C.电流表A2:量程0-3.0A,内阻约为0.1Ω;

D.电压表V:量程0~3V,内阻约为10kΩ;

E.滑动变阻器R:最大阻值20Ω;

F.开关、导线若干

为了提高实验的测量精度,在可供选择的器材中,应该选用的电流表是           (填A1或A2)。

(3)根据所选的器材,在虚线框中画出完整的实验电路图(要求电阻丝上的电压为从零开始变化)。

试题详情>>

14.(8分)2008年12月,胶东半岛地区普降大雪,出现近年来少见的寒潮。为了安全行车,某司机在冰雪覆盖的平直公路上测试汽车的制动性能。车速v=36km/h时紧急刹车(可认为轮不转动),车轮在公路上划出一道长L=50m的刹车痕迹,取g=10m/s2;求:

(1)车轮与冰雪路面间的动摩擦因数;

试题详情>>

(2)若该车以28.8km/h的速度在同样路面上行驶,突然发现正前方停着一辆故障车.为避免两车相撞,司机至少应在距故障车多远处采取刹车措施.已知司机发现故障车至实施刹车的反应时间为Δt=0.6s.

试题详情>>

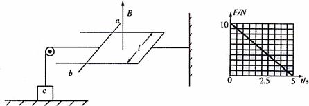
15.(10分)如下图所示,“U”型金属框水平放置,右端与竖直墙壁相连,导体棒ab垂直于框架的两臂,与框架构成边长L=1.0m的正方形,整个回路的电阻R=2Ω。质量m=1kg的物体c置于水平地面上,并通过轻绳绕过定滑轮与ab相连,当竖直向上的磁场按B=kt均匀变化(k为恒量)时,物体c对地面的压力F随时间的变化的规律如图所示.不考虑一切摩擦,取g=10m/s2

试题详情>>

(1)在图中用箭头标出ab棒中感应电流的方向;

试题详情>>

(2)求出的数值.

试题详情>>

16.(12分)如下图所示,在光滑水平地面上放置质量M=2kg的长木板,木板上表面与固定的光滑弧面相切。一质量m=1kg的小滑块自弧面上高h处由静止自由滑下,在木板上滑行t=1s后,滑块和木板以共同速度v=1m/s匀速运动,取g=10m/s2

试题详情>>

求:(1)滑块与木板间的摩擦力Ff

(2)滑块下滑的高度h;

(3)滑块与木板相对滑动过程中产生的热量Q.

试题详情>>

17.(12分)如下图甲所示,偏转电场的两个平行极板水平放置,板长L=0.08m,板距足够大,两板的右侧有水平宽度l=0.06m、竖直宽度足够大的有界匀强磁场。一个比荷为的带负电粒子(其重力不计)以v0=8×105m/s速度从两板中间沿与板平行的方向射入偏转电场,进入偏转电场时,偏转电场的场强恰好按图乙所示的规律变化,粒子离开偏转电场后进入匀强磁场,最终垂直磁场右边界射出.

试题详情>>

求:(1)粒子在磁场中运动的速率v

(2)粒子在磁场中运动的轨道半径R;

(3)磁场的磁感应强度B。

试题详情>>
关闭