1.如图所示为一个绝热气缸,由绝热活塞封闭了一定质量的气体(不考虑分子相互作用力,   分子势能为零),活塞原来处于平衡状态.现移去活塞上的重物A至活塞重新平衡,则关于气缸中气体状态的变化情况,下列说法正确的是          (    )

试题详情>>

       A.气体压强保持不变                             B.气体温度降低

       C.气体体积变大                                     D.外界对气体做功

试题详情>>

2.下列关于声波和无线电波说法正确的是                                                             (    )

       A.若声波波源向观察者靠近,则观测者接收到的声波频率变小

       B.声波击碎玻璃杯的实验原理是共振

       C.无线电波在水中传播的距离要比超声波远

       D.声波和无线电波穿过两种介质的分界面时频率都会发生改变

试题详情>>

3.某人造地球卫星绕地球做匀速圆周运动.设地球半径为R,地球表面的重力加速度为g,   则下列说法正确的是                                                                           (    )

试题详情>>

       A.人造地球卫星的最小周期为

试题详情>>

       B.地球的平均密度为

试题详情>>

       C.人造地球卫星在距地面高度为R处的绕行速度为

       D.人造地球卫星在距地面高度为R处的重力加速度为g/4

试题详情>>

4.一个理想变压器原、副线圈的匝数比n1 : n2=2:1.原线圈与正弦交变电源连接,输入电压   u如图所示,副线圈仅接入一个阻值为10Ω的电阻.则                                                           (    )

试题详情>>

A.与电阻串联的电流表的示数是10A

试题详情>>

       B.与电阻并联的电压表的示数是100V

       C.经过一分钟电阻发出的热量是6×103J

       D.变压器的输入功率是1×103W

试题详情>>

5.有一个斜直轨道AB与同样材料的1/4圆周轨道BC圆滑连接,数据如图,D点在C点的正上方,距地高度为3R,现让一个小滑块从D点自由下落,沿轨道滑动到A点刚好速度减为零,则它再从A点沿轨道自由滑下所能上升到距离地面的最大高度应是(不计空气阻力)

(    )

试题详情>>

       A.R                                                       B.2R

       C.3R                                                     D.在R和2R之间

试题详情>>

6.如图所示,E为电池,L是直流电阻可忽略不计、自感系数足够大的线圈,D1、D2是两个规格相同的灯泡,S是控制电路的开关.对于这个电路,下列说法正确的是                                (    )

试题详情>>

       A.刚闭合S的瞬间,D1先亮,D2后亮

       B.刚闭合S的瞬间,D2先亮,D1后亮

       C.闭合S待电路达到稳定后,D1熄灭,D2比S刚闭合时亮

       D.闭合S待电路达到稳定后,再将S断开瞬间,D1不立即熄灭,D2立即熄灭

试题详情>>

7.如图所示,质量为1kg物体与水平地面间的动摩擦因数为0.2,在水平恒力F作用下,物体以8 m/s的速度作匀速直线运动.现保持力F大小不变,方向突然变为竖直向上,则关于物体以后的运动,以下说法正确的是(g=10m/s2)(    )

试题详情>>

A.物体所受的滑动摩擦力大小变为1.6N,经过6 s通过的位移为19.2m

试题详情>>

       B.物体所受的滑动摩擦力大小变为1.6N,经过6 s通过的位移为20m

试题详情>>

       C.物体所受的滑动摩擦力大小变为2.4N,经过6 s通过的位移为20m

试题详情>>

       D.物体所受的滑动摩擦力大小变为1.2N,经过6 s通过的位移为20m

试题详情>>

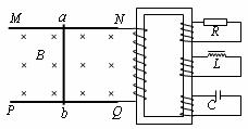
8.如图所示,MN和PQ为处于同一水平面内的两根平行的光滑金属导轨,垂直导轨放置金属棒ab与导轨接触良好.N、Q端接理想变压器的初级线圈,理想变压器的输出端有三组次级线圈,分别接有电阻元件R、电感元件L和电容元件C.在水平金属导轨之间加竖直向下的匀强磁场,若用IR、IL、IC分别表示通过R、L和C的电流,则下列判断中正确的是    (    )

试题详情>>

       A.在ab棒沿导轨匀速运动且ab棒上的电流已达到稳定后,IR≠0、IL≠0、IC=0

试题详情>>

       B.在ab棒沿导轨匀速运动且ab棒上的电流已达到稳定后,IR=0、IL=0、IC=0

试题详情>>

       C.若ab棒沿导轨在某一中心位置附近做简谐运动,则IR≠0、IL≠0、IC=0

试题详情>>

       D.若ab棒沿导轨在某一中心位置附近做简谐运动,则IR≠0、IL=0、IC≠0

试题详情>>

9.如图所示,质量为M、长度为l的小车静止在光滑的水平面上.质量为m的小物块(可   视为质点)放在小车的最左端.现用一水平恒力F作用在小物块上,使小物块从静止开始由小车的左端运动到右端.已知:物块和小车之间的摩擦力恒为f,物块滑到小车的最右端时,小车运动的距离为s.在这个过程中,以下结论正确的是     (    )

试题详情>>

A.物块到达小车最右端时具有的动能为(F-f) s

       B.物块到达小车最右端时,小车具有的动能为f(l+s)

       C.整个过程消耗的机械能为fl

       D.物块和小车增加的机械能为Fs

试题详情>>

10.如图所示,在沿水平方向向里的匀强磁场中,带电小球A与B处在同一条竖直线上,其中小球B带正电荷并被固定,小球A与一水平放置的光滑绝缘板C接触而处于静止状                 态.若将绝缘板C沿水平方向抽去后,以下说法正确的是                                   (    )

试题详情>>

A.小球A仍可能处于静止状态               B.小球A将可能沿轨迹1运动

       C.小球A将可能沿轨迹2运动               D.小球A将可能沿轨迹3运动

第Ⅱ卷 (非选择题,共60分)

试题详情>>

11.(本题4分)在用油膜法估测油酸分子直径大小的实验中,将1滴配置好的油酸酒精溶液滴入盛水的浅盘中,让油膜在水面上尽可能散开,待液面稳定后,在水面上形成油酸的       油膜;把带有方格的玻璃板放在浅盘上,在玻璃板上描绘出油膜的边界轮廓,形状如图所示.已知坐标方格边长为1cm,则油膜的面积为        cm2

试题详情>>

12.(本题4分)如图为一个小球做平抛运动的闪光照片的一部分,图中竖直背景方格的实际边长均为5cm,那么照片的闪光频率为     Hz;小球做平抛运动的初速度大小为

    m/s.(g=10m/s2

试题详情>>

13.(本题6分)现有一个特殊的电池,它的电动势E约为9V,内阻r约为40Ω,已知该电池允许输出的最大电流为50mA.为了测定这个电池的电动势和内电阻,某同学利用如图甲所示的电路进行测量,图中电流表的内阻RA已经测出,阻值为5Ω,R为电阻箱,阻值范围0~999.9Ω,R0为定值电阻,对电路起保护作用.

试题详情>>

   (1)实验室备有的定值电阻R0有以下几种规格:

       A.20Ω                                                   B.60Ω

       C.150Ω                                                  D.500Ω

       本实验应选那种规格的定值电阻最好?答:     

   (2)该同学接入符合要求的R0后,闭合开关S,调整电阻箱的阻值,读出电流表的读数,做出了如图乙所示的图线,则根据该同学作出的图线可求得该电池的电动势E=    V,内阻r=   Ω。

试题详情>>

14.(本题7分)如图,质量m=2kg的物体静止在水平地面上,用F=20N的水平力拉物体,在开始的2s内物体发生了10m位移,此后撤去力F,求:

试题详情>>

   (1)撤去力F时物体的速度;

   (2)撤去力F后物体运动的最大位移.

试题详情>>

15.(本题7分)两根平行光滑金属导轨MN和PQ水平放置,其间距为0.60m,磁感应强度为0.50T的匀强磁场垂直轨道平面向下,两导轨之间连接的电阻,在导轨上有                一电阻为的金属棒ab,金属棒与导轨垂直,如图所示.在ab棒上施加水平拉力F                        使其以10m/s的水平速度向右匀速运动.设金属导轨足够长.求:

试题详情>>

   (1)金属棒ab两端的电压;

   (2)拉力F的大小;

   (3)电阻R上消耗的电功率.

试题详情>>

16.(本题8分)如图所示,光滑斜面长为2m,倾角为30°,质量为0.3kg的物体m2从斜面 顶部由静止下滑,质量为0.2kg的另一物体m1同时从斜面底端以5m/s的初速向上运动,               两物体相碰后即粘在一起,设碰撞时间极短.(g=10m/s2)求:

试题详情>>

   (1)两物体碰撞后的速度;

   (2)碰撞后经过多长时间两物体到达斜面底端.

试题详情>>

17.(本题10分)质量为m,带电量为+q的微粒在O点以初速度v0与水平方向成θ角射出,如图所示.微粒在运动过程中受到的阻力大小恒为f.

试题详情>>

   (1)若在某一方向上加上一定大小的匀强电场后,能保证微粒仍沿v0方向做直线运动,        试求所加匀强电场场强的最小值.

   (2)若加上大小一定,方向水平向左的匀强电场,仍保证微粒沿v0方向做直线运动,并且经过一段时间后微粒又回到O点,求微粒回到O点时的速率.

试题详情>>

18.(本题14分)如图甲所示,在xOy平面内存在垂直平面的磁场,磁感应强度的变化规律如图乙所示(规定向里为磁感应强度的正方向),在t=0时刻由原点O发射初速度大小为v0,方向沿y轴正方向的带负电粒子(不计重力).若粒子的比荷大小.试求:

试题详情>>

   (1)带电粒子从出发到再次回到原点所用的时间;

   (2)带电粒子从出发到再次回到原点的运动轨迹的长度;

试题详情>>

   (3)若粒子的比荷变为,同时在y轴方向加匀强电场,其电场强度的变化规        律如图丙所示(沿y轴正方向电场强度为正),要使带电粒子能够在运动一段时间后回到原点,则E的取值应为多少?

试题详情>>
关闭