1.如图所示,A、B是两只相同的齿轮,A被固定不能转动,若B齿轮绕A齿轮运动半周,由图中B位置转到图中C位置,则B齿轮上所标出的竖直向上的箭头所指的方向是(     )

试题详情>>

www.1010jiajiao.com

 

 

 

 

 

 

 

学科网

A.竖直向上        B.竖直向下                C.水平向左        D.水平向右

试题详情>>

2.已知地球的半径为,地球自转的角速度为,地面的重力加速度为,在地球表面发射卫星的第一宇宙速度为,第三宇宙速度为,月地中心间距离为.假设地球上有一棵苹果树长到了月球那么高,则当苹果脱离苹果树后,将(      )w

A.落向地面                      B.成为地球的同步“苹果卫星”

试题详情>>

C.成为地球的“苹果月亮”        D.飞向茫茫宇宙学科网(Zxxk.Com)学科网

试题详情>>

3.半圆柱体P放在粗糙的水平面上,其右端竖直放置一挡板MN,在P和MN之间放有一个光滑均匀的小圆柱体Q,整个装置处于静止(图示为装置的纵截面图).现用外力使MN保持竖直且缓慢地向右移动,在Q落到地面以前,发现P始终保持静止.在此过程中,下列说法中正确的是(     )

试题详情>>

A.MN对Q的弹力逐渐减小

B.地面对P的摩擦力逐渐增大

试题详情>>

C.P、Q间的弹力先减小后增大学科网(Zxxk.Com)

试题详情>>

D.Q所受的合力逐渐增大学科网(Zxxk.Com)

试题详情>>

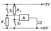
4.汶川地震发生后,为了及时发布余震警报,技术人员设计了一个简单的报警器电路图,满足下列哪个条件,该报警器将发出警报声(     )

试题详情>>

A.S1断开,S2闭合学科网(Zxxk.Com)                  B.S1闭合,S2断开

试题详情>>

C.S1、S2都断开学科网(Zxxk.Com)                      D.S1、S2都闭合学科网(Zxxk.Com)

试题详情>>

5.矩形导线框abcd固定在匀强磁场中,磁感线的方向与导线框所在平面垂直,规定磁场的正方向垂直纸面向里,磁感应强度B随时间变化的规律如图所示.若规定顺时针方向为感应电流I的正方向,下列各图中正确的是(      )学科网(Zxxk.Com)学科网

试题详情>>

A                     B                    C                 D

试题详情>>

6.如下图,一质量为m的物块带正电Q,开始时让它静止在倾角ABCD的固定光滑斜面顶端,整个装置放在大小为、方向水平向左的匀强电场中,斜面高为H,释放物块后,物块落地时的速度大小为(     )学科网(Zxxk.Com)

试题详情>>

A.         B.        C.               D.学科网(Zxxk.Com)学科网

试题详情>>

7.某大型游乐场内的新型滑梯可以等效为如图所示的物理模型.一个小朋友在AB段的动摩擦因数,BC段的动摩擦因数为,他从A点开始下滑,滑到C点恰好静止,整个过程中学科网(Zxxk.Com)滑梯保持静止状态.则该小朋友从斜面顶端A点滑到学科网(Zxxk.Com)底端C点的过程中(     )

试题详情>>

A.地面对滑梯始终无摩擦力作用学科网(Zxxk.Com)

试题详情>>

B.地面对滑梯的摩擦力方向先水平向左,后水平向右学科网(Zxxk.Com)学科网

C.地面对滑梯的支持力的大小始终等于小朋友和滑梯的总重力的大小

试题详情>>

D.地面对滑梯的支持力的大小先小于、后大于小朋友和滑梯的总重力的大小学科网(Zxxk.Com)

试题详情>>

8.如下图所示,一辆有动力驱动的小车上有一水平放置的弹簧,其左端固定在小车上,右端与一小球相连,设在某一时间内小球与小车相对静止且弹簧处于压缩状态,若忽略小球与小车间的摩擦,则在此段时间内小车可能是(     )

试题详情>>

A.向右做加速运动                  B.向右做减速运动学科网(Zxxk.Com)

C.向左做加速运动                            D.向左做减速运动

试题详情>>

9.一颗速度较大的子弹,水平击穿原来静止在光滑水平面上的木块,设木块对子弹的阻力恒定,则当子弹入射速度增大时,与原来相比,下列说法中正确的是(      )学科网(Zxxk.Com)

试题详情>>

A.子弹穿出木块后的速度变大                B.木块获得的动能变小学科网(Zxxk.Com)

试题详情>>

C.子弹穿过木块过程中克服阻力做功相等      D.子弹穿过木块的时间变短学科网(Zxxk.Com)

试题详情>>

10.如下图所示,光滑U型金属导轨PQMN水平固定在竖直向上的匀强磁场中,磁感应强度为B,导轨宽度为L.QM之间接有阻值为R的电阻,其余部分电阻不计.一质量为M,电阻为R的金属棒ab放在导轨上,给棒一个水平向右的初速度v0使之开始滑行,最后停在导轨上.由以上条件,在此过程中可求出的物理量有(      )学科网(Zxxk.Com)

试题详情>>

www.1010jiajiao.com

试题详情>>

A.电阻R上产生的焦耳热            B.通过电阻R的总电量学科网(Zxxk.Com)

C.ab棒运动的位移                  D.ab棒的运动时间网

试题详情>>

11.如下图所示,电灯L1和L2的阻值分别为R1和R2,电源内阻不计,滑动变阻器的阻值变化范围为0~R0,当变阻器触点P由a移向b时,电灯L1、L2的亮度变化情况是(      )

试题详情>>

A.当时,灯L1变亮,灯L2变暗学科网(Zxxk.Com)

试题详情>>

B.当时,灯L1先变暗后变亮,灯L2先变亮后变暗学科网(Zxxk.Com)

试题详情>>

C.当时,灯L1先变暗后变亮,灯L2先变亮后变暗学科网(Zxxk.Com)学网

试题详情>>

D.当时,灯L1变亮,灯L2先变暗后变亮学科网(Zxxk.Com)学科网

试题详情>>

12.市场上新出现了一种新式的游标卡尺,这种“新式”游标卡尺上的刻度与传统的旧式游标卡尺明显不同,新式游标卡尺的刻度看起来很稀疏,使得读数时清晰明了,便于正确读数.已知某“新式”游标卡尺的20分度总长39mm,用这种“新式”游标卡尺测某物体的厚度,示数如图,则该物体的厚度为__________cm.

试题详情>>

13.为测量玩具遥控汽车的额定功率,某同学用天平测出其质量为0.6kg,小车的最大速度由打点计时器打出的纸带来测量.主要步骤有:A.将小车的尾部系一条长纸带,纸带通过打点计时器;B.接通打点计时器的电源(频率为50Hz),使小车以额定功率加速到最大速度,继续运行一段时间后关闭小车的发动机,使其在地面上滑行直至停下;C.处理纸带上打下的点迹.(1)由图示的部分纸带可知遥控车汽车滑行时的加速度大小为_______m/s2(结果均保留三位有效数字,下同);(2)汽车的额定功率为______W.

试题详情>>

14.有一特殊电池,它的电动势约为9V,内阻约为40Ω,已知该电池允许输出的最大电流为50mA.为了测定这个电池的电动势和内阻,某同学利用图示电路进行实验,图中电流表的内阻RA=5Ω,R为电阻箱,阻值范围0~999.9Ω,R0为定值电阻,对电源起保护作用.

试题详情>>

(1)本实验中的R0应选______(填字母):A.10ΩB.50ΩC.150ΩD.500Ω;

试题详情>>

(2)该同学接入符合要求的R0后,闭合开关S,调整电阻箱的阻值,读取电流表的示数,记录多组数据,作出了如图所示的图线,则根据图线可求得该电池的电动势为E=_____V,内阻r=___Ω.学科网(Zxxk.Com)学科网

试题详情>>

警车停在公路边,当警员发现从他旁边以10m/s的速度匀速行驶的货车严重超载时,决定前去追赶,经过5.5s后警车发动起来,并以2.5m/s2的加速度做匀加速运动,但警车的行驶速度必须控制在90km/h以内.问:

(1)警车在追赶货车的过程中,两车间的最大距离是多少?

试题详情>>

(2)警车发动后要多长时间才能追上货车?学科网(Zxxk.Com)学科网

试题详情>>

16.(12分)如下图所示,ab是半径为1m的金属圆环的1/4(电阻不计),O为圆心;Oa为一轻金属杆(质量不计),a端系一质量m=0.1kg的金属小球;Oa的电阻为0.1Ω,小球始终与ab环接触良好,且无摩擦;Ob是电阻为0.1Ω的导线,沿水平方向磁感应强度为B=1T的匀强磁场垂直于Oab所在的竖直平面.当小球沿ab弧光滑圆环滑到b点时速度为1m/s.(不计Oa与Ob的接触电阻,g取10m/s2取3.14,计算结果保留两位小数)

试题详情>>

学科网(Zxxk.Com)

求:(1)小球运动到b点时,Oa两点间的电势差是多少?哪一点电势高?

(2)小球从a沿圆环滑到b的过程中电路中产生的焦耳热是多少?流过回路的电量是多少?

试题详情>>

求:(1)粒子经过A点时速度的方向和A点到x轴的距离;

(2)粒子两次经过O点的时间间隔;

试题详情>>

(3)匀强电场的大小和方向. 学科网(Zxxk.Com)学科网

试题详情>>

18.(12分)如下图所示,AB是固定在竖直平面内半径为R的光滑半圆弧,CD是与AB在同一竖直平面内半径为1.5R的1/4光滑圆弧轨道,其底端D切线水平,且与AB弧 圆心O1等高.现将质量为m的小球(可视为质点)从圆弧CD上与圆心O2等高的C处由静止开始释放,小球落进半圆弧AB并与之内壁碰撞,碰撞过程中不损失机械能,结果小球刚好能回到D点并能沿DC弧返回C处.(g取10m/s2

试题详情>>

学科网(Zxxk.Com)

求:(1)小球刚滑到D点时,对D端的压力大小;

(2)CD弧底端D距AB弧圆心O1的距离;

(3)小球与圆弧AB的内壁碰撞时的速度大小.

试题详情>>
关闭