1.放射性元素发生衰变时放出一个电子,关于这个电子,下列说法正确的是

A.是由原子核外电子发生电离时放出来的

B.是原子核内本身的电子受激发后由核内射出的

C.是由原子核内的质子转化为中子时放出来的

D.是由原子核内的中子转化为质子时放出来的

试题详情>>

2.用手指堵住注射器前端的小孔,这时就在注射器的玻璃管内封住了一定质量的空气。将玻璃管水平放置,先把活塞向里推,后把活塞往外拉,则

A.把活塞向里推,越来越费力,表明空气分子间有越来越大的斥力

B.把活塞向外拉,也越来越费力,表明空气分子间有越来越大的引力

C.忽略管内空气与外界的热交换,若手对活塞做功为W,那么玻璃管内空气内能改变的大小也为W

D.若让活塞自由运动,现设法让玻璃管内空气吸热Q,则活塞会向外运动,玻璃管中空气对外做的功必定小于Q

试题详情>>

3.下列说法错误的是

试题详情>>

A.利用金属晶格(大小约m)作为障碍物能观察到电子的衍射图样,说明电子也具有波动性

B.太阳光谱中的许多暗线是由于太阳大气层中相应元素的原子从低能级向高能级跃迁时吸能而形成的

C.在光电效应的实验中,入射光强度增大,光电子的最大初动能随之增大

D.质能方程表明:物体具有的能量与它的质量有简单的正比关系

试题详情>>

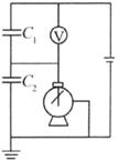
4.在如下图所示的静电实验电路中,已知电容器的电容,电源的电动势为E,内阻为,电压表的内阻为,当电路达到稳定状态后,则

试题详情>>

A.电压表和静电计上的电势差相等,都是E/2

B.电压表上电势差比静电计上的电势差大些

C.静电计上电势差为零

D.电压表上电势差为零

试题详情>>

5.在地球大气层外有很多太空垃圾绕地球做匀速圆周运动,每到太阳活动期,由于受太阳的影响,地球大气层的厚度开始增加,而使得部分垃圾进入大气层,开始做靠近地球的向心运动,产生这一结果的原因是

A.由于太空垃圾受到地球引力减小而导致的向心运动

B.由于太空垃圾受到地球引力增大而导致的向心运动

C.地球的引力提供了太空垃圾做匀速圆周运动所需的向心力,所以产生向心运动的结果与空气阻力无关

D.由于太空垃圾受到空气阻力而导致的向心运动

试题详情>>

6.在变电站里,经常要用交流电表去监测电网上的强电流,所用的器材叫电流互感器。如下所示的四个图中,能正确反应其工作原理的是

试题详情>>

7.下图所示的是一个水平放置的玻璃环形小槽,槽内光滑、槽的宽度和深度处处相同。现将一直径略小于槽宽的带正电的小球放入槽内,让小球获一初速度,在槽内开始运动,与此同时,有一变化的磁场竖直向下穿过小槽外径所包围的面积,磁感应强度的大小随时间成正比增大,设小球运动过程中带电荷量不变,那么

试题详情>>

A.小球受到的向心力大小不变                      B.小球受到的向心力大小增加

C.磁场力对小球做功                                    D.小球受到的磁场力不断增加

试题详情>>

8.一定质量的理想气体,经过下列哪些过程可以使其初、末状态的压强相等

A.先保持体积不变升高温度,后保持温度不变增大体积

B.先保持体积不变降低温度,后保持温度不变减小体积

C.先保持温度不变增大体积,后保持体积不变降低温度

D.先保持温度不变减小体积,后保持体积不变升高温度

试题详情>>

9.半圆柱体P放在粗糙的水平地面上,紧靠其右侧有竖直挡板MN,在P和MN之间放有一个质量均匀的光滑小圆柱体Q,整个装置处于静止状态,如下图所示是这个装置的截面图。若用外力使MN保持竖直,且缓慢地向右移动一段距离,在此过程中Q未落地且P一直保持静止。下列说法中正确的是

试题详情>>

A.MN对Q的弹力逐渐减小                            B.地面对P的摩擦力逐渐增大

C.P、Q间的弹力先减小后增大                            D.P对地面的压力不变

试题详情>>

10.甲、乙两人观察同一单摆的振动,甲每经过2.0s观察一次摆球的位置,发现摆球都在其平衡位置处;乙每经过3.0s观察一次摆球的位置,发现摆球都在平衡位置右侧的最高处,由此可知该单摆的周期可能是

试题详情>>

A.0.5s                    B.1.0s                     C.2.0s                       D.3.0s

试题详情>>

11.在下图所示的电路中,电源电动势为E,内电阻为,闭合开关S,待电流达到稳定后,电流表示数为,电压表示数为U,电容器C所带电荷量为Q,将滑动变阻器P的滑动触头从图示位置向端移动一些,待电流达到稳定后,则与P移动前相比

试题详情>>

A.U变小                 B.变小                   C.Q增大                 D.Q减小

试题详情>>

12.理想实验有时更能深刻地反映自然规律,伽利略设想了一个理想实验(如下图所示),设想的实验步骤中有经验事实,也有推论。

试题详情>>

①减小第二个斜面的倾角,小球在这斜面上仍然要达到原来的高度

②两个对接的斜面,让静止的小球沿一个斜面滚下,小球将滚上另一个斜面

③如果没有摩擦,小球将上升到原来释放时的高度

④继续减小第二个斜面的倾角,最后使它成水平面,小球要沿水平面做持续的匀速运动。上述理想实验的设想步骤按照正确的顺序排列是                     ,事实是                ,推论是                  (在空白处填上设想步骤序号)。

试题详情>>

13.(1)测定电流表内阻的实验中备用的器材有:

试题详情>>

A.电流表(量程0~100A,内阻约为几百欧)

B.标准电压表(量程0~5V)

试题详情>>

C.电阻箱(阻值范围0~999

试题详情>>

D.电阻箱(阻值范围0~99 999

E.电源(电动势2V)

F.电源(电动势6V)

试题详情>>

G.滑动变阻器(阻值范围0~50,额定电流1.5A

H.若干开关和导线

如果采用下图所示的电路测定电流表A的内阻并且要想得到较高的精确度,那么从以上备用的器材中,可变电阻R1应选用                   ,可变电阻R2应选用    ___         ,电源E应选用                  

试题详情>>

如果实验时要进行的步骤有:

A.合上开关S1

B.合上开关S2

C.观察R1的阻值是否最大,如果不是,将R1的阻值调至最大

D.调节R1的阻值,使电流表指针偏转到满刻度

E.调节R2的阻值,使电流表指针偏转到满刻度的一半

F.记下R2的阻值

把以上步骤的字母代号按实验的合理顺序填写在下面横线上:

                ,②              ,③              ,④              ,⑤              ,⑥        

试题详情>>

如果在步骤F中所得R2的阻值为600,则图中电流表的内电阻Rg的测量值为                     

试题详情>>

(2)如果要将第(1)小题中的电流表A改装成量程为0~5V的电压表,则改装的方法是跟电流表                    联一个阻值为                的电阻。

(3)在下图所示器件中,一部分是将电流表改装为电压表所需的,其余是为了把改装成的电压表跟标准电压表进行核对所需的。请先在下面空白处画出包括改装和核对在内的电路图(要求对0~5V的所有刻度都能在实验中进行核对),然后在图上画出连线,将所示器件按以上要求连接实验电路。

试题详情>>

14.在冬天,高为m的平台上,覆盖一层薄冰,一乘雪橇的滑雪爱好者,从距平台边缘m处以一定的初速度向平台边缘滑去,如下图所示,当他滑离平台即将着地时的瞬间,其速度方向与水平地面的夹角为,取重力加速度。求:

试题详情>>

(1)滑雪者着地点到平台边缘的水平距离是多大?

试题详情>>

(2)若平台上的薄冰面与雪橇间的动摩擦因素为,滑雪者的初速度是多大?

试题详情>>

15.下图所示的电路中,电源电动势E=6V,内阻,电阻,电容器的电容,二极管D具有单向导电性,开始时,开关S1闭合,S2断开。

试题详情>>

(1)合上S2,待电路稳定以后,求电容器C上电荷量变化了多少?

(2)合上S2,待电路稳定以后再断开S1,求断开S1后流过R1的电荷量是多少?

试题详情>>

16.一质量为的小球连接在质量可忽略的不可伸长的柔软细线上,将细线的另一端与一竖直的光滑细圆杆的顶端相连接,并将细线绕紧在杆顶上,直至小球与圆杆相碰,此时放开小球,细线开始反向旋转释放,求细线释放完后,杆与细线的夹角

试题详情>>

17.如下图所示,质量为M的长滑块静止在光滑水平地面上,左端固定一劲度系数为且足够长的水平轻质弹簧,右侧用一不可伸长的细绳连接于竖直墙上,细绳所能承受的最大拉力为,使一质量为、初速度为的小物体,在滑块上无摩擦地向左滑动而后压缩弹簧,弹簧的弹性势能表达式为为弹簧的劲度系数,为弹簧的形变量)。

试题详情>>

(1)给出细绳被拉断的条件。

(2)长滑块在细绳拉断后被加速的过程中,所能获得的最大向左的加速度为多大?

(3)小物体最后离开滑块时,相对地面速度恰好为零的条件是什么?

试题详情>>

18.如下图所示,两根平行金属导轨固定在水平桌面上,每根导轨单位长度电阻为,导轨的端点P、Q用电阻可忽略的导线相连,两导轨间的距离为。有垂直纸面向里的非匀强磁场,其磁感应强度沿方向大小不变,沿方向均匀增强,即有,其中为常数。一根质量为,电阻不计的金属杆MN可在导轨上无摩擦地滑动,在滑动过程中始终保持与导轨垂直,在时刻,金属杆MN紧靠在P、Q端,在外力F作用下,杆以恒定的加速度从静止开始向导轨的另一端滑动。求:

试题详情>>

(1)在时刻金属杆MN产生的感应电动势大小;

试题详情>>

(2)在时刻流经回路的感应电流大小和方向;

试题详情>>

(3)在时刻金属杆MN所受的安培力大小;

试题详情>>

19.如下图所示的直角坐标系中,在的区域有一垂直于平面的匀强磁场,在第四象限内有一平行于轴方向的匀强电场。现使一个质量为,电荷量为的带电粒子,从坐标原点O经速度沿轴正方向射入匀强磁场,带电粒子从点射出磁场又从点射出匀强电场,射出电场时粒子速度跟轴夹角120°。(不计粒子重力)求:

试题详情>>

(1)带电粒子从O点射入磁场,到达点经历的时间。

(2)匀强电场的电场强度和匀强磁场的磁感应强度大小的比值。

试题详情>>
关闭