1.下列关于原子结构和原子核的说法中正确的是

试题详情>>

A.在粒子散射实验的基础上,卢瑟福提出了原子的核式结构模型

试题详情>>

B.天然放射性元素在衰变过程中电荷数和质量数守恒,其放射线在磁场中不偏转的是射线

C.由上图可知,原子核A分成原子核B和C时称为裂变,这一过程要放出核能

D.据上图可知,原子核E和F变成原子核D时称为聚变,这一过程要放出核能

试题详情>>

2.下图A是用于涉法检查工件表面质量的示意图,现用两束单色光分别照射该劈形装置,从劈形装置的上方向下可以看到图B所示的干涉图样,其中B图中(甲)是光照射时形成的,(乙)是光照射时形成的。则关于两束单色光,下述说法中正确的是

试题详情>>

A.光光子的能量较大

试题详情>>

B.若光从水射向空气,光的临界角大于光的临界角

试题详情>>

C.若用光照射某金属时不能打出光电子,则用光照射该金属时肯定打不出光电子

试题详情>>

D.若光是氢原子的核外电子从第四轨道向第二轨道跃迁时产生的,则光可能是氧原子的核外电子从第三轨道向第二轨道跃迁时产生的

试题详情>>

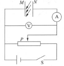
3.如下图所示,竖直放置的M和N,其中一个是电源,另一个是小灯泡,用环形裸导线连接。在环内有一带电的粒子沿逆时针方向做圆周运动,用电压表测得点的电势高于点的电势,则由此可以判断

试题详情>>

A.如果带电粒子是正粒子,则M是电源,N是小灯泡

B.如果带电粒子是正粒子,则M是小灯泡,N是电源

C.如果带电粒子是负粒子,则M是电源,N是小灯泡

D.如果带电粒子是负粒子,则M是小灯泡,N是电源

试题详情>>

4.用半导体材料制成的电阻器D,它的I―U图像如下图a所示,将D与两个标准电阻R1、R2并联后接在电压恒为U的电源两端,三个用电器消耗的电功率均为P,现将它们连接在如下图b所示的电路中,接在电压恒为2U的电源两端,设三个电阻器都不会损坏,电阻器D和电阻R1、R2消耗的电功率分别是PD、P1、P2,它们之间的大小关系有

试题详情>>

A.Pl<2P2+2PD         B.PD>P                   C.PD<P2                    D.P1<4P2

试题详情>>

5.小河宽为,河水中各点水流速大小与各点到较近河岸的距离满足关系,为常数,是各点到近岸的距离。小船船头垂直河岸从P点渡河,设小船在静水中的速度不变,则小船渡河轨迹可能是下图中的

试题详情>>

6.一带负电小球在空中的P点运动到Q点,受重力、空气阻力和电场力作用,其中电场力对小球做功6.0J,小球克服重力做功2.5J,小球克服空气阻力做功1.5J,则

试题详情>>

A.小球在P点的重力势能比在Q点少2.5J;

B.小球在P点的机械能比在Q点多l.5J;

试题详情>>

C.小球在P点的电势能比在Q点少6.0J;

试题详情>>

D.小球在P点的动能比在Q点少2.0J。

试题详情>>

7.堵住打气筒的出气口,下压活塞使气体体积逐渐减小,你会感到越来越费力,其原因是

A.气体的密度增大,使得在相同时间内撞击活塞的气体分子数目增多

B.分子间没有可压缩的间隙

C.压缩气体要克服分子力做功

D.分子间距离越来越小,分子斥力越来越大

试题详情>>

8.如下图所示为两列沿同一根绳传播的(虚线表示甲波,实线表示乙波)简谐横波在某时刻的波形图,其中甲波向右传播,乙波向左传播。则下列说法中正确的是

试题详情>>

A.甲波的速度与乙波的速度一样大

试题详情>>

B.这两列波将发生干涉现象,绳上处的质点的振动始终减弱

试题详情>>

C.绳上处的质点的振动始终加强,位移始终最大

试题详情>>

D.由图示时刻开始,再经甲波周期的1/4,绳上处的质点将位于波谷

试题详情>>

9.如下图所示,在某次洪灾救险中,直升机用悬索吊起困在水中的伤员,并沿水平方向以相同的速度做匀速运动,同时,在某一段时间内,直升机与伤员之间的距离也以(式中为直升机离水面的高度)的规律变化,则在这段时间内

试题详情>>

A.悬索的拉力等于伤员的重力                   B.悬索的拉力大于伤员的重力

C.伤员做匀减速直线运动                          D.伤员做匀变速曲线运动,速度在增加

试题详情>>

10.如下图所示,AB是圆的直径,该圆处于匀强电场中,场强方向与圆所在平面平行。在圆周平面内,将一带正电的小球从A点以相同的动能抛出,抛出方向不同时,小球会从圆周上的不同位置离开圆形区域,其中小球从C点离开圆形区域时动能最大。设小球在电场中只受电场力作用,图中O是圆心,AC与AB夹角为,则关于匀强电场的方向和电势差大小说法正确的是

试题详情>>

A.匀强电场方向沿AB方向,AB间电势差最大

B.匀强电场方向沿AC方向,AC间电势差最大

C.匀强电场方向沿OC方向,AC间电势差最大

D.匀强电场方向沿BC方向,AB间电势差最大

第Ⅱ卷(非选择题       共80分)

试题详情>>

11.(6分)下图a是用螺旋测微器测量一金属丝直径时的图示,其示数应为              mm。图b是20分度游标卡尺刻线的一部分,已知图b的示数为1.975cm,则方框中刻线A的数值为              

试题详情>>

12.(12分)请利用下列器材测出电压表V1的内阻,要求有尽可能高的测量精度,并能测得多组数据.

A.电压表V1(量程为3V,内阻约几千欧姆);

B.电压表V2(量程为15V,内阻约几十千欧姆);

试题详情>>

C.定值电阻R0(10k);

试题详情>>

D.滑动变阻器R(0~100);

E.直流电源E(电动势约为12V);

F.开关S、导线若干。         

(1)在虚线框中画出测量电路图。(在图中元件标上相应符号)

试题详情>>

(2)用已知量和一组直接测得量表示电压表V1内阻的表达式为=           。式中符号的物理意义是                                                                         

(3)用笔画线代替导线将器材实物按以上要求连接成实验电路。

试题详情>>

13.(9分)MN、PQ是两条竖直线,物体处在MN、PQ区域时将受到水平恒力的作用。现有一质量为的物体,从MN上A点以速度射入,恰能沿直线运动,如下图所示。已知方向与水平线夹角为,且MN、PQ区域足够大,,求:

试题详情>>

(1)物体在MN、PQ间运动时离A点的最远距离;

(2)物体在MN、PQ间运动的时间。

试题详情>>

14.(9分)在发射卫星过程中,地面对卫星要进行跟踪和测控,根据跟踪信息,计算机在地面控制中心的大屏幕上将绘制出卫星的运行图线,它记录的是卫星运行时在地球表面垂直投影的位置变化。下图为某次测控时计算机绘制的卫星运行图线;图中①、②、③、④分别为卫星绕地球做圆周飞行时,途经中国和太平洋地区的连续四次运行图线(如:图线①表示卫星通过赤道时的经度为西经157.5°,图线②为卫星绕行一圈后,再次经过赤道时的经度为180°……),已知地球的质量和半径分别为M、R,万有引力常量为G,从图中你能知道该卫星哪些轨道参数?(参数若需推导,只需用字母写出推导过程)

试题详情>>

15.(10分)在光滑的水平桌面上有一有界匀强磁场区域,磁场方向竖直向下,一正方形金属线框位于有界匀强磁场区域内,线框的右边紧贴着磁场边界,如下图甲所示。线框质量为、电阻为R,则:

试题详情>>

(1)线框以初速度开始运动,完全滑出磁场时的速度为,则线框恰有一半滑出磁场时的速度是多少?

试题详情>>

(2)若时刻对线框施加一水平向右的外力F,让线框从静止开始做匀加速直线运动,在时刻穿出磁场;图乙为外力F随时间变化的图像,图示物理量均为已知量,则线框在穿出磁场时的速度、匀强磁场的磁感应强度分别是多少?

试题详情>>

16.(10分)如下图所示,平行板电容器两极板M、N竖直放置,板长与宽都远大于板间距,极板M在紫外线照射下能发射光电子。在开关S断开时,图示电路中电流表有示数;若在M、N间加一垂直纸面的水平匀强磁场,磁感应强度大小为B,电流表的示数恰为零。闭合开关S,从左向右移动滑片P,可使电流表的示数减小,当滑片P移到某一位置时,电流表示数也恰减为零,此时电压表的示数为多少?已知电子电荷量为,质量为

试题详情>>

17.(11分)在绝缘粗糙的水平面上放置一个带电滑块P,质量为,电荷量。距P的左边处有一个不带电的滑块Q,质量为,Q距左边竖直绝缘墙壁,如下图所示。在水平面上方加一方向水平向左的匀强电场,电场强度。滑块P由静止开始向左滑动并与Q发生碰撞,设碰撞时间极短,碰撞后两滑块粘合在一起,向左运动并与墙壁发生没有机械能损失的碰撞,两滑块的体积大小可以忽略不计,两滑块与水平面间的动摩擦因数均为,两滑块受水平面最大静摩擦力为求:

试题详情>>

(1)P与Q相碰前瞬间P的速度是多少?

(2)P与Q相碰后瞬间Q的速度是多少?

(3)P滑块在整个运动过程中,运动的路程为多少?

试题详情>>

18.(13分)如下图甲所示在光滑且绝缘的斜面上,有一宽度为的匀强磁场,磁场边界与斜面顶端、底边平行。一正方形金属框置于斜面顶端,其上边紧贴着边,并从静止开始沿斜面下滑,设金属框在下滑时瞬时速度为,对应的位移为,其图像如图乙所示。已知匀强磁场方向垂直斜面向上,金属框质量,总电阻,求:

试题详情>>

(1)根据图像计算斜面倾角

(2)匀强磁场的磁感应强度B;

试题详情>>

(3)现用平行斜面向上的恒力F作用在金属框上,使金属框从斜面底端静止开始沿斜面向上运动,匀速通过磁场区域后到达斜面顶端.试计算恒力F做功的最小值。

试题详情>>
关闭