1.肥皂泡呈现的彩色,露珠呈现的彩色,通过狭缝看到的白光光源的彩色条纹,分别属于

                                                                                                                              (    )

       A.光的色散、干涉、衍射现象               B.光的干涉、色散、衍射现象

       C.光的干涉、衍射、色散现象               D.光的衍射、色散、干涉现象

试题详情>>

2.下列关于光的波粒二象性的说法中正确的是                                                      (    )

       A.光的波动性和粒子性是相互矛盾的,不能统一

       B.在衍射现象中,暗条纹的地方是光子永远不能到达的地方

       C.大量光子表现出的波动性强,少量光子表现出的粒子性强

       D.频率低的光子表现出的粒子性强,频率高的光子表现出的波动性强

试题详情>>

3.如图所表示的是伦琴射线管的装置示意图,关于该装置,下列说法正确的是     (    )

试题详情>>

       A.E1是低压交流电源,E2是高压直流电源,且E2的右端为电源的正极

       B.射线D、F均是电子流

       C.射线D是电子流、射线F是X射线

       D.射线D是X射线、射线F是电子流

试题详情>>

4.用单色光做双缝干涉实验和单缝衍射实验,比较屏上的条纹,正确的是            (    )

       A.双缝干涉条纹是等间距的明暗相同的条纹

       B.单缝衍射条纹是中央窄、两边宽的明暗相间的条纹。

       C.双缝干涉条纹是中央宽、两边窄的明暗相间的条纹。

       D.单缝衍射条纹是等是距的明暗相间的条纹。

试题详情>>

5. 一个理想变压器的原线圈和副线圈的匝数之比为2:1,如果将原线圈接在直流电压为6V电池组上,则副线圈的电压是                                                                                               (    )

       A.12V                    B.3V                      C.0V                      D.1/4V

试题详情>>

6.根据麦克斯韦磁场理论,以下说法中不正确的是                                               (    )

       A.稳定的电场周围产生稳定的磁场,稳定的磁场周围产生稳定的电场

       B.变化的电场周围产生磁场,变化磁场周围产生电场

       C.均匀变化的电场周围产生稳定的磁场,均匀变化的磁场周围产生稳定的电场

       D.振荡电场周围产生同频率的振荡磁场,振荡磁场周围产生同频率的振荡电场

试题详情>>

7.下列说法不正确的是                                                                                         (    )

试题详情>>

       A.按波长由长到短排列:红外线、可见光、紫外线、射线

       B.伦琴射线频率小于紫外线的频率

       C.可见光是原子外层电子受激发后产生

       D.纵波不可能产生偏振现象

试题详情>>

8. 某种金属在一束紫光照射下恰有光电子逸出。要使逸出的光电子的最大初动能增大,可采用的方法是                                                     (    )

       A.增大紫光的照射强度                          B.增大紫光的照射时间

       C.改用红外线照射                                 D.改用紫外线照射

试题详情>>

9. 氢原子发出a、b两种频率光,经三棱镜折射后的光路如图所示,若a光是由能级n=4向n=1跃迁时发出时,则b光可能是                         (    )

试题详情>>

       A.从能级n=5向n=1跃迁时发出的        B.从能级n=3向n=1跃迁时发出的

       C.从能级n=5向n=2跃迁时发出的        D.从能级n=3向n=2跃迁时发出的

20080805

试题详情>>

       A.铝环有收缩的趋势,对桌面的压力增大B.铝环有扩张的趋势,对桌面的压力增大

       C.铝环有收缩的趋势,对桌面的压力减小D.铝环有扩张的趋势,对桌面的压力减小

试题详情>>

11.通电螺线管内有一在磁场力作用下处于静止的小磁针,磁针指向如图所示,则(    )

试题详情>>

       A.螺线管的P端为N极,a接电源的正极B.螺线管的P端为N极,a接电源的负极

       C.螺线管的P端为S极,a接电源的正极D.螺线管的P端为S极,a接电源的负极

试题详情>>

12.在收音机电路中,经天线接收下来的电信号既有高频成份又有低频成分,经放大后送到下一级,需要把高频成分和低频成分分开,只让只有低频成分的电信号输入下一级,如果采用如图所示的电路图,图中线线框a和b内只用一个电容或电感,那么(    ) 

试题详情>>

       A.a是电容,用来阻高频通低频             B.a是电感,用来阻交流通直流

       C.b是电感,用来阻高通低频                D.b是电容,用来阻高频通低频

试题详情>>

13.如图所示,圆形区域有垂直纸面向里的匀强磁场,三个质量和电荷量都相同的带电粒子a、b、c,以不同的速率对准圆心O沿着AO方向射入磁场,其运动轨迹如图。若带电粒子只受磁场力的作用,则下列说法正确的是                                       (    )

试题详情>>

       A.三种粒子都带正电                             B.粒子所受磁场力最小

       C.c粒子在磁场中运动时间最长             D.c粒子做圆周运动的周期最大

试题详情>>

14.在一通电长直导线附近放置一个导线圆环,当长直导线中的电流减小时,图中导线圆环

里会产生感应电流的是                                                                   (    )

试题详情>>

(甲)长直导线穿过导线环中心,和导线所在平面垂直

       (乙)导线环对称地放在长直导线上面

       (丙)长直导线放在导线环旁边且与环在同一平面内

       A.只有甲               B.只有乙和丙        C.只有丙               D.只有甲和丙

试题详情>>

15.在如图所示的电路中,自感线圈L的直流电阻很小,且小于灯泡A的电阻。开关S闭合后,灯泡正常发光。现断开开关S,以下说法正确的是                                                         (    )

试题详情>>

       A.断开S的瞬间,灯泡立即熄灭

       B.断开S的瞬间,通过灯泡的电流方向为从C到D

       C.断开S后,灯泡先变亮,再逐渐变暗

       D.断开S后,灯泡在原来亮度基础上逐渐变暗

试题详情>>

16.如图所示,MN是暗室墙上的一把直尺,一束宽度为a的平行白光垂直射向MN,现将一横截面积是直角三角形(顶角A为30°)的玻璃三棱镜放在图中虚线位置,且使其截面的直角边AB与MN平行,则放上三棱镜后,射到直尺上的光将                            (    )

试题详情>>

       A.被照亮部分下移                                 B.被照亮部分的宽度不变

       C.上边缘呈紫色,下边缘呈红色            D.上边比呈红色,下边缘呈紫色

试题详情>>

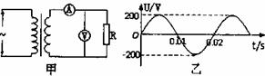
17.理想变压器的连接电路如图甲所示原副线圈匝数比为10:1,当输入电压如图乙所示时,甲图中电流表读数为2A,则                                                                (    )

试题详情>>

       A.交流电的频率是100Hz                       B.电压表读数为20v

试题详情>>

       C.变压器输入功率为20w                D.电阻R阻值为5

试题详情>>

18.电阻为R,半径为r的金属环绕通过某直径的轴OO′以角速度做匀速转动,匀强磁场的磁感应强度为B,以金属环的平面与磁场方向重合时开始计时,则在转过90°的过程中,下列说法正确的是                 (    )

试题详情>>

       A.环中产生的电流有效值为     B.流过环中的电量为

试题详情>>

       C.环中产生的电动势的平均值为3BD.环中产生的热量为

试题详情>>

19.如图所示,s为一点光源,P、Q是偏振片,R是一光敏电阻,R1、R2是定值电阻,电流表和电压表均为理想电表,电源电动势为E,内阻为r。则当偏振片Q由图示位置转动90°的过程中,电流表和电压表的示数变化情况为                                    (    )

试题详情>>

       A.电流表的示数变大,电压表的示数变小B.电流表的示数变大,电压表的示数变大

       C.电流表的示数变小,电压表的示数变大D.电流表的示数变小,电压表的示数变小

试题详情>>

20.著名物理学家费曼曾设计过这样一个实验装置:一块绝缘圆板可绕其中心的光滑轴自由转动,在圆板的中部有一个线圈,圆板的四周固定着一圈带电的金属小球,如图所示。当线圈接通电源后,将产生流过图示方向的电流,则下列说法正确的是(    )

试题详情>>

       A. 接通电源瞬间,圆板不会发生转动

       B.线圈中电流强度的增大或减小会引起圆板向不同方向转动

       C.若金属小球带正电,接通电源瞬间圆板转动方向与线圈中电流流向相同

       D.若金属小球带负电,接通电源瞬间圆板转动方向与线圈中电流流向相同

第Ⅱ卷(非选择题,共40分)

20080805

试题详情>>

21.(6分)某同学用圆柱形玻璃砖做测定玻璃折射率的实验,先在白纸上放圆柱形玻璃砖,在玻璃砖上的一侧插上两枚大头针P1和P2,然后在圆柱形玻璃砖另一侧观察,调整视线使P1的像被P2的像挡住,接着在眼睛所在的一侧相继又插上两枚大头针P3、P4,使P3挡住P1、P2的像,使P4挡住P3和P1、P2的像,在纸上标出的大头针位置和圆柱形玻璃砖的边界如图所示。

   (1)在图上画出所需的光路。

   (2)为了测量出玻璃折射率,需要测量的物理量有               (要求在图上标出)。

   (3)写出计算折射率的公式n=                 

试题详情>>

22.(6分)某同学设计了一个测定激光的波长的实验装置如图所示,激光器发出一束直径很小的红色激光进入一个一端装和双缝、另一端装有感光片的遮光筒,感光片的位置上出现一排等距的亮线。

试题详情>>

   (1)这个现象说明激光具有             性。

试题详情>>

   (2)某同学在做“用双缝干涉测光的波长”实验时,第一次分划板中心刻度线对齐A条纹中心时如图甲所示,螺旋测微器的示数如图丙所示;第二次分划板中心刻度线对齐B条纹中心线对如图乙所示,螺旋测微器的读数如图丁所示。已知双缝间距为0.5mm,从双缝到屏的距离为1m,则图丙中螺旋测微器的示数为             mm。图丁中螺旋测微器的示数为             mm。实验时测量多条干涉条纹宽度的目的是             ,所测光波的波长为             m。(保留两位有效数字)

   (3)如果实验时将红激光换成蓝激光,屏上相邻两条纹的距离将            

试题详情>>

23.(6分)如图所示,一点光源S放在10cm厚的玻璃板下面,在上面可看到一个圆形光斑,若玻璃折射率为1.5,请求出圆形光斑的直径为多少?

试题详情>>

24.(6分)某小水电站输出交流电功率100kw,发电机输出电压250V,用来向远处送电的输电线总阻为10,为了把输电线上损耗的电功率限制到电站输出电功率的1%,采用变压器升压送电,到达用户时再用变压器把电压降到220V,请(皆按理想变压器计算)

   (1)计算电站的升压变压器的匝数比是多少?

   (2)用户的降压变压器的匝数比是多少?

试题详情>>

25.(8分)如图所示,宽度为L的足够长的平行金属导轨MN、PQ的电阻不计,垂直导轨水平放置一质量为m电阻为R的金属杆CD,整个装置处于垂直导轨平面的匀强磁场中,导轨平面与水平面之间的夹角为,导轨平面与水平面之间的动摩擦因数为。金属杆由静止开始下滑,下滑过程中重力的最大功率为P,求磁感应强度B的大小。

试题详情>>

26.(8分)如图所示,水平放置的两块长直平行金属板a、b相距d=0.10m,a、b间的电场强度为E=5.0×105N/C,b板下方整个空间存在着磁感应强度大小为B=2.0T、方向垂直纸面向里的匀强磁场,今有一质量为m=4.8×10-25kg、电荷量为q=1.6×10-18C 的带正电粒子(不计重力),从贴近a板的左端以v0=1.0×106m/s的初速度水平射入匀强电场,刚好从狭缝P处穿过b板而垂直进入匀强磁场,最后粒子回到b板的Q处(图中未画出)。求P、Q之间的距离L。

试题详情>>
关闭