1. 电磁铁由
2. 与永磁体相比,电磁铁具有以下几个优点:
(1)电磁铁磁性的有无可以由
(2)电磁铁磁性的强弱可以通过调节
(3)电磁铁的N、S极是由线圈中的
3. 电磁继电器是用
4. 电磁继电器工作电路可分为
5. 利用电磁继电器可以用
线圈
和铁芯
组成。电磁铁磁性的强弱与线圈中电流的大小
及线圈的匝数
有关。2. 与永磁体相比,电磁铁具有以下几个优点:
(1)电磁铁磁性的有无可以由
通电、断电
来控制。(2)电磁铁磁性的强弱可以通过调节
电流的大小
来控制。(3)电磁铁的N、S极是由线圈中的
电流方向
决定的,便于人工控制。3. 电磁继电器是用
电磁铁
控制电路的一种开关
。4. 电磁继电器工作电路可分为
控制
电路和受控
电路两部分。5. 利用电磁继电器可以用
低电压
、弱电流
的控制电路来控制高电压
、强电流
的受控电路,并且能实现遥控和生产自动化。
答案:
1. 线圈 铁芯 线圈中电流的大小 线圈的匝数
2.
(1)通电、断电
(2)电流的大小
(3)电流方向 3. 电磁铁 开关 4. 控制 受控 5. 低电压 弱电流 高电压 强电流
2.
(1)通电、断电
(2)电流的大小
(3)电流方向 3. 电磁铁 开关 4. 控制 受控 5. 低电压 弱电流 高电压 强电流
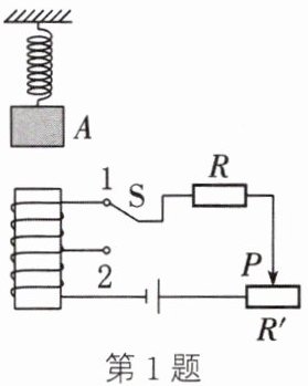
1. 如图所示,弹簧下端悬挂一铁块$A$,开关$S$由$1$拨向$2$时,弹簧的伸长量将

变小
(变大/不变/变小),若想使弹簧变长,则可以向左
(左/右)移动滑动变阻器的滑片。
答案:
1. 变小 左
2. 虽然纯净的水是不导电的,但一般的水都能导电。根据水的导电性可以设计一种水位自动报警器,其原理如图所示,图中的螺线管中插入了一根软铁棒,通电后磁性会更

强
(强/弱);当水位到达金属块$A$时,红
(红/绿)灯亮。
答案:
2. 强 红
3. 下列选项中,能减弱通电螺线管磁性的措施是
(
A.改变线圈中的电流方向
B.增加线圈的匝数
C.减小线圈中的电流
D.在线圈中插入铁芯
(
C
)A.改变线圈中的电流方向
B.增加线圈的匝数
C.减小线圈中的电流
D.在线圈中插入铁芯
答案:
3. C
4. 下列功能中,电磁继电器不能完成的是
(
A.控制电路中电流的连续变化
B.控制电路中电流的有无
C.利用低电压、弱电流控制高电压、强电流
D.实现遥控和生产自动化
(
A
)A.控制电路中电流的连续变化
B.控制电路中电流的有无
C.利用低电压、弱电流控制高电压、强电流
D.实现遥控和生产自动化
答案:
4. A
查看更多完整答案,请扫码查看