第24页
- 第1页
- 第2页
- 第3页
- 第4页
- 第5页
- 第6页
- 第7页
- 第8页
- 第9页
- 第10页
- 第11页
- 第12页
- 第13页
- 第14页
- 第15页
- 第16页
- 第17页
- 第18页
- 第19页
- 第20页
- 第21页
- 第22页
- 第23页
- 第24页
- 第25页
- 第26页
- 第27页
- 第28页
- 第29页
- 第30页
- 第31页
- 第32页
- 第33页
- 第34页
- 第35页
- 第36页
- 第37页
- 第38页
- 第39页
- 第40页
- 第41页
- 第42页
- 第43页
- 第44页
- 第45页
- 第46页
- 第47页
- 第48页
- 第49页
- 第50页
- 第51页
- 第52页
- 第53页
- 第54页
- 第55页
- 第56页
- 第57页
- 第58页
- 第59页
- 第60页
- 第61页
- 第62页
- 第63页
- 第64页
- 第65页
- 第66页
- 第67页
- 第68页
- 第69页
- 第70页
- 第71页
- 第72页
- 第73页
- 第74页
- 第75页
- 第76页
- 第77页
- 第78页
- 第79页
- 第80页
- 第81页
- 第82页
- 第83页
- 第84页
- 第85页
- 第86页
- 第87页
- 第88页
- 第89页
- 第90页
- 第91页
- 第92页
- 第93页
- 第94页
- 第95页
- 第96页
- 第97页
- 第98页
- 第99页
- 第100页
- 第101页
- 第102页
- 第103页
- 第104页
- 第105页
- 第106页
- 第107页
- 第108页
- 第109页
- 第110页
- 第111页
- 第112页
- 第113页
- 第114页
- 第115页
- 第116页
- 第117页
- 第118页
- 第119页
- 第120页
- 第121页
- 第122页
- 第123页
- 第124页
- 第125页
- 第126页
- 第127页
6. 如图4,在平面直角坐标系中有一块均匀薄板,将它沿虚线分成两个小长方形,它们的重心分别为$G_1(1,4)$,$G_2(4,3)$,计算薄板整体的重心坐标。

答案:
解:左侧小长方形面积为2×4=8,右侧小长方形面积为4×6=24,8+24=32,
$ \overline{x}=\frac{8× 1+24× 4}{32}=3.25 $,
$ \overline{y}=\frac{8× 4+24× 3}{32}=3.25 $,
薄板整体的重心坐标为(3.25,3.25)。
$ \overline{x}=\frac{8× 1+24× 4}{32}=3.25 $,
$ \overline{y}=\frac{8× 4+24× 3}{32}=3.25 $,
薄板整体的重心坐标为(3.25,3.25)。
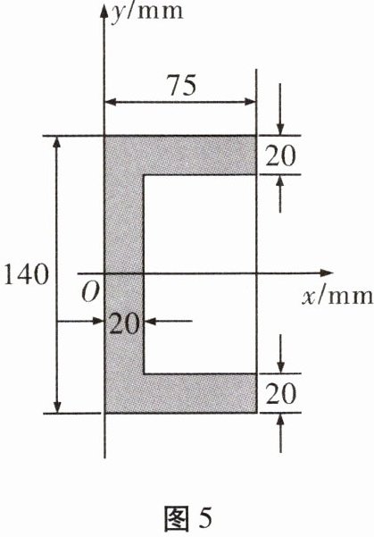
7. 一个$C$字形均匀工件如图5所示,请通过推理、计算确定它的重心位置。

活动三 跳高运动员为什么采用“背越式”
【解题技巧】背越式跳高时,运动员身体呈反弓形,实际重心低于横杆,从而以更低的腾空高度越过横杆,更省力、成绩更好。
活动三 跳高运动员为什么采用“背越式”
【解题技巧】背越式跳高时,运动员身体呈反弓形,实际重心低于横杆,从而以更低的腾空高度越过横杆,更省力、成绩更好。
答案:
解:将C字形工件视为长140 mm、宽75 mm的大长方形挖去一个长100 mm、宽55 mm的小长方形,
则$ S_{大}=75× 140=10500(mm^2) $,
$ \overline{x}_{大}=\frac{75}{2}=37.5 $,
$ S_{小}=55× 100=5500(mm^2) $,
$ \overline{x}_{小}=\frac{20+75}{2}=47.5 $,
$ \overline{x}=\frac{S_{大}\cdot \overline{x}_{大}-S_{小}\cdot \overline{x}_{小}}{S_{大}-S_{小}}=\frac{10500× 37.5-5500× 47.5}{10500-5500}=26.5 $,
由C字形工件关于x轴对称可知,它的重心在x轴上,因此,它的重心坐标为(26.5,0)。
则$ S_{大}=75× 140=10500(mm^2) $,
$ \overline{x}_{大}=\frac{75}{2}=37.5 $,
$ S_{小}=55× 100=5500(mm^2) $,
$ \overline{x}_{小}=\frac{20+75}{2}=47.5 $,
$ \overline{x}=\frac{S_{大}\cdot \overline{x}_{大}-S_{小}\cdot \overline{x}_{小}}{S_{大}-S_{小}}=\frac{10500× 37.5-5500× 47.5}{10500-5500}=26.5 $,
由C字形工件关于x轴对称可知,它的重心在x轴上,因此,它的重心坐标为(26.5,0)。
8. 田径比赛中的跳高项目,经历了“跨越式”“剪式”“滚式”“俯卧式”“背越式”五次技术性的革命。目前运动员普遍采用“背越式”技术,下列说法正确的是(
A.采用“背越式”技术,目的是起跳时人体重心可以高出横杆很多
B.“背越式”跳高时,人跃起后不再受重力
C.“背越式”掌握得好的运动员,过杆时重心可以低于横杆
D.“背越式”掌握得好的运动员,过杆时重心一定在运动员身上
C
)A.采用“背越式”技术,目的是起跳时人体重心可以高出横杆很多
B.“背越式”跳高时,人跃起后不再受重力
C.“背越式”掌握得好的运动员,过杆时重心可以低于横杆
D.“背越式”掌握得好的运动员,过杆时重心一定在运动员身上
答案:
C
9. 如图6所示是跳高发展的三个历史阶段,假设某运动员采用图甲姿势可跃过$1.70m$,采用图乙姿势可跳过$1.80m$;而采用图丙姿势则有望突破$2m$,试用重心的知识来解释采用“背越式”为何能提高成绩。

答案:
解:跳高项目是克服自身重力做功过程,同一个运动员向上跳起的高度是一定的,这一高度是指运动员的重心到地面的最大高度,即运动员的重心距地面的高度一定,不同的跳高姿势运动员的重心与横杆的位置关系不同,其中跨越式跳高时,运动员的重心高出横杆很多;俯卧式跳高时,运动员的重心稍高于横杆;背越式跳高时,运动员的重心低于横杆,从而以更低的腾空高度越过横杆,更省力、成绩更好。
查看更多完整答案,请扫码查看