第100页
- 第1页
- 第2页
- 第3页
- 第4页
- 第5页
- 第6页
- 第7页
- 第8页
- 第9页
- 第10页
- 第11页
- 第12页
- 第13页
- 第14页
- 第15页
- 第16页
- 第17页
- 第18页
- 第19页
- 第20页
- 第21页
- 第22页
- 第23页
- 第24页
- 第25页
- 第26页
- 第27页
- 第28页
- 第29页
- 第30页
- 第31页
- 第32页
- 第33页
- 第34页
- 第35页
- 第36页
- 第37页
- 第38页
- 第39页
- 第40页
- 第41页
- 第42页
- 第43页
- 第44页
- 第45页
- 第46页
- 第47页
- 第48页
- 第49页
- 第50页
- 第51页
- 第52页
- 第53页
- 第54页
- 第55页
- 第56页
- 第57页
- 第58页
- 第59页
- 第60页
- 第61页
- 第62页
- 第63页
- 第64页
- 第65页
- 第66页
- 第67页
- 第68页
- 第69页
- 第70页
- 第71页
- 第72页
- 第73页
- 第74页
- 第75页
- 第76页
- 第77页
- 第78页
- 第79页
- 第80页
- 第81页
- 第82页
- 第83页
- 第84页
- 第85页
- 第86页
- 第87页
- 第88页
- 第89页
- 第90页
- 第91页
- 第92页
- 第93页
- 第94页
- 第95页
- 第96页
- 第97页
- 第98页
- 第99页
- 第100页
- 第101页
- 第102页
- 第103页
- 第104页
- 第105页
- 第106页
- 第107页
- 第108页
- 第109页
- 第110页
- 第111页
- 第112页
1. 家庭电路中的熔丝突然熔断,电路故障不可能是( )。
A.电路中的总电阻突然变大
B.电路的总功率突然变大
C.电路中的电流突然变大
D.电路突然短路
A.电路中的总电阻突然变大
B.电路的总功率突然变大
C.电路中的电流突然变大
D.电路突然短路
答案:
A
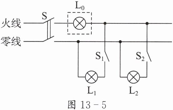
2. 电工师傅在帮某个家庭检修电路故障时,用一盏标有“$220\ V\ \ 40\ W$”字样的完好灯泡 $L_0$(检验灯泡)取代熔丝接入电路,如图 13 - 5 所示。电工师傅将其他用电器都断开,只保留了 $L_1$、$L_2$ 两个灯泡所在支路,并经过一系列的操作,确定了故障是 $L_2$ 发生了短路。下列所描述的现象与电工师傅操作时所观察到的现象相符的是( )。
[img]
图 13 - 5:电路图,有火线、零线、开关 S、检验灯泡 L₀(虚线框)、灯泡 L_1、L_2、开关 S_1、S_2。L₀ 接在火线和零线之间,L_1 支路:S_1 控制 L_1,L_1 一端接零线,一端接 S_1,S_1 另一端接 L₀ 右端。L_2 支路:S_2 控制 L_2,L_2 一端接零线,一端接 S_2,S_2 另一端接 L₀ 右端。

[/img]
A.同时闭合三个开关,$L_0$ 正常发光,$L_1$ 发光,$L_2$ 不发光
B.只闭合开关 $S$、$S_1$ 时,$L_0$ 和 $L_1$ 均发光,但都比正常发光暗
C.只闭合开关 $S$、$S_2$ 时,$L_0$ 和 $L_2$ 均不发光
D.只闭合开关 $S$,$L_0$ 正常发光
[img]
图 13 - 5:电路图,有火线、零线、开关 S、检验灯泡 L₀(虚线框)、灯泡 L_1、L_2、开关 S_1、S_2。L₀ 接在火线和零线之间,L_1 支路:S_1 控制 L_1,L_1 一端接零线,一端接 S_1,S_1 另一端接 L₀ 右端。L_2 支路:S_2 控制 L_2,L_2 一端接零线,一端接 S_2,S_2 另一端接 L₀ 右端。
[/img]
A.同时闭合三个开关,$L_0$ 正常发光,$L_1$ 发光,$L_2$ 不发光
B.只闭合开关 $S$、$S_1$ 时,$L_0$ 和 $L_1$ 均发光,但都比正常发光暗
C.只闭合开关 $S$、$S_2$ 时,$L_0$ 和 $L_2$ 均不发光
D.只闭合开关 $S$,$L_0$ 正常发光
答案:
B
1. 如图 13 - 6 所示,请用笔画线表示导线将图中元件连起来。(其中开关仅控制灯泡)
[img]
图 13 - 6:有三条平行导线,最上边导线试电笔测试氖管发光(火线),中间零线,下边地线。元件:螺口灯泡、开关、三孔插座。

[/img]
[img]
图 13 - 6:有三条平行导线,最上边导线试电笔测试氖管发光(火线),中间零线,下边地线。元件:螺口灯泡、开关、三孔插座。
[/img]
答案:
答案 如图D-13-3所示
答案 如图D-13-3所示
2. 小言用碳膜电位器设计了一个可调亮度的电灯,如图 13 - 7 所示。为了安全,她把电路元件安装在塑料外壳内,请根据安全用电的原则,把各元件连入家庭电路中,要求滑动头顺时针滑动时小灯泡变亮。(碳膜电位器有开关的功能)
[img]
图 13 - 7:有三条平行导线,上边火线,中间零线,下边地线。塑料外壳内有灯泡、碳膜电位器(有滑动头)。

[/img]
[img]
图 13 - 7:有三条平行导线,上边火线,中间零线,下边地线。塑料外壳内有灯泡、碳膜电位器(有滑动头)。
[/img]
答案:
答案 如图D-13-4所示
答案 如图D-13-4所示
查看更多完整答案,请扫码查看