第105页
- 第1页
- 第2页
- 第3页
- 第4页
- 第5页
- 第6页
- 第7页
- 第8页
- 第9页
- 第10页
- 第11页
- 第12页
- 第13页
- 第14页
- 第15页
- 第16页
- 第17页
- 第18页
- 第19页
- 第20页
- 第21页
- 第22页
- 第23页
- 第24页
- 第25页
- 第26页
- 第27页
- 第28页
- 第29页
- 第30页
- 第31页
- 第32页
- 第33页
- 第34页
- 第35页
- 第36页
- 第37页
- 第38页
- 第39页
- 第40页
- 第41页
- 第42页
- 第43页
- 第44页
- 第45页
- 第46页
- 第47页
- 第48页
- 第49页
- 第50页
- 第51页
- 第52页
- 第53页
- 第54页
- 第55页
- 第56页
- 第57页
- 第58页
- 第59页
- 第60页
- 第61页
- 第62页
- 第63页
- 第64页
- 第65页
- 第66页
- 第67页
- 第68页
- 第69页
- 第70页
- 第71页
- 第72页
- 第73页
- 第74页
- 第75页
- 第76页
- 第77页
- 第78页
- 第79页
- 第80页
- 第81页
- 第82页
- 第83页
- 第84页
- 第85页
- 第86页
- 第87页
- 第88页
- 第89页
- 第90页
- 第91页
- 第92页
- 第93页
- 第94页
- 第95页
- 第96页
- 第97页
- 第98页
- 第99页
- 第100页
- 第101页
- 第102页
- 第103页
- 第104页
- 第105页
- 第106页
- 第107页
- 第108页
- 第109页
- 第110页
- 第111页
- 第112页
- 第113页
- 第114页
- 第115页
- 第116页
- 第117页
- 第118页
- 第119页
7.(湖北随州曾都区三模)如图是小明设计的一种聪明的“楼梯灯”电路$,S_1、$$S_2$分别为声控和光控开关,实现了只有当晚上有人经过时灯才会发光的控制效果,且符合安全用电接线要求。则(

A.A线为相线
B.有声音时$,S_1$闭合
C.无光时$,S_2$断开
$D.S_1、$$S_2$的位置不能互换
B
)A.A线为相线
B.有声音时$,S_1$闭合
C.无光时$,S_2$断开
$D.S_1、$$S_2$的位置不能互换
答案:
B
8.(江苏扬州邗江区校级三模)用带指示灯的开关控制阳台电灯,闭合开关,两灯都亮;断开开关,两灯都灭。使用时发现:指示灯因断路不亮,电灯照常发亮。下列设计与其符合的是(

C
)
答案:
C
9.(天津滨海新区二模)如图是小华设计的家庭电路图。下列说法正确的是(

A.开关连接正确
B.三孔插座连接正确
C.灯泡和两孔插座是并联的
D.测电笔插入两孔插座的左孔时氖管发光
C
)A.开关连接正确
B.三孔插座连接正确
C.灯泡和两孔插座是并联的
D.测电笔插入两孔插座的左孔时氖管发光
答案:
C
10.(湖北武汉青山区期末)如图是小明设计的家庭电路的电路图,下列对此电路图的分析错误的是(

A.保险盒接法错误,保险盒应该安装在相线上
B.开关和灯泡接法错误,开关接在相线上符合安全用电原则
C.两孔插座接法正确,其左端导线应该接在保护线上
D.三孔插座接法正确,使用电冰箱时,插头应插在三孔插座上
C
)A.保险盒接法错误,保险盒应该安装在相线上
B.开关和灯泡接法错误,开关接在相线上符合安全用电原则
C.两孔插座接法正确,其左端导线应该接在保护线上
D.三孔插座接法正确,使用电冰箱时,插头应插在三孔插座上
答案:
C
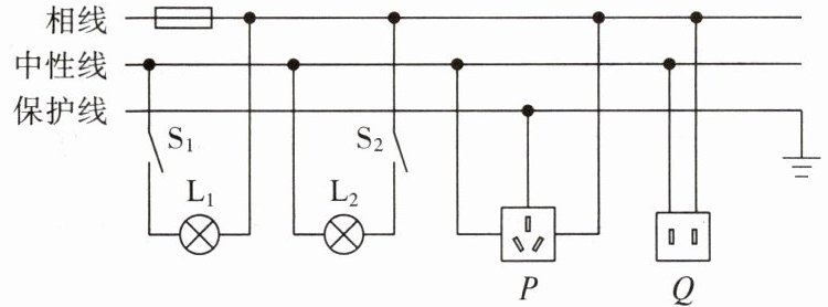
11.(山西晋中榆次区校级三模)学习家庭电路相关知识后,小明对设计的如图所示家庭电路及其使用的下列认识,正确的是(

A.图中两盏灯泡与其对应控制开关的连接都是正确的
B.如果灯泡$L_2$不能正常工作,则插座Q也一定不能正常工作
C.断开开关$S_1,$正确使用测电笔检查灯泡$L_1$两端接线柱,氖管都不会发光
D.电冰箱的插头保护线插脚脱落,插入插座后电冰箱仍可以正常工作,只是金属外壳不能接地
D
)A.图中两盏灯泡与其对应控制开关的连接都是正确的
B.如果灯泡$L_2$不能正常工作,则插座Q也一定不能正常工作
C.断开开关$S_1,$正确使用测电笔检查灯泡$L_1$两端接线柱,氖管都不会发光
D.电冰箱的插头保护线插脚脱落,插入插座后电冰箱仍可以正常工作,只是金属外壳不能接地
答案:
D
查看更多完整答案,请扫码查看