2025年绩优学案九年级物理全一册北师大版
注:目前有些书本章节名称可能整理的还不是很完善,但都是按照顺序排列的,请同学们按照顺序仔细查找。练习册 2025年绩优学案九年级物理全一册北师大版 答案主要是用来给同学们做完题方便对答案用的,请勿直接抄袭。
第49页
- 第1页
- 第2页
- 第3页
- 第4页
- 第5页
- 第6页
- 第7页
- 第8页
- 第9页
- 第10页
- 第11页
- 第12页
- 第13页
- 第14页
- 第15页
- 第16页
- 第17页
- 第18页
- 第19页
- 第20页
- 第21页
- 第22页
- 第23页
- 第24页
- 第25页
- 第26页
- 第27页
- 第28页
- 第29页
- 第30页
- 第31页
- 第32页
- 第33页
- 第34页
- 第35页
- 第36页
- 第37页
- 第38页
- 第39页
- 第40页
- 第41页
- 第42页
- 第43页
- 第44页
- 第45页
- 第46页
- 第47页
- 第48页
- 第49页
- 第50页
- 第51页
- 第52页
- 第53页
- 第54页
- 第55页
- 第56页
- 第57页
- 第58页
- 第59页
- 第60页
- 第61页
- 第62页
- 第63页
- 第64页
- 第65页
- 第66页
- 第67页
- 第68页
- 第69页
- 第70页
- 第71页
- 第72页
- 第73页
- 第74页
- 第75页
- 第76页
- 第77页
- 第78页
- 第79页
- 第80页
- 第81页
- 第82页
- 第83页
- 第84页
- 第85页
- 第86页
- 第87页
- 第88页
- 第89页
- 第90页
- 第91页
- 第92页
- 第93页
- 第94页
- 第95页
- 第96页
- 第97页
- 第98页
- 第99页
- 第100页
- 第101页
- 第102页
- 第103页
- 第104页
- 第105页
- 第106页
- 第107页
- 第108页
- 第109页
- 第110页
- 第111页
- 第112页
- 第113页
- 第114页
- 第115页
- 第116页
- 第117页
- 第118页
- 第119页
- 第120页
- 第121页
- 第122页
- 第123页
- 第124页
- 第125页
- 第126页
- 第127页
- 第128页
- 第129页
- 第130页
- 第131页
- 第132页
- 第133页
- 第134页
- 第135页
- 第136页
- 第137页
- 第138页
- 第139页
- 第140页
9. 关于图11-4-13所示电路,下列说法正确的是(

A.只闭合S₂和S₃时,灯L₁和L₂并联,电流表测通过L₁的电流
B.只闭合S₁和S₂时,灯L₂短路,电流表测通过L₁的电流
C.S₁、S₂、S₃都闭合时,形成了短路,L₁和L₂将烧坏
D.只闭合S₁和S₂时,L₁和L₂并联,电流表测L₁、L₂的电流之和
B
)A.只闭合S₂和S₃时,灯L₁和L₂并联,电流表测通过L₁的电流
B.只闭合S₁和S₂时,灯L₂短路,电流表测通过L₁的电流
C.S₁、S₂、S₃都闭合时,形成了短路,L₁和L₂将烧坏
D.只闭合S₁和S₂时,L₁和L₂并联,电流表测L₁、L₂的电流之和
答案:
B
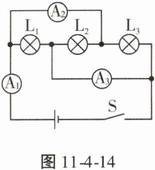
10. 如图11-4-14所示的电路中,电源电压恒定,当开关S闭合后,电流表A₁的示数为2.2 A,A₂的示数为1.2 A,A₃的示数为1.5 A。求流过灯L₁、L₂、L₃的电流I₁、I₂、I₃分别为多少。

答案:
解:根据题图可知,三个灯泡并联,电流表 $A_{1}$ 测量干路电流,则 $I=I_{1}+I_{2}+I_{3}=2.2A$, 电流表 $A_{2}$ 测量通过 $L_{2}$、$L_{3}$ 的电流之和,则 $I_{2}+I_{3}=1.2A$, 电流表 $A_{3}$ 测通过 $L_{1}$、$L_{2}$ 的电流之和,则 $I_{1}+I_{2}=1.5A$, 所以流经 $L_{1}$ 的电流 $I_{1}=I-I_{2}-I_{3}=2.2A-1.2A=1A$ 流经 $L_{2}$ 的电流 $I_{2}=1.5A-I_{1}=1.5A-1A=0.5A$ 流经 $L_{3}$ 的电流 $I_{3}=1.2A-I_{2}=1.2A-0.5A=0.7A$
11. 如图11-4-15甲所示,某电子线路板上有多个电路元件。电路中某一个节点(分支点)O点如图11-4-15乙所示,I₁为5 mA,I₂为9 mA,则I₃可能为

0.004或0.014
A。
答案:
0.004或0.014
查看更多完整答案,请扫码查看