2025年绩优学案九年级物理全一册北师大版
注:目前有些书本章节名称可能整理的还不是很完善,但都是按照顺序排列的,请同学们按照顺序仔细查找。练习册 2025年绩优学案九年级物理全一册北师大版 答案主要是用来给同学们做完题方便对答案用的,请勿直接抄袭。
第135页
- 第1页
- 第2页
- 第3页
- 第4页
- 第5页
- 第6页
- 第7页
- 第8页
- 第9页
- 第10页
- 第11页
- 第12页
- 第13页
- 第14页
- 第15页
- 第16页
- 第17页
- 第18页
- 第19页
- 第20页
- 第21页
- 第22页
- 第23页
- 第24页
- 第25页
- 第26页
- 第27页
- 第28页
- 第29页
- 第30页
- 第31页
- 第32页
- 第33页
- 第34页
- 第35页
- 第36页
- 第37页
- 第38页
- 第39页
- 第40页
- 第41页
- 第42页
- 第43页
- 第44页
- 第45页
- 第46页
- 第47页
- 第48页
- 第49页
- 第50页
- 第51页
- 第52页
- 第53页
- 第54页
- 第55页
- 第56页
- 第57页
- 第58页
- 第59页
- 第60页
- 第61页
- 第62页
- 第63页
- 第64页
- 第65页
- 第66页
- 第67页
- 第68页
- 第69页
- 第70页
- 第71页
- 第72页
- 第73页
- 第74页
- 第75页
- 第76页
- 第77页
- 第78页
- 第79页
- 第80页
- 第81页
- 第82页
- 第83页
- 第84页
- 第85页
- 第86页
- 第87页
- 第88页
- 第89页
- 第90页
- 第91页
- 第92页
- 第93页
- 第94页
- 第95页
- 第96页
- 第97页
- 第98页
- 第99页
- 第100页
- 第101页
- 第102页
- 第103页
- 第104页
- 第105页
- 第106页
- 第107页
- 第108页
- 第109页
- 第110页
- 第111页
- 第112页
- 第113页
- 第114页
- 第115页
- 第116页
- 第117页
- 第118页
- 第119页
- 第120页
- 第121页
- 第122页
- 第123页
- 第124页
- 第125页
- 第126页
- 第127页
- 第128页
- 第129页
- 第130页
- 第131页
- 第132页
- 第133页
- 第134页
- 第135页
- 第136页
- 第137页
- 第138页
- 第139页
- 第140页
2. 小明在学习完电与磁的知识后,自己动手用铁钉、电池和导线制作了几个电磁铁。已知$I_1 > I_2$,请你判断图14-4-6所示电磁铁中磁性最强的是(

D
)
答案:
D
3. 小明用两枚相同的铁钉和若干大头针探究电磁铁磁性强弱的影响因素,由图14-4-7中现象可知(

A.电磁铁磁性强弱与电流大小有关
B.电磁铁磁性强弱与线圈匝数有关
C.电磁铁A的磁性强于电磁铁B
D.电磁铁A、B的磁性强弱相同

B
)A.电磁铁磁性强弱与电流大小有关
B.电磁铁磁性强弱与线圈匝数有关
C.电磁铁A的磁性强于电磁铁B
D.电磁铁A、B的磁性强弱相同
答案:
B
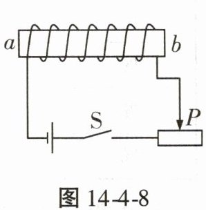
4. 如图14-4-8所示,当闭合开关S,且将滑动变阻器的滑片P向右移动时,图中的电磁铁(
A.a端是N极,磁性增强
B.a端是S极,磁性增强
C.b端是N极,磁性减弱
D.b端是S极,磁性减弱
C
)A.a端是N极,磁性增强
B.a端是S极,磁性增强
C.b端是N极,磁性减弱
D.b端是S极,磁性减弱
答案:
C
5. 如图14-4-9所示的电路中,开关S拨到a,小磁针静止时A端为

S
(选填“N”或“S”)极。保持滑动变阻器的滑片P不动,开关由a拨到b,电磁铁的磁性减弱
(选填“增强”“减弱”或“不变”)。保持开关位置不变,将滑动变阻器的滑片P向左
(选填“左”或“右”)移动,电磁铁的磁性增强。
答案:
S 减弱 左
6. 图14-4-10是一种防汛报警器的原理图,K是触点开关,B是一个漏斗形的竹片圆筒,里面有个浮子A。当水面上涨到警戒水位时(

A.甲灯亮
B.乙灯亮
C.两灯都亮
D.两灯都不亮
B
)A.甲灯亮
B.乙灯亮
C.两灯都亮
D.两灯都不亮
答案:
B
7. 小区内的路灯能根据光线亮暗情况实现自动控制,其电路原理如图14-4-11所示,$R_1$是定值电阻,$R_2$是光敏电阻,其阻值大小随光照强度的增大而减小。

(1) 闭合开关$S_1$,电磁铁的上端为
(2) 当开关$S_1$闭合,光线变暗时,电磁铁的磁性
(1) 闭合开关$S_1$,电磁铁的上端为
N
极。(2) 当开关$S_1$闭合,光线变暗时,电磁铁的磁性
减弱
,灯泡发光
(选填“发光”或“不发光”)。
答案:
(1)N
(2)减弱 发光
(1)N
(2)减弱 发光
查看更多完整答案,请扫码查看