第87页
- 第1页
- 第2页
- 第3页
- 第4页
- 第5页
- 第6页
- 第7页
- 第8页
- 第9页
- 第10页
- 第11页
- 第12页
- 第13页
- 第14页
- 第15页
- 第16页
- 第17页
- 第18页
- 第19页
- 第20页
- 第21页
- 第22页
- 第23页
- 第24页
- 第25页
- 第26页
- 第27页
- 第28页
- 第29页
- 第30页
- 第31页
- 第32页
- 第33页
- 第34页
- 第35页
- 第36页
- 第37页
- 第38页
- 第39页
- 第40页
- 第41页
- 第42页
- 第43页
- 第44页
- 第45页
- 第46页
- 第47页
- 第48页
- 第49页
- 第50页
- 第51页
- 第52页
- 第53页
- 第54页
- 第55页
- 第56页
- 第57页
- 第58页
- 第59页
- 第60页
- 第61页
- 第62页
- 第63页
- 第64页
- 第65页
- 第66页
- 第67页
- 第68页
- 第69页
- 第70页
- 第71页
- 第72页
- 第73页
- 第74页
- 第75页
- 第76页
- 第77页
- 第78页
- 第79页
- 第80页
- 第81页
- 第82页
- 第83页
- 第84页
- 第85页
- 第86页
- 第87页
- 第88页
- 第89页
- 第90页
- 第91页
- 第92页
- 第93页
- 第94页
- 第95页
- 第96页
- 第97页
- 第98页
- 第99页
- 第100页
- 第101页
- 第102页
- 第103页
- 第104页
- 第105页
- 第106页
- 第107页
- 第108页
- 第109页
- 第110页
- 第111页
- 第112页
- 第113页
- 第114页
- 第115页
- 第116页
- 第117页
- 第118页
- 第119页
- 第120页
- 第121页
- 第122页
- 第123页
- 第124页
- 第125页
- 第126页
- 第127页
- 第128页
- 第129页
- 第130页
- 第131页
- 第132页
- 第133页
- 第134页
- 第135页
- 第136页
- 第137页
- 第138页
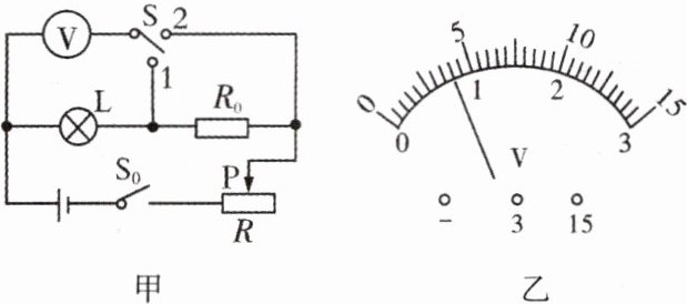
3.(1707)小明利用图甲电路测量出了额定电压为2.5V小灯泡正常发光时的电阻,已知定值电阻$R_{0}$阻值为5Ω。实验步骤如下:
(1)闭合开关$S_{0}$,单刀双掷开关S接1,移动滑动变阻器滑片P,使电压表示数$U_{1}= $
(2)保持滑片P的位置不变,将单刀双掷开关S接2,电压表示数如图乙所示,则小灯泡L正常发光时电阻$R_{L}= $

(1)闭合开关$S_{0}$,单刀双掷开关S接1,移动滑动变阻器滑片P,使电压表示数$U_{1}= $
2.5
V。(2)保持滑片P的位置不变,将单刀双掷开关S接2,电压表示数如图乙所示,则小灯泡L正常发光时电阻$R_{L}= $
10.4
Ω(结果保留一位小数)。
答案:
2.5;10.4
4.(1707)如图所示,是几个同学在没有电压表的情况下,利用电流表和已知阻值的电阻$R_{0}$设计的四个测$R_{x}$阻值的电路,其中不可行的是(

AD
)。
答案:
AD
5.(1707)如图所示是测量未知电阻$R_{x}$的实验电路,电源两端的电压保持不变,定值电阻$R_{0}= 10Ω$。请补充完成主要实验步骤,并进行数据处理。
(1)实验步骤:
①只闭合开关S和$S_{1}$,读出并记录电流表的示数$I_{1}$。
②
③计算$R_{x}$的阻值。
(2)$I_{1}= 0.3A$,$I_{2}= 0.5A$,则$R_{x}= $

(1)实验步骤:
①只闭合开关S和$S_{1}$,读出并记录电流表的示数$I_{1}$。
②
只闭合开关S和$S_{2}$
,读出并记录电流表的示数$I_{2}$。③计算$R_{x}$的阻值。
(2)$I_{1}= 0.3A$,$I_{2}= 0.5A$,则$R_{x}= $
6
Ω。
答案:
6
6.(1703,1707)小明和他的实验小组用图甲所示的电路测未知电阻的阻值,电源电压保持不变。

(1)该实验原理为
(2)小明检查电路时发现有一处导线连接错误,请你在图甲中连接错误的导线上打“×”,用笔画线代替导线正确连接电路(注意导线不要交叉)。(在图甲中电压表与滑动变阻器并联的导线上打“×”,将电压表并联在$R$两端,具体连线略)
(3)小明连接好电路的最后一根导线时,电流表指针立即发生偏转,造成这一现象的原因可能是
(4)正确连接电路后,闭合开关,发现电流表无示数,电压表指针超过测量范围,电路中出现的故障是
(5)闭合开关S,将滑动变阻器的滑片P移到某处时,电压表的示数为3V,电流表的示数如图乙所示,读数为
(6)小明在测量未知电阻的阻值实验过程中电压表已损坏,老师从实验室拿来一只最大阻值为$R_{0}$的滑动变阻器,并设计了如图丙所示的实验电路,按如下步骤进行实验。
①闭合开关S,调节滑片位于最左端,读出电流表的示数为$I_{1}$;
②闭合开关S,
③未知电阻的阻值:$R_{x}= $
(7)通过小明的实验,大家热烈讨论,纷纷设计了单表测电阻的电路图(电流表和电压表均能正常使用,$R_{0}$为已知阻值的定值电阻)。如图所示方案中不能测出$R_{x}$阻值的电路图是

(1)该实验原理为
$R=\frac{U}{I}$
。(2)小明检查电路时发现有一处导线连接错误,请你在图甲中连接错误的导线上打“×”,用笔画线代替导线正确连接电路(注意导线不要交叉)。(在图甲中电压表与滑动变阻器并联的导线上打“×”,将电压表并联在$R$两端,具体连线略)
(3)小明连接好电路的最后一根导线时,电流表指针立即发生偏转,造成这一现象的原因可能是
开关未断开
。如图甲,闭合开关前,滑动变阻器的滑片应该调到最右
端。(4)正确连接电路后,闭合开关,发现电流表无示数,电压表指针超过测量范围,电路中出现的故障是
电阻$R$断路
。(5)闭合开关S,将滑动变阻器的滑片P移到某处时,电压表的示数为3V,电流表的示数如图乙所示,读数为
0.3
A,被测电阻R的阻值为10
Ω。(6)小明在测量未知电阻的阻值实验过程中电压表已损坏,老师从实验室拿来一只最大阻值为$R_{0}$的滑动变阻器,并设计了如图丙所示的实验电路,按如下步骤进行实验。
①闭合开关S,调节滑片位于最左端,读出电流表的示数为$I_{1}$;
②闭合开关S,
调节滑片位于最右端
,读出电流表的示数为$I_{2}$;③未知电阻的阻值:$R_{x}= $
$\frac{I_{2}R_{0}}{I_{1}-I_{2}}$
(用字母表示)。(7)通过小明的实验,大家热烈讨论,纷纷设计了单表测电阻的电路图(电流表和电压表均能正常使用,$R_{0}$为已知阻值的定值电阻)。如图所示方案中不能测出$R_{x}$阻值的电路图是
D
。
答案:
(1)$R=\frac{U}{I}$
(2)(在图甲中电压表与滑动变阻器并联的导线上打“×”,将电压表并联在$R$两端,具体连线略)
(3)开关未断开;右
(4)电阻$R$断路
(5)0.3;10
(6)调节滑片位于最右端;$\frac{I_{2}R_{0}}{I_{1}-I_{2}}$
(7)D
(1)$R=\frac{U}{I}$
(2)(在图甲中电压表与滑动变阻器并联的导线上打“×”,将电压表并联在$R$两端,具体连线略)
(3)开关未断开;右
(4)电阻$R$断路
(5)0.3;10
(6)调节滑片位于最右端;$\frac{I_{2}R_{0}}{I_{1}-I_{2}}$
(7)D
查看更多完整答案,请扫码查看