第89页
- 第1页
- 第2页
- 第3页
- 第4页
- 第5页
- 第6页
- 第7页
- 第8页
- 第9页
- 第10页
- 第11页
- 第12页
- 第13页
- 第14页
- 第15页
- 第16页
- 第17页
- 第18页
- 第19页
- 第20页
- 第21页
- 第22页
- 第23页
- 第24页
- 第25页
- 第26页
- 第27页
- 第28页
- 第29页
- 第30页
- 第31页
- 第32页
- 第33页
- 第34页
- 第35页
- 第36页
- 第37页
- 第38页
- 第39页
- 第40页
- 第41页
- 第42页
- 第43页
- 第44页
- 第45页
- 第46页
- 第47页
- 第48页
- 第49页
- 第50页
- 第51页
- 第52页
- 第53页
- 第54页
- 第55页
- 第56页
- 第57页
- 第58页
- 第59页
- 第60页
- 第61页
- 第62页
- 第63页
- 第64页
- 第65页
- 第66页
- 第67页
- 第68页
- 第69页
- 第70页
- 第71页
- 第72页
- 第73页
- 第74页
- 第75页
- 第76页
- 第77页
- 第78页
- 第79页
- 第80页
- 第81页
- 第82页
- 第83页
- 第84页
- 第85页
- 第86页
- 第87页
- 第88页
- 第89页
- 第90页
- 第91页
- 第92页
- 第93页
- 第94页
- 第95页
- 第96页
- 第97页
- 第98页
- 第99页
- 第100页
- 第101页
- 第102页
- 第103页
- 第104页
- 第105页
- 第106页
- 第107页
- 第108页
- 第109页
- 第110页
- 第111页
- 第112页
- 第113页
- 第114页
- 第115页
- 第116页
- 第117页
- 第118页
- 第119页
- 第120页
- 第121页
- 第122页
- 第123页
- 第124页
- 第125页
- 第126页
- 第127页
- 第128页
- 第129页
- 第130页
- 第131页
- 第132页
- 第133页
- 第134页
- 第135页
- 第136页
- 第137页
- 第138页
- 第139页
- 第140页
- 第141页
- 第142页
- 第143页
- 第144页
- 第145页
- 第146页
- 第147页
- 第148页
- 第149页
2. 实验过程
(1) 按照电路图把待测电阻器、电压表、电流表及______等接入电路,注意选择电压表和电流表的适当______。
(2) 开关闭合之前应该先移动滑动变阻器的滑片,使电路中的电流在开始测量时______。闭合开关,改变滑动变阻器滑片的位置,多测几组电压、电流数据。
(3) 将测量的数据记录在自己设计的表格中。
(4) 根据每组数据算出相应的电阻,然后求出电阻的______,得到电阻器的电阻。
微思考 实验中滑动变阻器的作用是什么?
(1) 按照电路图把待测电阻器、电压表、电流表及______等接入电路,注意选择电压表和电流表的适当______。
(2) 开关闭合之前应该先移动滑动变阻器的滑片,使电路中的电流在开始测量时______。闭合开关,改变滑动变阻器滑片的位置,多测几组电压、电流数据。
(3) 将测量的数据记录在自己设计的表格中。
(4) 根据每组数据算出相应的电阻,然后求出电阻的______,得到电阻器的电阻。
微思考 实验中滑动变阻器的作用是什么?
答案:
2.
(1)滑动变阻器 测量范围
(2)最小
(4)平均值
[微思考]提示 保护电路,改变待测电阻两端的电压。
(1)滑动变阻器 测量范围
(2)最小
(4)平均值
[微思考]提示 保护电路,改变待测电阻两端的电压。
3. 测量小灯泡的电阻
(1) 实验电路:在方框中画出测量小灯泡电阻的电路图。
(2) 实验过程:连接好电路后,多次测量小灯泡两端的电压和电流,计算出每次的电阻。
(1) 实验电路:在方框中画出测量小灯泡电阻的电路图。
(2) 实验过程:连接好电路后,多次测量小灯泡两端的电压和电流,计算出每次的电阻。
答案:
3.
(1)如图所示
3.
(1)如图所示
微思考 测量小灯泡电阻的实验中,每次算出的电阻值相同吗?如果不同,原因是什么?
答案:
[微思考]提示 不同。小灯泡灯丝的电阻随温度的升高而增大。
【例题】小明和小华进行用电流表和电压表测量电阻的实验。
(1) 小明测量定值电阻 $ R_x $ 的实验:

① 用图甲所示的电路测量 $ R_x $ 的阻值,该实验的原理是______。
② 请按照图甲所示的电路图,用笔画线将图乙中的实物图连接完整。
③ 闭合开关之前,滑动变阻器的滑片应置于______端;闭合开关,发现电压表示数接近电源电压,电路的故障可能是______断路。
④ 排除故障,闭合开关,移动滑动变阻器的滑片 $ P $,当电压表的示数为 $ 2.6 \, V $ 时,电流表的示数如图丙所示,则通过 $ R_x $ 的电流大小为______ $ A $。
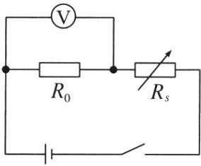
(2) 小华同学通过上面的实验获得灵感,想设计一个能通过电压表测量湿度传感器电阻的电路,并且该电路的电压表的示数随着相对湿度的变大而变大。小华同学准备了如下器材:一个 $ 3 \, V $ 电源、一个阻值为 $ R_s $ 的湿度传感器(电路符号为
“”,其阻值随相对湿度的增大而减小)、一个阻值为 $ 2 × 10^3 \, \Omega $ 的定值电阻 $ R_0 $、一只电压表、一个开关、导线若干。请利用以上器材并根据要求,画出对应的电路图。根据电路分析可知,当电压表指针指在 $ 2 \, V $ 的位置时,湿度传感器的阻值 $ R_s = $ ______ $ \Omega $。

思路导引
(1) 明确伏安法测电阻的原理。(2) 滑动变阻器的正确连接方法。(3) 为保护电路,连接电路时,开关应断开,并将滑动变阻器的滑片置于阻值最大处;根据电压表的示数分析故障。(4) 由题图确定电流表的量程及分度值,读出电流表的示数。(5) 根据电压表的示数随着相对湿度的变大而变大,说明电压改变,必然是两个电阻串联,根据电阻变化分析电压表的位置。
(1) 小明测量定值电阻 $ R_x $ 的实验:
① 用图甲所示的电路测量 $ R_x $ 的阻值,该实验的原理是______。
② 请按照图甲所示的电路图,用笔画线将图乙中的实物图连接完整。
③ 闭合开关之前,滑动变阻器的滑片应置于______端;闭合开关,发现电压表示数接近电源电压,电路的故障可能是______断路。
④ 排除故障,闭合开关,移动滑动变阻器的滑片 $ P $,当电压表的示数为 $ 2.6 \, V $ 时,电流表的示数如图丙所示,则通过 $ R_x $ 的电流大小为______ $ A $。
(2) 小华同学通过上面的实验获得灵感,想设计一个能通过电压表测量湿度传感器电阻的电路,并且该电路的电压表的示数随着相对湿度的变大而变大。小华同学准备了如下器材:一个 $ 3 \, V $ 电源、一个阻值为 $ R_s $ 的湿度传感器(电路符号为
思路导引
(1) 明确伏安法测电阻的原理。(2) 滑动变阻器的正确连接方法。(3) 为保护电路,连接电路时,开关应断开,并将滑动变阻器的滑片置于阻值最大处;根据电压表的示数分析故障。(4) 由题图确定电流表的量程及分度值,读出电流表的示数。(5) 根据电压表的示数随着相对湿度的变大而变大,说明电压改变,必然是两个电阻串联,根据电阻变化分析电压表的位置。
答案:
(1)①$R=\frac{U}{I}$ ②如图所示 ③右 $R_x$ ④$0.26$
(2)如图所示 $1× 10^3$
(1)①$R=\frac{U}{I}$ ②如图所示 ③右 $R_x$ ④$0.26$
(2)如图所示 $1× 10^3$
查看更多完整答案,请扫码查看