1. 填一填。
(1)如左下图,这个图形可以看作是由( )形和( )形组合而成的图形,也可以看作是由( )形剪掉一个( )形后得到的图形。

(2)如右上图,这个图形可以看作是由( )形和( )形组合而成的图形;也可以把它分割成两个( )形。
(1)如左下图,这个图形可以看作是由( )形和( )形组合而成的图形,也可以看作是由( )形剪掉一个( )形后得到的图形。
(2)如右上图,这个图形可以看作是由( )形和( )形组合而成的图形;也可以把它分割成两个( )形。
答案:
1.
(1)梯 长方 长方 梯
(2)三角 长方 梯
(1)梯 长方 长方 梯
(2)三角 长方 梯
2. 计算下面图形的面积。(单位:厘米)
(1)
(2)

(1)
(2)
答案:
2.
(1)6-3.5=2.5(厘米) 8×3.5+(8+9)×2.5÷2=49.25(平方厘米)
(2)20×12-(8+20)×4÷2=184(平方厘米)
(1)6-3.5=2.5(厘米) 8×3.5+(8+9)×2.5÷2=49.25(平方厘米)
(2)20×12-(8+20)×4÷2=184(平方厘米)
3. 你能想出多少种方法计算下图的面积?试试看!(单位:厘米)

答案:
3. 方法一:20×8+(20-12)×(14-8)÷2=184(平方厘米) 方法二:20×14-(20+12)×(14-8)÷2=184(平方厘米) 方法三:12×8+(8+14)×(20-12)÷2=184(平方厘米)
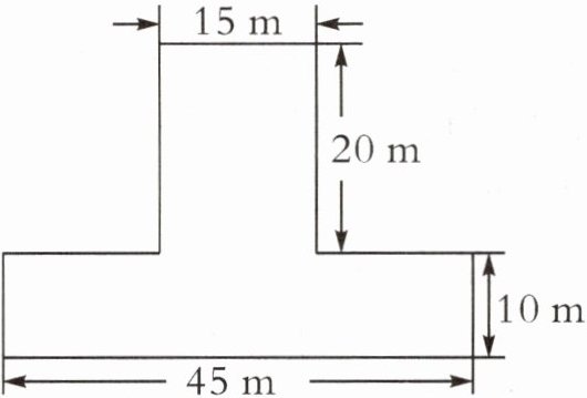
4. 传统文化 春节 春节是中国最重要的传统节日之一,在这一天,人们会举行各种庆祝活动。春节快到了,光明小学准备举办新春联欢会。为了在室外举行迎新春文艺演出,搭建了一座T型舞台(如下图),该舞台的占地面积是( )平方米。

答案:
4. 750
5. 阳光社区进行环境美化,准备在一块长30米、宽16米的长方形空地中间修建一个六边形的喷水池(如右下图),涂色部分为草坪。该喷水池的占地面积是多少平方米?

答案:
5. (30-5-5+30)×(16÷2)÷2×2=400(平方米)
6. 新考法 图形探究 下面每个小方格的边长是10厘米,计算图中涂色部分的面积。

答案:
6. 50×60-20×60÷2-30×10÷2-50×20÷2=1750(平方厘米)
查看更多完整答案,请扫码查看